Например TDA7294

Форум РадиоКот • Просмотр темы - Ламповый усилитель начального уровня
Форум РадиоКот
Здесь можно немножко помяукать :)

Текущее время: Чт дек 11, 2025 02:11:45

Часовой пояс: UTC + 3 часа


ПРЯМО СЕЙЧАС:



Начать новую тему Ответить на тему  [ Сообщений: 7859 ]     ... , , , 84, , , ...  
Автор Сообщение
Не в сети
 Заголовок сообщения: Re: Ламповый усилитель начального уровня.
СообщениеДобавлено: Чт май 31, 2012 09:26:36 
Вымогатель припоя
Аватар пользователя

Карма: 3
Рейтинг сообщений: 67
Зарегистрирован: Вт окт 09, 2007 13:28:12
Сообщений: 647
Откуда: Москва
Рейтинг сообщения: 0
alsh0907 писал(а):
Раз уж здесь зашёл разговор про электронный дроссель, то хотел узнать: стоит ли делать на каждый канал отдельный электронный дроссель, или достаточно сделать один на 2 канала?
Изображение


я делал этот дроссель по этой схеме, один дроссель на один канал , на эту схему есть и печатка даже на radiolamp.ru помоему лежит . Но мне не понравилось у мя он толком нормально и не завелся ,забил :))) поставил кен и дроссель обычный полет нормальный :)))


Вернуться наверх
 
Не в сети
 Заголовок сообщения: Re: Ламповый усилитель начального уровня.
СообщениеДобавлено: Чт май 31, 2012 09:34:15 
Вымогатель припоя
Аватар пользователя

Карма: 3
Рейтинг сообщений: 67
Зарегистрирован: Вт окт 09, 2007 13:28:12
Сообщений: 647
Откуда: Москва
Рейтинг сообщения: 0
Gnat писал(а):
As писал(а):
А почему бы не использовать активный фильтр на транзисторе? Будет заметный выигрыш по весу, по крайней мере... :))


Миф о том что транзисторный дроссель (фильтр) лучше чем дроссель,кочует из форума в форум. Лучше дросселя может быть только дроссель большей индуктивности и большего размера.



Еще по поводу ляктронного дросселя, gnat прав , я проверял хня полная :)


Вернуться наверх
 
Не в сети
 Заголовок сообщения: Re: Ламповый усилитель начального уровня.
СообщениеДобавлено: Чт май 31, 2012 12:00:05 
Друг Кота
Аватар пользователя

Карма: 10
Рейтинг сообщений: 22
Зарегистрирован: Сб янв 16, 2010 20:35:46
Сообщений: 7087
Откуда: Воронеж
Рейтинг сообщения: 0
Проблема электронного дросселя в том, что он, как и все простейшие схемы, очень требователен к параметрам деталей. Не зря же люди создавали сложные схемы стабилизаторов напряжения с применением ОУ и, соответственно, с глубокой ООС - такие стабилизаторы имеют очень низкое выходное сопротивление, вследствие чего колебания напряжения от изменения нагрузки минимальны. :tea:
То же самое и с УМЗЧ - сложная, навороченная схема, которая позволяет на среднего качества деталях получить хороший усилитель. И неважно, что новичок его не осилит, такие усилители обычно делаются опытными людьми.

_________________
ааааааааааааа


Вернуться наверх
 
Не в сети
 Заголовок сообщения: Re: Ламповый усилитель начального уровня.
СообщениеДобавлено: Чт май 31, 2012 12:51:01 
Друг Кота
Аватар пользователя

Карма: 97
Рейтинг сообщений: 1584
Зарегистрирован: Чт янв 26, 2012 14:44:34
Сообщений: 3736
Рейтинг сообщения: 0
Медали: 1
Мявтор 3-й степени (1)
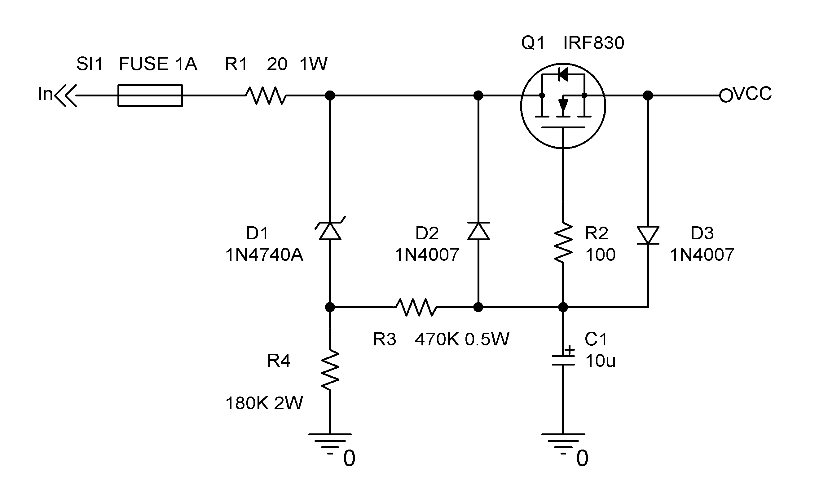
Кому интересен электронный дроссель – попробуйте эту схему. Она не требовательна к параметрам деталей. :) Главное, чтобы напряжение пульсаций на входе при номинальной нагрузке было меньше напряжения стабилизации D1 (10В в данном случае).


Вложения:
ElDrossel.GIF [31.63 KiB]
Скачиваний: 1125
Вернуться наверх
 
Эиком - электронные компоненты и радиодетали
Не в сети
 Заголовок сообщения: Re: Ламповый усилитель начального уровня.
СообщениеДобавлено: Пт июн 01, 2012 09:50:10 
Вымогатель припоя
Аватар пользователя

Карма: 3
Рейтинг сообщений: 67
Зарегистрирован: Вт окт 09, 2007 13:28:12
Сообщений: 647
Откуда: Москва
Рейтинг сообщения: 0
Господа коты кто мне подскажет почему у меня на максимальной громкости, усь дает искажения так называемый клиппинг ?

В принципе я разобрался ,придется ООС лепить , резюк стоит лепить с кондеем , или достаточно тока резюка ?


Вернуться наверх
 
Не в сети
 Заголовок сообщения: Re: Ламповый усилитель начального уровня.
СообщениеДобавлено: Пт июн 01, 2012 10:24:27 
Друг Кота
Аватар пользователя

Карма: 10
Рейтинг сообщений: 22
Зарегистрирован: Сб янв 16, 2010 20:35:46
Сообщений: 7087
Откуда: Воронеж
Рейтинг сообщения: 0
DYK, это особенность ВСЕХ усилителей.

_________________
ааааааааааааа


Вернуться наверх
 
Не в сети
 Заголовок сообщения: Re: Ламповый усилитель начального уровня.
СообщениеДобавлено: Пт июн 01, 2012 21:49:52 
Встал на лапы

Зарегистрирован: Ср июл 08, 2009 17:34:17
Сообщений: 81
Рейтинг сообщения: 0
всем привет, собрал усилок на 6н2п+6п3с по схеме http://drkn.ucoz.ru/publ/zabytye_tekhno ... /16-1-0-15
проблема - сильный фон в колонках... при посаженом на землю входе - фон есть
накал фона не дает. проверено
питания на кенотроне + електронный дроссель
при касании рукой проводов, что ведут на 5 ножку 6п3с фон усиливается..
при соеденении 5 ножки 6п3с с землей - фон полностю пропадает..
номиналы елементов - как на схеме....

посоветуйте методы борьбы с фоном !!!!!


Вернуться наверх
 
Не в сети
 Заголовок сообщения: Re: Ламповый усилитель начального уровня.
СообщениеДобавлено: Пт июн 01, 2012 21:54:55 
Друг Кота
Аватар пользователя

Карма: 20
Рейтинг сообщений: 39
Зарегистрирован: Ср сен 16, 2009 22:39:52
Сообщений: 6884
Откуда: центр МИРа
Рейтинг сообщения: 0
Оба канала сделали или один?

_________________
Управление по управлению всеми управлениями.
Что такое шаговое напряжение?
-это напряжение между ногами когда берешь за голый конец.


Вернуться наверх
 
Не в сети
 Заголовок сообщения: Re: Ламповый усилитель начального уровня.
СообщениеДобавлено: Пт июн 01, 2012 22:05:09 
Друг Кота
Аватар пользователя

Карма: 33
Рейтинг сообщений: 122
Зарегистрирован: Ср сен 22, 2010 07:46:01
Сообщений: 4582
Откуда: Севастополь,город Русских моряков
Рейтинг сообщения: 0
as32888 писал(а):
Проблема электронного дросселя в том, что он, как и все простейшие схемы, очень требователен к параметрам деталей. Не зря же люди создавали сложные схемы стабилизаторов напряжения с применением ОУ и, соответственно, с глубокой ООС - такие стабилизаторы имеют очень низкое выходное сопротивление, вследствие чего колебания напряжения от изменения нагрузки минимальны. :tea:
.


Не вводи в заблуждение.Который раз прошу не умничай,уйди из темы,рассуждай о каменных усилках,если не делал ламповые и не измерял. Нет просадки в классе А ни какой в ламповом усилке. И не нужен стабилизатор с малым выходным сопротивлением и стабильным анодным. Ничего этого не нужно. 100мкф,дроссель и опять 100 мкф. и не будет ни фона ни просадки.


Вложения:
Просадка 1.JPG [187.85 KiB]
Скачиваний: 683

_________________
Паяю уже 60лет.
Вернуться наверх
 
Не в сети
 Заголовок сообщения: Re: Ламповый усилитель начального уровня.
СообщениеДобавлено: Пт июн 01, 2012 22:13:04 
Друг Кота
Аватар пользователя

Карма: 20
Рейтинг сообщений: 39
Зарегистрирован: Ср сен 16, 2009 22:39:52
Сообщений: 6884
Откуда: центр МИРа
Рейтинг сообщения: 0
Gnat,на 6П14П анодное не должно быть больше 250 вольт? Или какое оптимальное? В тетродном включении на защитной сетке должно быть больше ,чем на аноде?

_________________
Управление по управлению всеми управлениями.
Что такое шаговое напряжение?
-это напряжение между ногами когда берешь за голый конец.


Вернуться наверх
 
Не в сети
 Заголовок сообщения: Re: Ламповый усилитель начального уровня.
СообщениеДобавлено: Пт июн 01, 2012 22:20:36 
Встал на лапы

Зарегистрирован: Ср июл 08, 2009 17:34:17
Сообщений: 81
Рейтинг сообщения: 0
оба канала сделал
уменшение резистора с 5 ножки ничего не дает, фон есть почти такой же
межкаскадный конденсатор С3 - 0,1мф (ето все в пентодном режиме)

в триодном режиме фон намного менше, но он есть..


Последний раз редактировалось Bogdann Пт июн 01, 2012 23:04:39, всего редактировалось 3 раз(а).

Вернуться наверх
 
Не в сети
 Заголовок сообщения: Re: Ламповый усилитель начального уровня.
СообщениеДобавлено: Пт июн 01, 2012 22:22:55 
Друг Кота
Аватар пользователя

Карма: 95
Рейтинг сообщений: 1815
Зарегистрирован: Ср дек 07, 2011 18:17:50
Сообщений: 6355
Откуда: Western Siberia
Рейтинг сообщения: 0
ПАУЛЬ писал(а):
Gnat,на 6П14П анодное не должно быть больше 250 вольт? Или какое оптимальное? В тетродном включении на защитной сетке должно быть больше ,чем на аноде?

ПАУЛЬ дружище :)) . Защитная сетка есть у пентодов но не у тетродов. Защитная сетка паяется вместе с катодом в тетродном (-пентодном) включении. А вот экранная сетка -это другое дело. Параметры ламп в данной теме уже выкладывали. Надо просто работать с вольтметром и миллиамперметром. Проще сказать вгонять лампы- в режим паспортных значений и все. :beer:


Вернуться наверх
 
Не в сети
 Заголовок сообщения: Re: Ламповый усилитель начального уровня.
СообщениеДобавлено: Пт июн 01, 2012 23:01:10 
Друг Кота
Аватар пользователя

Карма: 20
Рейтинг сообщений: 39
Зарегистрирован: Ср сен 16, 2009 22:39:52
Сообщений: 6884
Откуда: центр МИРа
Рейтинг сообщения: 0
Ой,прошу прощения. Точно,экранная сетка и пентод,а не тетрод. :))) голова уже не соображает и глаза не видят,что пишу.
Просто выходная лампа вроде в режиме,смещение в норме. Не могу понять из-за чего странное ограничение. Хотя нужно глянуть какое переменное напряжение идет на сетку. Если оно выше смещения-то это понятно.
Усилок то нужно добить.

_________________
Управление по управлению всеми управлениями.
Что такое шаговое напряжение?
-это напряжение между ногами когда берешь за голый конец.


Вернуться наверх
 
Не в сети
 Заголовок сообщения: Re: Ламповый усилитель начального уровня.
СообщениеДобавлено: Пт июн 01, 2012 23:15:55 
Друг Кота
Аватар пользователя

Карма: 33
Рейтинг сообщений: 122
Зарегистрирован: Ср сен 22, 2010 07:46:01
Сообщений: 4582
Откуда: Севастополь,город Русских моряков
Рейтинг сообщения: 0
Я уже писал.Что б не было ограничения и усилитель хорошо звучал. Не меньше 300 вольт анодное нужно подавать.Лучше 310-320. Вот тогда лампа звучит. Атака,драйв появляются. При 250 вольтах звучит как обычный радиоприёмник. На 6П3С 320-420 вольт анодное. г807,ГУ50 600-800вольт.

Цитата:
посоветуйте методы борьбы с фоном

Рассуждаем логически. Вынимаем первую лампу,оставив только выходную. Фон есть или нет. Если есть,значит плохая фильтрация и через анодный резистор первой лампы пульсации проходят через меж каскадный кондёр на сетку выходной лампы. Если исчез фон,значит фон даёт первая лампа. Замыкаем сетку первой лампы на массу. Фон исчез - ищем откуда приходит фон и усиливается первой лампой. С переменного резистора громкости,с входных гнёзд. Фон не исчез - может с накала. Накал первой лампы питаем всегда от отдельной обмотки 6,3вольта. Заземляем средний вывод обмотки или делаем виртуальную среднюю точку.Два резистора по 200-500 ом одинаковых на массу с 4,5й ножки.

_________________
Паяю уже 60лет.


Вернуться наверх
 
Не в сети
 Заголовок сообщения: Re: Ламповый усилитель начального уровня.
СообщениеДобавлено: Пт июн 01, 2012 23:25:00 
Друг Кота
Аватар пользователя

Карма: 20
Рейтинг сообщений: 39
Зарегистрирован: Ср сен 16, 2009 22:39:52
Сообщений: 6884
Откуда: центр МИРа
Рейтинг сообщения: 0
Хорошо,попробую дать лампе 300 вольт и глянем,что она творит.

_________________
Управление по управлению всеми управлениями.
Что такое шаговое напряжение?
-это напряжение между ногами когда берешь за голый конец.


Вернуться наверх
 
Не в сети
 Заголовок сообщения: Re: Ламповый усилитель начального уровня.
СообщениеДобавлено: Пт июн 01, 2012 23:33:39 
Встал на лапы

Зарегистрирован: Ср июл 08, 2009 17:34:17
Сообщений: 81
Рейтинг сообщения: 0
если вынуть первую лампу и оставить только выходную - то фон есть
фон есть если даже отсоединить межкаскадний конденсатор, тогда фон ищо сильнее


Вернуться наверх
 
Не в сети
 Заголовок сообщения: Re: Ламповый усилитель начального уровня.
СообщениеДобавлено: Пт июн 01, 2012 23:41:46 
Друг Кота
Аватар пользователя

Карма: 20
Рейтинг сообщений: 39
Зарегистрирован: Ср сен 16, 2009 22:39:52
Сообщений: 6884
Откуда: центр МИРа
Рейтинг сообщения: 0
Фон может быть из-за монтажа.

_________________
Управление по управлению всеми управлениями.
Что такое шаговое напряжение?
-это напряжение между ногами когда берешь за голый конец.


Вернуться наверх
 
Не в сети
 Заголовок сообщения: Re: Ламповый усилитель начального уровня.
СообщениеДобавлено: Сб июн 02, 2012 00:11:22 
Встал на лапы

Зарегистрирован: Ср июл 08, 2009 17:34:17
Сообщений: 81
Рейтинг сообщения: 0
если в процесе работы выключить усилитель с розетки, то фон пропадает! значит идет наводка от трансформатора.
но с другой стороны, если вытащить кенотрон, то наводка тоже пропадает, даже при включеном трансформаторе


Последний раз редактировалось Bogdann Сб июн 02, 2012 08:53:06, всего редактировалось 1 раз.

Вернуться наверх
 
Не в сети
 Заголовок сообщения: Re: Ламповый усилитель начального уровня.
СообщениеДобавлено: Сб июн 02, 2012 02:48:02 
Друг Кота
Аватар пользователя

Карма: 77
Рейтинг сообщений: 153
Зарегистрирован: Вс окт 10, 2010 23:16:40
Сообщений: 14780
Откуда: Москва
Рейтинг сообщения: 0
Глобальный вывод. :)
Фон пропадает сразу или затухает?


Вернуться наверх
 
Не в сети
 Заголовок сообщения: Re: Ламповый усилитель начального уровня.
СообщениеДобавлено: Сб июн 02, 2012 07:59:44 
Друг Кота
Аватар пользователя

Карма: 33
Рейтинг сообщений: 122
Зарегистрирован: Ср сен 22, 2010 07:46:01
Сообщений: 4582
Откуда: Севастополь,город Русских моряков
Рейтинг сообщения: 0
Bogdann писал(а):
если в процесе работы выключить усилитель с розетки, то фон пропадает! значит идет наводка от трансформатора.

Ну наконец то.Неужели трудно было определить. Ещё раз пишу.По питанию стоит 100 мкф дроссель и 100 мкф? Если нет то конечно фон будет. Нужна нормальная фильтрация анодного напряжения. И накал выходной лампы на массе сидит один вывод? Масса с шасси в одном месте соединена? Или много точек или вообще шасси в качестве массы используете?


Вложения:
Вход выход БП.JPG [161.46 KiB]
Скачиваний: 800

_________________
Паяю уже 60лет.
Вернуться наверх
 
Показать сообщения за:  Сортировать по:  Вернуться наверх
Начать новую тему Ответить на тему  [ Сообщений: 7859 ]     ... , , , 84, , , ...  

Часовой пояс: UTC + 3 часа


Кто сейчас на форуме

Сейчас этот форум просматривают: нет зарегистрированных пользователей и гости: 26


Вы не можете начинать темы
Вы не можете отвечать на сообщения
Вы не можете редактировать свои сообщения
Вы не можете удалять свои сообщения
Вы не можете добавлять вложения

Найти:
Перейти:  


Powered by phpBB © 2000, 2002, 2005, 2007 phpBB Group
Русская поддержка phpBB
Extended by Karma MOD © 2007—2012 m157y
Extended by Topic Tags MOD © 2012 m157y