Например TDA7294

Форум РадиоКот • Просмотр темы - Мелкие вопросы по УНЧ.
Форум РадиоКот
Здесь можно немножко помяукать :)

Текущее время: Пн мар 16, 2026 11:49:59

Часовой пояс: UTC + 3 часа


ПРЯМО СЕЙЧАС:



Начать новую тему Ответить на тему  [ Сообщений: 13584 ]     ... , , , 679,  
Автор Сообщение
 Заголовок сообщения: Re: Мелкие вопросы по УНЧ.
СообщениеДобавлено: Ср мар 04, 2026 02:47:15 
Первый раз сказал Мяу!

Зарегистрирован: Ср мар 05, 2025 02:34:26
Сообщений: 20
Рейтинг сообщения: 0
Всем припоя!
собираю УНЧ, 2Х50Вт.
Есть регуляторы громкости. На 1 и 3 указано Alps Japan, на втором нет.
Все цифирьки я указал на фото.
Вопрос -подойдет хотя бы один под мои цели?
Или надо только RK27 ставить?


Вложения:
22.jpg [152.52 KiB]
Скачиваний: 62
11.jpg [110.47 KiB]
Скачиваний: 63
Вернуться наверх
 
 Заголовок сообщения: Re: Мелкие вопросы по УНЧ.
СообщениеДобавлено: Ср мар 04, 2026 07:16:52 
Друг Кота
Аватар пользователя

Карма: 107
Рейтинг сообщений: 3842
Зарегистрирован: Пн фев 09, 2009 22:19:49
Сообщений: 25419
Откуда: Когда-то был прекрасный город для людей
Рейтинг сообщения: 0
Что поставишь, то и подойдёт.


Вернуться наверх
 
 Заголовок сообщения: Re: Мелкие вопросы по УНЧ.
СообщениеДобавлено: Пт мар 06, 2026 19:56:33 
Электрический кот
Аватар пользователя

Карма: 13
Рейтинг сообщений: 317
Зарегистрирован: Сб мар 27, 2010 13:19:45
Сообщений: 1039
Откуда: Moskau
Рейтинг сообщения: 0
Очередной энурез по фото... А что, авометра в доме как всегда, нету? Только картиночьки в эньтюрьнетяке, на которых вам регуляторы громкости приглючились?
А самому их в руки взять, для начала?

_________________
У кошки четыре ноги - вход, выход, земля и питание.


Вернуться наверх
 
 Заголовок сообщения: Re: Мелкие вопросы по УНЧ.
СообщениеДобавлено: Пт мар 06, 2026 20:45:45 
Друг Кота
Аватар пользователя

Карма: 107
Рейтинг сообщений: 3340
Зарегистрирован: Сб фев 11, 2017 15:59:13
Сообщений: 14985
Откуда: 57 RUS
Рейтинг сообщения: 0
собираю УНЧ, 2Х50Вт.

Какое входное сопротивление усилителя Rвх? Есть усилители с входным сопротивлением 10 кОм, а есть 470 кОм.

_________________
НАРОДОВЛАСТИЕ а не кланово-олигархическая дерьмократия!!!
Цифровому рабству, навязываемому цифровым олигархатом - НЕТ!


Вернуться наверх
 
Эиком - электронные компоненты и радиодетали
 Заголовок сообщения: Re: Мелкие вопросы по УНЧ.
СообщениеДобавлено: Сб мар 07, 2026 04:35:37 
Первый раз сказал Мяу!

Зарегистрирован: Ср мар 05, 2025 02:34:26
Сообщений: 20
Рейтинг сообщения: 0
Эти регуляторы у меня в руках лет 20. Сопротивления замерить проблем нет. Вопрос был почему на УНЧ берут в основном Альпы-27.
Еще простой вопрос. Есть транс от мелкой зарядки телефона. На входе 3 провода. Выход 2 провода (точнее я не знаю сколько под изоляцией, но на плате только две точки. Схемка прилагается. Вопрос -как определить соединение под 110 и под 220?


Вложения:
транс2.jpg [15.71 KiB]
Скачиваний: 47
Вернуться наверх
 
 Заголовок сообщения: Re: Мелкие вопросы по УНЧ.
СообщениеДобавлено: Сб мар 07, 2026 07:45:38 
Модератор
Аватар пользователя

Карма: 159
Рейтинг сообщений: 4081
Зарегистрирован: Пт янв 23, 2009 19:20:05
Сообщений: 45801
Рейтинг сообщения: 0
Медали: 1
Получил миской по аватаре (1)
Очередной энурез по фото... А что, авометра в доме как всегда, нету? Только картиночьки в эньтюрьнетяке...

А самому их в руки взять, для начала?
:)))


Вернуться наверх
 
 Заголовок сообщения: Re: Мелкие вопросы по УНЧ.
СообщениеДобавлено: Сб мар 07, 2026 08:15:13 
Друг Кота
Аватар пользователя

Карма: 107
Рейтинг сообщений: 3842
Зарегистрирован: Пн фев 09, 2009 22:19:49
Сообщений: 25419
Откуда: Когда-то был прекрасный город для людей
Рейтинг сообщения: 0
Цитата:
Еще простой вопрос. Есть транс от мелкой зарядки телефона. На входе 3 провода. Выход 2 провода (точнее я не знаю сколько под изоляцией, но на плате только две точки.


Цитата:
Сопротивления замерить проблем нет.


Проблема таки есть...


Вернуться наверх
 
 Заголовок сообщения: Re: Мелкие вопросы по УНЧ.
СообщениеДобавлено: Сб мар 07, 2026 09:24:44 
Поставщик валерьянки для Кота
Аватар пользователя

Карма: -22
Рейтинг сообщений: -26
Зарегистрирован: Чт апр 06, 2023 19:15:37
Сообщений: 2221
Откуда: пришелец из созвездия КОТА
Рейтинг сообщения: 0
sanya1965 - ЖЖОТ и прикалывается "лихтронно"._

----------

А что мешает замерить хотяб их сопротивления? Если "проблем нет"

Или ещё проще - включить обмотки первички по очереди в сеть через лампочку (или др сопротивление) и замерить напряг на выходной обмотке ?

_________________
«Кто к нам с мечом придет, тот от меча и погибнет! На том стояла и стоит русская земля!»


Вернуться наверх
 
 Заголовок сообщения: Re: Мелкие вопросы по УНЧ.
СообщениеДобавлено: Сб мар 07, 2026 13:59:27 
Первый раз сказал Мяу!

Зарегистрирован: Ср мар 05, 2025 02:34:26
Сообщений: 20
Рейтинг сообщения: 0
sanya1965 - ЖЖОТ и прикалывается "лихтронно"._

----------

А что мешает замерить хотяб их сопротивления? Если "проблем нет"
?

За словесный понос в адрес ТС я караю нещадно, но на другом форуме. То, что многим здесь очевидно, я забыл лет 25 назад. Посмотрел ролики, все ответы нашел. Спите дальше в своем болоте. Не буду беспокоить.


Вернуться наверх
 
 Заголовок сообщения: Re: Мелкие вопросы по УНЧ.
СообщениеДобавлено: Сб мар 07, 2026 14:28:29 
Модератор
Аватар пользователя

Карма: 159
Рейтинг сообщений: 4081
Зарегистрирован: Пт янв 23, 2009 19:20:05
Сообщений: 45801
Рейтинг сообщения: 0
Медали: 1
Получил миской по аватаре (1)
Форум называется "домоводство"? :)) Меня вот тоже на "радиотехнике-ХХ" банили несколько раз, и что?! :)))


Вернуться наверх
 
 Заголовок сообщения: Re: Мелкие вопросы по УНЧ.
СообщениеДобавлено: Сб мар 07, 2026 15:03:14 
Поставщик валерьянки для Кота
Аватар пользователя

Карма: -22
Рейтинг сообщений: -26
Зарегистрирован: Чт апр 06, 2023 19:15:37
Сообщений: 2221
Откуда: пришелец из созвездия КОТА
Рейтинг сообщения: 0
sanya1965 - ЖЖОТ и прикалывается "лихтронно"._

----------

А что мешает замерить хотяб их сопротивления? Если "проблем нет"
?

За словесный понос в адрес ТС я караю нещадно, но на другом форуме. То, что многим здесь очевидно, я забыл лет 25 назад. Посмотрел ролики, все ответы нашел. Спите дальше в своем болоте. Не буду беспокоить.

Ой,ой,ой....
Каратель фрицевский

Саня, дождёшся с ТАКИМИ выступлениями целебной клизЬмы как нибудь.
(Не от меня, мне пофигу базары, а др люди могут и вспылить)

Мало ли кто и что забыл. Не будем уточнять, и всем от этого станет ЛУЧШЕ.

Болото, но тёплое и спокойное, местами (темами).

Ну и канай, редиска...

_________________
«Кто к нам с мечом придет, тот от меча и погибнет! На том стояла и стоит русская земля!»


Вернуться наверх
 
 Заголовок сообщения: Re: Мелкие вопросы по УНЧ.
СообщениеДобавлено: Сб мар 07, 2026 20:33:00 
Модератор
Аватар пользователя

Карма: 159
Рейтинг сообщений: 4081
Зарегистрирован: Пт янв 23, 2009 19:20:05
Сообщений: 45801
Рейтинг сообщения: 0
Медали: 1
Получил миской по аватаре (1)
Phlanger, я же просил - пишите литературным русским языком! :dont_know:


Вернуться наверх
 
 Заголовок сообщения: Re: Мелкие вопросы по УНЧ.
СообщениеДобавлено: Сб мар 07, 2026 22:58:16 
Поставщик валерьянки для Кота
Аватар пользователя

Карма: -22
Рейтинг сообщений: -26
Зарегистрирован: Чт апр 06, 2023 19:15:37
Сообщений: 2221
Откуда: пришелец из созвездия КОТА
Рейтинг сообщения: 0
Даёшь ПЛЕЯДУ РУССКИХ НОВЫХ КЛАССИКОВ литературописания сугубо в рамках форума КОТА!!!

Кстати, в далёком деЦтве я имел книгу РУССКОГО КЛАССИКА М.Горького, издания Сталинских времён, с чётким написанием МАТЕРНЫХ СЛОВ.
И, пространных описаний "взрослых дел" 8)
Что очень помогало мне обучению в начальной школе :-) :-) :-)

_________________
«Кто к нам с мечом придет, тот от меча и погибнет! На том стояла и стоит русская земля!»


Вернуться наверх
 
 Заголовок сообщения: Re: Мелкие вопросы по УНЧ.
СообщениеДобавлено: Сб мар 07, 2026 23:14:01 
Нашел транзистор. Понюхал.
Аватар пользователя

Зарегистрирован: Вс дек 19, 2010 14:37:45
Сообщений: 155
Рейтинг сообщения: 0
включать динамик в цепь питания вых. транзистора плохая идея.
весь ток транзистора течёт через тонкую катушку динамика.
Тут либо трансформатор использовать, либо элетролит последовательно с динамиком.
а коллектор через резистор, который тоже будет сильно грется.

_________________
Кто стремится - тот добьется, кто ищет - тот найдет,
ибо выход всегда есть, напролом или в обход!


Вернуться наверх
 
 Заголовок сообщения: Re: Мелкие вопросы по УНЧ.
СообщениеДобавлено: Вс мар 08, 2026 08:26:38 
Друг Кота
Аватар пользователя

Карма: 107
Рейтинг сообщений: 3842
Зарегистрирован: Пн фев 09, 2009 22:19:49
Сообщений: 25419
Откуда: Когда-то был прекрасный город для людей
Рейтинг сообщения: 0
Зато это будет чистый режим класса А ! Самый высокий визг аудиофилов !


Вернуться наверх
 
 Заголовок сообщения: Re: Мелкие вопросы по УНЧ.
СообщениеДобавлено: Вс мар 08, 2026 09:45:09 
Опытный кот
Аватар пользователя

Карма: 7
Рейтинг сообщений: 39
Зарегистрирован: Ср апр 13, 2011 02:13:43
Сообщений: 859
Рейтинг сообщения: 0
Всем припоя!
собираю УНЧ, 2Х50Вт.
Есть регуляторы громкости. На 1 и 3 указано Alps Japan, на втором нет.
Все цифирьки я указал на фото.
Вопрос -подойдет хотя бы один под мои цели?
Или надо только RK27 ставить?


1й видимо с тонкомпенсацией. 2й и 3й видимо с энкодером(из магнитолы наверное).

Эти регуляторы у меня в руках лет 20. Сопротивления замерить проблем нет. Вопрос был почему на УНЧ берут в основном Альпы-27.
Еще простой вопрос. Есть транс от мелкой зарядки телефона. На входе 3 провода. Выход 2 провода (точнее я не знаю сколько под изоляцией, но на плате только две точки. Схемка прилагается. Вопрос -как определить соединение под 110 и под 220?


Не знаю про альпы, видимо это регулятор с тонкомпенсацией.
Сейчас не ставят.
Есть регуляторы логарифмические(не ступенчатые), если не ошибаюсь это когда резистивный слой нанесён не равномерно(в среднем положении регулятора, левая часть будет иметь большее сопротивление, чем правая), в отличии от линейных.

У тебя 3 контакта, меряешь между какими будет наибольшее сопротивление - 220.


Вернуться наверх
 
 Заголовок сообщения: Re: Мелкие вопросы по УНЧ.
СообщениеДобавлено: Пн мар 09, 2026 02:16:51 
Друг Кота
Аватар пользователя

Карма: 11
Рейтинг сообщений: 51
Зарегистрирован: Чт июл 03, 2014 21:06:30
Сообщений: 3486
Рейтинг сообщения: 4
тонкомпенсация внешней цепочкой, если не паять ее, будет без тонкомпенсации...

Добавлено after 30 seconds:
а у потенциометра просто отводы под эти цепочки

_________________
умная подпись такая с умным изречением, как у умных умников, на умном языке


Вернуться наверх
 
 Заголовок сообщения: Re: Мелкие вопросы по УНЧ.
СообщениеДобавлено: Чт мар 12, 2026 22:48:35 
Родился
Аватар пользователя

Зарегистрирован: Пт апр 15, 2022 22:14:29
Сообщений: 1
Рейтинг сообщения: 0
Всем привет!
Как правильно подключить стерео-разъём для наушников к выходу моно-усилителя с максимальной мощностью около 10 Вт. Через один резистор и замкнуть контакты каналов на разъёме, или не замыкать и на каждый канал отдельно по резистору?
Какой нужен номинал и мощность, чтобы наушники (2 х 32 Ом) не сдохли при максимальной громкости усилителя?


Вернуться наверх
 
 Заголовок сообщения: Re: Мелкие вопросы по УНЧ.
СообщениеДобавлено: Пт мар 13, 2026 00:06:52 
Электрический кот
Аватар пользователя

Карма: 13
Рейтинг сообщений: 317
Зарегистрирован: Сб мар 27, 2010 13:19:45
Сообщений: 1039
Откуда: Moskau
Рейтинг сообщения: 0
УНЧ даёт где-то 9 Вольт сигнала по максимуму, для ух хватит одного Вольта, будет по 30 миллиВатт в ухо, оглохнете. Я бы влепил по 270 Ом 0.5 Ватта последовательно с каждым ухом.

_________________
У кошки четыре ноги - вход, выход, земля и питание.


Вернуться наверх
 
 Заголовок сообщения: Re: Мелкие вопросы по УНЧ.
СообщениеДобавлено: Пт мар 13, 2026 10:31:39 
Открыл глаза

Зарегистрирован: Пт ноя 01, 2024 17:33:51
Сообщений: 56
Рейтинг сообщения: 0
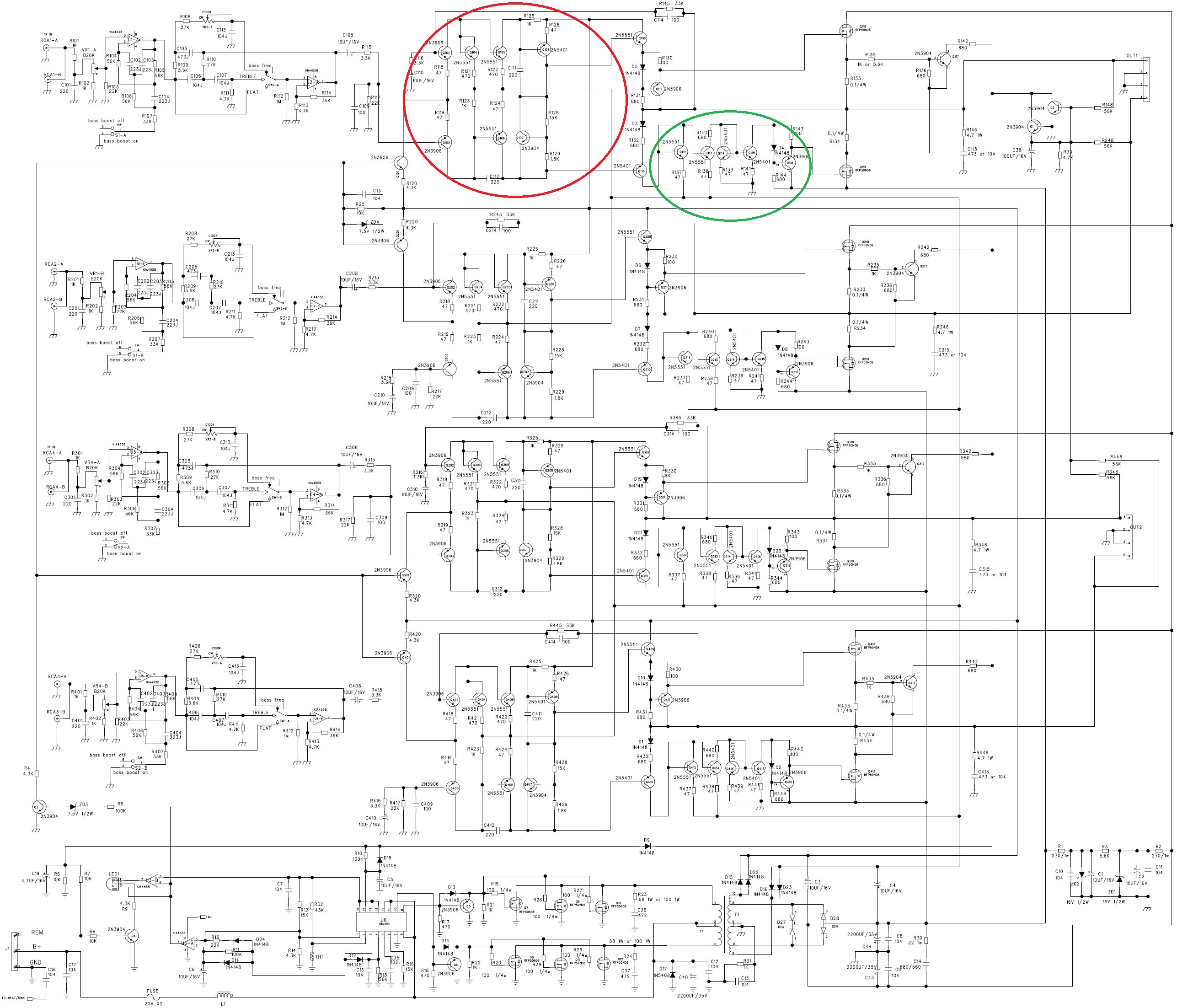
Здравствуйте возникли вопросы по схеме, не вижу на схеме схему диф усилителя, как я понимаю обведено красным, так же для чего нужен узел обведенный зеленым и как он работает.Изображение


Вернуться наверх
 
Показать сообщения за:  Сортировать по:  Вернуться наверх
Начать новую тему Ответить на тему  [ Сообщений: 13584 ]     ... , , , 679,  

Часовой пояс: UTC + 3 часа


Вы не можете начинать темы
Вы не можете отвечать на сообщения
Вы не можете редактировать свои сообщения
Вы не можете удалять свои сообщения
Вы не можете добавлять вложения

Найти:
Перейти:  


Powered by phpBB © 2000, 2002, 2005, 2007 phpBB Group
Русская поддержка phpBB
Extended by Karma MOD © 2007—2012 m157y
Extended by Topic Tags MOD © 2012 m157y