Например TDA7294

Форум РадиоКот • Просмотр темы - Не работает стабилизатор напряжения в осциллографе.
Форум РадиоКот
Здесь можно немножко помяукать :)

Текущее время: Вт фев 03, 2026 08:12:57

Часовой пояс: UTC + 3 часа


ПРЯМО СЕЙЧАС:



Начать новую тему Ответить на тему  [ Сообщений: 6 ] 
Автор Сообщение
Не в сети
 Заголовок сообщения: Не работает стабилизатор напряжения в осциллографе.
СообщениеДобавлено: Пт дек 02, 2022 18:30:09 
Первый раз сказал Мяу!

Зарегистрирован: Пн ноя 28, 2022 18:52:25
Сообщений: 22
Рейтинг сообщения: 0
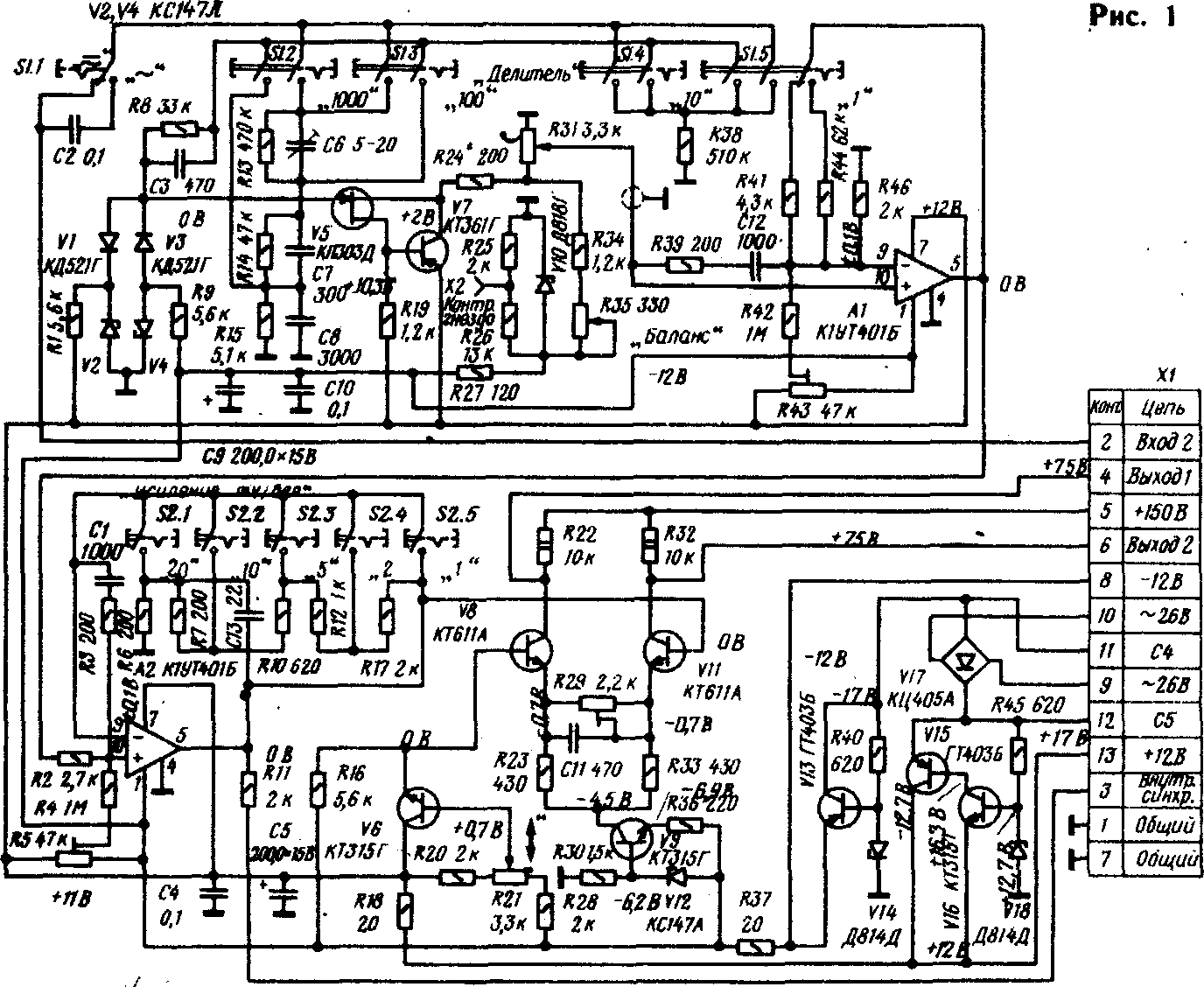
Пропала 12ти вольтовая линия, собрана она на элементах V13, V14, V15, V16, V18 и R45. Вместо 12ти вольт на выходе около 17 вольт, и подозрительно низкое напряжение на V18 (4 вольта), причем если этот сталитрон выпаять напруга не поменяеться.
Есть еще просьба подсказать как проверить операционный усилитель 140УД1Б, они должны питаться от 12ти вольт, и скорее всего им хана. Если надо, имееться второй осциллограф С1-112.
Заранее спасибо.
P.S Все выше перечисленеые элементы в стабилизаторе проверены!


Вложения:
oscrl0.gif [67.59 KiB]
Скачиваний: 83


Последний раз редактировалось Taras2003 Пт дек 02, 2022 18:46:46, всего редактировалось 1 раз.
Вернуться наверх
 
Не в сети
 Заголовок сообщения: Re: Не работает стабилизатор напряжения в осциллографе.
СообщениеДобавлено: Пт дек 02, 2022 18:44:04 
Друг Кота
Аватар пользователя

Карма: 123
Рейтинг сообщений: 7959
Зарегистрирован: Сб сен 13, 2014 16:27:32
Сообщений: 39199
Откуда: СпиртоГонск созвездия Омега
Рейтинг сообщения: 0
чините БП пока не погорело все осталное ОУ 99.9% тебя и живее чем те транзисторы в бп которые 99% тупа пропились начни с замены гт 405 и да яб туда кт816 втулил
что за осел такой сеекрет наверно ??? ващеукдивлят...чтоклиенты сам се мастера шифруютца... и да верни выкусаные КМ на место без них все одно нежилец

_________________
ZМудрость(Опыт и выдержка) приходит с годами.
Все Ваши беды и проблемы, от недостатка знаний.
Умный и у дурака научится, а дураку и ..
Алберт Ейнштейн не поможет и ВВП не спасет.и МЧС опаздает


Вернуться наверх
 
Не в сети
 Заголовок сообщения: Re: Не работает стабилизатор напряжения в осциллографе.
СообщениеДобавлено: Пт дек 02, 2022 18:50:16 
Первый раз сказал Мяу!

Зарегистрирован: Пн ноя 28, 2022 18:52:25
Сообщений: 22
Рейтинг сообщения: 0
ГТ403 все живые, и КМ конденсаторы я не выкусывал...


Вернуться наверх
 
Не в сети
 Заголовок сообщения: Re: Не работает стабилизатор напряжения в осциллографе.
СообщениеДобавлено: Пт дек 02, 2022 18:57:57 
Друг Кота
Аватар пользователя

Карма: 123
Рейтинг сообщений: 7959
Зарегистрирован: Сб сен 13, 2014 16:27:32
Сообщений: 39199
Откуда: СпиртоГонск созвездия Омега
Рейтинг сообщения: 0
они должны питаться от 12ти вольт, и скорее всего им хана. Если надо, имееться второй осциллограф С1-112.
Заранее спасибо.
P.S Все выше перечисленеые элементы в стабилизаторе проверены!
Taras2003 писал(а):
ГТ403 все живые,
НЕВЕРЮ!!!!!
вот изэтой вразы следует толка то что либо ты не умешь проверять детали либо... гдето УЖЕ САМ посадил соплю между кэ 403 и да деталек там мало так что можно тупо поменять зенера (обязателно) лучще на 2с213 а также 403 на такойже новый или лучше кт816в что до вт16(315) то его тоже махни не глядя -чена ему 40коп не жимись... это должнго привести +12 в допуск ,если не поможет ищи рукотворные касяки

_________________
ZМудрость(Опыт и выдержка) приходит с годами.
Все Ваши беды и проблемы, от недостатка знаний.
Умный и у дурака научится, а дураку и ..
Алберт Ейнштейн не поможет и ВВП не спасет.и МЧС опаздает


Вернуться наверх
 
Эиком - электронные компоненты и радиодетали
Не в сети
 Заголовок сообщения: Re: Не работает стабилизатор напряжения в осциллографе.
СообщениеДобавлено: Пт дек 02, 2022 21:14:21 
Первый раз сказал Мяу!

Зарегистрирован: Пн ноя 28, 2022 18:52:25
Сообщений: 22
Рейтинг сообщения: 0
они должны питаться от 12ти вольт, и скорее всего им хана. Если надо, имееться второй осциллограф С1-112.
Заранее спасибо.
P.S Все выше перечисленеые элементы в стабилизаторе проверены!
Taras2003 писал(а):
ГТ403 все живые,
НЕВЕРЮ!!!!!
вот изэтой вразы следует толка то что либо ты не умешь проверять детали либо... гдето УЖЕ САМ посадил соплю между кэ 403 и да деталек там мало так что можно тупо поменять зенера (обязателно) лучще на 2с213 а также 403 на такойже новый или лучше кт816в что до вт16(315) то его тоже махни не глядя -чена ему 40коп не жимись... это должнго привести +12 в допуск ,если не поможет ищи рукотворные касяки


Поменял КТ315 на новый ипоставил КТ816 - на V18 4,5 вольт. Детали все рабочие ( проверял на ESR тестере ), я уже эту схему до дыр затер( Что может быть не так?


Вернуться наверх
 
Не в сети
 Заголовок сообщения: Re: Не работает стабилизатор напряжения в осциллографе.
СообщениеДобавлено: Ср дек 14, 2022 18:54:37 
Первый раз сказал Мяу!

Зарегистрирован: Пн ноя 28, 2022 18:52:25
Сообщений: 22
Рейтинг сообщения: 0
чините БП пока не погорело все осталное ОУ 99.9% тебя и живее чем те транзисторы в бп которые 99% тупа пропились начни с замены гт 405 и да яб туда кт816 втулил
что за осел такой сеекрет наверно ??? ващеукдивлят...чтоклиенты сам се мастера шифруютца... и да верни выкусаные КМ на место без них все одно нежилец


Появилось 12в, но вместо луча просто точка. Может сгорели ОУ? Знаете как их проверить?


Вернуться наверх
 
Показать сообщения за:  Сортировать по:  Вернуться наверх
Начать новую тему Ответить на тему  [ Сообщений: 6 ] 

Часовой пояс: UTC + 3 часа


Кто сейчас на форуме

Сейчас этот форум просматривают: нет зарегистрированных пользователей и гости: 13


Вы не можете начинать темы
Вы не можете отвечать на сообщения
Вы не можете редактировать свои сообщения
Вы не можете удалять свои сообщения
Вы не можете добавлять вложения

Найти:
Перейти:  


Powered by phpBB © 2000, 2002, 2005, 2007 phpBB Group
Русская поддержка phpBB
Extended by Karma MOD © 2007—2012 m157y
Extended by Topic Tags MOD © 2012 m157y