Например TDA7294

Форум РадиоКот • Просмотр темы - БП от принтеров
Форум РадиоКот
Здесь можно немножко помяукать :)

Текущее время: Пт фев 13, 2026 17:50:51

Часовой пояс: UTC + 3 часа


ПРЯМО СЕЙЧАС:



Начать новую тему Ответить на тему  [ Сообщений: 121 ]    , 2, , , ...  
Автор Сообщение
Не в сети
 Заголовок сообщения: Re: БП от принтеров
СообщениеДобавлено: Чт окт 29, 2015 14:51:41 
Родился

Карма: 1
Рейтинг сообщений: 2
Зарегистрирован: Ср янв 15, 2014 19:32:39
Сообщений: 19
Рейтинг сообщения: 0
Переделал еще один БП от принтера 8) , на этот раз старенький принтер HP 6L, который окончательно добили скрепками. Блок питания необычный, как вычитал в интернете работает в резонансе, микросхема str-z1505. Переделка состояла в том, что я отрезал кусок текстолита с блоком питания ножницами по металлу, в холодной части оставил одну диодную сборку по 12В и фильтрующие емкости, контроль напряжения распаял отдельной платкой из статьи "Простая доработка импульсного БП".
Напряжение выставил 12В, поставил автомобильную лампочку, начал выкручивать токовый резистор, максимально достигнутое значение тока 3,2А (при этом напряжение 10.5В), больше мощи с него снять не получилось. Итого получаем до 30Вт мощности. В процессе работы БП почти холодный :))) , Еле теплый радиатор диодной сборки, феррит и сама микросхема ваще прохладные.
Изображение Изображение Изображение


Вернуться наверх
 
Не в сети
 Заголовок сообщения: Re: БП от принтеров
СообщениеДобавлено: Чт окт 29, 2015 16:29:11 
Друг Кота
Аватар пользователя

Карма: 123
Рейтинг сообщений: 7958
Зарегистрирован: Сб сен 13, 2014 16:27:32
Сообщений: 39197
Откуда: СпиртоГонск созвездия Омега
Рейтинг сообщения: 0
ну перемотать можно любой но вся фишка БП таких юзать без перемота
иначе проще с 0 намотать транс и сделатьИБП на щимке с встроеным полевивиком
их море сейчас
часто ремон таких БП состоит в замене от 2 до 8 деталек в первичке и все
изготовление тоже не сложнее...а вот расыпущные могут достат при настройке...как в соседней теме
они хорощи лищ при серийной сборке на отработаном до микрона трансе и вылизаной на железной модели схеме модели в симах дают мало реала....

_________________
ZМудрость(Опыт и выдержка) приходит с годами.
Все Ваши беды и проблемы, от недостатка знаний.
Умный и у дурака научится, а дураку и ..
Алберт Ейнштейн не поможет и ВВП не спасет.и МЧС опаздает


Вернуться наверх
 
Не в сети
 Заголовок сообщения: Re: БП от принтеров
СообщениеДобавлено: Чт окт 29, 2015 17:16:44 
Друг Кота
Аватар пользователя

Карма: 46
Рейтинг сообщений: 2555
Зарегистрирован: Пн мар 30, 2015 10:32:55
Сообщений: 5717
Откуда: СССР
Рейтинг сообщения: 0
У меня есть парочка БП от принтеров А3 :) Выжать наверно с них можно порядочно.


Вернуться наверх
 
Не в сети
 Заголовок сообщения: Re: БП от принтеров
СообщениеДобавлено: Пн дек 21, 2015 17:11:45 
Родился

Карма: 1
Рейтинг сообщений: 2
Зарегистрирован: Ср янв 15, 2014 19:32:39
Сообщений: 19
Рейтинг сообщения: 0
Решил переделать еще один несложный БП EPS-23E. Все по стандартной схеме, выпаял все из вторички, к оптопаре (1-2 ноги) подключил платку из "простой доработки".
Блок питания выдал почти 29Вт. Подключал линейку 3Вт 10шт светодиодов, получил 34,5В на 0,84А, контроля напряжения при этом не было, ток ограничивался только резистором в эмиттере силового ключа. Дальше подкрутил подстроечник, выставил 0,6А 34В, это около 20Вт мощности. Ключ при такой нагрузке на стандартном радиаторе хорошо грелся, мерил термопарой, когда температура достигла 70*С решил отключать и ставить радиатор посолиднее, ведь работать этот БП будет в коробочке...
Изображение Изображение Изображение Изображение Изображение


Вернуться наверх
 
Эиком - электронные компоненты и радиодетали
Не в сети
 Заголовок сообщения: Re: БП от принтеров
СообщениеДобавлено: Пт июн 10, 2016 14:47:23 
Родился

Карма: 1
Рейтинг сообщений: 2
Зарегистрирован: Ср янв 15, 2014 19:32:39
Сообщений: 19
Рейтинг сообщения: 2
Занялся переделкой БП от старого CRT монитора Samsung, модель материнской платы DP15H**\DP17L**.
Отрезал ножницами для жести часть текстолита на котором распаян сам БП. Решил оставить только 12В. После обрезания бп включается и работает, стабилизация напряжения осуществляется через дополнительную обмотку трансформатора. Порывшись в интернете нашел схему подключения шим микросхемы DP104 в которой стабилизация осуществляется через оптопару. Схема простенькая, решил экспериментировать.
Изображение Изображение
Сделал небольшую платку для TL431 и нашел оптопару, по линии 12В поставил диод помощнее и посадил его на радиатор, из вторички выпаял все что касается других выходов (диоды конденсаторы перемычки), оставил только то, что нужно.
К моему сожалению без переделки горячей части схема не хочет работать в режиме стабилизации тока, с другой стороны для стабилизации напряжения понадобилась tl431 и оптопара, т.е. меньше работы :))
По питанию шимки DP104 заменил резистор 15 Ом на 30 Ом который идет на третью ногу VCC, эта манипуляция сдвинула порог срабатывания защиты от КЗ в большую сторону. Ногу микросхемы №5 "Sinc" полностью освободил от обвязки и оставил в "воздухе", нам синхронизировать частоту незачем 8) .
Итог без особых усилий получил блок питания 12В с защитой от КЗ в районе 4.5А. При нагрузке 4А 11.5В родной радиатор микросхемы DP104 45*C. Для светодиодной ленты мне с головой хватит...
Теоретически с этого БП можно выжать и больше мощности, но нужно перематывать трансформатор либо использовать не 12В выход, а например 35В.....
Изображение Изображение Изображение
Изображение Изображение


Вернуться наверх
 
Не в сети
 Заголовок сообщения: Re: БП от принтеров
СообщениеДобавлено: Вт сен 06, 2016 18:44:52 
Открыл глаза

Зарегистрирован: Пт июл 22, 2016 17:24:51
Сообщений: 74
Рейтинг сообщения: 0
[quote="verba"]Занялся переделкой БП от старого CRT монитора Samsung, модель материнской платы DP15H**\DP17L**.
Отрезал ножницами для жести часть текстолита на котором распаян сам БП. Решил оставить только 12В. После обрезания бп включается и работает, стабилизация напряжения осуществляется через дополнительную обмотку трансформатора. Порывшись в интернете нашел схему подключения шим микросхемы DP104 в которой стабилизация осуществляется через оптопару. Схема простенькая, решил экспериментировать.
Изображение Изображение
Сделал небольшую платку для TL431 и нашел оптопару, по линии 12В поставил диод помощнее и посадил его на радиатор, из вторички выпаял все что касается других выходов (диоды конденсаторы перемычки), оставил только то, что нужно.
К моему сожалению без переделки горячей части схема не хочет работать в режиме стабилизации тока, с другой стороны для стабилизации напряжения понадобилась tl431 и оптопара, т.е. меньше работы :))
По питанию шимки DP104 заменил резистор 15 Ом на 30 Ом который идет на третью ногу VCC, эта манипуляция сдвинула порог срабатывания защиты от КЗ в большую сторону. Ногу микросхемы №5 "Sinc" полностью освободил от обвязки и оставил в "воздухе", нам синхронизировать частоту незачем 8) .
Итог без особых усилий получил блок питания 12В с защитой от КЗ в районе 4.5А. При нагрузке 4А 11.5В родной радиатор микросхемы DP104 45*C. Для светодиодной ленты мне с головой хватит...
Теоретически с этого БП можно выжать и больше мощности, но нужно перематывать трансформатор либо использовать не 12В выход, а например 35В.....
Изображение Изображение Изображение
Изображение Изображение[/ Мастер! Ну помогите новичку переделать под регулируемый! Блок от Нр, вроде как нужно после оптопары в резистивном делители один резистор заменить на подстроачный и будет все работать, правильно ли это, если да то какой? Изображение Изображение Изображение Изображение


Вернуться наверх
 
Не в сети
 Заголовок сообщения: Re: БП от принтеров
СообщениеДобавлено: Ср сен 07, 2016 12:41:19 
Друг Кота
Аватар пользователя

Карма: 123
Рейтинг сообщений: 7958
Зарегистрирован: Сб сен 13, 2014 16:27:32
Сообщений: 39197
Откуда: СпиртоГонск созвездия Омега
Рейтинг сообщения: 0
в теории да на практике ищут 431 и делитель в ее гати верхний резик меняют на 2 постояник 470 +подстроечник учтите предел вверх ограничен допустимым напряга на стоке ключа...и силно поднять неезя
вниз предел тоже емть-тот при котором самопитпния ШИМ не хватит клочу гдето 10-12в.... за пределами этого - жди симфонии БАХА

_________________
ZМудрость(Опыт и выдержка) приходит с годами.
Все Ваши беды и проблемы, от недостатка знаний.
Умный и у дурака научится, а дураку и ..
Алберт Ейнштейн не поможет и ВВП не спасет.и МЧС опаздает


Вернуться наверх
 
Не в сети
 Заголовок сообщения: Re: БП от принтеров
СообщениеДобавлено: Ср сен 07, 2016 12:51:12 
Открыл глаза

Зарегистрирован: Пт июл 22, 2016 17:24:51
Сообщений: 74
Рейтинг сообщения: 0
musor писал(а):
в теории да на практике ищут 431 и делитель в ее гати верхний резик меняют на 2 постояник 470 +подстроечник учтите предел вверх ограничен допустимым напряга на стоке ключа...и силно поднять неезя
вниз предел тоже емть-тот при котором самопитпния ШИМ не хватит клочу гдето 10-12в.... за пределами этого - жди симфонии БАХА

Тогда лучше простой регулятор на LM поставлю на выходе и все


Вернуться наверх
 
Не в сети
 Заголовок сообщения: Re: БП от принтеров
СообщениеДобавлено: Ср сен 07, 2016 13:36:26 
Друг Кота
Аватар пользователя

Карма: 46
Рейтинг сообщений: 2555
Зарегистрирован: Пн мар 30, 2015 10:32:55
Сообщений: 5717
Откуда: СССР
Рейтинг сообщения: 0
А по фото можно как нибудь подсказать как запустить БП ? А то боюсь спалить...


Вернуться наверх
 
Не в сети
 Заголовок сообщения: Re: БП от принтеров
СообщениеДобавлено: Ср сен 07, 2016 13:40:41 
Открыл глаза

Зарегистрирован: Пт июл 22, 2016 17:24:51
Сообщений: 74
Рейтинг сообщения: 0
Кот-Кот писал(а):
А по фото можно как нибудь подсказать как запустить БП ? А то боюсь спалить...

А че за блок?


Вернуться наверх
 
Не в сети
 Заголовок сообщения: Re: БП от принтеров
СообщениеДобавлено: Ср сен 07, 2016 13:56:57 
Друг Кота
Аватар пользователя

Карма: 46
Рейтинг сообщений: 2555
Зарегистрирован: Пн мар 30, 2015 10:32:55
Сообщений: 5717
Откуда: СССР
Рейтинг сообщения: 0
Да есть несколько разных, валяются давно просто. Запустить бы и куда нибудь применить.


Вернуться наверх
 
Не в сети
 Заголовок сообщения: Re: БП от принтеров
СообщениеДобавлено: Ср сен 07, 2016 14:01:38 
Открыл глаза

Зарегистрирован: Пт июл 22, 2016 17:24:51
Сообщений: 74
Рейтинг сообщения: 0
Кот-Кот писал(а):
Да есть несколько разных, валяются давно просто. Запустить бы и куда нибудь применить.

А какая мощность? Если без дела валются не поделишься одним для микро дрели?


Вернуться наверх
 
Не в сети
 Заголовок сообщения: Re: БП от принтеров
СообщениеДобавлено: Ср сен 07, 2016 14:41:21 
Друг Кота
Аватар пользователя

Карма: 123
Рейтинг сообщений: 7958
Зарегистрирован: Сб сен 13, 2014 16:27:32
Сообщений: 39197
Откуда: СпиртоГонск созвездия Омега
Рейтинг сообщения: 0
ХОЗЯИН-БАРИН :beer:
1-ОХ мало САМ МАЛО годен как регулируемый ЛБП с широкими пределами по выходному (причины выще ) как правило вверх есть 20-30%запас не боле с понижением..есть рещения снизить в 2-3раза...
2 вариант грелки на 317(108х) по вкусу -на любителя-но здесь удобне ООС брать не с выхода а с ПАДЕНИЯ на регулирующем(317) тогда при малых напрягах и болщих мощах не будет перегрева регулирующего элемента (тепловая защита тригерная крайне желателна)
3 :idea: лучщий вариант выбрать обмотку на 24-30в выставить там максимално стабилное 24-27в подав его на степдаун на 2596(2576) -годятся готовые модули с ибею как с волтметром так и без... :beer: читают тут темы -обсосано до самое нехочу даже для чайникоф и дубоф с фотками че выпаять с плату и куда припаять регулятор выхода :)))

_________________
ZМудрость(Опыт и выдержка) приходит с годами.
Все Ваши беды и проблемы, от недостатка знаний.
Умный и у дурака научится, а дураку и ..
Алберт Ейнштейн не поможет и ВВП не спасет.и МЧС опаздает


Вернуться наверх
 
Не в сети
 Заголовок сообщения: Re: БП от принтеров
СообщениеДобавлено: Ср сен 07, 2016 17:41:06 
Друг Кота
Аватар пользователя

Карма: 46
Рейтинг сообщений: 2555
Зарегистрирован: Пн мар 30, 2015 10:32:55
Сообщений: 5717
Откуда: СССР
Рейтинг сообщения: 0
Браконьер писал(а):
Если без дела валются не поделишься одним для микро дрели?

Да с пересылом вообще никак.


Вернуться наверх
 
Не в сети
 Заголовок сообщения: Re: БП от принтеров
СообщениеДобавлено: Ср сен 07, 2016 17:46:09 
Открыл глаза

Зарегистрирован: Пт июл 22, 2016 17:24:51
Сообщений: 74
Рейтинг сообщения: 0
Кот-Кот писал(а):
Браконьер писал(а):
Если без дела валются не поделишься одним для микро дрели?

Да с пересылом вообще никак.

А территериально где находишься?


Вернуться наверх
 
Не в сети
 Заголовок сообщения: Re: БП от принтеров
СообщениеДобавлено: Вт ноя 22, 2016 13:11:15 
Первый раз сказал Мяу!

Карма: 2
Рейтинг сообщений: 2
Зарегистрирован: Вт ноя 22, 2016 05:44:03
Сообщений: 23
Рейтинг сообщения: 0
привет всем, подскажите как с минимальными телодвижениями в БП на схеме ( пост Verba от 21.12.2015) снизить выходное напряжение до 24 вольт,т.е. чтобы не выпаивать все "лишнее"


Вложения:
post-169255-0-68048100-1363097254_thumb.jpg [25.65 KiB]
Скачиваний: 1640
Вернуться наверх
 
Не в сети
 Заголовок сообщения: Re: БП от принтеров
СообщениеДобавлено: Вт ноя 22, 2016 14:04:19 
Друг Кота
Аватар пользователя

Карма: 123
Рейтинг сообщений: 7958
Зарегистрирован: Сб сен 13, 2014 16:27:32
Сообщений: 39197
Откуда: СпиртоГонск созвездия Омега
Рейтинг сообщения: 0
картинку мелче найти не смогли??? :dont_know: я мелкоскоп уже пропил :oops: :cry:
а по поводу переделки почитай топик сначала-обсосано 100500раз :wink:

_________________
ZМудрость(Опыт и выдержка) приходит с годами.
Все Ваши беды и проблемы, от недостатка знаний.
Умный и у дурака научится, а дураку и ..
Алберт Ейнштейн не поможет и ВВП не спасет.и МЧС опаздает


Вернуться наверх
 
Не в сети
 Заголовок сообщения: Re: БП от принтеров
СообщениеДобавлено: Вт ноя 22, 2016 14:38:49 
Первый раз сказал Мяу!

Карма: 2
Рейтинг сообщений: 2
Зарегистрирован: Вт ноя 22, 2016 05:44:03
Сообщений: 23
Рейтинг сообщения: 0
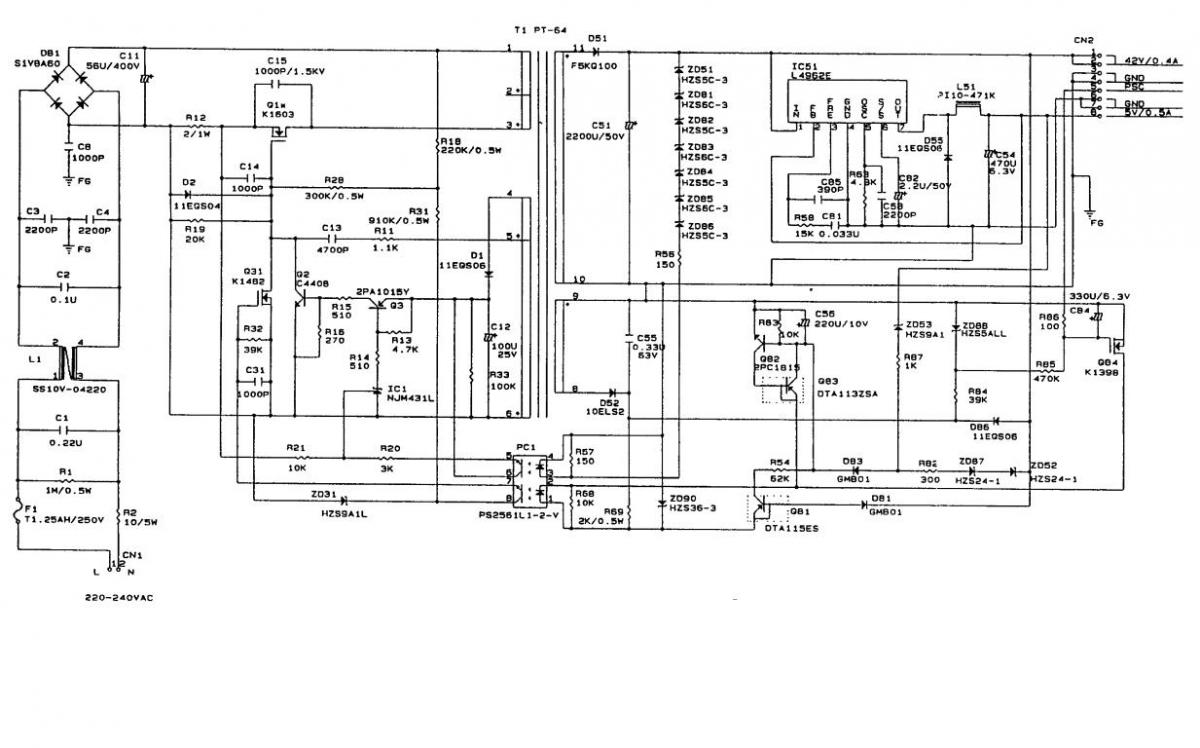
вот схема покрупнее, почитал пост еще раз, варианты разные, применительно к данной схеме как сделать, стабилитронов поубавить, zd53 отключить? поможите,подскажите


Вложения:
post-169255-0-68048100-1363097254.jpg [103.3 KiB]
Скачиваний: 1586
Вернуться наверх
 
Не в сети
 Заголовок сообщения: Re: БП от принтеров
СообщениеДобавлено: Пт ноя 25, 2016 07:14:39 
Первый раз сказал Мяу!

Карма: 2
Рейтинг сообщений: 2
Зарегистрирован: Вт ноя 22, 2016 05:44:03
Сообщений: 23
Рейтинг сообщения: 0
вообщем закоротил несколько стабов, на выходе получилось ок. 24 вольт, то что надо
не разобрался только как работает защита, ок 2А срабатывает, как её перенастроить и умощнить БП, что нужно поменять?
ключ на 2sk1603 слабоват, чем его можно заменить помощнее?


Вернуться наверх
 
Не в сети
 Заголовок сообщения: Re: БП от принтеров
СообщениеДобавлено: Пт ноя 25, 2016 15:41:38 
Друг Кота
Аватар пользователя

Карма: 123
Рейтинг сообщений: 7958
Зарегистрирован: Сб сен 13, 2014 16:27:32
Сообщений: 39197
Откуда: СпиртоГонск созвездия Омега
Рейтинг сообщения: 0
не умощнить его там транс лимитирует уже ...так что смысла менять ключ невижу никакого
можно конечно перемотать 2чку и исползовать транс на 100%

_________________
ZМудрость(Опыт и выдержка) приходит с годами.
Все Ваши беды и проблемы, от недостатка знаний.
Умный и у дурака научится, а дураку и ..
Алберт Ейнштейн не поможет и ВВП не спасет.и МЧС опаздает


Вернуться наверх
 
Показать сообщения за:  Сортировать по:  Вернуться наверх
Начать новую тему Ответить на тему  [ Сообщений: 121 ]    , 2, , , ...  

Часовой пояс: UTC + 3 часа


Кто сейчас на форуме

Сейчас этот форум просматривают: нет зарегистрированных пользователей и гости: 15


Вы не можете начинать темы
Вы не можете отвечать на сообщения
Вы не можете редактировать свои сообщения
Вы не можете удалять свои сообщения
Вы не можете добавлять вложения

Найти:
Перейти:  


Powered by phpBB © 2000, 2002, 2005, 2007 phpBB Group
Русская поддержка phpBB
Extended by Karma MOD © 2007—2012 m157y
Extended by Topic Tags MOD © 2012 m157y