Например TDA7294

Форум РадиоКот • Просмотр темы - интелигентный led драйвер 2.4G
Форум РадиоКот
Здесь можно немножко помяукать :)

Текущее время: Ср дек 03, 2025 18:02:06

Часовой пояс: UTC + 3 часа


ПРЯМО СЕЙЧАС:



Начать новую тему Ответить на тему  [ Сообщений: 5 ] 
Автор Сообщение
Не в сети
 Заголовок сообщения: интелигентный led драйвер 2.4G
СообщениеДобавлено: Вт авг 22, 2023 15:26:45 
Опытный кот
Аватар пользователя

Карма: 7
Рейтинг сообщений: 84
Зарегистрирован: Чт окт 22, 2009 14:23:03
Сообщений: 781
Откуда: Тростянец
Рейтинг сообщения: 0
Всем мирного неба
Зачастили в ремонт люстры с регулятором цвета
RF модуль (микросхема затерта) ADY-789
Микросхема Soic16
9-10-12 ноги - Gnd
11-13 - +3.3V
2 - P1
3 - P2
6 - P3
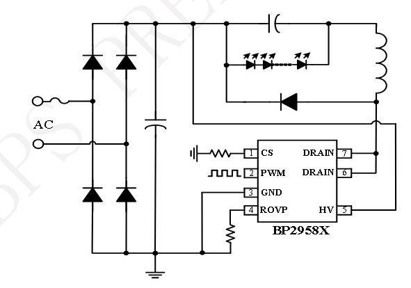
блок питания 12в на SM7015
2 канала ШИМ BP2958X

типа не работает
Подаю +3.3В на 2 ногу BP2958 - люстра загорается белым холодным светом
Пару люстр так и сделал...там людям был не критичен цвет,
а последнее время просят ...чтобы регулировало
на Али..драйвер стоит 20уе
Может кто занимался данным вопросом?
Прошу помощи!

Может кто знает что за микросхема в RF модуле?
Или где купить?


Вложения:
bott2.jpg [53.71 KiB]
Скачиваний: 710
top2.jpg [87.24 KiB]
Скачиваний: 569
sm7015.jpg [81.32 KiB]
Скачиваний: 474
rf_module2.jpg [45.78 KiB]
Скачиваний: 550
bp2958.jpg [32.37 KiB]
Скачиваний: 649
Вернуться наверх
 
Не в сети
 Заголовок сообщения: Re: интелигентный led драйвер 2.4G
СообщениеДобавлено: Ср авг 23, 2023 06:26:40 
Друг Кота

Карма: 13
Рейтинг сообщений: 84
Зарегистрирован: Чт сен 20, 2007 14:08:00
Сообщений: 13796
Рейтинг сообщения: 0
горит микросхема приемника что ли или что?

_________________
тематические ответы только в форуме, в приват не пишите


Вернуться наверх
 
Не в сети
 Заголовок сообщения: Re: интелигентный led драйвер 2.4G
СообщениеДобавлено: Ср авг 23, 2023 16:27:15 
Опытный кот
Аватар пользователя

Карма: 7
Рейтинг сообщений: 84
Зарегистрирован: Чт окт 22, 2009 14:23:03
Сообщений: 781
Откуда: Тростянец
Рейтинг сообщения: 0
так точно
-шимы и блок питания целые


Вернуться наверх
 
Не в сети
 Заголовок сообщения: Re: интелигентный led драйвер 2.4G
СообщениеДобавлено: Чт авг 24, 2023 14:15:23 
Друг Кота

Карма: 13
Рейтинг сообщений: 84
Зарегистрирован: Чт сен 20, 2007 14:08:00
Сообщений: 13796
Рейтинг сообщения: 0
странно что она горит
там стоит мелкасхема памяти 24й серии на радиомодуле
а это значит, что это не просто какая-то мелкасхема приемника, а целый контроллер

так что просто так ты ее не замениш без прошивки

_________________
тематические ответы только в форуме, в приват не пишите


Вернуться наверх
 
Эиком - электронные компоненты и радиодетали
Не в сети
 Заголовок сообщения: Re: интелигентный led драйвер 2.4G
СообщениеДобавлено: Пн ноя 17, 2025 16:51:03 
Родился

Зарегистрирован: Пн ноя 17, 2025 16:41:56
Сообщений: 1
Рейтинг сообщения: 0
А питание на модулёк приходит? (1-VCC; 2-GND). Я на них подавал питание от старой зарядки и всё работало. Предварительно распаяв штатную цепь запитки.


Вернуться наверх
 
Показать сообщения за:  Сортировать по:  Вернуться наверх
Начать новую тему Ответить на тему  [ Сообщений: 5 ] 

Часовой пояс: UTC + 3 часа


Кто сейчас на форуме

Сейчас этот форум просматривают: нет зарегистрированных пользователей и гости: 25


Вы не можете начинать темы
Вы не можете отвечать на сообщения
Вы не можете редактировать свои сообщения
Вы не можете удалять свои сообщения
Вы не можете добавлять вложения

Найти:
Перейти:  


Powered by phpBB © 2000, 2002, 2005, 2007 phpBB Group
Русская поддержка phpBB
Extended by Karma MOD © 2007—2012 m157y
Extended by Topic Tags MOD © 2012 m157y