Обнаружилась такая странность. Не чего не понимаю.
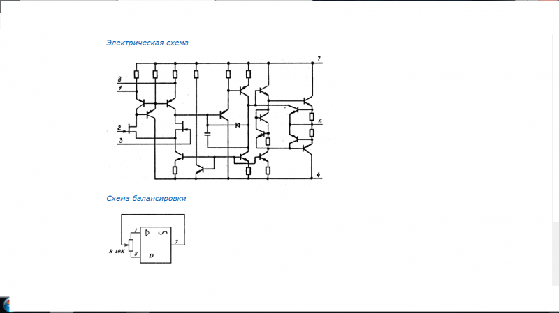
В усилителе тембра (так назвал этот блок производитель) восемь операционников КР544УД1А включенных попарно на каждый канал. Значит каждая пара микросхем должно иметь одинаковое включение.
На самом деле в микре под номером 2 перемычка между 1-й и 8-й ногой. На остальных эти ноги не куда не подключены как и должно быть.
Не кто усь не ремонтировал. Человек купил его с одним нерабочим каналом как раз с этим где перемычка.
Вот все микросхемы обведены. Перемычка указанна стрелкой.

Все пайки были заводские с другой стороны нет не каких дорожек и перемычек. Сам блок не снимался, что хорошо видно было по краске на креплениях.
Как оно могло работать ? И работало ли вообще неизвестно.
Схема за исключением перемычки подошла от Корвет 100У-068С

Может у кого есть в ремонте такой. Интересно бы было взглянуть на плату.