Например TDA7294

Форум РадиоКот • Просмотр темы - Фонокорректор pp500
Форум РадиоКот
Здесь можно немножко помяукать :)

Текущее время: Пн фев 23, 2026 03:18:50

Часовой пояс: UTC + 3 часа


ПРЯМО СЕЙЧАС:



Начать новую тему Ответить на тему  [ Сообщений: 21 ]  1,  
Автор Сообщение
Не в сети
 Заголовок сообщения: Фонокорректор pp500
СообщениеДобавлено: Ср май 15, 2024 06:54:35 
Родился
Аватар пользователя

Зарегистрирован: Ср май 15, 2024 06:39:00
Сообщений: 9
Рейтинг сообщения: 0
Всем добра!
Может кто помочь советом.
это фото платы фонокорректора pp500
название платы gl-500b ver01.pcb
проблема усиливает всего на 17-18 дБ вместо 32-40 дБ, похоже китайцы на плате что-то не впаяли, может посоветуете что туда допаять :)
Коррекция работает.
Выход на наушники - очень тихо, почти неслышно.
Изображение
Изображение


Вернуться наверх
 
Не в сети
 Заголовок сообщения: Re: Фонокорректор pp500
СообщениеДобавлено: Сб май 25, 2024 20:03:47 
Поставщик валерьянки для Кота
Аватар пользователя

Карма: 61
Рейтинг сообщений: 952
Зарегистрирован: Чт июн 26, 2014 17:05:10
Сообщений: 1969
Откуда: -Моск-
Рейтинг сообщения: 0
Всё припаяно. В корректоре стоит единственный недорогой ОУ, широкого применения.
При однополярном питании 12 вольт ему не посильно раскачать головные телефоны.
Если качество звучания устраивает (АЧХ, шум, искажения) можно использовать дальше по прямому назначению.
Напряжение питания можно поднять до 30 вольт (разумеется заменив фильтрующие ёмкости).
Для головных телефонов нужен отдельный HeadAmp.


Вернуться наверх
 
Не в сети
 Заголовок сообщения: Re: Фонокорректор pp500
СообщениеДобавлено: Пн май 27, 2024 05:17:33 
Родился
Аватар пользователя

Зарегистрирован: Ср май 15, 2024 06:39:00
Сообщений: 9
Рейтинг сообщения: 0
Спасибо за разъяснения, попробую поднять питание.
Может у Вас есть идеи, что это за три сквозных металлизированных отверстия обведённые кружочком, и шесть отверстий обведённых прямоугольником?


Вернуться наверх
 
Не в сети
 Заголовок сообщения: Re: Фонокорректор pp500
СообщениеДобавлено: Пн май 27, 2024 09:18:22 
Поставщик валерьянки для Кота
Аватар пользователя

Карма: 61
Рейтинг сообщений: 952
Зарегистрирован: Чт июн 26, 2014 17:05:10
Сообщений: 1969
Откуда: -Моск-
Рейтинг сообщения: 0
В квадратных рамках посадочные места для тактовых кнопок с фиксацией.
Изображение
Левая кнопка, скорее всего выключатель питания (на плате запаяна перемычка в положении вкл.)
Правая управление АЧХ (судя по надписи на шелкографии отключение RIAA)

С кружочками затрудняюсь сказать. Для эмиттерного повторителя (усилителя тока на одном транзисторе) на плате нет обвязки.

При повышении напряжения питания (помимо прочего) необходимо подобрать резистор, ограничивающий ток через светодиод.


Вернуться наверх
 
Эиком - электронные компоненты и радиодетали
Не в сети
 Заголовок сообщения: Re: Фонокорректор pp500
СообщениеДобавлено: Пн май 27, 2024 15:22:49 
Родился
Аватар пользователя

Зарегистрирован: Ср май 15, 2024 06:39:00
Сообщений: 9
Рейтинг сообщения: 0
Спасибо очень многое прояснили.
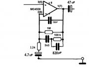
Мне кажется я нашёл похожую схему, номиналы только другие
Изображение
могу я резистор который на схеме написан как R8 (на плате он вроде как 3,3К) заменить на меньший номинал чтобы получить большее усиление?


Вернуться наверх
 
Не в сети
 Заголовок сообщения: Re: Фонокорректор pp500
СообщениеДобавлено: Пн май 27, 2024 23:09:01 
Поставщик валерьянки для Кота
Аватар пользователя

Карма: 61
Рейтинг сообщений: 952
Зарегистрирован: Чт июн 26, 2014 17:05:10
Сообщений: 1969
Откуда: -Моск-
Рейтинг сообщения: 0
Правая схема (с однополярным питанием) подобна реализованной на плате.
Заменить только R8, без нарушения соответствию RIAA невозможно.
Для использования резистора меньшего сопротивления придётся пересчитать все элементы обратной связи R9, R10, R11, C7, C8, C9.

Для усилителя с чувствительностью 150 - 250 мВ и входным сопротивлением 10 - 50 К, схема должна нормально работать без изменений.
Если усилитель мощности не вытягивает, ему в помощь нужен буфер (например на таком же ОУ).
Для головных телефонов в любом случае нужен HeadAmp.


Вернуться наверх
 
Не в сети
 Заголовок сообщения: Re: Фонокорректор pp500
СообщениеДобавлено: Пн май 27, 2024 23:38:44 
Друг Кота
Аватар пользователя

Карма: 107
Рейтинг сообщений: 3835
Зарегистрирован: Пн фев 09, 2009 22:19:49
Сообщений: 25102
Откуда: Когда-то был прекрасный город для людей
Рейтинг сообщения: 0
Какие ещё наушники ? Это корректор для проигрывателя винила !
И работать должен на вход "250 мВ" усилителя . И усиление для этого достаточное.


Вернуться наверх
 
Не в сети
 Заголовок сообщения: Re: Фонокорректор pp500
СообщениеДобавлено: Вт май 28, 2024 05:11:36 
Родился
Аватар пользователя

Зарегистрирован: Ср май 15, 2024 06:39:00
Сообщений: 9
Рейтинг сообщения: 0
Про наушники я уже понял, что китайцы забыли развести усилитель под них.
Непонятно почему такое усиление слабое 7х5мВ=35мВ, это не у меня одного, у всех кто купил.
Может партия этих операционников бракованная?


Вернуться наверх
 
Не в сети
 Заголовок сообщения: Re: Фонокорректор pp500
СообщениеДобавлено: Вт май 28, 2024 08:00:10 
Друг Кота
Аватар пользователя

Карма: 107
Рейтинг сообщений: 3835
Зарегистрирован: Пн фев 09, 2009 22:19:49
Сообщений: 25102
Откуда: Когда-то был прекрасный город для людей
Рейтинг сообщения: 0
Усиление вполне достаточное для выполнения его штатной функции.

Цитата:
китайцы забыли развести усилитель под них.


И не думали его делать. Гнездо 6 мм Джека - это вход для микрофона они сделали, видимо для для диджейских развлечений ребятишек.


Вернуться наверх
 
Не в сети
 Заголовок сообщения: Re: Фонокорректор pp500
СообщениеДобавлено: Вт май 28, 2024 09:08:36 
Родился
Аватар пользователя

Зарегистрирован: Ср май 15, 2024 06:39:00
Сообщений: 9
Рейтинг сообщения: 0
Усиление вполне достаточное для выполнения его штатной функции.

Цитата:
китайцы забыли развести усилитель под них.


И не думали его делать. Гнездо 6 мм Джека - это вход для микрофона они сделали, видимо для для диджейских развлечений ребятишек.


Иногда полезно не только писать, но и читать, вы хотя бы для приличия посмотрели на фото платы.


Вернуться наверх
 
Не в сети
 Заголовок сообщения: Re: Фонокорректор pp500
СообщениеДобавлено: Вт май 28, 2024 20:27:44 
Родился

Зарегистрирован: Вт май 28, 2024 20:20:59
Сообщений: 4
Рейтинг сообщения: 0
Ребят, вы меня извините конечно,я не спец супер-пупер,но мне кажется тут нет выхода для наушники вообще. Это выход тоже на усилитель,но уровень выходного сигнала там чуть выше.


Вернуться наверх
 
Не в сети
 Заголовок сообщения: Re: Фонокорректор pp500
СообщениеДобавлено: Вт май 28, 2024 21:16:09 
Поставщик валерьянки для Кота
Аватар пользователя

Карма: 61
Рейтинг сообщений: 952
Зарегистрирован: Чт июн 26, 2014 17:05:10
Сообщений: 1969
Откуда: -Моск-
Рейтинг сообщения: 0
Выход на джек 6,3 мм идёт с делителя и регулятора уровня.
Изображение
Могу предположить, что это обособленный выход для TSR кабеля, с целью накинуть на микрофонный вход пульта, или малосигнальный вход какого ни будь музыкального девайса (типа гитарной головы).


Вернуться наверх
 
Не в сети
 Заголовок сообщения: Re: Фонокорректор pp500
СообщениеДобавлено: Вт май 28, 2024 22:17:00 
Друг Кота
Аватар пользователя

Карма: 107
Рейтинг сообщений: 3835
Зарегистрирован: Пн фев 09, 2009 22:19:49
Сообщений: 25102
Откуда: Когда-то был прекрасный город для людей
Рейтинг сообщения: 0
Да, согласен, вначале я проглядел две дорожки с его выводов.


Вернуться наверх
 
Не в сети
 Заголовок сообщения: Re: Фонокорректор pp500
СообщениеДобавлено: Ср май 29, 2024 06:11:34 
Родился
Аватар пользователя

Зарегистрирован: Ср май 15, 2024 06:39:00
Сообщений: 9
Рейтинг сообщения: 0
На плате написано PHONE, что как бы намекает на наушники.
Попробовал впаять параллельно резистору 3.3 кОм - 1кОм, это добавило ещё где-то 12-15 дБ.
Нашёл схему с номиналами близкими к номиналам схемы коррекции, там тоже 1 кОм.
АЧХ у этого корректора с подъёмом в районе 1кГц на 2Дб, после впайки появился ещё завал по низам -2дБ.

Добавлено after 14 minutes 2 seconds:
первая схема почти совпадает со схемой коррекции в этом корректоре
Изображение

вторая схема
Изображение

Может кто подсказать, почему схемы коррекции разные, но номиналы одинаковые, может в первой схеме ошибка?

если не ошибся то схема коррекции этого pp500
Изображение


Вернуться наверх
 
Не в сети
 Заголовок сообщения: Re: Фонокорректор pp500
СообщениеДобавлено: Ср май 29, 2024 12:06:25 
Родился

Зарегистрирован: Вт май 28, 2024 20:20:59
Сообщений: 4
Рейтинг сообщения: 0
Нашла более менее подробную и понятную инструкцию для похожего корректора PP400. Вот что там написано про вход 6,3 мм.

Добавлено after 1 minute 32 seconds:
обозначение на рисунке


Вложения:
1.png [30.57 KiB]
Скачиваний: 339
2.png [37.84 KiB]
Скачиваний: 316
Вернуться наверх
 
Не в сети
 Заголовок сообщения: Re: Фонокорректор pp500
СообщениеДобавлено: Ср май 29, 2024 15:50:29 
Родился
Аватар пользователя

Зарегистрирован: Ср май 15, 2024 06:39:00
Сообщений: 9
Рейтинг сообщения: 0
Нашла более менее подробную и понятную инструкцию для похожего корректора PP400. Вот что там написано про вход 6,3 мм.

Добавлено after 1 minute 32 seconds:
обозначение на рисунке



Отлично, это многое проясняет, но платы в этих корректорах совершенно разные, корпуса только похожи, могу ошибаться, но насколько мне известно у БЕРИНГЕРА модели рр500 не было никогда.


Вернуться наверх
 
Не в сети
 Заголовок сообщения: Re: Фонокорректор pp500
СообщениеДобавлено: Чт июл 04, 2024 07:17:33 
Родился
Аватар пользователя

Зарегистрирован: Ср май 15, 2024 06:39:00
Сообщений: 9
Рейтинг сообщения: 0
заменил 1МОм на 1.5МОм
3.3kOm на 1.0kOm
3300pf на 2200pf
820pf на 665pf

красная было, синяя стало.

Изображение

сравнение АЧХ

Изображение


Вернуться наверх
 
Не в сети
 Заголовок сообщения: Re: Фонокорректор pp500
СообщениеДобавлено: Вс июл 07, 2024 18:30:35 
Родился

Зарегистрирован: Вт май 28, 2024 20:20:59
Сообщений: 4
Рейтинг сообщения: 0
заменил 1МОм на 1.5МОм
3.3kOm на 1.0kOm
3300pf на 2200pf
820pf на 665pf

красная было, синяя стало.

Изображение

сравнение АЧХ

Изображение


Как качество звука ?

Добавлено after 5 minutes 33 seconds:
Купила себе усилок Sunbuck AV-628BT на 250 Вт. Конечно никаких там 250 Вт нет, а где то 60 с небольшим. Но это нормально. Встроенного фонокорректора там нет. Пришлось взять такой же pp500. Внутри все тоже самое.
Первое впечатление. На слух уровень на выходе примерно 30% от нормы. Тихо.
Сравнивала с встроенным фонокорректором в усилке Одиссей у-010.
Достану переходние 6,3 мм,поробую через выход этот.


Вернуться наверх
 
Не в сети
 Заголовок сообщения: Re: Фонокорректор pp500
СообщениеДобавлено: Пн июл 08, 2024 11:48:48 
Родился
Аватар пользователя

Зарегистрирован: Ср май 15, 2024 06:39:00
Сообщений: 9
Рейтинг сообщения: 0
Пока ещё не слушал :)
Он тише на 30дБ(32 раз) -17дБ(7раз)=13 дб, чем должен быть, получается 22 процента :) , помимо этого у него завал на НЧ. возможно схема расчитана под ne5532, проще было опереационник перепаять, чем конденсаторы подбирать :)
непонятно зачем Вы хотите подключиться в 6,3 мм, громче от этого не будет.


Вернуться наверх
 
Не в сети
 Заголовок сообщения: Re: Фонокорректор pp500
СообщениеДобавлено: Пн июл 08, 2024 13:58:09 
Родился

Зарегистрирован: Вт май 28, 2024 20:20:59
Сообщений: 4
Рейтинг сообщения: 0
Пока ещё не слушал :)
Он тише на 30дБ(32 раз) -17дБ(7раз)=13 дб, чем должен быть, получается 22 процента :) , помимо этого у него завал на НЧ. возможно схема расчитана под ne5532, проще было опереационник перепаять, чем конденсаторы подбирать :)
непонятно зачем Вы хотите подключиться в 6,3 мм, громче от этого не будет.


Да я тут на ютубе обзорчик случайно увидела на этот корректор. Автор сказал, что через выход 6,3 мм сигнал погромче.
Вообще по нормальному конечно лучше самому собирать нормальный корректор без всяких операционников на транзисторах.
Качественная вещь получится. Просто заниматься сейчас не хочется этим. Платить за дорогие смысла не вижу.Они не стоят тех денег.
Разве что если деньги лишние у кого.


Вернуться наверх
 
Показать сообщения за:  Сортировать по:  Вернуться наверх
Начать новую тему Ответить на тему  [ Сообщений: 21 ]  1,  

Часовой пояс: UTC + 3 часа


Кто сейчас на форуме

Сейчас этот форум просматривают: нет зарегистрированных пользователей и гости: 33


Вы не можете начинать темы
Вы не можете отвечать на сообщения
Вы не можете редактировать свои сообщения
Вы не можете удалять свои сообщения
Вы не можете добавлять вложения

Найти:
Перейти:  


Powered by phpBB © 2000, 2002, 2005, 2007 phpBB Group
Русская поддержка phpBB
Extended by Karma MOD © 2007—2012 m157y
Extended by Topic Tags MOD © 2012 m157y