Например TDA7294

Форум РадиоКот • Просмотр темы - Ремонт импульсного блока питания
Форум РадиоКот
Здесь можно немножко помяукать :)

Текущее время: Вс мар 08, 2026 03:38:32

Часовой пояс: UTC + 3 часа


ПРЯМО СЕЙЧАС:



Начать новую тему Ответить на тему  [ Сообщений: 23 ]  1,  
Автор Сообщение
 Заголовок сообщения: Ремонт импульсного блока питания
СообщениеДобавлено: Чт мар 11, 2021 19:06:37 
Прорезались зубы
Аватар пользователя

Зарегистрирован: Вс сен 23, 2018 18:08:12
Сообщений: 213
Откуда: Няндома
Рейтинг сообщения: 0
Сгорел блок питания спутникового приёмника сгорел полевик CS2N60F и паралельно соединёные резисторы 3ом x 3 которые идут с истока полевика на массу установил вместо CS2N60F этот SSS2N60B полевик, резисторы установил 3.32ом x 3 и заменил полярные конденсаторы включил но напряжения на выходе нет. Предохранитель блока питания не сгорел видимо оторвалась дорожка на плате у какой-то из ножек полевика и он стал перегреватся и сгорел плата под полевиком выгорела.


Последний раз редактировалось djoi Чт мар 11, 2021 19:12:20, всего редактировалось 1 раз.

Вернуться наверх
 
 Заголовок сообщения: Re: Ремонт импульсного блока питания
СообщениеДобавлено: Чт мар 11, 2021 19:12:15 
Друг Кота
Аватар пользователя

Карма: 59
Рейтинг сообщений: 704
Зарегистрирован: Вт сен 25, 2012 23:13:41
Сообщений: 5865
Откуда: г.Дзержинск Нижегородской обл.
Рейтинг сообщения: 0
...плата под полевиком выгорела.

Этого вполне достаточно чтобы не заниматься реанимацией трупа, а купить новый БП.

_________________
Спасение утопающих дело рук самих утопающих.


Вернуться наверх
 
 Заголовок сообщения: Re: Ремонт импульсного блока питания
СообщениеДобавлено: Чт мар 11, 2021 19:20:30 
Прорезались зубы
Аватар пользователя

Зарегистрирован: Вс сен 23, 2018 18:08:12
Сообщений: 213
Откуда: Няндома
Рейтинг сообщения: 0
...плата под полевиком выгорела.

Этого вполне достаточно чтобы не заниматься реанимацией трупа, а купить новый БП.

Плату я заклеил, держать будет, почему-то нет напряжения, на плате с другой стороны в горячей части есть smd деталь sot23-6 с маркировкой B1 может она или полевик не подходит?


Вернуться наверх
 
 Заголовок сообщения: Re: Ремонт импульсного блока питания
СообщениеДобавлено: Чт мар 11, 2021 20:30:06 
Друг Кота

Карма: 62
Рейтинг сообщений: 750
Зарегистрирован: Пт авг 04, 2017 19:36:00
Сообщений: 5635
Откуда: постнурсултанат Боратистан
Рейтинг сообщения: 0
Фотки, схему ...


Вернуться наверх
 
Эиком - электронные компоненты и радиодетали
 Заголовок сообщения: Re: Ремонт импульсного блока питания
СообщениеДобавлено: Чт мар 11, 2021 20:44:22 
Друг Кота
Аватар пользователя

Карма: 83
Рейтинг сообщений: 1083
Зарегистрирован: Ср мар 25, 2015 15:25:51
Сообщений: 6030
Откуда: ст. Новоминская
Рейтинг сообщения: 0
в горячей части есть smd деталь sot23-6 с маркировкой B1

Вот она то вместе с полевиком и сгорает. Примерьте OB2262 или LD7530. :dont_know:


Вернуться наверх
 
 Заголовок сообщения: Re: Ремонт импульсного блока питания
СообщениеДобавлено: Пт мар 12, 2021 07:36:07 
Открыл глаза

Зарегистрирован: Пт сен 13, 2019 14:56:11
Сообщений: 68
Рейтинг сообщения: 0
В этих БП полевик обычно начинает перегреваться, когда дохнет сетевая ёмкость. Проще всего переделать на KA5L0380. Советы в Сети есть.


Вернуться наверх
 
 Заголовок сообщения: Re: Ремонт импульсного блока питания
СообщениеДобавлено: Пт мар 12, 2021 10:37:05 
Прорезались зубы
Аватар пользователя

Зарегистрирован: Вс сен 23, 2018 18:08:12
Сообщений: 213
Откуда: Няндома
Рейтинг сообщения: 0
Фотки, схему ...

Сдесь https://m.vk.com/album180082573_280612469 фото платы.


Вернуться наверх
 
 Заголовок сообщения: Re: Ремонт импульсного блока питания
СообщениеДобавлено: Пт мар 12, 2021 13:07:08 
Вымогатель припоя

Карма: 5
Рейтинг сообщений: 54
Зарегистрирован: Чт мар 22, 2012 22:02:42
Сообщений: 528
Откуда: Воронеж.
Рейтинг сообщения: 0
При обугливании изоляционного материала он становится электропроводным, поэтому этот участок надо каким либо образом заменить.


Вернуться наверх
 
 Заголовок сообщения: Re: Ремонт импульсного блока питания
СообщениеДобавлено: Пт мар 12, 2021 17:27:01 
Прорезались зубы
Аватар пользователя

Зарегистрирован: Вс сен 23, 2018 18:08:12
Сообщений: 213
Откуда: Няндома
Рейтинг сообщения: 0
в горячей части есть smd деталь sot23-6 с маркировкой B1

Вот она то вместе с полевиком и сгорает. Примерьте OB2262 или LD7530. :dont_know:

Одна из этих ZT7QA, ZT7AC не подойдёт? Установлены на плате питания светодиодной лампы.

Добавлено after 2 hours 23 minutes 52 seconds:
Заменил шим при подаче питания в трансформаторе происходят щелчки на выходе напряжений нет.


Вернуться наверх
 
 Заголовок сообщения: Re: Ремонт импульсного блока питания
СообщениеДобавлено: Пт мар 12, 2021 17:46:01 
Друг Кота
Аватар пользователя

Карма: 123
Рейтинг сообщений: 7958
Зарегистрирован: Сб сен 13, 2014 16:27:32
Сообщений: 39197
Откуда: СпиртоГонск созвездия Омега
Рейтинг сообщения: 0
там много че выгоранент в горячей части включая оптрон и часто тран
включать это с непровереной ООС верный путь отправить все на мусорку если не оторвать выход БП от другой части схемы щелчки походу и есть это самое оно

Добавлено after 1 minute 8 seconds:
и да прежде чем это чинить надо проверить исправность остаплного запитаф от лб нужным питанием

_________________
ZМудрость(Опыт и выдержка) приходит с годами.
Все Ваши беды и проблемы, от недостатка знаний.
Умный и у дурака научится, а дураку и ..
Алберт Ейнштейн не поможет и ВВП не спасет.и МЧС опаздает


Вернуться наверх
 
 Заголовок сообщения: Re: Ремонт импульсного блока питания
СообщениеДобавлено: Пт мар 12, 2021 18:33:45 
Прорезались зубы
Аватар пользователя

Зарегистрирован: Вс сен 23, 2018 18:08:12
Сообщений: 213
Откуда: Няндома
Рейтинг сообщения: 0
если не оторвать выход БП от другой части схемы щелчки походу и есть это самое оно

Это как понять поточнее.


Вернуться наверх
 
 Заголовок сообщения: Re: Ремонт импульсного блока питания
СообщениеДобавлено: Пт мар 12, 2021 19:36:31 
Друг Кота
Аватар пользователя

Карма: 83
Рейтинг сообщений: 1083
Зарегистрирован: Ср мар 25, 2015 15:25:51
Сообщений: 6030
Откуда: ст. Новоминская
Рейтинг сообщения: 0
Одна из этих ZT7QA, ZT7AC не подойдёт? Установлены на плате питания светодиодной лампы.

Добавлено after 2 hours 23 minutes 52 seconds:
Заменил шим при подаче питания в трансформаторе происходят щелчки на выходе напряжений нет.

:facepalm: Вы хотя бы сравнили схемы включения по платам прежде чем менять.
В архиве как переделать этот БП на KA5L0380. Надёжнее будет.


Вложения:
5l0380r.rar [896.31 KiB]
Скачиваний: 366
Вернуться наверх
 
 Заголовок сообщения: Re: Ремонт импульсного блока питания
СообщениеДобавлено: Пт мар 12, 2021 19:56:59 
Друг Кота

Карма: 62
Рейтинг сообщений: 750
Зарегистрирован: Пт авг 04, 2017 19:36:00
Сообщений: 5635
Откуда: постнурсултанат Боратистан
Рейтинг сообщения: 0
Бандитский архив однако, без вложенных файлов.


Вернуться наверх
 
 Заголовок сообщения: Re: Ремонт импульсного блока питания
СообщениеДобавлено: Пт мар 12, 2021 20:12:46 
Прорезались зубы
Аватар пользователя

Зарегистрирован: Вс сен 23, 2018 18:08:12
Сообщений: 213
Откуда: Няндома
Рейтинг сообщения: 0
:facepalm: Вы хотя бы сравнили схемы включения по платам прежде чем менять.

Я сравнил схему включения этой детали подсоединяется так-же но различается сопротивление резисторов.


Вернуться наверх
 
 Заголовок сообщения: Re: Ремонт импульсного блока питания
СообщениеДобавлено: Пт мар 12, 2021 20:22:15 
Друг Кота
Аватар пользователя

Карма: 83
Рейтинг сообщений: 1083
Зарегистрирован: Ср мар 25, 2015 15:25:51
Сообщений: 6030
Откуда: ст. Новоминская
Рейтинг сообщения: 0
Бандитский архив однако, без вложенных файлов.

Всё на месте, проверил. Там картинки переделки со схемами.
djoi писал(а):
Я сравнил схему включения этой детали подсоединяется так-же но различается сопротивление резисторов.

Ну не знаю, по маркировке ZT7QA и ZT7AC китайцы пишут везде что это SY5839ABC (PFC и драйвер светодиодов). :dont_know:
И цоколёвка LD7530 не совпадает с SY5839ABC. Так что зря ставили не ту микросхему. :facepalm:

Добавлено after 1 minute 2 seconds:
Переделайте на KA5L0380 и не мучайтесь.


Вложения:
SY5839ABC_C178235.pdf [680.66 KiB]
Скачиваний: 367
Вернуться наверх
 
 Заголовок сообщения: Re: Ремонт импульсного блока питания
СообщениеДобавлено: Пт мар 12, 2021 21:46:00 
Друг Кота
Аватар пользователя

Карма: 123
Рейтинг сообщений: 7958
Зарегистрирован: Сб сен 13, 2014 16:27:32
Сообщений: 39197
Откуда: СпиртоГонск созвездия Омега
Рейтинг сообщения: 0
Asaba, там версия винрара 6+АлександрNZ, все открывается на ура и тест CRC проходит

Добавлено after 5 minutes 8 seconds:
Ну не знаю, по маркировке ZT7QA и ZT7AC китайцы пишут везде что это SY5839ABC (PFC и драйвер светодиодов). :dont_know:
И цоколёвка LD7530 не совпадает с SY5839ABC. Так что зря ставили не ту микросхему. :facepalm:

Добавлено after 1 minute 2 seconds:
Переделайте на KA5L0380 и не мучайтесь.

боюсь посли таких опытоф это не имет смыслп надо включить апарат подаф на DC шину холодной части нужные напряжения с ЛБП и толка если заваедетсяи все ловить -есть смысл ковырять БП далше +учесть что ТРАН ВОГ УЖЕ СВАРИТСЯ раз ключи бахали -требует перемота
на KA5*0380 я переделывал толка 1 раз впечатления так себе потом купить ее стало сложно но полно других не требующих самопитания для работы в то220 корпусе

_________________
ZМудрость(Опыт и выдержка) приходит с годами.
Все Ваши беды и проблемы, от недостатка знаний.
Умный и у дурака научится, а дураку и ..
Алберт Ейнштейн не поможет и ВВП не спасет.и МЧС опаздает


Вернуться наверх
 
 Заголовок сообщения: Re: Ремонт импульсного блока питания
СообщениеДобавлено: Пт мар 12, 2021 22:03:40 
Друг Кота
Аватар пользователя

Карма: 83
Рейтинг сообщений: 1083
Зарегистрирован: Ср мар 25, 2015 15:25:51
Сообщений: 6030
Откуда: ст. Новоминская
Рейтинг сообщения: 0
Часто приходилось переделывать БП ресиверов на KA5L0380, микросхем было много.


Вернуться наверх
 
 Заголовок сообщения: Re: Ремонт импульсного блока питания
СообщениеДобавлено: Сб мар 13, 2021 15:25:32 
Прорезались зубы
Аватар пользователя

Зарегистрирован: Вс сен 23, 2018 18:08:12
Сообщений: 213
Откуда: Няндома
Рейтинг сообщения: 0
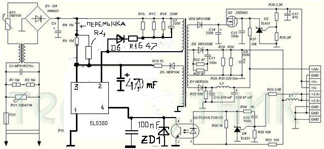
В архиве как переделать этот БП на KA5L0380. Надёжнее будет.

Там в архиве на схеме конденсатор 47mF на какое напряжение ставить?
Вложение:
gs8300_5l0380_схема.jpg [74.19 KiB]
Скачиваний: 262


Вернуться наверх
 
 Заголовок сообщения: Re: Ремонт импульсного блока питания
СообщениеДобавлено: Сб мар 13, 2021 15:58:56 
Электрический кот
Аватар пользователя

Карма: 7
Рейтинг сообщений: 38
Зарегистрирован: Ср дек 11, 2019 12:13:29
Сообщений: 1070
Откуда: Север М.О.
Рейтинг сообщения: 0
Питание микросхемы 3 нога 30в ставьте на 50в не ошибётесь


Вернуться наверх
 
 Заголовок сообщения: Re: Ремонт импульсного блока питания
СообщениеДобавлено: Сб мар 13, 2021 16:21:38 
Прорезались зубы
Аватар пользователя

Зарегистрирован: Вс сен 23, 2018 18:08:12
Сообщений: 213
Откуда: Няндома
Рейтинг сообщения: 0
Питание микросхемы 3 нога 30в ставьте на 50в не ошибётесь

Там ещо на схеме R4 и R5 соединены паралельно а на фоте платы установлен один резистор установить один резистор или два?


Вернуться наверх
 
Показать сообщения за:  Сортировать по:  Вернуться наверх
Начать новую тему Ответить на тему  [ Сообщений: 23 ]  1,  

Часовой пояс: UTC + 3 часа


Вы не можете начинать темы
Вы не можете отвечать на сообщения
Вы не можете редактировать свои сообщения
Вы не можете удалять свои сообщения
Вы не можете добавлять вложения

Найти:
Перейти:  


Powered by phpBB © 2000, 2002, 2005, 2007 phpBB Group
Русская поддержка phpBB
Extended by Karma MOD © 2007—2012 m157y
Extended by Topic Tags MOD © 2012 m157y