Например TDA7294

Форум РадиоКот • Просмотр темы - Вега МП122С...
Форум РадиоКот
Здесь можно немножко помяукать :)

Текущее время: Вт мар 17, 2026 19:39:06

Часовой пояс: UTC + 3 часа


ПРЯМО СЕЙЧАС:



Начать новую тему Ответить на тему  [ Сообщений: 239 ]  1, , , , ...  
Автор Сообщение
 Заголовок сообщения: Вега МП122С...
СообщениеДобавлено: Вс май 15, 2016 12:11:05 
Нашел транзистор. Понюхал.

Зарегистрирован: Пн дек 01, 2014 12:06:02
Сообщений: 184
Рейтинг сообщения: 0
Добрый день.
СпойлерПримерно зимой я купил себе вегу мп122с. Привезя её домой, заменил все электролиты. Сколько же с ней было проблем.. То фонит карман Б при воспроизведении, то не до конца стирается запись (что кстати было исправлено подстроечным резистором), когда я добился более-менее нормального звучания, я бросил копать её дальше. На плате присутствовал и присутствует чей-то "колхоз", который мне не понятен. Но без этого "колхоза" перестаёт звучать карман А. Тоже самое происходит (когда "колхоз" припаян), если переключиться на режим ренты Cr, звук просто пропадает. Но собственно меня это не волновало, т.к. в режиме Fe дека А всё прекрасно воспроизводила, да и больше я пользуюсь декой Б.
Ну, а теперь, перейдём к новой проблеме. Вчера я начал разбираться, почему же при воспроизведении есть посторонний фон при включении воспроизведения (в кармане Б). Сперва заменил электролиты в БП (предварительно проверив их ЕСР тестером). Это единственные два электролита, которые оставались родные. Теперь все электролиты новые! Я надеялся, что фон таким образом должен устраниться. Однако я ошибся, фон по-прежнему присутствовал. Далее, т.к. я имею такую же донорскую вегу, я выпаял от туда блок воспроизведения, тот, который ближе к трансформатору. И установил его в свою вегу. Никакого результата это не дало, фон остался. Начав выпаивать этот блок , меня ОЧЕНЬ БЛИН вовремя отвлекли, почти полностью убрав олово с ножек этой платки, я повернулся в сторону отвлекающего меня человека, выдрав плату... Естественно плата двухслойная (слой сверху, слой снизу). Не заметив, что я выдрал прослойку между дорожками, я поставил родной блок воспроизведения и при включении (магнитофона) услышал фон, в недоумении, что же случилось, посмотрел на выпаянный блок воспроизведения, где обнаружил те самые прослойки... Ну , чтож сделать, назад эту прослойку уже не вернуть. Я взял кусочек проволоки, залудил и впаял, где это необходимо, таким образом восстановив прослойку платы (надеюсь я правильно изъяснился). Но при включении (опять же магнитофона) - всё тот же фон, однако сейчас этот "фон" превратился в жудкий свист. Соплей нигде нету, всё хорошо пропаяно. Так в чём же проблема? На всякий случай напишу повторно: до моего вмешивания в магнитофон - фон был при включении воспроизведения , сейчас же при включении магнитофона - свист...
Фото колхоза прилагаю:
Спойлерhttp://f-picture.net/lfp/s018.radikal.ru/i521/1603/72/f4e3a35b10a3.jpg/htm P.S. проводки в изоляции - убраны, речь идёт о мгтфе со стороны кондеров по питанию.


Вернуться наверх
 
 Заголовок сообщения: Re: Вега МП122С...
СообщениеДобавлено: Вс май 15, 2016 20:23:31 
Друг Кота
Аватар пользователя

Карма: 29
Рейтинг сообщений: 390
Зарегистрирован: Пт апр 02, 2010 03:30:56
Сообщений: 3307
Откуда: Новосибирск
Рейтинг сообщения: 0
Ну, и чё там с чем закорочено? Желательно по схеме обозначить.

_________________
Как советовать, так все чатлане, а как работать...


Вернуться наверх
 
 Заголовок сообщения: Re: Вега МП122С...
СообщениеДобавлено: Вс май 15, 2016 21:51:34 
Нашел транзистор. Понюхал.

Зарегистрирован: Пн дек 01, 2014 12:06:02
Сообщений: 184
Рейтинг сообщения: 0
Peach Cat писал(а):
Ну, и чё там с чем закорочено? Желательно по схеме обозначить.

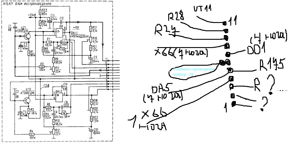
Ну, надеюсь Вам будет понятен сей ужас, нарисованный мною и вы не будите сильно хохотать от увиденного...
P.S. слева - дорожки идут снизу (со стороны пайки...), справа - дорожки идут сверху и уже дальше начинают расходиться кто куда.
P.S.S. "R ?..." - дорожка, идущая на резистор, у которого не видно обозначения; ?? - дорожки уходят куда-то в ...


Вложения:
ужас...png [88.76 KiB]
Скачиваний: 1228
Вернуться наверх
 
 Заголовок сообщения: Re: Вега МП122С...
СообщениеДобавлено: Пн май 16, 2016 08:27:47 
Друг Кота
Аватар пользователя

Карма: 29
Рейтинг сообщений: 390
Зарегистрирован: Пт апр 02, 2010 03:30:56
Сообщений: 3307
Откуда: Новосибирск
Рейтинг сообщения: 0
А, фон в обоих каналах и только при включении механизма Б?

_________________
Как советовать, так все чатлане, а как работать...


Вернуться наверх
 
Эиком - электронные компоненты и радиодетали
 Заголовок сообщения: Re: Вега МП122С...
СообщениеДобавлено: Пн май 16, 2016 13:17:13 
Нашел транзистор. Понюхал.

Зарегистрирован: Пн дек 01, 2014 12:06:02
Сообщений: 184
Рейтинг сообщения: 0
Peach Cat писал(а):
А, фон в обоих каналах и только при включении механизма Б?

В данный момент (после моего вмешательства) фон появляется сразу же, после включения магнитофона. Сейчас хотелось бы вернуть то, что было до моего вмешательства - т.е. фон при воспроизведении, т.к. даже с ним вполне спокойно можно было слушать музыку. Не уверен, но правый канал (если сравнивать по наушникам) фонит, кажется громче... А подключать к усилителю я вообще не рискую :)


Вернуться наверх
 
 Заголовок сообщения: Re: Вега МП122С...
СообщениеДобавлено: Пн май 16, 2016 13:53:16 
Друг Кота
Аватар пользователя

Карма: 60
Рейтинг сообщений: 227
Зарегистрирован: Пт июн 24, 2011 17:53:10
Сообщений: 6789
Откуда: WCP
Рейтинг сообщения: 0
Чего сам внёс - отломал/напаял, после чего появился "жудкий свист", то отмывай и большую лупу в руки и ищи свои ляпы )))
А по поводу фона - отсюда не слышно какой, но не пробовал головки размагничивать? аппарат-то давно не новый и вполне ЛПМ с головками могут намагнитится, что иногда даёт неслабый...)))

_________________
«Бремя доказательства лежит на том, кто утверждает, а не на том, кто отрицает.»

И Вас тоже вылечат!


Вернуться наверх
 
 Заголовок сообщения: Re: Вега МП122С...
СообщениеДобавлено: Пн май 16, 2016 14:09:15 
Нашел транзистор. Понюхал.

Зарегистрирован: Пн дек 01, 2014 12:06:02
Сообщений: 184
Рейтинг сообщения: 0
Psychotherapeutics писал(а):
Чего сам внёс - отломал/напаял, после чего появился "жудкий свист", то отмывай и большую лупу в руки и ищи свои ляпы )))
А по поводу фона - отсюда не слышно какой, но не пробовал головки размагничивать? аппарат-то давно не новый и вполне ЛПМ с головками могут намагнитится, что иногда даёт неслабый...)))


Уже не знаю, на что думать. Я думал, что это некотакт, из-за оторванной прослойки, но уже много раз пропаивал, однако фон по прежнему есть...
При воспроизведении - это фон "меняющийся", как, к приму, движок работает.. На кармане А такого нету. Увы, но головки тут не причём. Я даже подумал на платы, отвечающие за "движки".. Полностью заменил весь карман Б (имеется ввиду лентопротяну и плату, которая сзади. Но никакого результата это не дало. :(

P.S. Фон, который сейчас очень сильно похож на отвалившуюся массу.. Т.е. если коснуться корпуса чем-либо, это слышно. Кроме этого, при отключенных головках , если поднести что-либо к этому разъёму, то фон увеличивается...


Вернуться наверх
 
 Заголовок сообщения: Re: Вега МП122С...
СообщениеДобавлено: Пн май 16, 2016 14:57:56 
Друг Кота
Аватар пользователя

Карма: 29
Рейтинг сообщений: 390
Зарегистрирован: Пт апр 02, 2010 03:30:56
Сообщений: 3307
Откуда: Новосибирск
Рейтинг сообщения: 0
Андрей_19941 писал(а):
Уже не знаю, на что думать. Я думал, что это некотакт, из-за оторванной прослойки, но уже много раз пропаивал, однако фон по прежнему есть...

Спокойствие, только спокойствие (Карлсон) :))
Первое, там нет ни каких прослоек, там двусторонний монтаж.
Второе, у Веги очень херовое качество фольгированного стеклотекстолита. Дорожки отваливаются от перегрева на раз.
Третье, прозвони все соединения блока воспроизведения, НО звонить нужно не от "штырей", а от деталей.
То есть скажем, 11 вывод соединён с резистором R17, а приходит на конденсатор С23. Вот и подключайся к резюку и к кондёру. Ну и так далее.
Четвёртое, попробуй посадить на массу конденсаторы С30, С37. Суть такова, ты закоротишь входные каскады перед микросхемами коммутаторами, вот будет после этого фон или нет интересно.
P.S. Имею ввиду почки соединения конденсаторов С23-С30, С24-37. :tea:

_________________
Как советовать, так все чатлане, а как работать...


Вернуться наверх
 
 Заголовок сообщения: Re: Вега МП122С...
СообщениеДобавлено: Пн май 16, 2016 15:11:42 
Нашел транзистор. Понюхал.

Зарегистрирован: Пн дек 01, 2014 12:06:02
Сообщений: 184
Рейтинг сообщения: 0
Peach Cat писал(а):
Спокойствие, только спокойствие (Карлсон) :))
Первое, там нет ни каких прослоек, там двусторонний монтаж.
Второе, у Веги очень херовое качество фольгированного стеклотекстолита. Дорожки отваливаются от перегрева на раз.
Третье, прозвони все соединения блока воспроизведения, НО звонить нужно не от "штырей", а от деталей.
То есть скажем, 11 вывод соединён с резистором R17, а приходит на конденсатор С23. Вот и подключайся к резюку и к кондёру. Ну и так далее.
Четвёртое, попробуй посадить на массу конденсаторы С30, С37. Суть такова, ты закоротишь входные каскады перед микросхемами коммутаторами, вот будет после этого фон или нет интересно.
P.S. Имею ввиду почки соединения конденсаторов С23-С30, С24-37. :tea:


Насчёт прослоек - это я не правильно выразился, я имел ввиду соединения между первым слоем и вторым. Почему-то в голову именно "прослойка" пришла, хотя я знаю, что это понятие относится к многослойным платам..
Блок уже проверен, после того, как я вставил родной блок и услышал фон, а далее свист, я выпаял его и проверив блок от другой веги впаял его (он кстати полностью рабочий, даже без позвонов в нём уверен, но однако - "доверяй, но проверяй"...) :)
Насчёт конденсаторов - как я понял, мне нужно от минуса конденсаторов C23-C30, C24-37 кинуть проводки на массу , т.е. на 6 ногу блока воспроизведения? Или я что-то не так понял..? :)


Вернуться наверх
 
 Заголовок сообщения: Re: Вега МП122С...
СообщениеДобавлено: Пн май 16, 2016 15:21:40 
Друг Кота
Аватар пользователя

Карма: 29
Рейтинг сообщений: 390
Зарегистрирован: Пт апр 02, 2010 03:30:56
Сообщений: 3307
Откуда: Новосибирск
Рейтинг сообщения: 0
Андрей_19941 писал(а):
Насчёт конденсаторов - как я понял, мне нужно от минуса конденсаторов C23-C30, C24-37 кинуть проводки на массу , т.е. на 6 ногу блока воспроизведения? Или я что-то не так понял..? :)

Да правильно, но только эти конденсаторы неполярные (они по 0,068 мкф, керамика скорее всего)

_________________
Как советовать, так все чатлане, а как работать...


Вернуться наверх
 
 Заголовок сообщения: Re: Вега МП122С...
СообщениеДобавлено: Пн май 16, 2016 15:40:36 
Нашел транзистор. Понюхал.

Зарегистрирован: Пн дек 01, 2014 12:06:02
Сообщений: 184
Рейтинг сообщения: 0
Peach Cat писал(а):
Да правильно, но только эти конденсаторы неполярные (они по 0,068 мкф, керамика скорее всего)


Подпаял - C23-C30 - 0 реакции, а вот C24-C37 - фон пропадает, но и звук в левом канале тоже пропадает (что вроде как и логично :) ) При этом правый канал играет, вроде даже как и играл, с небольшим фоном...


Вернуться наверх
 
 Заголовок сообщения: Re: Вега МП122С...
СообщениеДобавлено: Пн май 16, 2016 16:24:24 
Друг Кота
Аватар пользователя

Карма: 29
Рейтинг сообщений: 390
Зарегистрирован: Пт апр 02, 2010 03:30:56
Сообщений: 3307
Откуда: Новосибирск
Рейтинг сообщения: 0
Андрей_19941 писал(а):
Подпаял - C23-C30 - 0 реакции,

Не понял. То-есть фон остаётся, а, что со звуком?
Андрей_19941 писал(а):
а вот C24-C37 - фон пропадает, но и звук в левом канале тоже пропадает (что вроде как и логично :) ) При этом правый канал играет, вроде даже как и играл, с небольшим фоном...

Ну, в общем правильно. Звук в канале должен пропасть так-же как и фон.
Тогда так, отбрасывай сопли от кондёров и закороти пинцетом выходы головки. Сначала один канал, потом другой.

_________________
Как советовать, так все чатлане, а как работать...


Вернуться наверх
 
 Заголовок сообщения: Re: Вега МП122С...
СообщениеДобавлено: Пн май 16, 2016 16:41:47 
Нашел транзистор. Понюхал.

Зарегистрирован: Пн дек 01, 2014 12:06:02
Сообщений: 184
Рейтинг сообщения: 0
Peach Cat писал(а):
Не понял. То-есть фон остаётся, а, что со звуком?

Звук тоже остаётся.

Peach Cat писал(а):
Ну, в общем правильно. Звук в канале должен пропасть так-же как и фон.
Тогда так, отбрасывай сопли от кондёров и закороти пинцетом выходы головки. Сначала один канал, потом другой.

Сопли отпаял. Выход на разъёме закоротил - обычный писк, тот самый, который обычно происходит при прикосновении к выводам головки. Я наверное Вас не правильно понял.. Или все верно, это и нужно было сделать?


Вернуться наверх
 
 Заголовок сообщения: Re: Вега МП122С...
СообщениеДобавлено: Пн май 16, 2016 16:53:44 
Друг Кота
Аватар пользователя

Карма: 29
Рейтинг сообщений: 390
Зарегистрирован: Пт апр 02, 2010 03:30:56
Сообщений: 3307
Откуда: Новосибирск
Рейтинг сообщения: 0
Андрей_19941 писал(а):
Звук тоже остаётся.

:shock: Как так? Быть такого не должно.
Хорошо, тогда по другому. Выдерни С35 и С36. По логике должен пропасть и звук, и фон в обоих каналах. Хотя небольшой фонец может присутствовать :)

_________________
Как советовать, так все чатлане, а как работать...


Вернуться наверх
 
 Заголовок сообщения: Re: Вега МП122С...
СообщениеДобавлено: Пн май 16, 2016 16:57:09 
Нашел транзистор. Понюхал.

Зарегистрирован: Пн дек 01, 2014 12:06:02
Сообщений: 184
Рейтинг сообщения: 0
Peach Cat писал(а):
:shock: Как так? Быть такого не должно.
Хорошо, тогда по другому. Выдерни С35 и С36. По логике должен пропасть и звук, и фон в обоих каналах. Хотя небольшой фонец может присутствовать :)

Уже выпаивал, звук пропадал, фон тоже :)


Вернуться наверх
 
 Заголовок сообщения: Re: Вега МП122С...
СообщениеДобавлено: Пн май 16, 2016 17:32:41 
Друг Кота
Аватар пользователя

Карма: 29
Рейтинг сообщений: 390
Зарегистрирован: Пт апр 02, 2010 03:30:56
Сообщений: 3307
Откуда: Новосибирск
Рейтинг сообщения: 0
Андрей_19941 писал(а):
Уже выпаивал, звук пропадал, фон тоже :)

Значит с конденсаторами С23-С30, ты промахнулся. Не туда подключился.
Попробуй отключить +15 вольт, это ножка 7. Питание микры пропадёт, а значит должно пропасть всё и фон, и звук.
Если это так, то тотальная проверка экранирования проводов от головки, проверка самих проводов.
Бывали случаи перелома проводников. Когда будешь прозванивать, двигай платформу головы (вверх и вниз).
Так-же, придётся прозвонить дорожки, бывает ломаются, а трещину не видно. (происходит такое из за искривлении всей платы, лично с таким сталкивался и именно на этой модели)
Ситуация похоже такая: Заводится предварительный усилитель, а он собака такая шибко чувствительный.
P.S. Головку нужно было коротить не на разъёме, а непосредственно на контактах самой головы.
Правда для этого придётся разобрать морду аппарата.
P.P.S. На фото смущает наличие экранированных проводов. Кого с кем они соединяют?

_________________
Как советовать, так все чатлане, а как работать...


Вернуться наверх
 
 Заголовок сообщения: Re: Вега МП122С...
СообщениеДобавлено: Пн май 16, 2016 18:24:30 
Нашел транзистор. Понюхал.

Зарегистрирован: Пн дек 01, 2014 12:06:02
Сообщений: 184
Рейтинг сообщения: 0
Peach Cat писал(а):
Значит с конденсаторами С23-С30, ты промахнулся. Не туда подключился.

Это вполне возможно.. Но вроде-бы, подпаивался к ним..
Peach Cat писал(а):
Попробуй отключить +15 вольт, это ножка 7. Питание микры пропадёт, а значит должно пропасть всё и фон, и звук.

Так и есть, фон и звук пропадает.
Peach Cat писал(а):
Если это так, то тотальная проверка экранирования проводов от головки, проверка самих проводов. Бывали случаи перелома проводников. Когда будешь прозванивать, двигай платформу головы (вверх и вниз).

Всё, что касается головки и проводков - увы но не причём :( У меня под рукой полностью рабочий карман Б, с другой веги, которой пользовался ранее. При подключении этих головок, однако, фон почему-то становится больше.. С родными же головками - фон меньше (имеется ввиду - перекидываю шлейфы...)
Peach Cat писал(а):
Так-же, придётся прозвонить дорожки, бывает ломаются, а трещину не видно. (происходит такое из за искривлении всей платы, лично с таким сталкивался и именно на этой модели)
Ситуация похоже такая: Заводится предварительный усилитель, а он собака такая шибко чувствительный.

Так про это речь и идёт :))) - как я уже писал ранее: начал разбираться, почему-же фон при воспроизведении. Заменил два оставшихся электролита по питанию (предварительно проверив их ЕСР тестером). После замены электролитов фон не устранился, я начал копать дальше и решил попробовать поменять блок воспроизведения (тот, который ближе к трансформатору). Выпаяв рабочий блок воспр. с другой веги, я запаял его вместо родного, но фон при воспроизведении остался. Начав выпаивать этот блок, чтобы вернуть родной меня отвлекли, я повернулся в сторону отвлекающего меня человека и выдрал платку воспроизведения вместе с.. как я выразился "прослойкой" (имея ввиду соединения двух слоёв платы). Вернув обратно родной блок и не заметив, что я выдрал ещё и соединения двух слоёв... Вот собственно после этого появился фон при включении... В данный момент снизу (со стороны пайки) отсутствуют контактные площадки 1,2,3,7 ножек, прослойка между слоями - тоже отсутствует, из этого положения я хотел выйти обыкновенной проволокой, но не вышло, сейчас, там, где остались дорожки (со стороны подпайки) и сверху (там где устанавливается этот блок) всё пропаяно. И опять же.. Любимая фраза - надеюсь я ясно изъяснил всё :)
Peach Cat писал(а):
P.P.S. На фото смущает наличие экранированных проводов. Кого с кем они соединяют?

К сожалению я не имею никакого представления смысла этих проводков, на самом деле я их уже давно отпаял, т.к. никакой функции они не несли. Изначально я почему-то подумал, что фон при воспроизведении именно из-за этих изолированных проводков, однако отпаяв их я опроверг данную догадку. Функционал магнитофона не пострадал, всё как работало - так и продолжало работать по 15 число ... А вот два МГТФ'а рядом с кондерами по питанию по прежнему присутствуют, об этом объясню чуть позже. Т.к. сейчас мне самое главное вернуть хотя-бы прежнюю работоспособность :)


Вернуться наверх
 
 Заголовок сообщения: Re: Вега МП122С...
СообщениеДобавлено: Пн май 16, 2016 18:53:02 
Друг Кота
Аватар пользователя

Карма: 29
Рейтинг сообщений: 390
Зарегистрирован: Пт апр 02, 2010 03:30:56
Сообщений: 3307
Откуда: Новосибирск
Рейтинг сообщения: 0
Радует то, что проблема в предварительном усилителе, а не куда далее.....
Отключи полностью головку, т.е выдерни разъём. Чё будет интересно?
А, вот ещё чего. Там релюха стоит (позиция на плате KV1). Она коммутирует головку на запись\воспроизведение. Проверь, не залипла-ли. Она подсаживает головку на массу через 10 Омные резюки.
P.S.Находится это реле напротив переключателей, железное такое, похоже на старинный кварц. :)

_________________
Как советовать, так все чатлане, а как работать...


Вернуться наверх
 
 Заголовок сообщения: Re: Вега МП122С...
СообщениеДобавлено: Пн май 16, 2016 19:10:49 
Нашел транзистор. Понюхал.

Зарегистрирован: Пн дек 01, 2014 12:06:02
Сообщений: 184
Рейтинг сообщения: 0
Peach Cat писал(а):
Радует то, что проблема в предварительном усилителе, а не куда далее.....
Отключи полностью головку, т.е выдерни разъём. Чё будет интересно?
А, вот ещё чего. Там релюха стоит (позиция на плате KV1). Она коммутирует головку на запись\воспроизведение. Проверь, не залипла-ли. Она подсаживает головку на массу через 10 Омные резюки.
P.S.Находится это реле напротив переключателей, железное такое, похоже на старинный кварц. :)

При отключенном шлейфе головок (если магнитофон в вертикальном положении) - просто шум, если поднести палец к блоку воспроизведения или к разъёму для подключения головок, то будет фон. Если же положить магнитофон, к примеру на стол, то начинается фон..
Я прошу прощения за столь тупой вопрос, но не будите ли вы столь любезны объяснить, как реле такого типа проверить ? :)) Я понимаю, что оно не особо отличается от обычных, но всё же.. :idea:


Вернуться наверх
 
 Заголовок сообщения: Re: Вега МП122С...
СообщениеДобавлено: Пн май 16, 2016 19:34:28 
Друг Кота
Аватар пользователя

Карма: 29
Рейтинг сообщений: 390
Зарегистрирован: Пт апр 02, 2010 03:30:56
Сообщений: 3307
Откуда: Новосибирск
Рейтинг сообщения: 0
Андрей_19941 писал(а):
При отключенном шлейфе головок (если магнитофон в вертикальном положении) - просто шум, если поднести палец к блоку воспроизведения или к разъёму для подключения головок, то будет фон. Если же положить магнитофон, к примеру на стол, то начинается фон..

Странно.....Это я про положение магнитофона...Явно порыв дорожки.
Андрей_19941 писал(а):
Я прошу прощения за столь тупой вопрос, но не будите ли вы столь любезны объяснить, как реле такого типа проверить ? :)) Я понимаю, что оно не особо отличается от обычных, но всё же.. :idea:

Ну, во первых желательно вычислить его название и посмотреть в инете.
Второе, просто проверить замыкание контактов на обесточенном аппарате. По умолчанию контакты обозначены по схеме. Скажем так, контакты 1.1-1.2 и 2.1-2.2 нормально замкнуты. Значит головка одной из сторон (по контактам) подключена к минусу, т.е к земле через сопротивления в 10 Ом.

_________________
Как советовать, так все чатлане, а как работать...


Вернуться наверх
 
Показать сообщения за:  Сортировать по:  Вернуться наверх
Начать новую тему Ответить на тему  [ Сообщений: 239 ]  1, , , , ...  

Часовой пояс: UTC + 3 часа


Вы не можете начинать темы
Вы не можете отвечать на сообщения
Вы не можете редактировать свои сообщения
Вы не можете удалять свои сообщения
Вы не можете добавлять вложения

Найти:
Перейти:  


Powered by phpBB © 2000, 2002, 2005, 2007 phpBB Group
Русская поддержка phpBB
Extended by Karma MOD © 2007—2012 m157y
Extended by Topic Tags MOD © 2012 m157y