Например TDA7294

Форум РадиоКот • Просмотр темы - ремонт Вега 50У-122с
Форум РадиоКот
Здесь можно немножко помяукать :)

Текущее время: Ср фев 18, 2026 11:22:36

Часовой пояс: UTC + 3 часа


ПРЯМО СЕЙЧАС:



Начать новую тему Ответить на тему  [ Сообщений: 1063 ]     ... , , , 40, , , ...  
Автор Сообщение
Не в сети
 Заголовок сообщения: Re: ремонт Вега 50У-122с
СообщениеДобавлено: Пт апр 03, 2015 12:14:33 
Первый раз сказал Мяу!
Аватар пользователя

Зарегистрирован: Вс фев 15, 2015 19:09:52
Сообщений: 38
Рейтинг сообщения: 0
Я сам сейчас в данный момент занят защитой, схему нашел, удовлетворяющую моим требования. Как и Вы хочу чтобы обе работали. А защиты не подерутся :)) Схему взял с датагора http://datagor.ru/practice/loudspeakers ... istem.html
Там и задержка и моментальное отключение АС при выключении усилителя, вообщем почитайте. Плата почти готова, жду вот когда реле пришлют, как сделаю отпишусь о работе. Ну и фото приложу.


Вернуться наверх
 
Не в сети
 Заголовок сообщения: Re: ремонт Вега 50У-122с
СообщениеДобавлено: Вс апр 12, 2015 13:24:52 
Первый раз сказал Мяу!
Аватар пользователя

Зарегистрирован: Вс фев 15, 2015 19:09:52
Сообщений: 38
Рейтинг сообщения: 0
Ну вот небольшой фотоотчет о проделанной работе. После установки дополнительной платы на реле щелчков как не бывало. Обращаю внимание что в предусилителе надо уменьшить емкость конденсатора С29 до 22 мкф и отпаять провод идущий на плату защиты. Таким образом мы исключаем стандартную схему задержки усилителя, теперь за нее отвечает новая плата.
Изображение


Вернуться наверх
 
Не в сети
 Заголовок сообщения: Re: ремонт Вега 50У-122с
СообщениеДобавлено: Ср апр 15, 2015 17:05:49 
Нашел транзистор. Понюхал.
Аватар пользователя

Карма: 1
Рейтинг сообщений: 0
Зарегистрирован: Ср окт 17, 2012 16:28:25
Сообщений: 160
Откуда: Россия, г.Тихвин
Рейтинг сообщения: 0
blackbird2789 писал(а):
Таким образом мы исключаем стандартную схему задержки усилителя, теперь за нее отвечает новая плата.

Теперь если что, колонки спасутся, а усилитель пускай дальше полыхает? :))


Вернуться наверх
 
Не в сети
 Заголовок сообщения: Re: ремонт Вега 50У-122с
СообщениеДобавлено: Чт апр 16, 2015 21:45:38 
Первый раз сказал Мяу!
Аватар пользователя

Зарегистрирован: Вс фев 15, 2015 19:09:52
Сообщений: 38
Рейтинг сообщения: 0
Уважаемый Gena_308 я разве где то писал что отключил родную защиту?
Прежде чем говорить ерунду стоило бы внимательно прочесть мой пост. Я указывал, что отключил родную систему задержки подключения АС, так как она утратила свою целесообразность, ввиду внедрения новой платы. В остальном родная защита выполняет свои функции штатно.


Вернуться наверх
 
Эиком - электронные компоненты и радиодетали
Не в сети
 Заголовок сообщения: Re: ремонт Вега 50У-122с
СообщениеДобавлено: Вс апр 19, 2015 11:32:22 
Нашел транзистор. Понюхал.
Аватар пользователя

Карма: 1
Рейтинг сообщений: 0
Зарегистрирован: Ср окт 17, 2012 16:28:25
Сообщений: 160
Откуда: Россия, г.Тихвин
Рейтинг сообщения: 0
Извиняюсь, неправильно понял


Вернуться наверх
 
Не в сети
 Заголовок сообщения: Re: ремонт Вега 50У-122с
СообщениеДобавлено: Чт авг 27, 2015 19:56:35 
Родился

Зарегистрирован: Чт авг 27, 2015 19:44:45
Сообщений: 1
Рейтинг сообщения: 0
Доброй ночи , товарищи!!!
Разбираюсь сейчас с Вегой 122 и имею проблему. При работе на большой громкости идут искажения. Подключив осциллограф, увидел такую картину. При достижении уровня напряжения выше +23 В Сигнал выше не подымается . И начинает гудеть трансформатор.
Далее отключил транзисторы левого канала VT31 и VT35, померив напряжения на DA3 увидел такую картину:
2 0,17В
3 -0,03В
4 -11,5В
6 -9,5В
7 12,2В


Вернуться наверх
 
Не в сети
 Заголовок сообщения: Re: ремонт Вега 50У-122с
СообщениеДобавлено: Чт сен 10, 2015 17:02:14 
Потрогал лапой паяльник
Аватар пользователя

Карма: 4
Рейтинг сообщений: 15
Зарегистрирован: Вт авг 10, 2010 09:05:19
Сообщений: 317
Откуда: Белгород
Рейтинг сообщения: 0
Всем привет. Вопрос по веге 50у-122с.
Подскажите, имеет ли смысл транзисторы термостабилизации VT17(VT18) прикрутить к радиатору выходников?
В оригинале они на радиаторе одного из транзисторов передвыхода.


Вернуться наверх
 
Не в сети
 Заголовок сообщения: Re: ремонт Вега 50У-122с
СообщениеДобавлено: Чт сен 10, 2015 17:46:26 
Друг Кота
Аватар пользователя

Карма: 123
Рейтинг сообщений: 7958
Зарегистрирован: Сб сен 13, 2014 16:27:32
Сообщений: 39197
Откуда: СпиртоГонск созвездия Омега
Рейтинг сообщения: 0
в принципе да
в хорощих усилках термодатчик ставится на радиатор 1из выходников канала если радиатор общий то в точке максималного нагрева (рядом с 1из внутрених выходников)
ствить их на пред...ну это бестолку ток покоя плавать силно будет
но это всеже лучще чем никак

_________________
ZМудрость(Опыт и выдержка) приходит с годами.
Все Ваши беды и проблемы, от недостатка знаний.
Умный и у дурака научится, а дураку и ..
Алберт Ейнштейн не поможет и ВВП не спасет.и МЧС опаздает


Вернуться наверх
 
Не в сети
 Заголовок сообщения: Re: ремонт Вега 50У-122с
СообщениеДобавлено: Вс янв 17, 2016 21:09:18 
Прорезались зубы
Аватар пользователя

Зарегистрирован: Чт апр 14, 2011 18:39:09
Сообщений: 203
Откуда: ВОРОНЕЖ
Рейтинг сообщения: 0
Ребят такая штука сейчас с усилком, не знаю как толком объяснить попробую)))) отваливается одна колонка один канал, при этом когда скажем включаешь музыку с хорошими четкими низами то отвалившаяся колонка начинает хрипеть и потом как бы пробивается и начинает играть нормально, так же но не всегда происходит когда начинаешь увеличивать громкость, так же сначала хрип с заиканиями потом начинает работать, уменьшаешь громкость все норм, через какое то время опять отваливается, подскажите что посмотреть, мож транзюки по выходу именно на этот канал или еще что, заранее спасибо


Вернуться наверх
 
Не в сети
 Заголовок сообщения: Re: ремонт Вега 50У-122с
СообщениеДобавлено: Вс янв 17, 2016 22:01:00 
Друг Кота
Аватар пользователя

Карма: 90
Рейтинг сообщений: 1503
Зарегистрирован: Вт сен 06, 2011 20:49:28
Сообщений: 26819
Откуда: оттуда
Рейтинг сообщения: 3
АС местами менял? Что показало?

_________________
- Русским человеком может быть только тот, у кого чего-нибудь нет, но не так нет, чтобы обязательно было, а нет — и хрен с ним.
"Русский человек может жить как в одну сторону, так и в другую. И в обоих случаях останется цел" А. Платонов


Вернуться наверх
 
Не в сети
 Заголовок сообщения: Re: ремонт Вега 50У-122с
СообщениеДобавлено: Вс янв 17, 2016 22:48:47 
Прорезались зубы
Аватар пользователя

Зарегистрирован: Чт апр 14, 2011 18:39:09
Сообщений: 203
Откуда: ВОРОНЕЖ
Рейтинг сообщения: 0
показало что данный эффект именно в усилке, на одном канале в независимости от колонки подключенной к нему


Вернуться наверх
 
Не в сети
 Заголовок сообщения: Re: ремонт Вега 50У-122с
СообщениеДобавлено: Пн апр 11, 2016 12:54:16 
Первый раз сказал Мяу!

Зарегистрирован: Сб июл 12, 2008 20:57:15
Сообщений: 22
Откуда: С-Петербург
Рейтинг сообщения: 0
Доброго времени!
Прошу помощи. Вега "ААА". При включении горит перегруз. ДолжОн через несколько секунд погаснуть, но не гаснет. Разобрал. Если ткнуть щюпом или любым металлическим предметом в место соединения ВТ3 и ВТ4 на плате регуляторов, то перегруз гаснет. Тыкание (и даже постукивание) пластмассовой отвёрткой к эффекту не приводит.
Где можно смотреть, чего измерять?
Спасибо.


Вернуться наверх
 
Не в сети
 Заголовок сообщения: Re: ремонт Вега 50У-122с
СообщениеДобавлено: Пн апр 11, 2016 15:43:14 
Друг Кота
Аватар пользователя

Карма: 90
Рейтинг сообщений: 1503
Зарегистрирован: Вт сен 06, 2011 20:49:28
Сообщений: 26819
Откуда: оттуда
Рейтинг сообщения: 0
Александр Калинин писал(а):
Прошу помощи. Вега "ААА". .

Это тепловоз такой?
Начните с поиска и выкладывания смотрибельной схемы, может подскажут, где чего измерять.

_________________
- Русским человеком может быть только тот, у кого чего-нибудь нет, но не так нет, чтобы обязательно было, а нет — и хрен с ним.
"Русский человек может жить как в одну сторону, так и в другую. И в обоих случаях останется цел" А. Платонов


Вернуться наверх
 
Не в сети
 Заголовок сообщения: Re: ремонт Вега 50У-122с
СообщениеДобавлено: Пн апр 11, 2016 18:11:54 
Первый раз сказал Мяу!

Зарегистрирован: Сб июл 12, 2008 20:57:15
Сообщений: 22
Откуда: С-Петербург
Рейтинг сообщения: 0
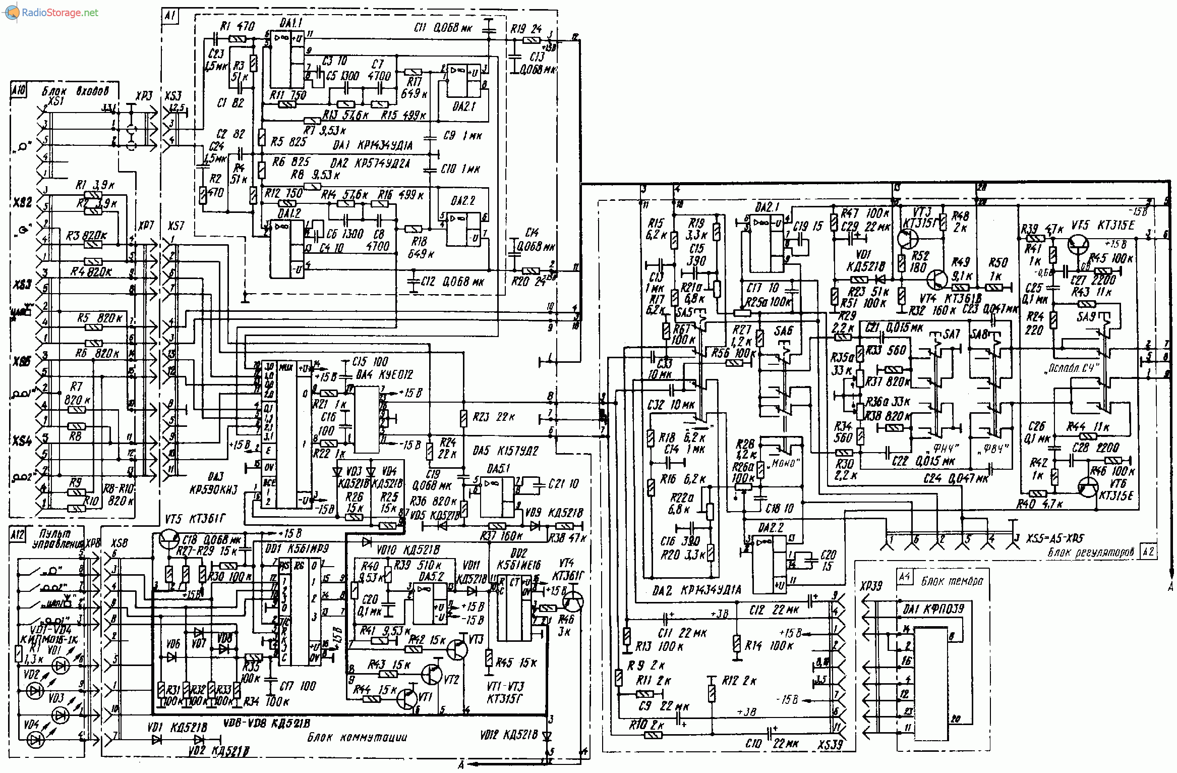
На схемах не четабельны адреса проводов между платами, в общем база транзистора VT39 на плате А5 (усилитель мощности) подцеплена на делитель R49-R50 на плате А2 (блок регуляторов)
Схема тепловоза:


Вложения:
50у-122 2ч..png [139.05 KiB]
Скачиваний: 1135
50у-122 1ч..png [156.86 KiB]
Скачиваний: 1019
Вернуться наверх
 
Не в сети
 Заголовок сообщения: Re: ремонт Вега 50У-122с
СообщениеДобавлено: Ср апр 13, 2016 08:43:29 
Первый раз сказал Мяу!

Зарегистрирован: Сб июл 12, 2008 20:57:15
Сообщений: 22
Откуда: С-Петербург
Рейтинг сообщения: 0
Усилитель починил. Заменил конденсатор С29 на плате регулировок и пропаял дорожки к нему подходящие.


Вернуться наверх
 
Не в сети
 Заголовок сообщения: Re: ремонт Вега 50У-122с
СообщениеДобавлено: Пт ноя 25, 2016 13:06:01 
Родился

Зарегистрирован: Пт ноя 25, 2016 12:33:21
Сообщений: 1
Рейтинг сообщения: 0
Добрый день!)
Прошу у Вас помощи потому, как сам уже в тупике :dont_know: Итак, имеется ВЕНА 50у-122с. Отдали знакомые, сказали не работает ( что именно не уточняли). Подцепил колонки, включаю ... Гудит трансформатор. Но! Если отключить правую колонку, то трансформатор перестает гудеть. Ага, качаю схему, лезу смотреть усилители мощности, благо левый канал исправен, думаю по образу и подобию найду косяк в правом.
Составил карту режимов транзисторов (Транзистор (Б, Э). На тот момент она была следующая:
VT17 (3.8, 3.3)
VT19 (6.7, 6.1)
VT21 (3.3, 4)
VT27 и VT29 не замерил тогда, каюсь:facepalm:
Отсюда я сделал вывод, раз смещено напряжение в сторону верхнего плеча, то буду искать там. И пошло поехало... Выпаивал/проверял/менял VT19, VT27. Картина радикально поменялась и теперь смещение появилось в нижнем плече. на эмиттере VT17 было -21!! :shock: Окей, думаю сгорел VT21, выпаял его, проверил ... Работает... Но заменил его все равно. Ситуация не изменилась...
На последний момент режимы таковы:
VT17 (-19.7, -20)
VT19 (-14, -15)
VT21 (-19.7, -29.2)
VT27 (-15, 1.7)
Вот такие пироги :cry:
Куда копать? Спасибо заранее!

ПЫ СЫ : Сейчас посмотрел плату на наличие непропая/мостиков (мог понаделать когда менял элементы), нашел пару подозрительных мест, облагородил все это дело. Ну и включил проверить. В итоге картина опять поменялась :facepalm:
VT17 (-6.3, -6.8 )
VT19 (-3.4, -3.7)
VT21 (-6.8, -6.21)
VT27 (-3.7, 5.7)
VT29 (-6.21, 5.7)


Вернуться наверх
 
Не в сети
 Заголовок сообщения: Re: ремонт Вега 50У-122с
СообщениеДобавлено: Пн июл 10, 2017 17:37:03 
Родился
Аватар пользователя

Зарегистрирован: Пн дек 28, 2015 19:45:38
Сообщений: 19
Откуда: г. Тула
Рейтинг сообщения: 0
Здравствуйте. На веге 25у122с постоянка на выходе + он не включается. При нажатии на сеть, загораются индикаторы сети, селектора и перегрузки. Если отпустить кнопку, то всё выключается. Напряжени постоянки может меняться. Обычно ЛК 22-23 вольта, ПК 1-5 вольт. Выходники целы. Выпаивал каждый и проверял отдельно. Греется R65 на плате защиты. Прошу помощи...


Вернуться наверх
 
Не в сети
 Заголовок сообщения: Re: ремонт Вега 50У-122с
СообщениеДобавлено: Пн июл 10, 2017 18:10:05 
Друг Кота
Аватар пользователя

Карма: 123
Рейтинг сообщений: 7958
Зарегистрирован: Сб сен 13, 2014 16:27:32
Сообщений: 39197
Откуда: СпиртоГонск созвездия Омега
Рейтинг сообщения: 0
проверте выключатель сначала там вроде питание чисто механика...далще видно будет

_________________
ZМудрость(Опыт и выдержка) приходит с годами.
Все Ваши беды и проблемы, от недостатка знаний.
Умный и у дурака научится, а дураку и ..
Алберт Ейнштейн не поможет и ВВП не спасет.и МЧС опаздает


Вернуться наверх
 
Не в сети
 Заголовок сообщения: Re: ремонт Вега 50У-122с
СообщениеДобавлено: Пн июл 10, 2017 18:13:23 
Родился
Аватар пользователя

Зарегистрирован: Пн дек 28, 2015 19:45:38
Сообщений: 19
Откуда: г. Тула
Рейтинг сообщения: 0
Его блокинует защита. У меня когда вылетел вт10 кт 315 в блоке защиты он включался и при этом просто горела перегрузка....


Вернуться наверх
 
Не в сети
 Заголовок сообщения: Re: ремонт Вега 50У-122с
СообщениеДобавлено: Пн июл 10, 2017 18:34:34 
Друг Кота
Аватар пользователя

Карма: 123
Рейтинг сообщений: 7958
Зарегистрирован: Сб сен 13, 2014 16:27:32
Сообщений: 39197
Откуда: СпиртоГонск созвездия Омега
Рейтинг сообщения: 0
:o разве на этом паровозевремен хружева есть такая защита которая вырубает питание полностью :dont_know:

_________________
ZМудрость(Опыт и выдержка) приходит с годами.
Все Ваши беды и проблемы, от недостатка знаний.
Умный и у дурака научится, а дураку и ..
Алберт Ейнштейн не поможет и ВВП не спасет.и МЧС опаздает


Вернуться наверх
 
Показать сообщения за:  Сортировать по:  Вернуться наверх
Начать новую тему Ответить на тему  [ Сообщений: 1063 ]     ... , , , 40, , , ...  

Часовой пояс: UTC + 3 часа


Кто сейчас на форуме

Сейчас этот форум просматривают: нет зарегистрированных пользователей и гости: 48


Вы не можете начинать темы
Вы не можете отвечать на сообщения
Вы не можете редактировать свои сообщения
Вы не можете удалять свои сообщения
Вы не можете добавлять вложения

Найти:
Перейти:  


Powered by phpBB © 2000, 2002, 2005, 2007 phpBB Group
Русская поддержка phpBB
Extended by Karma MOD © 2007—2012 m157y
Extended by Topic Tags MOD © 2012 m157y