Например TDA7294

Форум РадиоКот • Просмотр темы - Ремонт динозавра, Schneider, шасси TV-17
Форум РадиоКот
Здесь можно немножко помяукать :)

Текущее время: Пт окт 03, 2025 19:38:22

Часовой пояс: UTC + 3 часа


ПРЯМО СЕЙЧАС:



Начать новую тему Ответить на тему  [ Сообщений: 115 ]    , 2, , , ,  
Автор Сообщение
В сети
 Заголовок сообщения: Re: Ремонт динозавра, Schneider, шасси TV-17
СообщениеДобавлено: Пт июн 24, 2016 20:12:21 
Друг Кота
Аватар пользователя

Карма: 90
Рейтинг сообщений: 1501
Зарегистрирован: Вт сен 06, 2011 20:49:28
Сообщений: 26230
Откуда: оттуда
Рейтинг сообщения: 0
Литы в первичке и вторичке ИП надо уже менять не глядя, потом что то мерить.
87dv писал(а):
Оптопару поменять? А можно туда двуногую поставить, скажем с компьютерного БП?

Что за зверь, какая маркировка?

_________________
- Русским человеком может быть только тот, у кого чего-нибудь нет, но не так нет, чтобы обязательно было, а нет — и хрен с ним.
"Русский человек может жить как в одну сторону, так и в другую. И в обоих случаях останется цел" А. Платонов


Вернуться наверх
 
Не в сети
 Заголовок сообщения: Re: Ремонт динозавра, Schneider, шасси TV-17
СообщениеДобавлено: Пт июн 24, 2016 20:28:26 
Прорезались зубы
Аватар пользователя

Зарегистрирован: Пт июл 10, 2015 18:15:18
Сообщений: 242
Рейтинг сообщения: 0
Gigavolt писал(а):
Как она может быть двуногой,если с одной стороны светодиод две ноги,с другой фототранзистор две ноги,в сумме четыре.

Ой, прошу прощения. Да 4-хногие есть


Вернуться наверх
 
Не в сети
 Заголовок сообщения: Re: Ремонт динозавра, Schneider, шасси TV-17
СообщениеДобавлено: Сб июн 25, 2016 10:38:22 
Прорезались зубы
Аватар пользователя

Зарегистрирован: Пт июл 10, 2015 18:15:18
Сообщений: 242
Рейтинг сообщения: 0
Конденсаторы поменял - ничего не дало

Оптопару поменял
Теперь В+ 156 Вольт

Прогресс :)))

Где же собака зарыта :dont_know:

Резисторы возле TL431 проверил - всё соответствует номиналам
----------

Ещё прогресс :)))

Оказывается отсутствовал конденсатор C205 470 пФ
Я его впаял - напруга упала до 150 Вольт :)))

Осталось дожать совсем немного :)))

А теперь вопрос
Может ли такое быть из-за шунтирующего диод D202 конденсатора C202 270 пФ? Я вместо того чёрного поставил новый синий на 220 пФ


Вернуться наверх
 
В сети
 Заголовок сообщения: Re: Ремонт динозавра, Schneider, шасси TV-17
СообщениеДобавлено: Сб июн 25, 2016 12:09:38 
Друг Кота
Аватар пользователя

Карма: 90
Рейтинг сообщений: 1501
Зарегистрирован: Вт сен 06, 2011 20:49:28
Сообщений: 26230
Откуда: оттуда
Рейтинг сообщения: 0
Теперь нужно искать несоответствие в ОС, в управлении ОП.
87dv писал(а):
Резисторы возле TL431 проверил

"Возле" это ни о чём, проверять надо делитель управляющего электрода, точно на соотв., выпаянные.
87dv писал(а):
Конденсаторы поменял - ничего не дало

То же, что и резисторы - какие, где, угадывать не конструктивно, в этом деле приветствуется точность.
Предлагается положить сюда схему БП (не огрызок) и по ней указывать, что и где сделано.

_________________
- Русским человеком может быть только тот, у кого чего-нибудь нет, но не так нет, чтобы обязательно было, а нет — и хрен с ним.
"Русский человек может жить как в одну сторону, так и в другую. И в обоих случаях останется цел" А. Платонов


Вернуться наверх
 
Не в сети
 Заголовок сообщения: Re: Ремонт динозавра, Schneider, шасси TV-17
СообщениеДобавлено: Сб июн 25, 2016 13:02:29 
Прорезались зубы
Аватар пользователя

Зарегистрирован: Пт июл 10, 2015 18:15:18
Сообщений: 242
Рейтинг сообщения: 0
Цитата:
"Возле" это ни о чём, проверять надо делитель управляющего электрода, точно на соотв., выпаянные.

Так это и делал. Выпаивал и проверял по одному - всё точно

Конденсаторы С117, С204, С211

Сейчас вот запарился меняя конденсатор C202, сложно было добраться - выпаивал диод D202, а назад поставил наоборот :))) Вылетел предохранитель и полевик BUZ91A, всё остальное уцелело, включая диод
Чёрт, придётся пока забросить ремонт ТВ, т.к. замены нету


Вернуться наверх
 
Не в сети
 Заголовок сообщения: Re: Ремонт динозавра, Schneider, шасси TV-17
СообщениеДобавлено: Сб июн 25, 2016 19:21:49 
Встал на лапы
Аватар пользователя

Карма: 3
Рейтинг сообщений: 3
Зарегистрирован: Вт дек 22, 2015 12:14:33
Сообщений: 125
Откуда: Чайковский, Пермский край
Рейтинг сообщения: 0
87dv писал(а):
напруга упала до 150 Вольт :)))

Осталось дожать совсем немного :)))

Защита все еще срабатывает? Если нет, то подстроечником выставь +145.
87dv писал(а):
А теперь вопрос
Может ли такое быть из-за шунтирующего диод D202 конденсатора C202 270 пФ? Я вместо того чёрного поставил новый синий на 220 пФ
:)))))))) нет.
87dv писал(а):
Вылетел предохранитель и полевик BUZ91A, всё остальное уцелело, включая диод
Чёрт, придётся пока забросить ремонт ТВ, т.к. замены нету
Замен - масса. Этот половик - времен динозавров.

_________________
Вася. Просто Вася. Сергеевич. Можно на "ты", но без фамильярности.


Вернуться наверх
 
Не в сети
 Заголовок сообщения: Re: Ремонт динозавра, Schneider, шасси TV-17
СообщениеДобавлено: Сб июн 25, 2016 19:32:16 
Прорезались зубы
Аватар пользователя

Зарегистрирован: Пт июл 10, 2015 18:15:18
Сообщений: 242
Рейтинг сообщения: 0
Цитата:
Защита все еще срабатывает? Если нет, то подстроечником выставь +145.

Защита срабатывала от КЗ перемычки на экран 100-г блока.

А подстрочником выставил минимум: 140 Вольт в дежурке, а как только включаю ТВ вырастает до (уже) 150 В (было 160)

Цитата:
:)))))))) нет.

Конденсатор C205 убрал лишние 6 Вольт, я чё и спросил :))

Может быть тот отвалившейся не пойми откуда кондёр убрал бы ещё 5 Вольт и, глядишь, наладилось бы напряжение :))) Только куда его приклеить :dont_know:

Цитата:
Ещё забыл про одну деталь...

Конденсатор WIMA MKS10 68 нФ висел соплёй с другой стороны платы. Когда мне принесли ТВ, я его побыстрому открыл, плату перевернул, чтобы глянуть, а там этот конденсатор висит. Я до него дотронулся - он отвалился. Не знаю, это с завода творчество. Хотя, если глянуть на соплями припаянный кусок платы на землю тюнера (вроде с завода, раз на других фото видел), то сомнения как бы пропадают, тем более WIMA тут все кондёры стоят
Короче, подумал я, найду это место потом по следу. А потом забыл за этот кондёр и пропаял же плату. Теперь не найду куда его притулить :))

На схеме не нашёл


Последний раз редактировалось 87dv Сб июн 25, 2016 19:45:46, всего редактировалось 2 раз(а).

Вернуться наверх
 
Не в сети
 Заголовок сообщения: Re: Ремонт динозавра, Schneider, шасси TV-17
СообщениеДобавлено: Сб июн 25, 2016 19:36:32 
Друг Кота
Аватар пользователя

Карма: 80
Рейтинг сообщений: 1073
Зарегистрирован: Ср мар 25, 2015 15:25:51
Сообщений: 5596
Откуда: ст. Новоминская
Рейтинг сообщения: 0
Подстраивать нужно в рабочем режиме.


Вернуться наверх
 
Не в сети
 Заголовок сообщения: Re: Ремонт динозавра, Schneider, шасси TV-17
СообщениеДобавлено: Сб июн 25, 2016 19:39:50 
Прорезались зубы
Аватар пользователя

Зарегистрирован: Пт июл 10, 2015 18:15:18
Сообщений: 242
Рейтинг сообщения: 0
АлександрNZ писал(а):
Подстраивать нужно в рабочем режиме.

Так некуда подстраивать. Я ж говорю, минимум выставил - ниже только подстроечник сломать

А кстати, мож взять, да и поставить другой подстроечник? Или поиграться с сопротивлением, кот. стоит после него :roll:


Последний раз редактировалось 87dv Сб июн 25, 2016 19:46:10, всего редактировалось 1 раз.

Вернуться наверх
 
Не в сети
 Заголовок сообщения: Re: Ремонт динозавра, Schneider, шасси TV-17
СообщениеДобавлено: Сб июн 25, 2016 19:46:07 
Друг Кота
Аватар пользователя

Карма: 80
Рейтинг сообщений: 1073
Зарегистрирован: Ср мар 25, 2015 15:25:51
Сообщений: 5596
Откуда: ст. Новоминская
Рейтинг сообщения: 1
Не надо ломать подстроечник. Напряжение зависит от делителя R210, R211, R212, R213. Уменьшив R210 - уменьшите напряжение. Только уменьшать без фанатизма, по чуть-чуть. Может быть подстоечник или R210 изменяют номиналы.


Вернуться наверх
 
Не в сети
 Заголовок сообщения: Re: Ремонт динозавра, Schneider, шасси TV-17
СообщениеДобавлено: Сб июн 25, 2016 19:53:54 
Прорезались зубы
Аватар пользователя

Зарегистрирован: Пт июл 10, 2015 18:15:18
Сообщений: 242
Рейтинг сообщения: 0
АлександрNZ писал(а):
Не надо ломать подстроечник. Напряжение зависит от делителя R210, R211, R212, R213. Уменьшив R210 - уменьшите напряжение. Только уменьшать без фанатизма, по чуть-чуть.

Спасибо за подсказку. Достану полевик, продолжу :)


Вернуться наверх
 
Не в сети
 Заголовок сообщения: Re: Ремонт динозавра, Schneider, шасси TV-17
СообщениеДобавлено: Вс июн 26, 2016 17:40:57 
Прорезались зубы
Аватар пользователя

Зарегистрирован: Пт июл 10, 2015 18:15:18
Сообщений: 242
Рейтинг сообщения: 0
Во, что я нашёл:

Цитата:
grand
25/11/2004 19:29
Горят резисторы 0,22ом по питанию TDA8177F, хотя сама микросхема остается целой и даже не нагревается. Если поставить сопротивления помощнее, то уходят в КЗ диоды, один раз сгорела микросхема. Микросхемы покупал в разных местах, пробовал ставить TDA8172 с отключением обвязки с 3-й ноги, везде одинаковый эффект. Напруги 13,5v 13,5v 56v, конденсаторы по питанию поменяны, диоды тоже, ТДКС поменял на HR. Если отключить отклоняющие кадровые катушки, то резисторы не горят, диоды чуть теплые. Еще пробовал ставить чистую 24С32. Вот такая заморочка с этим зверем, надоел уже до тошноты. Да, изображение появляется нормальное, без искажений, успеваю увидеть за то время, пока дымят резисторы. И еще один нюанс:это шасси подключаю к кинескопу от DTV100, потому что привезли только шасси. Думаю, что особой разницы между TV17 нет, сопротивление кадровых катушек где-то 3,8ом. Помогите побороть гада.


Цитата:
grand
25/11/2004 23:20
Эти темы давно просмотрел.У знакомого на переделку звука стоит такой телек,специально пошел померял напруги-14v 14v 56v и кадровая еще не менялась.Пришел к себе,поставил параллельно конденсатору обратного хода 10n,напруги 12v 12v 40v. Резисторы горят.

Коля
26/11/2004 00:17
Посмотри внимательно на конденсаторы-неэлектролиты: очень часто в этом районе они обрываются, иногда просто растрескиваются. В частности, тот , который компенсирует индуктивность ОС.

Moriaan
26/11/2004 23:28
Тся-я-я. Причина оказалась таки в завышеном напряжении подкачки (pin 3) вместо положеных 45в пёрло почти 60. Собрал стабилизатор (47в) на транзисторе и паре емкостей. Питание +, - не трогал. Все заработало, транзюк правда греется довольно хорошо, но мне за электричество не платить. улыбка

grand
02/12/2004 20:25
Отчет: причина оказалась в диодах,вместо UF4006 ставил 1N4007.Поставил UF4007 и
все нормально.


http://monitor.espec.ws/section1/printview36449.html

Оказывается, я не одинок :)))

Диоды отпадают, я как раз менял на UF4007
----------

А как проверить мелкие конденсаторы на обрыв? Пикофарады, если нет всяких ESR-метров и прочего
---------

Ещё говорят, что это ТДКС шалит:
Цитата:
А в этом шасси FBT вообще говёный, стреляет часто, не только м/с палит. Я туда оригинальный ELDOR не ставлю никогда, беру всегда HR, хотя с ними больше мороки из-за растачивания выреза на радиаторе. Зато ни одного возврата с HR-ом не было. улыбка

http://monitor.espec.ws/section1/topic34853.html

Цитата:
Такая же кадра стоит в Шнайдерах шасси TV-9
До сих пор приходили с одной и той же проблемой:напруги ,питающие кадру сильно завышены +60, +15,-15, Схема включения на Шиндлерах абсолютно аналогична той ,что нарисована, но наминалы напруги указаны +45,+10,-10.Проблему решал или заменой
flyback или установкой дополнительных стабилизаторов соответственно на эти напруги.
Видать,flyback, хулиганит

http://monitor.espec.ws/viewtopic.php?p=192593&highlight=#192593

Блин, не зря на нём были микротрещины

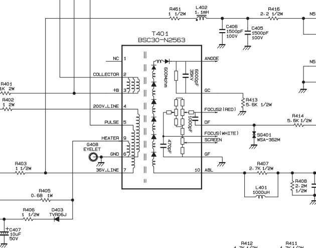
Хорошо... У меня есть запчасти от ТВ LG 29FS2ANX шасси MC-05HA, ТДКС там BSC30-N2563

Изображение

Можно ли впихнуть это счастье вместо HR8196?
Изображение

Ну это пока мысли, ещё буду мучить этот, мож стабилизаторы придётся делать
----------

А можно ли понизить напругу делителями напряжения на резисторах?
----------

Цитата:
Арс ◊
30.07.2014, 20:08
Уменьшил напряжение кадровой.
Сначала попробовал допаять по резистору 1.5 Ом в цепь питания перед диодами, напряжение уменьшилось на 1В в каждом канале. Показалось как-то не правильно рассеивать зря 1.5 Вт да ещё и греть окрестности.
В итоге уменьшил напряжение включением по одному витку в противофазе. Теперь в каждом канале питания около 14,1 В.


http://pro-radio.ru/repair/13207/

То есть, мотануть виток провода на ТДКС в обратном направлении и соединить конец с концом, или конец с началом? И как найти начало и конец на ТДКС? :)) 7 вывод - это начало, 8-ой - конец?
Обратное направление методом тыка надо определять?


Вернуться наверх
 
Не в сети
 Заголовок сообщения: Re: Ремонт динозавра, Schneider, шасси TV-17
СообщениеДобавлено: Пн июн 27, 2016 17:34:14 
Прорезались зубы
Аватар пользователя

Зарегистрирован: Пт июл 10, 2015 18:15:18
Сообщений: 242
Рейтинг сообщения: 0
Вот ещё:

Цитата:
Осцилограф то есть,а толку отпаял кадровую совсем, проверил питание на строке с бп идет 165в хотя посхеме 145в.и другие напряжения немного завышены.пробовал регулировать потенциометром -не регулирует в дежурке поменял оптрон и TL431 но без результата,при включении150в и ползет до 165в,может быть из за этого,?

----------

Вчера менял транзистор сгоревший, запускал раз 7, пробовал менять кондёры в остальных местах - всё равно палил мне резисторы
В итоге, после какой-то попытки запуска теперь не запускается, симптомы такие:

Цитата:
Стоит в дежурке, принажатии на кнопку программы запускается .слышно высокое и уходит, через секунду опять в дежурку, и так постоянно ,на выходе тдкс нет короткого ,тдкс стоит новый, на кадровой TDA 8177F на мгновение появляется питающие напряжения.кадровую менял дело не вней. Поменял IC 203/TL431
IC 102/CQY 80 NG
IC 101/TDA 16846 и BUZ 91
прошу совета.

http://foren.germany.ru/arch/elecronics/f/3845722.html

И всё, выпаивал TDA8177F - поведение такое же. Кстати, без подключенных катушек ОС поведение было такое же. Может сдохла таки TDA. Короткого в ней нет, хрен знает как её проверить. И как запустить шаси без кадровой

С закороченными база-эмитер строчного транзистора запускается нормально. Как обмануть защиту, чтобы запустить строчную без кадровой?


Вернуться наверх
 
Не в сети
 Заголовок сообщения: Re: Ремонт динозавра, Schneider, шасси TV-17
СообщениеДобавлено: Вт июн 28, 2016 01:55:56 
Друг Кота
Аватар пользователя

Карма: 20
Рейтинг сообщений: 323
Зарегистрирован: Ср дек 05, 2007 19:39:08
Сообщений: 4450
Откуда: Мурманск
Рейтинг сообщения: 0
Можно ли впихнуть это счастье вместо HR8196?
Метода описана на мониторе,да и здесь Крабом,зарегенным когда то здесь как Чайник :))) :o
Только забанили его.Так что на монитор имхо дорога.
Цитата:
И как найти начало и конец на ТДКС? :))

Всё одно не знаешь в какую сторону намотана обмотка :))) а если нет то как по другому,если не методом научного тыка :)))
Разве на пробном витке осциллом посмотреть :)
ИМХО эпоха динозавров закончилась 65 млн.лет назад,может ну его,зачем вам парк Юрского периода? :)))


Вернуться наверх
 
Не в сети
 Заголовок сообщения: Re: Ремонт динозавра, Schneider, шасси TV-17
СообщениеДобавлено: Ср июн 29, 2016 21:07:48 
Прорезались зубы
Аватар пользователя

Зарегистрирован: Пт июл 10, 2015 18:15:18
Сообщений: 242
Рейтинг сообщения: 0
Да просто интересно же
Первый раз ремонтирую кинескопный ТВ, хочу чтоб заработал, зараза :))

Короче, отставил я кадровую в покое, коротнул базу-эмитер строчного транзистора, разбираюсь с питанием срочника

Тут деталей - раз, два и обчёлся, всё проверил, поменял - ну ни в какую :kill:
В дежурке В+ 140, как только запускаю, растёт до 150, бывает плывёт и выше из-за чего срабатывает, как я понял защита, и он сваливается в дежурку опять.

Единственно, что приходит в голову - глючная сама TDA16846
---------

Тьфу, блин. Наткнулся на ещё одно интересное сообщение:

Цитата:
Хи,Хи,Хи. Вы шутники однако. Жду новый комплект деталей, благо получил очередной гар. Schneider. Однако все вопросы остались. Индуктивность, которая стоит в затворе транзистора сгорела. Информация завода, она должна там присутствовать. Замены такой нет. Отсюда мой 1 ый вопрос.
Какой параметр этой SMD индуктивности.
Почему при запуске в первый момент после включения, нет напряжен. на мощном диоде по 145 V. Максимум через 5 сек. транзистор дохнет.
При нормально работающем БП, на диоде в первый момени должно быть около 170 - 175 V. Затем, когда запускается Строчная развертка, напряж. падает до 145 V. Это нормальный режим работы этого блока питания.
За 5 сек. ничего померить успеть нельзя. Включил " ПУК" транзистора нет. SPP17N80C2 стоит 15 Евро, ИС примерно так же. Супер дорогое удовольствие. Нужно понять, почему такие КАКИ произошли, а потом включать.
Ничего больше по описанию работы TDA 16846 не пролетало? Хотелось бы побольше информации.

http://monitor.espec.ws/section1/topic54737p20.html

Теперь я вообще ничё не понимаю :facepalm:


Вернуться наверх
 
Не в сети
 Заголовок сообщения: Re: Ремонт динозавра, Schneider, шасси TV-17
СообщениеДобавлено: Чт июн 30, 2016 02:27:29 
Друг Кота
Аватар пользователя

Карма: 20
Рейтинг сообщений: 323
Зарегистрирован: Ср дек 05, 2007 19:39:08
Сообщений: 4450
Откуда: Мурманск
Рейтинг сообщения: 0
Мало ли кто что напишет,это как на заборе три буквы написать :))) Напряжение должно стоять как вкопанное,иначе зачем схеме оптопара и TL431? Кстати TL431 пробовали поменять?


Вернуться наверх
 
Не в сети
 Заголовок сообщения: Re: Ремонт динозавра, Schneider, шасси TV-17
СообщениеДобавлено: Чт июн 30, 2016 09:23:40 
Друг Кота
Аватар пользователя

Карма: 182
Рейтинг сообщений: 8304
Зарегистрирован: Пт фев 04, 2011 17:57:51
Сообщений: 19844
Откуда: Рыбинск
Рейтинг сообщения: 0
Медали: 1
Лучший человек Форума 2017 (1)
87dv писал(а):
как только запускаю, растёт до 150, бывает плывёт и выше
Напряжение может плавать и из за подстроечного резистора R211 по схеме, который регулирует выходное напряжение БП. Попробуйте его замкнуть, напряжение будет заниженным, но можно понаблюдать, будет оно плавать после этого или нет.


Вернуться наверх
 
Не в сети
 Заголовок сообщения: Re: Ремонт динозавра, Schneider, шасси TV-17
СообщениеДобавлено: Чт июн 30, 2016 21:01:06 
Друг Кота
Аватар пользователя

Карма: 80
Рейтинг сообщений: 1073
Зарегистрирован: Ср мар 25, 2015 15:25:51
Сообщений: 5596
Откуда: ст. Новоминская
Рейтинг сообщения: 0
По аналогии с рубином М10 - R210 плывёт (увеличивает номинал).


Вернуться наверх
 
Не в сети
 Заголовок сообщения: Re: Ремонт динозавра, Schneider, шасси TV-17
СообщениеДобавлено: Пн июл 04, 2016 14:36:57 
Прорезались зубы
Аватар пользователя

Зарегистрирован: Пт июл 10, 2015 18:15:18
Сообщений: 242
Рейтинг сообщения: 0
С напряжением разобрался, вроде. Спасибо за подсказки, но проблемка оказалась в другом :))

Я забыл, что с лампой в нагрузке он у меня уходит в защиту, поэтому включал его без лампы, естественно что без нагрузки он и повышал напряжение :)))

Вернёмся к кадровой

Жжёт резисторы по-прежнему

Вот, пока шёл дымок с резисторов успел щёлкнуть картинку, которая на экране

Что скажут бывалые?
Изображение

Успел померить напряжение на C323. Оно ровно 25 Вольт
Сейчас попробую замерить напряжение на C321 C322
Изображение

Вариант снять кадровую и померить напряжения не прокатит - без кадровой он не запускается.
Вот и не знаю, в ней дело или в чём-то ещё
----------

C321 -2.5 В
C322 +1.8 В

Кадровая дохлая?


Вернуться наверх
 
Не в сети
 Заголовок сообщения: Re: Ремонт динозавра, Schneider, шасси TV-17
СообщениеДобавлено: Пн июл 04, 2016 19:02:13 
Друг Кота
Аватар пользователя

Карма: 20
Рейтинг сообщений: 323
Зарегистрирован: Ср дек 05, 2007 19:39:08
Сообщений: 4450
Откуда: Мурманск
Рейтинг сообщения: 0
Меняйте кадровую.


Вернуться наверх
 
Показать сообщения за:  Сортировать по:  Вернуться наверх
Начать новую тему Ответить на тему  [ Сообщений: 115 ]    , 2, , , ,  

Часовой пояс: UTC + 3 часа


Кто сейчас на форуме

Сейчас этот форум просматривают: Чумак и гости: 71


Вы не можете начинать темы
Вы не можете отвечать на сообщения
Вы не можете редактировать свои сообщения
Вы не можете удалять свои сообщения
Вы не можете добавлять вложения

Найти:
Перейти:  


Powered by phpBB © 2000, 2002, 2005, 2007 phpBB Group
Русская поддержка phpBB
Extended by Karma MOD © 2007—2012 m157y
Extended by Topic Tags MOD © 2012 m157y