Например TDA7294

Форум РадиоКот • Просмотр темы - Ремонт динозавра, Schneider, шасси TV-17
Форум РадиоКот
Здесь можно немножко помяукать :)

Текущее время: Пт окт 10, 2025 23:30:32

Часовой пояс: UTC + 3 часа


ПРЯМО СЕЙЧАС:



Начать новую тему Ответить на тему  [ Сообщений: 115 ]    , , , , , 6
Автор Сообщение
Не в сети
 Заголовок сообщения: Re: Ремонт динозавра, Schneider, шасси TV-17
СообщениеДобавлено: Чт июл 28, 2016 22:51:49 
Потрогал лапой паяльник
Аватар пользователя

Карма: 3
Рейтинг сообщений: 65
Зарегистрирован: Чт сен 08, 2011 11:23:46
Сообщений: 338
Рейтинг сообщения: 2
Gigavolt писал(а):
Паять всё таки научись :)) Хорошая пайка не отличима от оригинала
Да вполне нормальные у него пайки.Вот к примеру пайка авторизованного СЦ :kill:


Вложения:
jpg.jpeg [148.37 KiB]
Скачиваний: 234
Вернуться наверх
 
Не в сети
 Заголовок сообщения: Re: Ремонт динозавра, Schneider, шасси TV-17
СообщениеДобавлено: Чт июл 28, 2016 22:55:11 
Друг Кота
Аватар пользователя

Карма: 20
Рейтинг сообщений: 323
Зарегистрирован: Ср дек 05, 2007 19:39:08
Сообщений: 4450
Откуда: Мурманск
Рейтинг сообщения: 0
Ё,мне так даже бухому надо будет постараться :))) :beer:
Цитата:
Да вполне нормальные у него пайки

Как там по книжке начинающего радиолюбителя?
Отнюдь.Для вас может и нормально,я лично паяю лучше.


Вернуться наверх
 
Не в сети
 Заголовок сообщения: Re: Ремонт динозавра, Schneider, шасси TV-17
СообщениеДобавлено: Чт июл 28, 2016 23:08:59 
Потрогал лапой паяльник
Аватар пользователя

Карма: 3
Рейтинг сообщений: 65
Зарегистрирован: Чт сен 08, 2011 11:23:46
Сообщений: 338
Рейтинг сообщения: 2
Ну если человек начинающий,то не самые плохие пайки ,которые доводиться очень часто наблюдать.


Вернуться наверх
 
Не в сети
 Заголовок сообщения: Re: Ремонт динозавра, Schneider, шасси TV-17
СообщениеДобавлено: Чт июл 28, 2016 23:18:52 
Друг Кота
Аватар пользователя

Карма: 20
Рейтинг сообщений: 323
Зарегистрирован: Ср дек 05, 2007 19:39:08
Сообщений: 4450
Откуда: Мурманск
Рейтинг сообщения: 0
Полностью согласен.Только надо исключить плохую пайку из потенциальных проблем.
А если кто то ремонтировал и не сделал,то вообще весело :))) Тогда по следам смотрим где кто копался и оттуда уже судя по всему будут идти "хвосты" :)))
Вообще телек интересный,особенно если отдали с диагнозом "там только предохранитель поменять" :))) :beer:
Лично я и не такие чуда заводил :))) В умелых руках .....ну вы знаете :)))


Вернуться наверх
 
Не в сети
 Заголовок сообщения: Re: Ремонт динозавра, Schneider, шасси TV-17
СообщениеДобавлено: Чт июл 28, 2016 23:32:07 
Потрогал лапой паяльник
Аватар пользователя

Карма: 3
Рейтинг сообщений: 65
Зарегистрирован: Чт сен 08, 2011 11:23:46
Сообщений: 338
Рейтинг сообщения: 2
Чет мне кажется , чуда здесь не будет.MSPка скорее всего дохлая.


Вернуться наверх
 
Не в сети
 Заголовок сообщения: Re: Ремонт динозавра, Schneider, шасси TV-17
СообщениеДобавлено: Чт июл 28, 2016 23:38:57 
Друг Кота
Аватар пользователя

Карма: 20
Рейтинг сообщений: 323
Зарегистрирован: Ср дек 05, 2007 19:39:08
Сообщений: 4450
Откуда: Мурманск
Рейтинг сообщения: 1
Тоже так думаю.Просто авторские измышлизмы "а давайте мы сделаем" так (прищьём к гипопотаму морду слона :))) ) как то настраивают на романтический лад :)))
Аффтар-сначала проверь все простейшие неисправности,и только потом меняй.Что то хрустальный шар говорит об этом :)))


Вернуться наверх
 
Не в сети
 Заголовок сообщения: Re: Ремонт динозавра, Schneider, шасси TV-17
СообщениеДобавлено: Пт июл 29, 2016 09:12:46 
Прорезались зубы
Аватар пользователя

Зарегистрирован: Пт июл 10, 2015 18:15:18
Сообщений: 242
Рейтинг сообщения: 0
Не, ребятки, соплей нету, всё чисто

Сверлил осциллографом сигналы:

Громкость выкручена везде на максимум

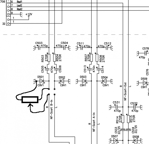
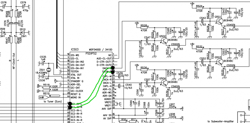
Сигнал тюнера выходит с 25, 24 ног MSP на Q502, Q501 и на усилок
1.5 В постоянки, амплитуда сигнала где-то 2.8-3 В

Переключаю на скарт, подрубаю ресивер

На входе 40, 39 ног MSP приходит сигнал:
3.7 В постоянки, амплитуда сигнала приблизительно 4 В

А на выходе присутствует только 2.8 постоянки

И всё

Как поступить? С расчётом того, чтобы подать сигнал напрямую к усилку :roll:
----------
А, вот забыл померить сигнал после Q502, Q501
Чуть позже...
----------

Чёт не пойму, а откуда берётся постоянка на входе? Конденсаторы ж, вроде, не должны пропускать :dont_know:
----------

О, после Q502 и выходного конденсатора C550 сигнал уже без постоянки, аплитуда около 2.5 В
Q501 - аналогично
----------

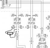
Ну так как, прокатит такой вариант или надо ещё что-то сделать:
Изображение

Правда усилок мощный, если слетит громкость на ресивере, то будет хороший бабах по ушам :))) Особенно ночью

Надо бы притушить как-то входной сигнал
----------

У меня есть СП-3-122 на 50 кОм сдвоенный

Вот так пойдёт?
Изображение

:)))
---------

Только вот, не будет ли проблемы, если рес будет включен и вдруг переключат на ТВ, не случится ли чего

Всё-таки склоняюсь, что Q502, Q501 от MCP надо отключить


Вернуться наверх
 
Не в сети
 Заголовок сообщения: Re: Ремонт динозавра, Schneider, шасси TV-17
СообщениеДобавлено: Пт июл 29, 2016 17:19:34 
Прорезались зубы
Аватар пользователя

Зарегистрирован: Пт июл 10, 2015 18:15:18
Сообщений: 242
Рейтинг сообщения: 0
Всё, сделал звук от скарта напрямую, как планировал

И даже сохранил звук с тюнера, путём установки сдвоенного тумблера :)))

Всё работает! :beer:

Всем спасибо за помощь!

Вентиляторы тоже установил - всё дует, всё холодное :beer:


Вернуться наверх
 
Не в сети
 Заголовок сообщения: Re: Ремонт динозавра, Schneider, шасси TV-17
СообщениеДобавлено: Вс июл 31, 2016 13:05:29 
Прорезались зубы
Аватар пользователя

Зарегистрирован: Пт июл 10, 2015 18:15:18
Сообщений: 242
Рейтинг сообщения: 0
Ну чё, ребятки :)))

Я знал, что этим не отделаюсь

В общем-то всё было нормально, а сегодня откуда-то вылез что-то типа белого шума
Я думал наводки от тумблера и потенциометра - выпаял всё, кинул чисто напрямую - шум усилился

Шумит как старый аналоговый телек советский, когда вручную настраиваешь программу :))) Вот такой шум, шипение такое

Чё делать - ума не приложу :dont_know:

Впервый раз, когда включали, было всё норм, не знаю, может шум был меньше и просто не заметили :dont_know:

А звук из тюнера (тюнера ТВ), кстати, нормальный :dont_know:
----------

Ничё не понимаю, включил плату у себя,
Подал сигнал 1 кГц синус - на выходе чистота по осциллографу

Что за полтергейсты :shock:

Там, где был включен ресивер - там у них ещё три телека. Я проверял на 2-х ресиверах, антенну отстёгивал - он всё-равно шумел
А у меня всё нормально :facepalm:
----------

Единственно что, клиппинг на выходе возникает при подаче сигнала больше 0.8 В амплитуды
А тогда, с ресивера, я намерил аж 4 В, но это не по синусу, а по звуковому сигналу воспроизводимого файла с флешки.

Может надо просто сделать делитель напряжения из резисторов... Так почему тогда переменник толку не дал. 50 кОм же
----------

Усилок тут на TDA7495 всё-таки, а у неё вроде как есть электронная регулировка громкости. Интересно, надо попробовать


Вернуться наверх
 
Не в сети
 Заголовок сообщения: Re: Ремонт динозавра, Schneider, шасси TV-17
СообщениеДобавлено: Вс июл 31, 2016 19:13:31 
Прорезались зубы
Аватар пользователя

Зарегистрирован: Пт июл 10, 2015 18:15:18
Сообщений: 242
Рейтинг сообщения: 0
По ходу, я попал в тот самый "бермудский треугольник"
Та же самая ситуация, что и с магнитолой

Вот тема моя:
http://radiokot.ru/forum/viewtopic.php?p=2525589#p2525589

И дальше по сообщениям

Мне так и не удалось избавиться от шума магнитолы на TDA от импульсного БП

Так и тут - та же история. Когда подрубился напрямую к TDA - начались проблемы


Вернуться наверх
 
Не в сети
 Заголовок сообщения: Re: Ремонт динозавра, Schneider, шасси TV-17
СообщениеДобавлено: Пн авг 01, 2016 10:24:58 
Прорезались зубы
Аватар пользователя

Зарегистрирован: Пт июл 10, 2015 18:15:18
Сообщений: 242
Рейтинг сообщения: 0
Почему-то с делителем напряжения нижнее плечо синуса становится почти прямоугольным :dont_know:

Та же картина, если просто кинуть 10 кОм резистор с сигнала на землю

Поставил 10 кОм резюк сразу на входе - нижнее плечё стало нормальным, но верхнее плечо отличается от нижнего

Что если убрать всю эту входную обвязку из стабилитронов, кондёров и резисторов?

По ходу, образуется какой-то фильтр и обрезает частоты

Кинул чисто делитель 1 кОм - 220 Ом до всех фильтров, среднюю точку никуда не подключал, щупаю осцилографом - видно что появился какой-то шум. Синус дёргается :dont_know: Ничё не понимаю

А вот 10 кОм - 10 кОм - синус норм. Знач надо больше брать номинал для делителя
Сейчас попробую


Вернуться наверх
 
Не в сети
 Заголовок сообщения: Re: Ремонт динозавра, Schneider, шасси TV-17
СообщениеДобавлено: Вт авг 02, 2016 00:48:24 
Друг Кота
Аватар пользователя

Карма: 20
Рейтинг сообщений: 323
Зарегистрирован: Ср дек 05, 2007 19:39:08
Сообщений: 4450
Откуда: Мурманск
Рейтинг сообщения: 0
Цитата:
По ходу, образуется какой-то фильтр и обрезает частоты

Всё верно,только режет он далеко за пределом слышимости,а всякое говно наводимое на кабель обрезает,так что удалять его из схемы не советую.
Цитата:
Кинул чисто делитель 1 кОм - 220 Ом до всех фильтров, среднюю точку никуда не подключал, щупаю осцилографом - видно что появился какой-то шум. Синус дёргается :dont_know: Ничё не понимаю

Землю куда подключил? Если "грязная" земля то естественно будет на средней точке делителя чёрт те что :))) Да и на кабель наведётся,если
Цитата:
убрать всю эту входную обвязку из стабилитронов, кондёров и резисторов

Стабилитроны здесь-это "защита от дурака" ,дергающего кабели "на горячую" ,остальное ФНЧ


Вернуться наверх
 
Не в сети
 Заголовок сообщения: Re: Ремонт динозавра, Schneider, шасси TV-17
СообщениеДобавлено: Вт авг 02, 2016 20:27:41 
Прорезались зубы
Аватар пользователя

Зарегистрирован: Пт июл 10, 2015 18:15:18
Сообщений: 242
Рейтинг сообщения: 0
Всё нормально

Убрал R503,R504
Подключил делители сразу на входе 39 кОм, а на землю 9.1 кОм. Среднюю точку кинул заместо R503,R504. Амплитуда не превышает 0.8 В, усилитель играет чисто, без клиппинга
И ещё добавил переменник 50 кОм на третью ногу TDA7495 по даташиту. Это у неё электронная регулировка громкости

А про шумы на синусе - это, оказывается, у меня осциллограф ломается (С1-83). Глючит его, когда прогреется

Сегодня гонял и с компа музыку, и с ресивера - всё чисто. Но это у меня. А как потащу до соседа, то у него там вечно какие-то проблемы из неоткуда вылазят :)))


Вернуться наверх
 
Не в сети
 Заголовок сообщения: Re: Ремонт динозавра, Schneider, шасси TV-17
СообщениеДобавлено: Ср авг 03, 2016 02:19:51 
Друг Кота
Аватар пользователя

Карма: 20
Рейтинг сообщений: 323
Зарегистрирован: Ср дек 05, 2007 19:39:08
Сообщений: 4450
Откуда: Мурманск
Рейтинг сообщения: 0
Ну,да,аномальная зона :))) Я бы тоже на это откосил :))) :beer:
Когда разумного объяснения нет :))) А телек то шуметь перестал? А то понимаешь ли,принесёшь новый осцилл,а он,телек,гад как шумел так и шумит...И на осциллограмме нет криминала...Как я понял,шалит верой и правдой служивший осциллограф :))) Это он сцуко,врёт ! :) Да,надо проверить на новом :))) .Чудес на белом свете нет,в деда мороза все верили до лет пяти,но счас то в плохую ауру,сглаз,некроз,психоз :))) :beer: пля фантазия закончилась :beer: сам то веришь ?
Цитата:
Сегодня гонял и с компа музыку, и с ресивера - всё чисто. Но это у меня. А как потащу до соседа, то у него там вечно какие-то проблемы из неоткуда вылазят

Полтергейст.Может исчо его госорганы облучают неведомыми излучениями,надо спасаться,шапочкой из фольги.


Вернуться наверх
 
Не в сети
 Заголовок сообщения: Re: Ремонт динозавра, Schneider, шасси TV-17
СообщениеДобавлено: Ср авг 03, 2016 16:49:20 
Прорезались зубы
Аватар пользователя

Зарегистрирован: Пт июл 10, 2015 18:15:18
Сообщений: 242
Рейтинг сообщения: 0
Не, не :)))
На холодную осцил показывает чистоту, и по звуку тоже всё чисто
Его штормит, когда прогреется. Кроме шума, уходит и яркость луча (это, вроде как, импульсный транс у него виноват)

Цитата:
.Чудес на белом свете нет,в деда мороза все верили до лет пяти,но счас то в плохую ауру,сглаз,некроз,психоз :))) :beer: пля фантазия закончилась :beer: сам то веришь ?


Ну а как ты объяснишь то, что магнитола та у меня играет чисто, а у него шум 50 Гц. Вот почитай темку. Я все способы перепробовал. И две магнитолы :dont_know:

Ну это уже офтоп какой-то


Вернуться наверх
 
Показать сообщения за:  Сортировать по:  Вернуться наверх
Начать новую тему Ответить на тему  [ Сообщений: 115 ]    , , , , , 6

Часовой пояс: UTC + 3 часа


Кто сейчас на форуме

Сейчас этот форум просматривают: нет зарегистрированных пользователей и гости: 31


Вы не можете начинать темы
Вы не можете отвечать на сообщения
Вы не можете редактировать свои сообщения
Вы не можете удалять свои сообщения
Вы не можете добавлять вложения

Найти:
Перейти:  


Powered by phpBB © 2000, 2002, 2005, 2007 phpBB Group
Русская поддержка phpBB
Extended by Karma MOD © 2007—2012 m157y
Extended by Topic Tags MOD © 2012 m157y