Например TDA7294

Форум РадиоКот • Просмотр темы - Sony CFS-W445S.Нет звука.
Форум РадиоКот
Здесь можно немножко помяукать :)

Текущее время: Ср фев 25, 2026 03:48:54

Часовой пояс: UTC + 3 часа


ПРЯМО СЕЙЧАС:



Начать новую тему Ответить на тему  [ Сообщений: 32 ]    , 2
Автор Сообщение
 Заголовок сообщения: Re: Sony CFS-W445S.Нет звука.
СообщениеДобавлено: Вс янв 18, 2026 14:51:43 
Родился

Зарегистрирован: Пт янв 09, 2026 14:29:57
Сообщений: 10
Рейтинг сообщения: 0
OlegO, Мерил напряжение на Q300 на средней ноге нет(звонится с 5 ногой унч) на крайних есть, наQ303 нна средней есть на крайних нет.


Вернуться наверх
 
 Заголовок сообщения: Re: Sony CFS-W445S.Нет звука.
СообщениеДобавлено: Вс янв 18, 2026 17:59:36 
Друг Кота
Аватар пользователя

Карма: 107
Рейтинг сообщений: 3331
Зарегистрирован: Сб фев 11, 2017 15:59:13
Сообщений: 14937
Откуда: 57 RUS
Рейтинг сообщения: 0
На 8й ноге LA4597 должно быть напряжение питания 9V. На 5й напряжение управления 9V.

Линейный стабилизатор на Q304 смотрите, какие напряжения на нём? На эмиттере должно быть 6V, на коллекторе 9V.

_________________
НАРОДОВЛАСТИЕ а не кланово-олигархическая дерьмократия!!!
Цифровому рабству, навязываемому цифровым олигархатом - НЕТ!


Вернуться наверх
 
 Заголовок сообщения: Re: Sony CFS-W445S.Нет звука.
СообщениеДобавлено: Пн янв 19, 2026 06:11:26 
Электрический кот
Аватар пользователя

Карма: 7
Рейтинг сообщений: 38
Зарегистрирован: Ср дек 11, 2019 12:13:29
Сообщений: 1070
Откуда: Север М.О.
Рейтинг сообщения: 0
OlegO, Мерил напряжение на Q300 на средней ноге нет(звонится с 5 ногой унч) на крайних есть, наQ303 нна средней есть на крайних нет.

А с чего там напряжение появится?
Я уже всё написал.
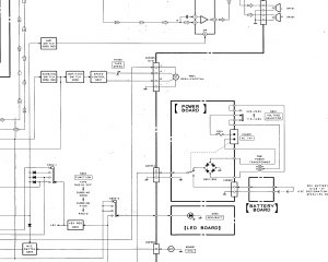
Вот блок схема аппарата
Изображение

Пока не будет нормально работать переключатель S302-1 - можно мерить всё что угодно, так, для своего удовольствия....


Вернуться наверх
 
 Заголовок сообщения: Re: Sony CFS-W445S.Нет звука.
СообщениеДобавлено: Вт янв 20, 2026 13:39:30 
Родился

Зарегистрирован: Пт янв 09, 2026 14:29:57
Сообщений: 10
Рейтинг сообщения: 0
OlegO, Ну вот померил(для своего удовольствия. Сначала прозвонил переключатель, все нормально. Затем Q300 в режиме переключателя на FM, на эмитере и базе по 9v.на коллекторе 0(5ноге унч), при переключении переключателя ноль везде. Наверное надо выкинуть аппарат, хотя у меня сомнение в Q300.Спасибо за беспокойство.


Вернуться наверх
 
Эиком - электронные компоненты и радиодетали
 Заголовок сообщения: Re: Sony CFS-W445S.Нет звука.
СообщениеДобавлено: Вт янв 20, 2026 14:03:11 
Электрический кот
Аватар пользователя

Карма: 7
Рейтинг сообщений: 38
Зарегистрирован: Ср дек 11, 2019 12:13:29
Сообщений: 1070
Откуда: Север М.О.
Рейтинг сообщения: 0
Изображение
Если трудно разобраться с 2 транзисторами - выпаять их и выкинуть,
замкнуть на микросхеме ногу 5 и 8 - он будет работать всегда и не выключаться переключателем ( вилкой из сети сойдёт)
А дальше видно будет.


Вернуться наверх
 
 Заголовок сообщения: Re: Sony CFS-W445S.Нет звука.
СообщениеДобавлено: Вт янв 20, 2026 14:36:39 
Опытный кот

Карма: -4
Рейтинг сообщений: 101
Зарегистрирован: Ср янв 02, 2013 21:32:54
Сообщений: 893
Рейтинг сообщения: 0
Alex. B писал(а):
Наверное надо выкинуть аппарат

В 73 человек или уже знает и умеет много и ему форум без надобности.
Или ничему по теме так и не научился. И форум бесполезен.


Вернуться наверх
 
 Заголовок сообщения: Re: Sony CFS-W445S.Нет звука.
СообщениеДобавлено: Пт янв 23, 2026 11:54:50 
Родился

Зарегистрирован: Пт янв 09, 2026 14:29:57
Сообщений: 10
Рейтинг сообщения: 0
Croma, По теме, говоришь,. Ну что тебе сказать? По ЭТОЙ теме может быть. Но говорить о человеке такую ху... По крайней мере наглость. Кстати у меня весь дом на автоматике, которую сам разрабатывал и сам внедрял. Я исхожу из того, что я знаю лучше многих в одной теме, ты знаешь лучше в другой теме.А форум это как раз для того, что бы поделиться опытом.


Вернуться наверх
 
 Заголовок сообщения: Re: Sony CFS-W445S.Нет звука.
СообщениеДобавлено: Пт янв 23, 2026 12:04:54 
Опытный кот

Карма: -4
Рейтинг сообщений: 101
Зарегистрирован: Ср янв 02, 2013 21:32:54
Сообщений: 893
Рейтинг сообщения: 0
Alex. B писал(а):
Но говорить о человеке такую ху... По крайней мере наглость.

Это ху.. оказалась выше понимания.
Alex. B писал(а):
А форум это как раз для того, что бы поделиться опытом.

Вот я и поделился. :)

Alex. B писал(а):
Кстати у меня весь дом на автоматике

Кстати к чему?
Кстати.
Мне жить в электронном шкафчике не нравиться.


Вернуться наверх
 
 Заголовок сообщения: Re: Sony CFS-W445S.Нет звука.
СообщениеДобавлено: Пт янв 23, 2026 18:44:05 
Родился

Зарегистрирован: Пт янв 09, 2026 14:29:57
Сообщений: 10
Рейтинг сообщения: 0
Croma, Ну да, тебе нравится зайти в дом и почувствовать, что кажется зашёл в баню, или открывать, например, трехметровый люк на второй этаж в ручную, да многое что тебе не понравилось бы.


Вернуться наверх
 
 Заголовок сообщения: Re: Sony CFS-W445S.Нет звука.
СообщениеДобавлено: Сб янв 24, 2026 07:13:29 
Опытный кот

Карма: -4
Рейтинг сообщений: 101
Зарегистрирован: Ср янв 02, 2013 21:32:54
Сообщений: 893
Рейтинг сообщения: 0
Да мне до твоей бани с люком дела нет.
Соответственно и от достижений банщика мне ни тепло ни холодно.


Вернуться наверх
 
 Заголовок сообщения: Re: Sony CFS-W445S.Нет звука.
СообщениеДобавлено: Сб фев 14, 2026 22:18:36 
Родился

Зарегистрирован: Пт янв 09, 2026 14:29:57
Сообщений: 10
Рейтинг сообщения: 0
Croma, Я думал ты нормальный человек, а ты... так себе,нечто,с завышенной самооценкой,..


Вернуться наверх
 
 Заголовок сообщения: Re: Sony CFS-W445S.Нет звука.
СообщениеДобавлено: Вс фев 15, 2026 05:00:32 
Опытный кот

Карма: -4
Рейтинг сообщений: 101
Зарегистрирован: Ср янв 02, 2013 21:32:54
Сообщений: 893
Рейтинг сообщения: 0
Умственно не побираюсь.
Значит с самооценкой у меня порядок.

Эти "оценщики" много о себе мнят.
Потому мнения "оценщиков" ничего не значат.
Но "оценщикам" неймется.
Все оценивают и оценивают, сами не знают зачем.

И в конце концов.
«Я не червонец, чтобы всем нравиться», — заявлял великий русский писатель Иван Бунин.


Вернуться наверх
 
Показать сообщения за:  Сортировать по:  Вернуться наверх
Начать новую тему Ответить на тему  [ Сообщений: 32 ]    , 2

Часовой пояс: UTC + 3 часа


Вы не можете начинать темы
Вы не можете отвечать на сообщения
Вы не можете редактировать свои сообщения
Вы не можете удалять свои сообщения
Вы не можете добавлять вложения

Найти:
Перейти:  


Powered by phpBB © 2000, 2002, 2005, 2007 phpBB Group
Русская поддержка phpBB
Extended by Karma MOD © 2007—2012 m157y
Extended by Topic Tags MOD © 2012 m157y