Например TDA7294

Форум РадиоКот • Просмотр темы - Усилитель Бриг, 3 - ревизия
Форум РадиоКот
Здесь можно немножко помяукать :)

Текущее время: Ср дек 10, 2025 23:24:32

Часовой пояс: UTC + 3 часа


ПРЯМО СЕЙЧАС:



Начать новую тему Ответить на тему  [ Сообщений: 7 ] 
Автор Сообщение
Не в сети
 Заголовок сообщения: Усилитель Бриг, 3 - ревизия
СообщениеДобавлено: Вт апр 22, 2025 05:27:29 
Родился

Зарегистрирован: Вт апр 22, 2025 05:11:21
Сообщений: 2
Рейтинг сообщения: 0
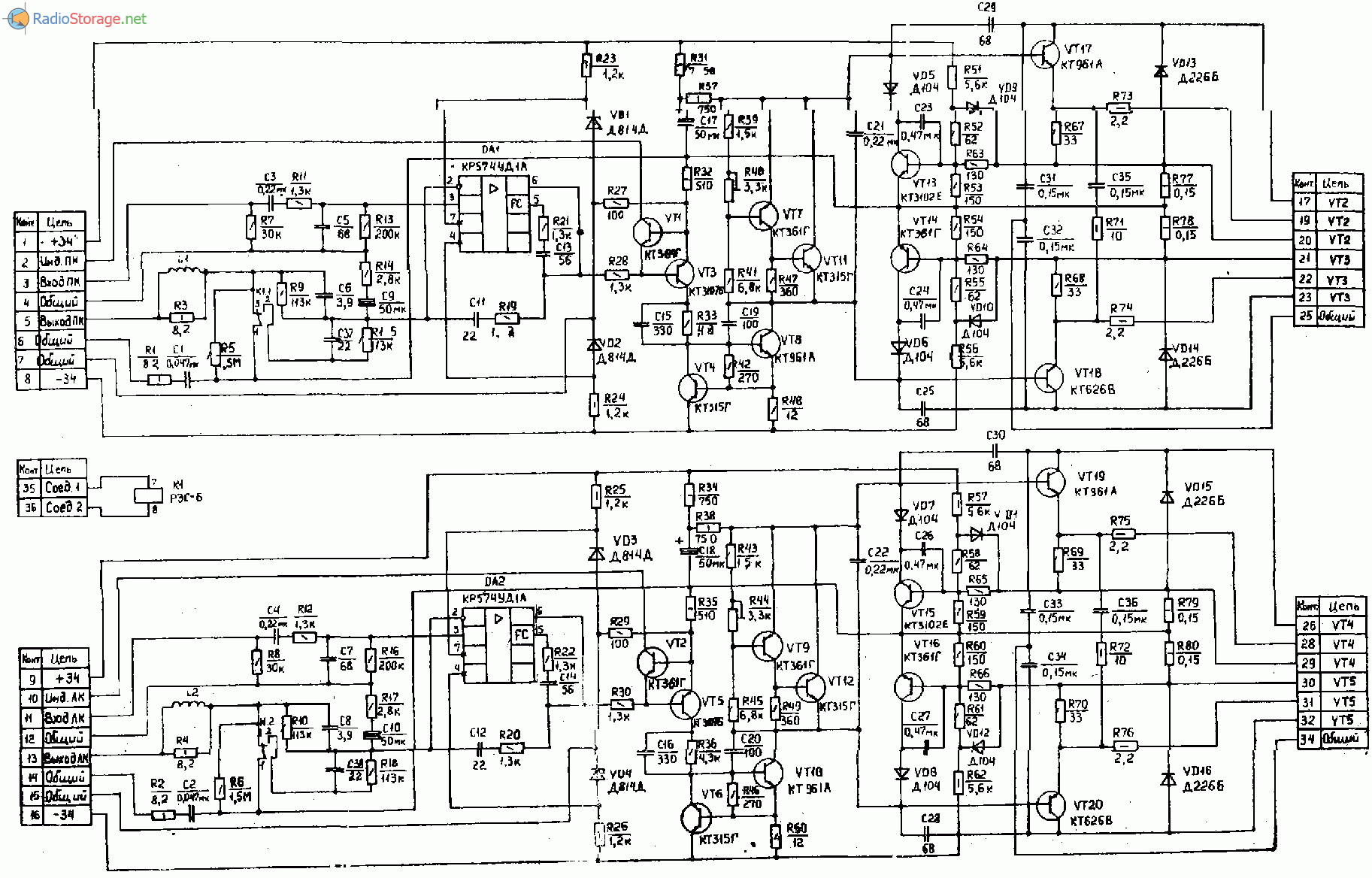
Добрый время суток уважаемый друзя. Помогите ремонтом брига 3 - ревизие пожалуйста.
В усилителе одит канал работает плохо работает. Померил тестером, на выходе на 1 - канал 0.20мв, 2 - канале 0.37мв.

Проверил все транзисторе, все селый. Куда копат не знаю.
Помогите пожалуйста.


Вложения:
6627347d20da9263ef95ded3decf9dee.png [78.77 KiB]
Скачиваний: 43
Вернуться наверх
 
Не в сети
 Заголовок сообщения: Re: Усилитель Бриг, 3 - ревизия
СообщениеДобавлено: Вт апр 22, 2025 07:09:16 
Друг Кота
Аватар пользователя

Карма: 107
Рейтинг сообщений: 3801
Зарегистрирован: Пн фев 09, 2009 22:19:49
Сообщений: 24265
Откуда: Когда-то был прекрасный город для людей
Рейтинг сообщения: 0
Ну, для начала попробуй колонки местами поменять.

Это то, что можно без приборов сделать.


Вернуться наверх
 
Не в сети
 Заголовок сообщения: Re: Усилитель Бриг, 3 - ревизия
СообщениеДобавлено: Вт апр 22, 2025 08:16:38 
Родился

Зарегистрирован: Вт апр 22, 2025 05:11:21
Сообщений: 2
Рейтинг сообщения: 0
Спасибо за ответ. Но я без колонок мерил с тестером.


Вернуться наверх
 
Не в сети
 Заголовок сообщения: Re: Усилитель Бриг, 3 - ревизия
СообщениеДобавлено: Вт апр 22, 2025 08:21:00 
Собутыльник Кота
Аватар пользователя

Карма: 6
Рейтинг сообщений: 234
Зарегистрирован: Сб окт 16, 2010 12:20:55
Сообщений: 2609
Откуда: Саратовская обл.
Рейтинг сообщения: 0
Сверяй режимы с исправным каналом

_________________
Если кажется, что работу сделать легко, это непременно будет трудно.


Вернуться наверх
 
Эиком - электронные компоненты и радиодетали
Не в сети
 Заголовок сообщения: Re: Усилитель Бриг, 3 - ревизия
СообщениеДобавлено: Вт апр 22, 2025 08:29:10 
Друг Кота
Аватар пользователя

Карма: 107
Рейтинг сообщений: 3801
Зарегистрирован: Пн фев 09, 2009 22:19:49
Сообщений: 24265
Откуда: Когда-то был прекрасный город для людей
Рейтинг сообщения: 0
Если усилитель работает, но только звук "барахлит", то тестер в очень редких случаях помогает. Тут осциллограф нужен.


Вернуться наверх
 
В сети
 Заголовок сообщения: Re: Усилитель Бриг, 3 - ревизия
СообщениеДобавлено: Вт апр 22, 2025 10:11:52 
Друг Кота
Аватар пользователя

Карма: 90
Рейтинг сообщений: 1502
Зарегистрирован: Вт сен 06, 2011 20:49:28
Сообщений: 26550
Откуда: оттуда
Рейтинг сообщения: 0
Спасибо за ответ. Но я без колонок мерил с тестером.

Относительно чего? Вообще 0.20мв, и 0.37мв. такая мелочь, о которой не стоит и говорить, можно сказать идеальные показания. А что значит "плохо работает"?

_________________
- Русским человеком может быть только тот, у кого чего-нибудь нет, но не так нет, чтобы обязательно было, а нет — и хрен с ним.
"Русский человек может жить как в одну сторону, так и в другую. И в обоих случаях останется цел" А. Платонов


Вернуться наверх
 
Не в сети
 Заголовок сообщения: Re: Усилитель Бриг, 3 - ревизия
СообщениеДобавлено: Вт апр 22, 2025 12:06:23 
Друг Кота
Аватар пользователя

Карма: 127
Рейтинг сообщений: 6124
Зарегистрирован: Вс дек 25, 2011 18:43:00
Сообщений: 24323
Откуда: г.Москва
Рейтинг сообщения: 0
odil6666 писал(а):
Но я без колонок мерил с тестером.

..а слушать тоже тестером будешь, без колонок..?.. :)))

..мастеру неси - пока не доломал совсем.. :tea:


Вернуться наверх
 
Показать сообщения за:  Сортировать по:  Вернуться наверх
Начать новую тему Ответить на тему  [ Сообщений: 7 ] 

Часовой пояс: UTC + 3 часа


Кто сейчас на форуме

Сейчас этот форум просматривают: Google [Bot] и гости: 28


Вы не можете начинать темы
Вы не можете отвечать на сообщения
Вы не можете редактировать свои сообщения
Вы не можете удалять свои сообщения
Вы не можете добавлять вложения

Найти:
Перейти:  


Powered by phpBB © 2000, 2002, 2005, 2007 phpBB Group
Русская поддержка phpBB
Extended by Karma MOD © 2007—2012 m157y
Extended by Topic Tags MOD © 2012 m157y