Например TDA7294

Форум РадиоКот • Просмотр темы - Автоматический ночник в ванную
Форум РадиоКот
Здесь можно немножко помяукать :)

Текущее время: Пт янв 02, 2026 20:58:33

Часовой пояс: UTC + 3 часа


ПРЯМО СЕЙЧАС:



Начать новую тему Ответить на тему  [ Сообщений: 47 ]  1, ,  
Автор Сообщение
Не в сети
 Заголовок сообщения: Автоматический ночник в ванную
СообщениеДобавлено: Чт фев 11, 2016 11:25:30 
Прорезались зубы

Карма: -1
Рейтинг сообщений: -37
Зарегистрирован: Чт фев 11, 2016 11:20:23
Сообщений: 223
Откуда: Мск
Рейтинг сообщения: 0
Дорогие друзья и мастера, помогите в простой задаче, нужно сделать ночник в ванную, чтобы он светил ночью светодиодами от батарейки 3.8В.
Цель - слабый свет чтобы не включать основных ламп и не слепнуть.
1.Можно на датчике движения но толковых схем не нашел а точнее самого датчика движения не нашел, в яндексе вылазиет готовый датчик из икеи.
Вариант из компьютерной мышки достать датчик но тут тоже нет толковых схем.
Еще есть от старой магнитолы ИК приемник (магнитола была с пультом)
2. На фоторезисторе, имеется простой 2Мом темновой и 1кОм светового сопротивления. схемы на 220В а мне это не нужно надо всего то 3.8В
есть две схемы, но в первой:
http://cxem.net/hous...se/1-270.php - ошибка в коллекторе и базе - они перепутаны и она не работает даже после замены точнее горит но не реагирует на фоторезистор, а вторая:
http://cxem.net/house/1-315.php расчитана на 220В требует реле и прочих сложностей.

3. На кнопке с задержкой времени. Т.е. контакт на дверь и контакт на косяк при движени двери замыкание - включение света и через 3-5 минут отключение но как такое организовать вообще не знаю, вероятно через конденсаторы но я этим занимался в 7-ом классе сейчас не знаю что делать.
Надеюсь на ваше понимание и отзывчивость, заранее Спасибо.


Вернуться наверх
 
Не в сети
 Заголовок сообщения: Re: Автоматический ночник в ванную
СообщениеДобавлено: Чт фев 11, 2016 13:03:39 
Мудрый кот
Аватар пользователя

Карма: 22
Рейтинг сообщений: 275
Зарегистрирован: Ср май 26, 2010 14:41:09
Сообщений: 1741
Рейтинг сообщения: 1
http://www.sdelaysam-svoimirukami.ru/157-svetodiod_sam_vkljuchaetsja_v_temnote.html

_________________
Философская мудрость века настоящего, становится всеобщим здравым смыслом века последующего.


Вернуться наверх
 
Не в сети
 Заголовок сообщения: Re: Автоматический ночник в ванную
СообщениеДобавлено: Чт фев 11, 2016 13:08:06 
Опытный кот

Карма: 9
Рейтинг сообщений: 340
Зарегистрирован: Ср май 06, 2015 06:41:27
Сообщений: 806
Откуда: Благовещенск
Рейтинг сообщения: 0
Меня тоже посещала такая идея, но мне не нравятся датчики движения. План был такой:
установить параллельно лампе освещения маленький трансформатор и заряжать от него аккумулятор пока включен свет. На аккумулятор повесить несколько зелёных светодиодиков и никогда их не отключать.

Но руки не дошли пока сделать.


Вернуться наверх
 
Не в сети
 Заголовок сообщения: Re: Автоматический ночник в ванную
СообщениеДобавлено: Чт фев 11, 2016 13:29:59 
Друг Кота

Карма: 68
Рейтинг сообщений: 1408
Зарегистрирован: Сб янв 29, 2011 00:28:48
Сообщений: 7774
Рейтинг сообщения: 0
viewtopic.php?f=11&t=33923


Вернуться наверх
 
Эиком - электронные компоненты и радиодетали
Не в сети
 Заголовок сообщения: Re: Автоматический ночник в ванную
СообщениеДобавлено: Чт фев 11, 2016 19:23:30 
Прорезались зубы

Карма: -1
Рейтинг сообщений: -37
Зарегистрирован: Чт фев 11, 2016 11:20:23
Сообщений: 223
Откуда: Мск
Рейтинг сообщения: 0
_RUS73_ писал(а):

Надо мощнее. и каким можно заменить? подойдет ли транзистор кт301б 602б или МП40-42 П42?


Вернуться наверх
 
Не в сети
 Заголовок сообщения: Re: Автоматический ночник в ванную
СообщениеДобавлено: Чт фев 11, 2016 19:36:57 
Прорезались зубы

Карма: -1
Рейтинг сообщений: -37
Зарегистрирован: Чт фев 11, 2016 11:20:23
Сообщений: 223
Откуда: Мск
Рейтинг сообщения: 0
Enman писал(а):
http://radiokot.ru/forum/viewtopic.php?f=11&t=33923

При чем тут диод к 220В мне не это нужно, мне надо его автономное включение и отключение


Вернуться наверх
 
Не в сети
 Заголовок сообщения: Re: Автоматический ночник в ванную
СообщениеДобавлено: Чт фев 11, 2016 19:37:56 
Прорезались зубы

Карма: -1
Рейтинг сообщений: -37
Зарегистрирован: Чт фев 11, 2016 11:20:23
Сообщений: 223
Откуда: Мск
Рейтинг сообщения: 0
Андрей СШ писал(а):
Меня тоже посещала такая идея, но мне не нравятся датчики движения. План был такой:
установить параллельно лампе освещения маленький трансформатор и заряжать от него аккумулятор пока включен свет. На аккумулятор повесить несколько зелёных светодиодиков и никогда их не отключать.

Но руки не дошли пока сделать.

Вот я и думаю больше к датчику освещения, т.е. чтоб сам в темное время начинал светить)


Вернуться наверх
 
Не в сети
 Заголовок сообщения: Re: Автоматический ночник в ванную
СообщениеДобавлено: Чт фев 11, 2016 21:11:07 
Друг Кота

Карма: 68
Рейтинг сообщений: 1408
Зарегистрирован: Сб янв 29, 2011 00:28:48
Сообщений: 7774
Рейтинг сообщения: 2
bortnik27 писал(а):
При чем тут диод к 220В мне не это нужно

При наборе диодов на 1 Вт мощности (есть и готовые поддельные лампочки (типа 5W-2$), которые легко поддаются переделке в нормальные долговечные) : и свет есть, и выключать не надо, т.к. автовыключатель может брать в дежурном режиме такую же мощность...А диодам в режиме запаса по току и 10 лет ничего не сделается...


Вернуться наверх
 
Не в сети
 Заголовок сообщения: Re: Автоматический ночник в ванную
СообщениеДобавлено: Пт фев 12, 2016 01:07:50 
Друг Кота
Аватар пользователя

Карма: 58
Рейтинг сообщений: 422
Зарегистрирован: Чт мар 20, 2008 01:06:40
Сообщений: 3403
Откуда: Севастополь
Рейтинг сообщения: 2
bortnik27 писал(а):
Дорогие друзья и мастера...

А точно есть смысл ТАК заморачиваться ?

Не проще ли запитать пару белых светодиодов на постоянку от сети током в пару-тройку мА ?
Гарантирую, их света вполне хватает для того, чтоб спросонья не промахнуться мимо унитаза.
А потребляемая мощность такова, что они, горя постоянно месяцами/годами, будут жрать гораздо меньше, чем тот же самый датчик движения.

PS
Чтоб далеко не ходить, сходил... в туалет. С фотиком.
Два штатных светодиода в потолке кабинки запитаны током меньше миллиампера (12вольт питание у кабинки, резисторы на светодиоды поставил по 6,8 кОм).

Изображение Изображение

_________________
>(*.*)<
Котище огромно, ушасто, пушисто, глазасто, зубасто, колючелапо и мявай. (c)


Вернуться наверх
 
Не в сети
 Заголовок сообщения: Re: Автоматический ночник в ванную
СообщениеДобавлено: Пт фев 12, 2016 18:33:29 
Нашел транзистор. Понюхал.

Зарегистрирован: Сб фев 02, 2013 10:34:39
Сообщений: 193
Рейтинг сообщения: 0
+1 у меня тоже светодиоды постоянно светятся, питаются от розетки


Вернуться наверх
 
Не в сети
 Заголовок сообщения: Re: Автоматический ночник в ванную
СообщениеДобавлено: Пт фев 12, 2016 20:03:14 
Прорезались зубы

Карма: -1
Рейтинг сообщений: -37
Зарегистрирован: Чт фев 11, 2016 11:20:23
Сообщений: 223
Откуда: Мск
Рейтинг сообщения: 0
abc писал(а):
bortnik27 писал(а):
Дорогие друзья и мастера...

А точно есть смысл ТАК заморачиваться ?

Не проще ли запитать пару белых светодиодов на постоянку от сети током в пару-тройку мА ?
котМатроскин писал(а):
+1 у меня тоже светодиоды постоянно светятся, питаются от розетки

Хмм.. а сколько они будут потреблять и сколько они прослужат?


Вернуться наверх
 
Не в сети
 Заголовок сообщения: Re: Автоматический ночник в ванную
СообщениеДобавлено: Пт фев 12, 2016 20:20:51 
Друг Кота
Аватар пользователя

Карма: 4
Рейтинг сообщений: 337
Зарегистрирован: Ср мар 31, 2010 09:33:22
Сообщений: 4776
Откуда: Владивосток
Рейтинг сообщения: 0
Ну пожалуй самые мелкие суперяркие СД потребляют 20 ма , значит 2 шт будут кушать 40 ма .
Если поставить конденсаторный драйвер с защитой от бросков тока - будут служить годами :)
Хотя при таком токе можно и совместить с датчиком движения с таймером , поставив несколько мелких СД нескольких цветов

_________________
«Когда у общества нет цветовой дифференциации штанов, то нет цели!»

- Позвольте-с вас спросить, почему от вас так отвратительно пахнет?
- Ну, что ж, пахнет... известно. По специальности. Вчера котов душили, душили. (с)


Вернуться наверх
 
Не в сети
 Заголовок сообщения: Re: Автоматический ночник в ванную
СообщениеДобавлено: Пт фев 12, 2016 20:28:01 
Друг Кота
Аватар пользователя

Карма: 197
Рейтинг сообщений: 8601
Зарегистрирован: Пн ноя 30, 2009 03:00:01
Сообщений: 43186
Откуда: Нерезиновая
Рейтинг сообщения: 0
bortnik27 писал(а):
abc писал(а):
Не проще ли запитать пару белых светодиодов на постоянку от сети током в пару-тройку мА ?
сколько они будут потреблять и сколько они прослужат?

Потреблять они будут- в зависимости от того, по какой схеме вы их подключите, может быть и 0,5~1 ватт, а то и меньше, прослужат - ВЕЧНО :))) :))) У меня дома в качестве "ночной подсветки" стоят три светодиодные лампочки по 1 ватту- все три потребляют за месяц 2160 ватт~ 11 рублей в месяц..
Самое интересное, что одноваттная лампочка светится (с примерно в три раза меньшей яркостью) даже через неонку в выключателе..
Вложение:
IMG_0503.JPG [107.93 KiB]
Скачиваний: 604

Проверял потребление китайским ваттметром-
СпойлерИзображение
потребление соответствует, или немного меньше заявленного..


Вернуться наверх
 
Не в сети
 Заголовок сообщения: Re: Автоматический ночник в ванную
СообщениеДобавлено: Пт фев 12, 2016 20:58:09 
Друг Кота
Аватар пользователя

Карма: 58
Рейтинг сообщений: 422
Зарегистрирован: Чт мар 20, 2008 01:06:40
Сообщений: 3403
Откуда: Севастополь
Рейтинг сообщения: 1
Да не нужны там ни 20мА, ни даже 10.
Чтоб они освещали дорогу к насиженным местам, сверхярким белым хватает тока и в 1 мА.

_________________
>(*.*)<
Котище огромно, ушасто, пушисто, глазасто, зубасто, колючелапо и мявай. (c)


Вернуться наверх
 
Не в сети
 Заголовок сообщения: Re: Автоматический ночник в ванную
СообщениеДобавлено: Пт фев 12, 2016 20:59:35 
Друг Кота
Аватар пользователя

Карма: 4
Рейтинг сообщений: 337
Зарегистрирован: Ср мар 31, 2010 09:33:22
Сообщений: 4776
Откуда: Владивосток
Рейтинг сообщения: 0
АлександрЛ писал(а):
прослужат - ВЕЧНО :))) :))) .

Ничего вечного не бывает , да и зачем так долго ?
abc писал(а):
сверхярким белым хватает тока и в 1 мА.

Ну нет у меня таких диодов , а есть с 10-20 ма . Это их номинал , на 1 ма они будут светить как сверчки :)))
А эти насекомые освещают плохо :dont_know:
Могу добавить что это молодым надо мало света , а старше 50-ти нужно больше , да и свет как в морге - зачем ? Цветовая температура тоже важна .

_________________
«Когда у общества нет цветовой дифференциации штанов, то нет цели!»

- Позвольте-с вас спросить, почему от вас так отвратительно пахнет?
- Ну, что ж, пахнет... известно. По специальности. Вчера котов душили, душили. (с)


Вернуться наверх
 
Не в сети
 Заголовок сообщения: Re: Автоматический ночник в ванную
СообщениеДобавлено: Сб фев 13, 2016 00:31:10 
Друг Кота
Аватар пользователя

Карма: 58
Рейтинг сообщений: 422
Зарегистрирован: Чт мар 20, 2008 01:06:40
Сообщений: 3403
Откуда: Севастополь
Рейтинг сообщения: 0
эээ, в смысле - у молодых струя точнее ?
Впрочем, дело хозяйское. А то, получается, мы вас уговариваем сделать по-простому, а вам надо с подвывертом.

_________________
>(*.*)<
Котище огромно, ушасто, пушисто, глазасто, зубасто, колючелапо и мявай. (c)


Вернуться наверх
 
Не в сети
 Заголовок сообщения: Re: Автоматический ночник в ванную
СообщениеДобавлено: Сб фев 13, 2016 01:27:48 
Мудрый кот
Аватар пользователя

Карма: 22
Рейтинг сообщений: 275
Зарегистрирован: Ср май 26, 2010 14:41:09
Сообщений: 1741
Рейтинг сообщения: 1
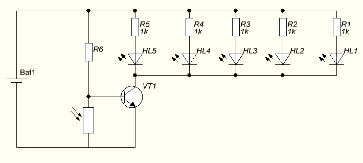
bortnik27 писал(а):
_RUS73_ писал(а):

Надо мощнее. и каким можно заменить? подойдет ли транзистор кт301б 602б или МП40-42 П42?

Насколько мощнее? Если несколько 5мм светодиодов, то подойдет любой. Вместо фототранзистора также можно использовать фоторезистор.
Изображение


Вложения:
sshot-1.png [10.18 KiB]
Скачиваний: 1671

_________________
Философская мудрость века настоящего, становится всеобщим здравым смыслом века последующего.
Вернуться наверх
 
Не в сети
 Заголовок сообщения: Re: Автоматический ночник в ванную
СообщениеДобавлено: Сб фев 13, 2016 09:11:19 
Друг Кота
Аватар пользователя

Карма: 4
Рейтинг сообщений: 337
Зарегистрирован: Ср мар 31, 2010 09:33:22
Сообщений: 4776
Откуда: Владивосток
Рейтинг сообщения: 0
abc писал(а):
мы вас уговариваем сделать по-простому, а вам надо с подвывертом.

Вот на практике ваш уговор по простому :) -
2 мелких белых суперярких СД на 2,5 в при токе 2,2 ма ( параллельное соединение )
При выключеной настольной лампе .
Это только в унитаз засунуть для подсветки :facepalm:
Изображение
Изображение
Изображение

abc писал(а):
Два штатных светодиода в потолке кабинки запитаны током меньше миллиампера (12вольт питание у кабинки, резисторы на светодиоды поставил по 6,8 кОм).

Не надо путать единичный светодиод и светодиодную лампу кабинки .
Или предлагаете без выверта купить кабинку для ночного освещения ?

_________________
«Когда у общества нет цветовой дифференциации штанов, то нет цели!»

- Позвольте-с вас спросить, почему от вас так отвратительно пахнет?
- Ну, что ж, пахнет... известно. По специальности. Вчера котов душили, душили. (с)


Вернуться наверх
 
Не в сети
 Заголовок сообщения: Re: Автоматический ночник в ванную
СообщениеДобавлено: Сб фев 13, 2016 16:52:55 
Друг Кота
Аватар пользователя

Карма: 58
Рейтинг сообщений: 422
Зарегистрирован: Чт мар 20, 2008 01:06:40
Сообщений: 3403
Откуда: Севастополь
Рейтинг сообщения: 0
да какая, нахрен, лампа ?
там стоят обычные светики, по 5 центов за штуку, как здесь, только белые :
http://www.aliexpress.com/item/20-pcs-l ... 46665.html

Изображение

_________________
>(*.*)<
Котище огромно, ушасто, пушисто, глазасто, зубасто, колючелапо и мявай. (c)


Вернуться наверх
 
Не в сети
 Заголовок сообщения: Re: Автоматический ночник в ванную
СообщениеДобавлено: Сб фев 13, 2016 17:48:06 
Прорезались зубы

Карма: -1
Рейтинг сообщений: -37
Зарегистрирован: Чт фев 11, 2016 11:20:23
Сообщений: 223
Откуда: Мск
Рейтинг сообщения: 0
abc писал(а):
эээ, в смысле - у молодых струя точнее ?
Впрочем, дело хозяйское. А то, получается, мы вас уговариваем сделать по-простому, а вам надо с подвывертом.


Зачем так грустно, зренее не то, молодым света меньше надо.


Вернуться наверх
 
Показать сообщения за:  Сортировать по:  Вернуться наверх
Начать новую тему Ответить на тему  [ Сообщений: 47 ]  1, ,  

Часовой пояс: UTC + 3 часа


Кто сейчас на форуме

Сейчас этот форум просматривают: ST_A и гости: 44


Вы не можете начинать темы
Вы не можете отвечать на сообщения
Вы не можете редактировать свои сообщения
Вы не можете удалять свои сообщения
Вы не можете добавлять вложения

Найти:
Перейти:  


Powered by phpBB © 2000, 2002, 2005, 2007 phpBB Group
Русская поддержка phpBB
Extended by Karma MOD © 2007—2012 m157y
Extended by Topic Tags MOD © 2012 m157y