Например TDA7294

Форум РадиоКот • Просмотр темы - Качер и опыты с качером
Форум РадиоКот
Здесь можно немножко помяукать :)

Текущее время: Пн янв 19, 2026 10:15:20

Часовой пояс: UTC + 3 часа


ПРЯМО СЕЙЧАС:



Начать новую тему Ответить на тему  [ Сообщений: 8001 ]  1, , , , ...  
Автор Сообщение
Не в сети
 Заголовок сообщения: Качер и опыты с качером
СообщениеДобавлено: Вс мар 14, 2010 23:17:55 
Вымогатель припоя
Аватар пользователя

Карма: 10
Рейтинг сообщений: 2
Зарегистрирован: Сб фев 14, 2009 20:57:51
Сообщений: 543
Рейтинг сообщения: 0
:))
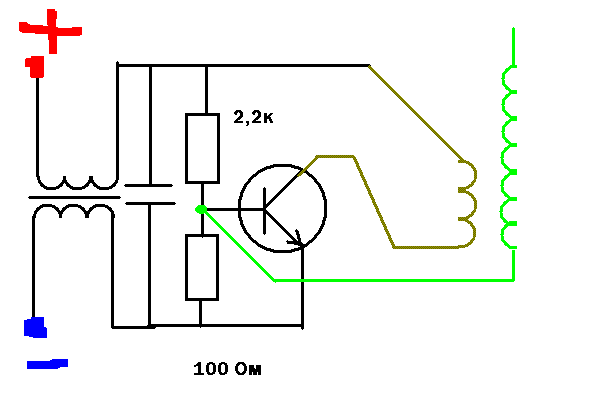
питание- батарейка Крона , потребляемый ток 0,09А при 8,5В

Изображение

Изображение

Изображение


Вернуться наверх
 
Не в сети
 Заголовок сообщения: Re: Качер и опыты с качером
СообщениеДобавлено: Вс мар 14, 2010 23:39:51 
Нашел транзистор. Понюхал.
Аватар пользователя

Зарегистрирован: Пн сен 17, 2007 10:51:28
Сообщений: 159
Откуда: из Зеона
Рейтинг сообщения: 0
схему в студию!!!

занятно. работает однако!
беспроводное питание ЛДС-ок :)))

приведу для сравнения свою схему, с которой эксперементировал раньше:
(но питал от 50 вольт на транзисторе кт808А, да и катушка в 20 раз больше была..


Вложения:
Комментарий к файлу: схема
kacher.GIF [6.49 KiB]
Скачиваний: 7354

_________________
желающие порядка, не творите беспорядка. желающие правды - не топчите её
Вернуться наверх
 
Не в сети
 Заголовок сообщения: Re: Качер и опыты с качером
СообщениеДобавлено: Вс мар 14, 2010 23:57:30 
Вымогатель припоя
Аватар пользователя

Карма: 10
Рейтинг сообщений: 2
Зарегистрирован: Сб фев 14, 2009 20:57:51
Сообщений: 543
Рейтинг сообщения: 0
Изображение


транзюк SC2335
напряжение питания 9-20В (от 3-4В тоже работает, лампа 12Вт тускло тлеет при этом)


Вернуться наверх
 
Не в сети
 Заголовок сообщения: Re: Качер и опыты с качером
СообщениеДобавлено: Пн мар 15, 2010 00:28:37 
Говорящий с текстолитом

Зарегистрирован: Чт окт 20, 2005 12:46:34
Сообщений: 1682
Рейтинг сообщения: 0
пишите крона рисуете 50 В

_________________
٩(͡๏̯͡๏)۶ ಠ_ಠ ˁ°ᴥ°ˀ


Вернуться наверх
 
Эиком - электронные компоненты и радиодетали
Не в сети
 Заголовок сообщения: Re: Качер и опыты с качером
СообщениеДобавлено: Пн мар 15, 2010 00:40:08 
Вымогатель припоя
Аватар пользователя

Карма: 10
Рейтинг сообщений: 2
Зарегистрирован: Сб фев 14, 2009 20:57:51
Сообщений: 543
Рейтинг сообщения: 0
therian писал(а):
пишите крона рисуете 50 В



схема не моя. Я только поставил другой транзюк.
Первичка 3витка, вторичка 350витков (высота намотки вторички около 5см)


Вернуться наверх
 
Не в сети
 Заголовок сообщения: Re: Качер и опыты с качером
СообщениеДобавлено: Пн мар 15, 2010 02:06:10 
Нашел транзистор. Понюхал.
Аватар пользователя

Зарегистрирован: Пн сен 17, 2007 10:51:28
Сообщений: 159
Откуда: из Зеона
Рейтинг сообщения: 0
под сравнение в приведённых схемах попадают только номиналы резисторов :)))

ктото верит, что качер отделяет радиантное электричесво от обычного?

я вроде ещё такового не наблюдал. но как микро-резонанс-трансформатор покатит
у меня была большая катушка, для "теслы" на полторалитровой бутылке от лимонада, ну вобщем я радовался стриммеру, бьющемуся из верхнего провода катушки, он шелестел , был похож на распушённую кисточку фиолетового цвета...
после долгой работы с этой хренью могла начинать болеть голова, но это наверное зависело от h-параметров транзистора :)))

ещё мне тогда казалось, что с помощью качера можно было вызывать тучи. но это неправда

к сожалению на том мои опыты с качером давно закончились по причине истощения запасов КТ808 транзисторов, которые любили перегорать, когда я щупал руками стример...

_________________
желающие порядка, не творите беспорядка. желающие правды - не топчите её


Вернуться наверх
 
Не в сети
 Заголовок сообщения: Re: Качер и опыты с качером
СообщениеДобавлено: Пн мар 15, 2010 13:37:12 
Вымогатель припоя
Аватар пользователя

Карма: 10
Рейтинг сообщений: 2
Зарегистрирован: Сб фев 14, 2009 20:57:51
Сообщений: 543
Рейтинг сообщения: 0
http://www.youtube.com/watch?v=ozGwb0glcXg

меня это видео заинтересовало. От Кроны ярко горит 15ваттная лампа накаливания и две энергосберегайки.


Вернуться наверх
 
Не в сети
 Заголовок сообщения: Re: Качер и опыты с качером
СообщениеДобавлено: Пн мар 15, 2010 15:21:41 
Генеральный секретарь МЯУ
Аватар пользователя

Карма: 69
Рейтинг сообщений: 26
Зарегистрирован: Пн сен 03, 2007 18:24:27
Сообщений: 18826
Откуда: Россия. Омск.
Рейтинг сообщения: 0
Kot-kilovolt писал(а):
меня это видео заинтересовало. От Кроны ярко горит 15ваттная лампа накаливания и две энергосберегайки.

Фигня какая-то. Эта штука собирается на одном транзисторе и одном резисторе (по схеме их два, но отлично работает и с одним). Так спрашивается, зачем городить такой здоровенный ящик? Уж не для того ли, чтобы туда засунуть аккумулятор от UPS? Ну не будет лампа накаливания гореть при питании от кроны. ЛДС будут, а лампа накаливания нет.


Вернуться наверх
 
Не в сети
 Заголовок сообщения: Re: Качер и опыты с качером
СообщениеДобавлено: Пн мар 15, 2010 17:24:31 
Нашел транзистор. Понюхал.
Аватар пользователя

Зарегистрирован: Пн сен 17, 2007 10:51:28
Сообщений: 159
Откуда: из Зеона
Рейтинг сообщения: 0
коробка огромная потому, что транзистор там самодельный :)))

а вобще говоря потребление по идее должно возрастать, когда лампу накаливания близко подносишь, тем более у неё там такая огроменная пластина на цоколе..
я помню, когда я подносил руку к работающей "тесле" то потребление возрастало., это было видно по лампе, которая была включена в цепь питания в качестве балласта...


эх. опыты.
мне покачто жалко потратить 2 транзистора на катушку тесла :roll:

_________________
желающие порядка, не творите беспорядка. желающие правды - не топчите её


Вернуться наверх
 
Не в сети
 Заголовок сообщения: Re: Качер и опыты с качером
СообщениеДобавлено: Пн мар 15, 2010 21:58:57 
Вымогатель припоя
Аватар пользователя

Карма: 10
Рейтинг сообщений: 2
Зарегистрирован: Сб фев 14, 2009 20:57:51
Сообщений: 543
Рейтинг сообщения: 0
сейчас игрался с двумя почти одинаковыми качерами ( второго обмотка на пару см выше)
один край ЛДСки положил на одну катушку- другой на другую. Запитал от 12В 500мА блока питания. Лампа12Вт светит (где то на 60-70%яркости как показалось) ,потребляемый ток- 0,43А . далее самое интересное- беру лампу и медленно отвожу ее. Свечение лампы падает- примерно на 20% а ток резко а 4-5 раз (до 0,09-0,11А). Причем отвести оампу достаточно на какие то 1-1,5см


Вернуться наверх
 
Не в сети
 Заголовок сообщения: Re: Качер и опыты с качером
СообщениеДобавлено: Пн мар 15, 2010 23:07:42 
Друг Кота
Аватар пользователя

Карма: 43
Рейтинг сообщений: 167
Зарегистрирован: Вс янв 25, 2009 21:16:04
Сообщений: 35639
Откуда: Москва
Рейтинг сообщения: 0
Kot-kilovolt писал(а):
:))
питание- батарейка Крона , потребляемый ток 0,09А при 8,5В


Кстати: это интересный результат(0, 765 ва). Остаеться только выяснить - не сильно ли повредит высокое и высокочастотное для нашего здоровья. И ещё вопрос: ориентация лампы относительно катушки? Разница есть?. А то, если катушку прямо на колбу намотать. Ответь - будь добр.

_________________
А поболтать?


Вернуться наверх
 
Не в сети
 Заголовок сообщения: Re: Качер и опыты с качером
СообщениеДобавлено: Вт мар 16, 2010 10:05:46 
Вымогатель припоя
Аватар пользователя

Карма: 10
Рейтинг сообщений: 2
Зарегистрирован: Сб фев 14, 2009 20:57:51
Сообщений: 543
Рейтинг сообщения: 0
Про вред для здоровья- частота у меня 2МГц, мощности от десятых долей ватта до единиц ватт (в зависимости от питания)
для сравнения- излучение мобильников вроде бы- десятые доли ватта при 900МГц (если неошибаюсь) а у древних мобилок и 1ватт излучение превышало.
катушку на колбу еще немотал, но если ввести лампу в катушку то она светится, правда неравномерно и более тускло.


Вернуться наверх
 
Не в сети
 Заголовок сообщения: Re: Качер и опыты с качером
СообщениеДобавлено: Вт мар 16, 2010 18:04:38 
Друг Кота
Аватар пользователя

Карма: 43
Рейтинг сообщений: 167
Зарегистрирован: Вс янв 25, 2009 21:16:04
Сообщений: 35639
Откуда: Москва
Рейтинг сообщения: 0
Я почему заинтересовался? Меньше 1 ватта = лампа светиться вся. С другой стороны при нормальном включении той же лампы надо более 12 ватт(+ потери на розжиг и прочее). Я так понял от высокой частоты возбуждаеться именно люминофор(этот эффект как то заметил во время грозы = люминисцентные лампы вспыхивали от близкой молнии). Значит надо сделать колбу в виде шара, во внутрь катушку(шар покрыть люминифором) = получиться достаточно экономичный светильник. Не бросай это дело - возможно можно будет при достаточной упёртости внедрить в массовый выпуск. Доказать эффективность(десятикратная экономия) и вперед! Вот тебе и свой бизнес. Немного довести до ума и можно на этом деле зарабатывать.

_________________
А поболтать?


Вернуться наверх
 
Не в сети
 Заголовок сообщения: Re: Качер и опыты с качером
СообщениеДобавлено: Вт мар 16, 2010 18:42:28 
Генеральный секретарь МЯУ
Аватар пользователя

Карма: 69
Рейтинг сообщений: 26
Зарегистрирован: Пн сен 03, 2007 18:24:27
Сообщений: 18826
Откуда: Россия. Омск.
Рейтинг сообщения: 1
Brigadir писал(а):
Я так понял от высокой частоты возбуждаеться именно люминофор

Нет. Это возбуждаются пары ртути от высокого напряжения, а высокая частота нужна только для ёмкостной связи. А лампа на таком принципе - это старый баян, такие даже серийно выпускались, но только не на качере конечно были сделаны :).
То, что лампа светит от мощности менее ватта, так она и светит не больше, чем на потребляемую мощность (то есть светить то она вроде светит, но освещать ничего не будет).


Вернуться наверх
 
Не в сети
 Заголовок сообщения: Re: Качер и опыты с качером
СообщениеДобавлено: Вт мар 16, 2010 18:43:26 
Открыл глаза
Аватар пользователя

Зарегистрирован: Чт янв 28, 2010 18:37:57
Сообщений: 47
Откуда: Самара
Рейтинг сообщения: 0
Медали: 1
Получил миской по аватаре (1)
Я тоже собрал качер но у меня он слабенький получился. Может у кого нибуть есть схема мощного качера ?


Вернуться наверх
 
Не в сети
 Заголовок сообщения: Re: Качер и опыты с качером
СообщениеДобавлено: Вт мар 16, 2010 18:48:23 
Генеральный секретарь МЯУ
Аватар пользователя

Карма: 69
Рейтинг сообщений: 26
Зарегистрирован: Пн сен 03, 2007 18:24:27
Сообщений: 18826
Откуда: Россия. Омск.
Рейтинг сообщения: 0
himikus1996 писал(а):
Может у кого нибуть есть схема мощного качера ?

Схема качера ровно одна 8)
Мощный, достаточно высокочастотный транзистор с хорошим коэффициентом усиления (я использовал КТ805), пара резисторов и напряжение примерно 24 вольта (я на 12 включал).
Первичка 3 - 4 витка и вторичка - чем больше витков, тем лучше. Но всё равно, очень большой мощности наверное не получит.


Вернуться наверх
 
Не в сети
 Заголовок сообщения: Re: Качер и опыты с качером
СообщениеДобавлено: Вт мар 16, 2010 20:04:51 
Открыл глаза
Аватар пользователя

Зарегистрирован: Чт янв 28, 2010 18:37:57
Сообщений: 47
Откуда: Самара
Рейтинг сообщения: 0
Медали: 1
Получил миской по аватаре (1)
Спасибо :)


Вернуться наверх
 
Не в сети
 Заголовок сообщения: Re: Качер и опыты с качером
СообщениеДобавлено: Вт мар 16, 2010 20:26:27 
Вымогатель припоя
Аватар пользователя

Карма: 10
Рейтинг сообщений: 2
Зарегистрирован: Сб фев 14, 2009 20:57:51
Сообщений: 543
Рейтинг сообщения: 0
характеристики качера зависят от параметров транзистора. Помню первый качер я собрал еще в апреле прошлого года на мощном транзисторе 2sc2922. Питал его от 55В, ток - где то 0,15А, при напряжении ниже 35-40В вообще генерация не запускалась. Поигрался я с ним и забросил. Показалось ничего интересного.


конечно при 0,7 - 0,8Вт лампа само собой не в полную яркость горит :))) :)))

а горит она вот так- фоткал с выключеным остальным светом.

Изображение


Вернуться наверх
 
Не в сети
 Заголовок сообщения: Re: Качер и опыты с качером
СообщениеДобавлено: Ср мар 17, 2010 11:04:23 
Первый раз сказал Мяу!

Зарегистрирован: Сб фев 20, 2010 11:32:00
Сообщений: 37
Рейтинг сообщения: 0
Мило :) Самая маленькая Тесла которую я видел ! :tea:

Кот-киловольт, а у тебя возможность это дело замерить осциллом есть?
Я смотрел фильм Бровина, там с генерацией импульсов непростая петрушка была.
Твой транзюк может пачки выдавать, а может и прямоугольные... неизвестно ведь.
А ведь это могло бы помочь в поиске тру резонанса, не так ли?

_________________
€go eїmȈ ᆠȍ Ӑʎƿha ќӓї ᆠσ Өmegӓ, ћe ӓrcћe ќӓї ᆠσ †eʎσs


Вернуться наверх
 
Не в сети
 Заголовок сообщения: Re: Качер и опыты с качером
СообщениеДобавлено: Ср мар 17, 2010 18:28:24 
Открыл глаза
Аватар пользователя

Зарегистрирован: Чт янв 28, 2010 18:37:57
Сообщений: 47
Откуда: Самара
Рейтинг сообщения: 0
Медали: 1
Получил миской по аватаре (1)
И в правду очень маленькая тесла. А вот если собрать теслу в метр высотой будет наверно классно. :))


Вернуться наверх
 
Показать сообщения за:  Сортировать по:  Вернуться наверх
Начать новую тему Ответить на тему  [ Сообщений: 8001 ]  1, , , , ...  

Часовой пояс: UTC + 3 часа


Кто сейчас на форуме

Сейчас этот форум просматривают: нет зарегистрированных пользователей и гости: 41


Вы не можете начинать темы
Вы не можете отвечать на сообщения
Вы не можете редактировать свои сообщения
Вы не можете удалять свои сообщения
Вы не можете добавлять вложения

Найти:
Перейти:  


Powered by phpBB © 2000, 2002, 2005, 2007 phpBB Group
Русская поддержка phpBB
Extended by Karma MOD © 2007—2012 m157y
Extended by Topic Tags MOD © 2012 m157y