Например TDA7294

Форум РадиоКот • Просмотр темы - Индикатор радиации на PIN-фотодиоде
Форум РадиоКот
Здесь можно немножко помяукать :)

Текущее время: Сб фев 14, 2026 05:33:30

Часовой пояс: UTC + 3 часа


ПРЯМО СЕЙЧАС:



Начать новую тему Ответить на тему  [ Сообщений: 212 ]  1, , , , ...  
Автор Сообщение
Не в сети
 Заголовок сообщения: Индикатор радиации на PIN-фотодиоде
СообщениеДобавлено: Сб июл 12, 2014 20:50:33 
Мучитель микросхем
Аватар пользователя

Карма: 12
Рейтинг сообщений: 49
Зарегистрирован: Пн фев 22, 2010 09:12:34
Сообщений: 462
Рейтинг сообщения: 0
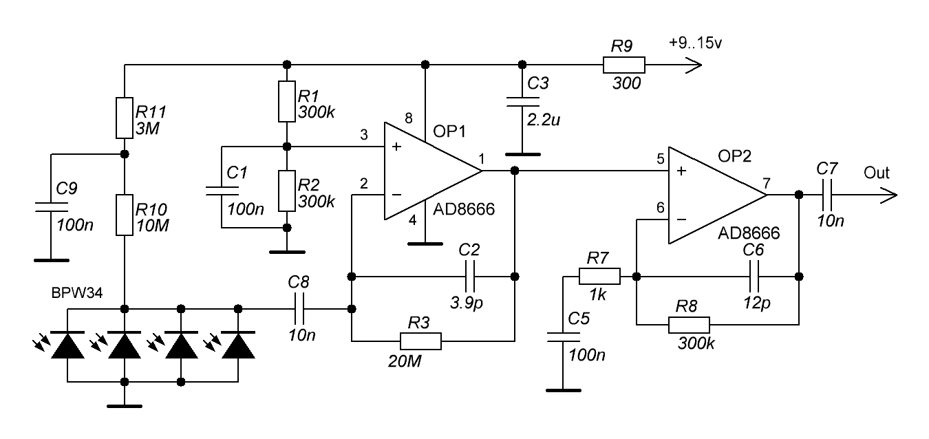
Планирую поиграться с PIN-фотодиодами в качестве прямых датчиков радиации (без сцинтилляторов). Когда приедут микры, соберу вот такую схему:
Вложение:
Детектор частиц.GIF [20.2 KiB]
Скачиваний: 3493

Когда бета- или гамма-частица реагирует с фотодиодом, на выходе схемы возникает короткий всплеск, величина которого зависит от типа и энергии частицы.

Схема частично перерисована с девайса с сайта http://www.opengeiger.de, за исключением того, что второй каскад усиления сделан прямым, а не инвертирующим + уменьшено количество конденсаторов в цепи обратной связи.

Какие косяки могут быть с этой схемой? Что в ней надо подправить?

PS: пока что буду смотреть результат на осциллографе, но в будущем планируется подцепить всё это к МК, чтобы регистрировать энергию частиц по величине всплеска и рисовать спектр энергии зарегистрированных частиц.

_________________
http://ufa-darts.ru/ - приходи играть в дартс в Уфе


Вернуться наверх
 
 Заголовок сообщения: Re: Индикатор радиации на PIN-фотодиоде
СообщениеДобавлено: Сб июл 12, 2014 23:06:22 
Самый первый и очевидный косяк - это большая суммарная емкость четырех параллельно подключенных BPW34, а, соответственно, и тупизна подобного детектора к малоэнергетическим частицам.
Второй косяк - большое сопротивление в цепи обратной связи ОР1. Детектор не будет работать на больших уровнях.
Третий косяк - большая термонестабильность схемы - при изменении температуры на 20 градусов от той, при которой она была настроена, она не будет работать.
Четвертый косяк - общую среднюю точку для 2-ух ОУ можно было-бы сделать общей.
Устал писать, пока хватит?


Вернуться наверх
   
 
Не в сети
 Заголовок сообщения: Re: Индикатор радиации на PIN-фотодиоде
СообщениеДобавлено: Вс июл 13, 2014 05:37:03 
Мучитель микросхем
Аватар пользователя

Карма: 12
Рейтинг сообщений: 49
Зарегистрирован: Пн фев 22, 2010 09:12:34
Сообщений: 462
Рейтинг сообщения: 0
crocodil писал(а):
Самый первый и очевидный косяк - это большая суммарная емкость четырех параллельно подключенных BPW34, а, соответственно, и тупизна подобного детектора к малоэнергетическим частицам.
Второй косяк - большое сопротивление в цепи обратной связи ОР1. Детектор не будет работать на больших уровнях.

Те ты заранее рассчитал отношение сигнал/шум и значения напряжений для разных частиц моей схемы, чтобы это утверждать?
crocodil писал(а):
Третий косяк - большая термонестабильность схемы - при изменении температуры на 20 градусов от той, при которой она была настроена, она не будет работать.

Вот это не понял. Можно поподробнее? Какое изменение температуры должно быть и почему она перестанет работать?
crocodil писал(а):
Четвертый косяк - общую среднюю точку для 2-ух ОУ можно было-бы сделать общей.
Устал писать, пока хватит?
Не стоит. Посмотри, у них разные уровни напряжений. Сравни отношения R1/R2 и R4/R6.

_________________
http://ufa-darts.ru/ - приходи играть в дартс в Уфе


Вернуться наверх
 
Не в сети
 Заголовок сообщения: Re: Индикатор радиации на PIN-фотодиоде
СообщениеДобавлено: Вс июл 13, 2014 07:56:48 
Сверлит текстолит когтями

Карма: 6
Рейтинг сообщений: 275
Зарегистрирован: Пт авг 21, 2009 03:22:12
Сообщений: 1170
Рейтинг сообщения: 0
ArtDen писал(а):
Планирую поиграться с PIN-фотодиодами в качестве прямых датчиков радиации
...
PS: пока что буду смотреть результат на осциллографе, но в будущем планируется подцепить всё это к МК, чтобы регистрировать энергию частиц по величине всплеска и рисовать спектр энергии зарегистрированных частиц.
А что будешь использовать в качестве источников беты и гаммы для проверки работы? В домашнем хозяйстве эти штуки как-то не прижились :))


Вернуться наверх
 
Эиком - электронные компоненты и радиодетали
Не в сети
 Заголовок сообщения: Re: Индикатор радиации на PIN-фотодиоде
СообщениеДобавлено: Вс июл 13, 2014 08:10:45 
Мучитель микросхем
Аватар пользователя

Карма: 12
Рейтинг сообщений: 49
Зарегистрирован: Пн фев 22, 2010 09:12:34
Сообщений: 462
Рейтинг сообщения: 0
Радий буду использовать из СПД. А вообще для калибровки надо иметь набор с разными источниками.

_________________
http://ufa-darts.ru/ - приходи играть в дартс в Уфе


Вернуться наверх
 
 Заголовок сообщения: Re: Индикатор радиации на PIN-фотодиоде
СообщениеДобавлено: Вс июл 13, 2014 09:05:52 
1. Слабый сигнал с одного фотодиода будет шунтироваться емкостью 3-х остальных.
Надо делать сумматор для сигнала с каждого фотодиода.
2. Постоянная времени RС цепочки (R3 и емкости 4-х фотодиодов) определит невысокую и нестабильную максимальную частоту счета.
3. Фотодиод непосредственно соединен со входом ОУ. Обратный ток фотодиода имеет большую зависимость от температуры, напряжение на выходе первого ОУ (определяемое делителем напряжения из R3 и обратного тока фотодиодов) будет сильно зависить от температуры.
См. Fig. 1 http://www.vishay.com/docs/81521/bpw34.pdf
4. Отличные уровни напряжения ничего не дадут в этой схеме, т.к. на выходе первого ОУ оно будет все-равно сильно плыть.


Вернуться наверх
   
 
Не в сети
 Заголовок сообщения: Re: Индикатор радиации на PIN-фотодиоде
СообщениеДобавлено: Вс июл 13, 2014 10:45:57 
Мучитель микросхем
Аватар пользователя

Карма: 12
Рейтинг сообщений: 49
Зарегистрирован: Пн фев 22, 2010 09:12:34
Сообщений: 462
Рейтинг сообщения: 0
1. Я в курсе. Просто бОльшее количество диодом вставиться для того, чтобы можно было поймать большее количество частиц.
3. Это специально сделано, чтобы выход ОУ и резистор R3 создавали смещение на входе фотодиода равное примерно 3/4 напряжения питания.

ЗЫ: Схему собрал! Точнее только первую половину :) Экспериментирую с одним фотодиодом + выкинул C2. В общем, с выхода первого каскада частицы на осциллографе видны отлично. Отношение сигнал/шум на глаз - 20-30 раз. Сейчас допаяю детали второго каскада.

Добавлено:
Второй каскад собрал - работает. Попытался померить естественный фон одним фотодиодом. Итог - 1 частица за 5 минут. Теперь жду вторую частичку :))
В общем, надо как минимум штук 20 таких диодов, чтобы за приемлемое время можно было фон померить

Вот как каждая частица выглядит на экране осциллографа:
Изображение


Вложения:
NewFile0.png [11.1 KiB]
Скачиваний: 6522

_________________
http://ufa-darts.ru/ - приходи играть в дартс в Уфе
Вернуться наверх
 
Не в сети
 Заголовок сообщения: Re: Индикатор радиации на PIN-фотодиоде
СообщениеДобавлено: Вс июл 13, 2014 11:48:29 
Модератор
Аватар пользователя

Карма: 120
Рейтинг сообщений: 1088
Зарегистрирован: Пн дек 08, 2008 19:28:04
Сообщений: 22880
Откуда: 10км от Москвы на Север
Рейтинг сообщения: 0
А чем хуже вот эта схема?

Изображение


Вложения:
схема на пин диоде проще.gif [54.93 KiB]
Скачиваний: 8949
Вернуться наверх
 
Не в сети
 Заголовок сообщения: Re: Индикатор радиации на PIN-фотодиоде
СообщениеДобавлено: Вс июл 13, 2014 12:12:57 
Мучитель микросхем
Аватар пользователя

Карма: 12
Рейтинг сообщений: 49
Зарегистрирован: Пн фев 22, 2010 09:12:34
Сообщений: 462
Рейтинг сообщения: 0
Тем что как минимум 3 микросхемы нужно и куча деталей. У меня всего одна микра стоит.

Добавлено:
Переделал подключение PIN-фотодиода как в схеме от Borodach (+2 резистора + 2 кондёра). Работает также, хотя есть ощущение что уровень шумов стал больше (добавился тепловой шум ещё одного резистора). В связи с новым подключением выровнял напругу на "+"-входе первого каскада усиления.

Добавлено:
Добавил ещё 2 PIN-диода. Очень странно, но уровень пика от одной частицы не стал меньше, как я ожидал. Видимо при включении фотодиода со смещением суммарная ёмкость (которая сейчас у меня уже достигает 3*3 = ~9 пФ) влияет, но не линейно. Ещё оказалось, что схема не возбуждается даже если отсутствует конденсатор C2 при большом количестве фотодиодов.

Добавлено:
Вот как испытательный стенд выглядит сейчас:
Изображение

Изображение

Всё это аккуратно заматывается изолентой (кроме фотодиодов) и оборачивается фольгой, которая подсоединяется к общему проводу.

А вот это схема после доработок по замечаниям:
Вложение:
Детектор частиц.GIF [23.01 KiB]
Скачиваний: 1605


Видео как проходят эксперименты:


Вложения:
CRW_6892.jpg [78.98 KiB]
Скачиваний: 7024
CRW_6889.jpg [89.83 KiB]
Скачиваний: 6945

_________________
http://ufa-darts.ru/ - приходи играть в дартс в Уфе
Вернуться наверх
 
Не в сети
 Заголовок сообщения: Re: Индикатор радиации на PIN-фотодиоде
СообщениеДобавлено: Пн июл 14, 2014 20:12:41 
Мучитель микросхем
Аватар пользователя

Карма: 12
Рейтинг сообщений: 49
Зарегистрирован: Пн фев 22, 2010 09:12:34
Сообщений: 462
Рейтинг сообщения: 3
Продолжаю эксперименты. Схему простил, выбросив кучу деталей из второго каскада усилителя:
Вложение:
Детектор частиц.GIF [20.05 KiB]
Скачиваний: 1669

Кроме того, посмотрел как он "ловит" гамма- и бета- излучения. Оказалось, что различить типы частиц по импульсу от частицы практически нереально. Но зато, если регистрировать только гамма-излучение (заэкранировав источник от фотодиода свинцом), то отчётливо вырисовывается спектр энергий частиц по величине всплеска на экране осциллографа.

Пока непонятно как подключить порядка 30 фотодиодов так, чтобы на выходе получить один общий сигнал, при этом не потеряв в отношении сигнал/шум. У меня есть подозрение, что это вообще невозможно.

PS: как проходят опыты домашней гамма-спектроскопии:
Изображение
:))


Вложения:
CRW_6894.jpg [107.23 KiB]
Скачиваний: 6271

_________________
http://ufa-darts.ru/ - приходи играть в дартс в Уфе
Вернуться наверх
 
Не в сети
 Заголовок сообщения: Re: Индикатор радиации на PIN-фотодиоде
СообщениеДобавлено: Вт сен 09, 2014 15:50:15 
Мучитель микросхем
Аватар пользователя

Карма: 12
Рейтинг сообщений: 49
Зарегистрирован: Пн фев 22, 2010 09:12:34
Сообщений: 462
Рейтинг сообщения: 2
В общем, подключил всё это дело к МК с АЦП и экраном 320х240 точек, чтобы построить спектр. Спектр строится. Но есть одно но. Чтобы построить нормальный спектр, нужно оставлять всё это дело на несколько часов. Если не ждать несколько часов, то спектр получается слишком "игольчатый". Поэтому возник вопрос. А есть ли алгоритмы, которые бы построили более-менее правдоподобный спектр по небольшому количеству данных чтобы не надо было ждать несколько часов?

_________________
http://ufa-darts.ru/ - приходи играть в дартс в Уфе


Вернуться наверх
 
Не в сети
 Заголовок сообщения: Re: Индикатор радиации на PIN-фотодиоде
СообщениеДобавлено: Вт сен 09, 2014 19:28:53 
Встал на лапы
Аватар пользователя

Карма: 1
Рейтинг сообщений: 15
Зарегистрирован: Пт янв 21, 2011 14:16:36
Сообщений: 130
Откуда: Уфа
Рейтинг сообщения: 0
Может, просто сгладить?


Вернуться наверх
 
Не в сети
 Заголовок сообщения: Re: Индикатор радиации на PIN-фотодиоде
СообщениеДобавлено: Вт сен 09, 2014 19:33:11 
Мучитель микросхем
Аватар пользователя

Карма: 12
Рейтинг сообщений: 49
Зарегистрирован: Пн фев 22, 2010 09:12:34
Сообщений: 462
Рейтинг сообщения: 0
Не уверен, что обычное сглаживание будет хорошо работать. Думаю можно попробовать какой-нибудь алгоритм кластеризации. Хотя смутно представляю как тут его можно применить...

_________________
http://ufa-darts.ru/ - приходи играть в дартс в Уфе


Вернуться наверх
 
Не в сети
 Заголовок сообщения: Re: Индикатор радиации на PIN-фотодиоде
СообщениеДобавлено: Вт сен 09, 2014 19:37:08 
Встал на лапы
Аватар пользователя

Карма: 1
Рейтинг сообщений: 15
Зарегистрирован: Пт янв 21, 2011 14:16:36
Сообщений: 130
Откуда: Уфа
Рейтинг сообщения: 0
Можешь показать картинки, которые получаются при долгом сборе данных и при коротком?


Вернуться наверх
 
Не в сети
 Заголовок сообщения: Re: Индикатор радиации на PIN-фотодиоде
СообщениеДобавлено: Вт сен 09, 2014 19:46:39 
Мучитель микросхем
Аватар пользователя

Карма: 12
Рейтинг сообщений: 49
Зарегистрирован: Пн фев 22, 2010 09:12:34
Сообщений: 462
Рейтинг сообщения: 2
Вот результат сбора в течении нескольких минут:
Изображение
Чтобы получить вторую картинку, придётся подождать :)

Поясню по картинке: по оси X идёт амплитуда, а по Y - количество импульсов, которые были зарегистрированы с этой амплитудой.

Прошло 25 минут:
Изображение


Вложения:
DSC_0144.JPG [55.82 KiB]
Скачиваний: 6079
DSC_0143.JPG [81.64 KiB]
Скачиваний: 5660

_________________
http://ufa-darts.ru/ - приходи играть в дартс в Уфе
Вернуться наверх
 
Не в сети
 Заголовок сообщения: Re: Индикатор радиации на PIN-фотодиоде
СообщениеДобавлено: Вт сен 09, 2014 20:22:30 
Встал на лапы
Аватар пользователя

Карма: 1
Рейтинг сообщений: 15
Зарегистрирован: Пт янв 21, 2011 14:16:36
Сообщений: 130
Откуда: Уфа
Рейтинг сообщения: 0
Ага, теперь понятнее.
Тут никакое сглаживание не поможет - в первом случае банально мало данных.
Хотя, это смотря что надо получить в итоге. Если определить преобладающее значение, то и первой картинки хватит. Найти максимум, нарисовать в этом месте холмик:)
Или построить "огибающие" этих двух гистограмм, по идее они будут в какой-то мере похожи.


Вернуться наверх
 
Не в сети
 Заголовок сообщения: Re: Индикатор радиации на PIN-фотодиоде
СообщениеДобавлено: Вт сен 09, 2014 20:28:23 
Мучитель микросхем
Аватар пользователя

Карма: 12
Рейтинг сообщений: 49
Зарегистрирован: Пн фев 22, 2010 09:12:34
Сообщений: 462
Рейтинг сообщения: 0
Тут максимум или огибающая не подходят. Сейчас объясню почему. Проблема в том два значения на графике (точнее на гистограмме) рядом равные 1 или одно равное 2 примерно равноценны. Но в случае с огибающей или максимумом будет выбрано значение 2, что не верно

_________________
http://ufa-darts.ru/ - приходи играть в дартс в Уфе


Вернуться наверх
 
Не в сети
 Заголовок сообщения: Re: Индикатор радиации на PIN-фотодиоде
СообщениеДобавлено: Вт сен 09, 2014 20:30:21 
Встал на лапы
Аватар пользователя

Карма: 1
Рейтинг сообщений: 15
Зарегистрирован: Пт янв 21, 2011 14:16:36
Сообщений: 130
Откуда: Уфа
Рейтинг сообщения: 0
А какой вообще нужен результат?


Вернуться наверх
 
Не в сети
 Заголовок сообщения: Re: Индикатор радиации на PIN-фотодиоде
СообщениеДобавлено: Вт сен 09, 2014 20:32:27 
Мучитель микросхем
Аватар пользователя

Карма: 12
Рейтинг сообщений: 49
Зарегистрирован: Пн фев 22, 2010 09:12:34
Сообщений: 462
Рейтинг сообщения: 0
Надо быстро найти несколько мест, в которых концентрируются энергии частиц и показать это красиво на гистограмме :) Ну и потом можно эти данные для чего-то использовать

_________________
http://ufa-darts.ru/ - приходи играть в дартс в Уфе


Вернуться наверх
 
Не в сети
 Заголовок сообщения: Re: Индикатор радиации на PIN-фотодиоде
СообщениеДобавлено: Вт сен 09, 2014 20:39:44 
Встал на лапы
Аватар пользователя

Карма: 1
Рейтинг сообщений: 15
Зарегистрирован: Пт янв 21, 2011 14:16:36
Сообщений: 130
Откуда: Уфа
Рейтинг сообщения: 0
Тогда всё же сначала сгладить, потом найти локальные максимумы.


Вернуться наверх
 
Показать сообщения за:  Сортировать по:  Вернуться наверх
Начать новую тему Ответить на тему  [ Сообщений: 212 ]  1, , , , ...  

Часовой пояс: UTC + 3 часа


Кто сейчас на форуме

Сейчас этот форум просматривают: Google [Bot] и гости: 28


Вы не можете начинать темы
Вы не можете отвечать на сообщения
Вы не можете редактировать свои сообщения
Вы не можете удалять свои сообщения
Вы не можете добавлять вложения

Найти:
Перейти:  


Powered by phpBB © 2000, 2002, 2005, 2007 phpBB Group
Русская поддержка phpBB
Extended by Karma MOD © 2007—2012 m157y
Extended by Topic Tags MOD © 2012 m157y