Например TDA7294

Форум РадиоКот • Просмотр темы - Часы на люминесцентных индикаторах.
Форум РадиоКот
Здесь можно немножко помяукать :)

Текущее время: Пт ноя 07, 2025 04:52:56

Часовой пояс: UTC + 3 часа


ПРЯМО СЕЙЧАС:



Начать новую тему Ответить на тему  [ Сообщений: 9113 ]     ... , , , 453, , ,  
Автор Сообщение
Не в сети
 Заголовок сообщения: Re: Часы на люминесцентных индикаторах.
СообщениеДобавлено: Пн фев 03, 2025 14:49:28 
Друг Кота
Аватар пользователя

Карма: 196
Рейтинг сообщений: 8568
Зарегистрирован: Пн ноя 30, 2009 03:00:01
Сообщений: 42857
Откуда: Нерезиновая
Рейтинг сообщения: 0
himikat123 писал(а):
ем верхний ключ с подтяжкой вниз лучше чем нижний с подтяжкой вверх? В этом случае открытый ключ выдаст на сегмент максимальный ток, не ограниченный даже резистором.

"подтяжка вниз" делается резистором 100~300 кОм, а, "подтяжка вверх" резистором 20~47 кОм, что увеличивает потребляемый ток от источника питания анодов/сеток примерно раза в 3. Хотя, в итоге- ток всё равно, не такой уж и большой.

зы.. Если у вас достаточное количество лап у МК, и вы пишете прошивку сами, то, стоит ли выводить данные на регистр? Не проще ли, выводить данные в двоичном виде, и потом расшифровывать дешифратором, например, 176ИД2, (CD4543 не совсем ИД2, там цифры 6 и 9 не очень привычного для нас начертания)
Вложение:
CD4543 цифра 6.PNG [8.87 KiB]
Скачиваний: 89
Вложение:
CD4543 цифра 9.PNG [11.45 KiB]
Скачиваний: 88


Вернуться наверх
 
Не в сети
 Заголовок сообщения: Re: Часы на люминесцентных индикаторах.
СообщениеДобавлено: Пн фев 03, 2025 16:03:54 
Друг Кота

Карма: 64
Рейтинг сообщений: 1017
Зарегистрирован: Пт мар 07, 2008 06:54:43
Сообщений: 4362
Откуда: Ижевск
Рейтинг сообщения: 2
Если у вас достаточное количество лап у МК, и вы пишете прошивку сами, то, стоит ли выводить данные на регистр? Не проще ли, выводить данные в двоичном виде, и потом расшифровывать дешифратором, например, 176ИД2, (CD4543 не совсем ИД2
Проще выводить сразу нужный код символов без дебильных дешифраторов. :)


Вернуться наверх
 
Не в сети
 Заголовок сообщения: Re: Часы на люминесцентных индикаторах.
СообщениеДобавлено: Пн фев 03, 2025 16:19:38 
Друг Кота
Аватар пользователя

Карма: 196
Рейтинг сообщений: 8568
Зарегистрирован: Пн ноя 30, 2009 03:00:01
Сообщений: 42857
Откуда: Нерезиновая
Рейтинг сообщения: 0
akl писал(а):
выводить сразу нужный код символов без .... дешифраторов. :)
Ну, да, согласен, я, просто, этот вариант не написал.

На счёт "проще"- это ещё вопрос - нужно преобразовать число в нужную комбинацию, а, в случае с дешифратором- выводится просто двоичный код числа.


Вернуться наверх
 
Не в сети
 Заголовок сообщения: Re: Часы на люминесцентных индикаторах.
СообщениеДобавлено: Пн фев 03, 2025 17:48:47 
Друг Кота

Карма: 64
Рейтинг сообщений: 1017
Зарегистрирован: Пт мар 07, 2008 06:54:43
Сообщений: 4362
Откуда: Ижевск
Рейтинг сообщения: 0
...нужно преобразовать число в нужную комбинацию, а, в случае с дешифратором- выводится просто двоичный код числа.
Установка микросхемы дешифратора проще программного преобразования? :facepalm:


Вернуться наверх
 
Эиком - электронные компоненты и радиодетали
Не в сети
 Заголовок сообщения: Re: Часы на люминесцентных индикаторах.
СообщениеДобавлено: Пн фев 03, 2025 20:29:18 
Друг Кота
Аватар пользователя

Карма: 196
Рейтинг сообщений: 8568
Зарегистрирован: Пн ноя 30, 2009 03:00:01
Сообщений: 42857
Откуда: Нерезиновая
Рейтинг сообщения: 0
Когда как.. :dont_know:


Вернуться наверх
 
Не в сети
 Заголовок сообщения: Re: Часы на люминесцентных индикаторах.
СообщениеДобавлено: Пн фев 03, 2025 20:44:17 
Электрический кот
Аватар пользователя

Карма: 17
Рейтинг сообщений: 190
Зарегистрирован: Ср фев 15, 2017 22:37:11
Сообщений: 1056
Рейтинг сообщения: 0
Получается, кроме увеличения потребления и нагрева резисторов, нижние ключи не имеют больше противопоказаний?

ЗЫ. количество лап ESP32 очень ограничено, так что да, регистр, или что-то еще мне обязательно понадобится. Думаю, может MAX7219 притулить, делал ли кто-то такое?


Вернуться наверх
 
Не в сети
 Заголовок сообщения: Re: Часы на люминесцентных индикаторах.
СообщениеДобавлено: Вт фев 04, 2025 06:54:15 
Друг Кота
Аватар пользователя

Карма: 196
Рейтинг сообщений: 8568
Зарегистрирован: Пн ноя 30, 2009 03:00:01
Сообщений: 42857
Откуда: Нерезиновая
Рейтинг сообщения: 0
Есть такая микросхема- SN75518, это "VACUUM FLUORESCENT DISPLAY DRIVERS"
https://www.chipfind.ru/datasheet/ti/sn75518.htm

СпойлерSN65518 и SN75518 — это монолитные
BIDFET† интегральные схемы, разработанные для управления
матричным или сегментированным вакуумным флуоресцентным
дисплеем.
Каждое устройство состоит из 32-битного сдвигового регистра, 32
защелок и 32 выходных вентилей AND. Последовательные данные
вводятся в сдвиговый регистр при переходе CLOCK с низкого на высокий уровень. Пока LATCH ENABLE
высокий, параллельные данные
передаются в выходные буферы через 32-битную защелку. Данные, присутствующие в
защелке при переходе LATCH ENABLE с высокого на низкий уровень,
защелкиваются. Когда STROBE низкий, все
выходы Q включены. Когда STROBE высокий, все
выходы Q низкие.
Последовательный вывод данных из сдвигового регистра может
использоваться для каскадирования дополнительных устройств. Этот вывод
не зависит от LATCH ENABLE или STROBE.


Может управлять 32 сетками и анодами, использовался в кассах Samsung ER4615 и Samsung ER 250 (350)
Изображение


Вернуться наверх
 
Не в сети
 Заголовок сообщения: Re: Часы на люминесцентных индикаторах.
СообщениеДобавлено: Ср фев 05, 2025 09:21:54 
Держит паяльник хвостом

Карма: 16
Рейтинг сообщений: 135
Зарегистрирован: Сб мар 07, 2015 20:48:22
Сообщений: 900
Откуда: Московская область
Рейтинг сообщения: 0
В ДВД и прочих тюнерах с VFD часто ставят неплохие чипы. С кучей ног и мультиплексированием.


Вернуться наверх
 
Не в сети
 Заголовок сообщения: Re: Часы на люминесцентных индикаторах.
СообщениеДобавлено: Ср фев 05, 2025 16:56:32 
Друг Кота
Аватар пользователя

Карма: 46
Рейтинг сообщений: 977
Зарегистрирован: Ср май 28, 2008 00:32:54
Сообщений: 7616
Откуда: г. Россия
Рейтинг сообщения: 0
Да есть такие микросхемы и LED и VFD драйвера.
Я уже использовал PT6311 для ИВ-17 многосегментные и PT6312 попроще я делал часики на ИВ-18, ИВ-12, ИВ-11, ИВ-2 и ИВ-3а.
Они до сих пор пашут, берите фирменную PT они точно веками не сгорают.

Для них единственно надо -31в питания, а для многих -31 БП и развязанный накал со средней точкой это проблема.
:) :)) :))) :)) :)

_________________
Очень нравится неон
:) :)) :))) :)) :)
Мой проектик часиков с термометром на любых 6ти газоразрядных лампах + куча функций
Ещё один - попроще
:) :)) :))) :)) :)
Светодиодный проект
:))) :)) :) :)) :)))

My video on youtube nic SLvik78


Последний раз редактировалось SLvik Ср фев 05, 2025 18:30:28, всего редактировалось 1 раз.

Вернуться наверх
 
Не в сети
 Заголовок сообщения: Re: Часы на люминесцентных индикаторах.
СообщениеДобавлено: Ср фев 05, 2025 18:28:49 
Электрический кот
Аватар пользователя

Карма: 17
Рейтинг сообщений: 190
Зарегистрирован: Ср фев 15, 2017 22:37:11
Сообщений: 1056
Рейтинг сообщения: 0
SN75518 и PT6311 и PT6312 крутые микросхемы, жаль что приобрести их не так просто, почитал отзывы, жалуются люди что часто не рабочие продают. Оно и понятно, лет 20 как не выпускаются больше.

SLvik, развязанный накал со средней точкой это не проблема, гораздо проблемнее купить рабочую устаревшую микросхему.
Хоть бери и на транзисторах рассыпных городи, эхх


Вернуться наверх
 
Не в сети
 Заголовок сообщения: Re: Часы на люминесцентных индикаторах.
СообщениеДобавлено: Ср фев 05, 2025 18:46:11 
Друг Кота
Аватар пользователя

Карма: 46
Рейтинг сообщений: 977
Зарегистрирован: Ср май 28, 2008 00:32:54
Сообщений: 7616
Откуда: г. Россия
Рейтинг сообщения: 1
Вот я делал супер - пупер часы на самых больших лампах ИЛЦ1-1/7.
PT6312 её не тянет, сгорает вмомент и с дымком, пришлось транзисторы по выходам PT6312 поставить.
viewtopic.php?p=158342#p158342
:)

_________________
Очень нравится неон
:) :)) :))) :)) :)
Мой проектик часиков с термометром на любых 6ти газоразрядных лампах + куча функций
Ещё один - попроще
:) :)) :))) :)) :)
Светодиодный проект
:))) :)) :) :)) :)))

My video on youtube nic SLvik78


Вернуться наверх
 
Не в сети
 Заголовок сообщения: Re: Часы на люминесцентных индикаторах.
СообщениеДобавлено: Ср фев 05, 2025 20:42:32 
Поставщик валерьянки для Кота
Аватар пользователя

Карма: 27
Рейтинг сообщений: 871
Зарегистрирован: Ср май 10, 2017 16:03:11
Сообщений: 1955
Откуда: Тверская область
Рейтинг сообщения: 1
SLvik писал(а):
супер - пупер часы на самых больших лампах ИЛЦ1-1/7.
PT6312 её не тянет,

И зачем там это всё?
Железный трансформатор и логика рулит

Изображение Изображение


Вернуться наверх
 
Не в сети
 Заголовок сообщения: Re: Часы на люминесцентных индикаторах.
СообщениеДобавлено: Чт фев 06, 2025 08:42:14 
Встал на лапы

Зарегистрирован: Сб июн 07, 2014 10:25:09
Сообщений: 98
Рейтинг сообщения: 0
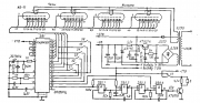
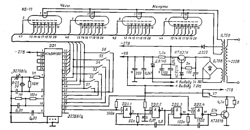
доброго времени суток всем. уважаемые такой вопрос. как организовать резервное питание (буквально на десятки секунд) для часов на КР145ИК9001 ? чтобы при скачках в сети не сбивались часы
схема примерно вот такая ЧАСЫ СОВА на ИВ-11
Изображение


Вернуться наверх
 
Не в сети
 Заголовок сообщения: Re: Часы на люминесцентных индикаторах.
СообщениеДобавлено: Чт фев 06, 2025 09:03:57 
Опытный кот

Карма: 1
Рейтинг сообщений: 95
Зарегистрирован: Пт ноя 22, 2024 14:08:43
Сообщений: 727
Рейтинг сообщения: 0
Литий в буферном режиме при постоянном заряде 4,00 В + повышайка до 25 В....(там надо 48ю запитать)....но это питание гальванически отвязать от остальной части часов (до выходных проводков)
Радио 1986-07


Вернуться наверх
 
Не в сети
 Заголовок сообщения: Re: Часы на люминесцентных индикаторах.
СообщениеДобавлено: Чт фев 06, 2025 09:11:15 
Поставщик валерьянки для Кота
Аватар пользователя

Карма: 27
Рейтинг сообщений: 871
Зарегистрирован: Ср май 10, 2017 16:03:11
Сообщений: 1955
Откуда: Тверская область
Рейтинг сообщения: 0
kolichok писал(а):
буквально на десятки секунд)

Если на совсем недолго. То проще всего две батарейки 23А.Через диод на -27 в.От двух Крон наверное не заработает.


Вернуться наверх
 
Не в сети
 Заголовок сообщения: Re: Часы на люминесцентных индикаторах.
СообщениеДобавлено: Чт фев 06, 2025 11:06:19 
Встал на лапы

Зарегистрирован: Сб июн 07, 2014 10:25:09
Сообщений: 98
Рейтинг сообщения: 0
Литий в буферном режиме при постоянном заряде 4,00 В + повышайка до 25 В....(там надо 48ю запитать)....но это питание гальванически отвязать от остальной части часов (до выходных проводков)
Радио 1986-07

понял. сделаю литий и повышайку. а что означает гальванически отвязать . можете нпример показать :dont_know:


Вернуться наверх
 
Не в сети
 Заголовок сообщения: Re: Часы на люминесцентных индикаторах.
СообщениеДобавлено: Чт фев 06, 2025 11:16:25 
Держит паяльник хвостом

Карма: 16
Рейтинг сообщений: 135
Зарегистрирован: Сб мар 07, 2015 20:48:22
Сообщений: 900
Откуда: Московская область
Рейтинг сообщения: 0
Там вроде как необязательно 27 поддерживать или я путаю? Вроде достаточно ядру 9 вольт обеспечить. Последовательно несколько ионисторов.


Вернуться наверх
 
Не в сети
 Заголовок сообщения: Re: Часы на люминесцентных индикаторах.
СообщениеДобавлено: Чт фев 06, 2025 11:26:33 
Встал на лапы

Зарегистрирован: Сб июн 07, 2014 10:25:09
Сообщений: 98
Рейтинг сообщения: 0
Там вроде как необязательно 27 поддерживать или я путаю? Вроде достаточно ядру 9 вольт обеспечить. Последовательно несколько ионисторов.

видел в некоторых часах крона была. но вот схемы нет да и платы той тоже


Вернуться наверх
 
Не в сети
 Заголовок сообщения: Re: Часы на люминесцентных индикаторах.
СообщениеДобавлено: Чт фев 06, 2025 12:49:51 
Друг Кота
Аватар пользователя

Карма: 196
Рейтинг сообщений: 8568
Зарегистрирован: Пн ноя 30, 2009 03:00:01
Сообщений: 42857
Откуда: Нерезиновая
Рейтинг сообщения: 0
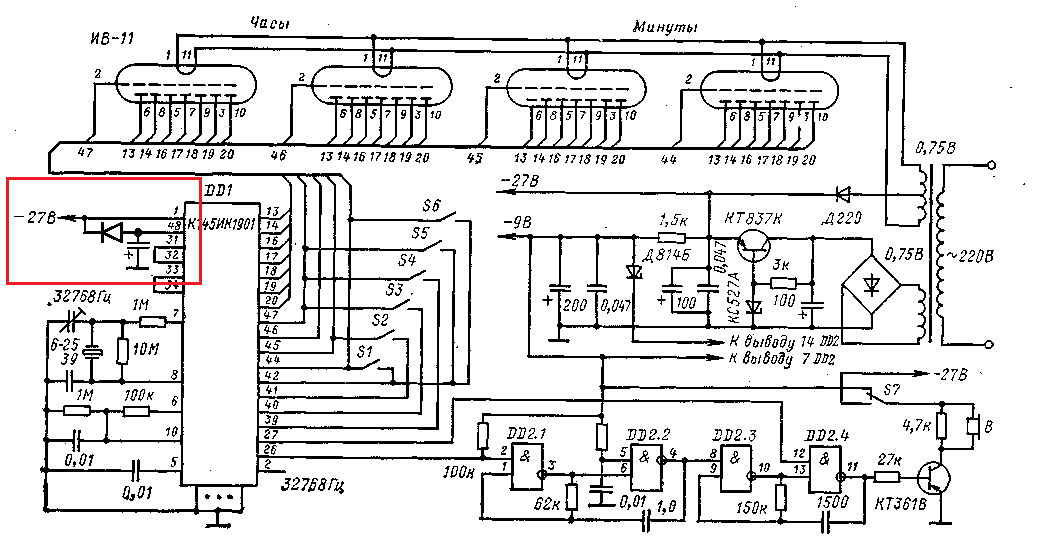
как организовать резервное питание (буквально на десятки секунд) для часов на КР145ИК9001 ? чтобы при скачках в сети не сбивались часы

Хм.. Почему-то об этом никто не задумывался.. :dont_know:
У 145ИК1901/ИК1911 - первый вывод- питание индикатора а 48(40 для 40-ка ногого ДИП корпуса) - питание микросхемы часов. (имхо) при коротких пропаданиях напряжения, наверное, можно сделать вот так:
СпойлерИзображение
Вложение:

Ёмкость конденсатора "по вкусу" :)))
Во всяком случае, у часов на наборе 176ИЕ5/ИЕ3/ИЕ4/ЛА7/ЖК конденсатора в 10 мкФ по питанию хватает на время замены батарейки, а у часов на наборе 176ИЕ12/ИЕ13/ИД2/LED, от конденсатора в 470 мкФ часы продолжают идти не сбиваясь, при пропадании сети минут на 5~10

Там вроде как необязательно 27 поддерживать или я путаю? Вроде достаточно ядру 9 вольт обеспечить.

Если вы про 145ИК1901/ИК1911, то путаете. Эта микросхема при 24-х вольтах уже не работает. А предельные параметры у неё, по описанию: -24,3 ~ -29,7 вольта.


Вернуться наверх
 
Не в сети
 Заголовок сообщения: Re: Часы на люминесцентных индикаторах.
СообщениеДобавлено: Чт фев 06, 2025 15:00:02 
Встал на лапы

Зарегистрирован: Сб июн 07, 2014 10:25:09
Сообщений: 98
Рейтинг сообщения: 0
[uquote="kolichok",url="/forum/viewtopic.php?p=4679731#p4679731"]как организовать резервное питание (буквально на десятки секунд) для часов на КР145ИК9001 ? чтобы при скачках в сети не сбивались часы

Хм.. Почему-то об этом никто не задумывался.. :dont_know:
У 145ИК1901/ИК1911 - первый вывод- питание индикатора а 48(40 для 40-ка ногого ДИП корпуса) - питание микросхемы часов. (имхо) при коротких пропаданиях напряжения, наверное, можно сделать вот так:
СпойлерИзображение
Вложение:
Резервное питание ос короткого пропадания сети.png

Ёмкость конденсатора "по вкусу" :)))
Во всяком случае, у часов на наборе 176ИЕ5/ИЕ3/ИЕ4/ЛА7/ЖК конденсатора в 10 мкФ по питанию хватает на время замены батарейки, а у часов на наборе 176ИЕ12/ИЕ13/ИД2/LED, от конденсатора в 470 мкФ часы продолжают идти не сбиваясь, при пропадании сети минут на 5~10


понял спасибо
междк 1 и 48 диод и с 48 на землю конденсатор. в ёмкости можно себя не ограничивать :))) 1000 мкф 50 вольт думаю хватит :)))


Вернуться наверх
 
Показать сообщения за:  Сортировать по:  Вернуться наверх
Начать новую тему Ответить на тему  [ Сообщений: 9113 ]     ... , , , 453, , ,  

Часовой пояс: UTC + 3 часа


Кто сейчас на форуме

Сейчас этот форум просматривают: нет зарегистрированных пользователей и гости: 60


Вы не можете начинать темы
Вы не можете отвечать на сообщения
Вы не можете редактировать свои сообщения
Вы не можете удалять свои сообщения
Вы не можете добавлять вложения

Найти:
Перейти:  


Powered by phpBB © 2000, 2002, 2005, 2007 phpBB Group
Русская поддержка phpBB
Extended by Karma MOD © 2007—2012 m157y
Extended by Topic Tags MOD © 2012 m157y