Например TDA7294

Форум РадиоКот • Просмотр темы - Часы на люминесцентных индикаторах.
Форум РадиоКот
Здесь можно немножко помяукать :)

Текущее время: Ср ноя 12, 2025 01:43:16

Часовой пояс: UTC + 3 часа


ПРЯМО СЕЙЧАС:



Начать новую тему Ответить на тему  [ Сообщений: 9113 ]     ... , , , 413, , , ...  
Автор Сообщение
Не в сети
 Заголовок сообщения: Re: Часы на люминесцентных индикаторах.
СообщениеДобавлено: Вс июл 25, 2021 11:46:28 
Электрический кот
Аватар пользователя

Карма: 13
Рейтинг сообщений: 782
Зарегистрирован: Сб сен 08, 2012 21:12:12
Сообщений: 1037
Откуда: Зеленоград
Рейтинг сообщения: 4
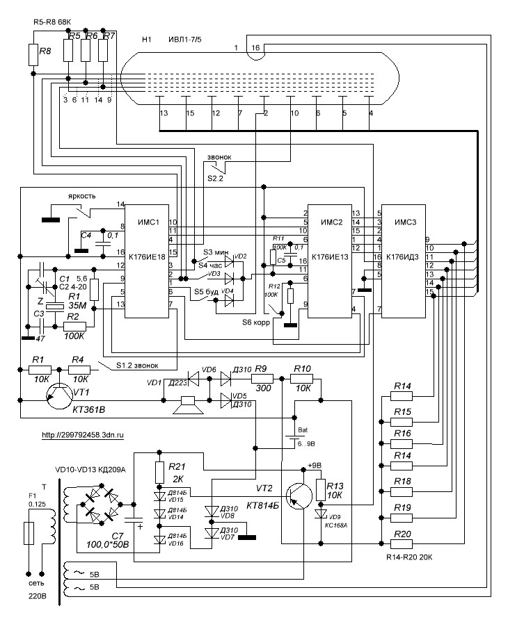
Фото платы: Изображение


Вложения:
176 ie 18 13 sxema.jpg [146 KiB]
Скачиваний: 258

_________________
Я за грустным, пыльным столом
Я синий как сейф в углу
От нечеткого света ламп
Под названием странным неон...
Вернуться наверх
 
Не в сети
 Заголовок сообщения: Re: Часы на люминесцентных индикаторах.
СообщениеДобавлено: Вт июл 27, 2021 03:05:20 
Поставщик валерьянки для Кота

Карма: 34
Рейтинг сообщений: 313
Зарегистрирован: Вс ноя 15, 2009 23:13:59
Сообщений: 2115
Откуда: Харьков
Рейтинг сообщения: 0
Нету там никакого ИЕ17, там сдвиговый регистр (вроде 176ИР1), который заполняется единицами от суточных импульсов и сбрасывается по достижении восьмой ячейки.

_________________
Иногда мой питомец уходит в такую спячку, что разбудить его можно только щелчком по первой ноге...


Вернуться наверх
 
В сети
 Заголовок сообщения: Re: Часы на люминесцентных индикаторах.
СообщениеДобавлено: Вт июл 27, 2021 03:16:41 
Друг Кота
Аватар пользователя

Карма: 197
Рейтинг сообщений: 8571
Зарегистрирован: Пн ноя 30, 2009 03:00:01
Сообщений: 42900
Откуда: Нерезиновая
Рейтинг сообщения: 0
там сдвиговый регистр (вроде 176ИР1), который заполняется единицами от суточных импульсов и сбрасывается по достижении восьмой ячейки.
Только не восьмой, а (имхо) седьмой, первый анод индикатора там светится постоянно, а дальше, при каждом переходе с 23:59 в 00:00 зажигается следующий анод.. Возможная схема самой "счётной части"- вероятно, вот такая:
Вложение:
Индикация дней недели 176ИР2.png [32.5 KiB]
Скачиваний: 217

После сброса регистра в ноль, у него на всех выходах устанавливается уровень логического нуля, а индикатор "понедельник" должен светиться. Поэтому я предположил, что он просто светится постоянно не участвуя в счёте, от слова "вообще".. :dont_know:


Вернуться наверх
 
Не в сети
 Заголовок сообщения: Re: Часы на люминесцентных индикаторах.
СообщениеДобавлено: Ср июл 28, 2021 10:46:56 
Поставщик валерьянки для Кота

Карма: 34
Рейтинг сообщений: 313
Зарегистрирован: Вс ноя 15, 2009 23:13:59
Сообщений: 2115
Откуда: Харьков
Рейтинг сообщения: 0
Вполне возможно, точно не разбирался.

_________________
Иногда мой питомец уходит в такую спячку, что разбудить его можно только щелчком по первой ноге...


Вернуться наверх
 
Эиком - электронные компоненты и радиодетали
Не в сети
 Заголовок сообщения: Re: Часы на люминесцентных индикаторах.
СообщениеДобавлено: Вт авг 03, 2021 19:48:10 
Поставщик валерьянки для Кота
Аватар пользователя

Карма: 27
Рейтинг сообщений: 871
Зарегистрирован: Ср май 10, 2017 16:03:11
Сообщений: 1956
Откуда: Тверская область
Рейтинг сообщения: 0
Индикаторы ИЭЛИзображение
ЭЛЕКТРОЛЮМИНЕСЦЕНТНЫЕ,значит здесь в тему
Если живые,будут светить вот так.Картинка из ИнтернетаИзображение
Вопросы.
Кто нибудь на подобных часы делал?Я не нашёл ничего.
ПРАКТИЧЕСКИЙ способ проверки в рабочем режиме
400гц 220в может кто знает??Что можно в розетку включить в курсе


Вернуться наверх
 
Не в сети
 Заголовок сообщения: Re: Часы на люминесцентных индикаторах.
СообщениеДобавлено: Вт авг 03, 2021 20:34:22 
Друг Кота
Аватар пользователя

Карма: 81
Рейтинг сообщений: 1377
Зарегистрирован: Пн май 11, 2009 14:15:00
Сообщений: 3059
Откуда: СПб
Рейтинг сообщения: 0
Медали: 1
Мявтор 3-й степени (1)
У таких индикаторов очень малый срок службы, поэтому на них никто и не делает часы. Я сам когда-то хотел собрать часы на таких, даже раздобыл индикаторы (правда, обычные семисегментные), но в итоге здравый смысл победил. :)

Для проверки и дальнейшего питания этих индикаторов я собрал преобразователь на основе сетевого трансформатора со вторичной обмоткой со средней точкой из какого-то старого приёмника, включенного наоборот (как повышающий), силовых ключей, генератора на NE555 и пары логических микросхем для формирования противофазных сигналов на ключи с "мёртвым временем".

Вот, есть старая тема, может, Вы там что-нибудь найдёте: https://radiokot.ru/forum/viewtopic.php?f=11&t=120106

_________________
Этот пост оказался полезен? Не поленись, нажми Изображение слева!
:) :)) :)))
Куплю индикаторы ИТС-1А, ИТС-1Б, ИГВ1-8х5Л, ИГПС1-222/7, ИГПС1-111/7 и подобные.


Вернуться наверх
 
Не в сети
 Заголовок сообщения: Re: Часы на люминесцентных индикаторах.
СообщениеДобавлено: Вт авг 03, 2021 21:44:08 
Поставщик валерьянки для Кота
Аватар пользователя

Карма: 27
Рейтинг сообщений: 871
Зарегистрирован: Ср май 10, 2017 16:03:11
Сообщений: 1956
Откуда: Тверская область
Рейтинг сообщения: 0
Книга 78 года говорит:500 часов с полной яркостью или 5000 часов с уменьшеной. Так что можно поэкспериментировать.


Вернуться наверх
 
Не в сети
 Заголовок сообщения: Re: Часы на люминесцентных индикаторах.
СообщениеДобавлено: Вт авг 03, 2021 21:58:32 
Встал на лапы

Карма: -14
Рейтинг сообщений: -57
Зарегистрирован: Вт янв 29, 2013 18:02:17
Сообщений: 127
Рейтинг сообщения: 0
Мне ка-а-ца что они не долговечные и от старости наверное уже и в половину яркости светить не будут.
:)


Вернуться наверх
 
Не в сети
 Заголовок сообщения: Re: Часы на люминесцентных индикаторах.
СообщениеДобавлено: Вт авг 03, 2021 22:05:36 
Друг Кота
Аватар пользователя

Карма: 81
Рейтинг сообщений: 1377
Зарегистрирован: Пн май 11, 2009 14:15:00
Сообщений: 3059
Откуда: СПб
Рейтинг сообщения: 0
Медали: 1
Мявтор 3-й степени (1)
5000 часов - это меньше года непрерывной работы... И яркость со временем падает очень значительно. Под конец срока службы что-то рассмотреть можно будет, скорее всего, только в темноте.

_________________
Этот пост оказался полезен? Не поленись, нажми Изображение слева!
:) :)) :)))
Куплю индикаторы ИТС-1А, ИТС-1Б, ИГВ1-8х5Л, ИГПС1-222/7, ИГПС1-111/7 и подобные.


Вернуться наверх
 
Не в сети
 Заголовок сообщения: Re: Часы на люминесцентных индикаторах.
СообщениеДобавлено: Вт авг 03, 2021 22:55:15 
Поставщик валерьянки для Кота
Аватар пользователя

Карма: 27
Рейтинг сообщений: 871
Зарегистрирован: Ср май 10, 2017 16:03:11
Сообщений: 1956
Откуда: Тверская область
Рейтинг сообщения: 0
Про ГРИ в книжках то же пишут ,где 500 часов,где 1000.Может и тут всё не так печально.Реальная статистика у кого нибудь есть?


Вернуться наверх
 
Не в сети
 Заголовок сообщения: Re: Часы на люминесцентных индикаторах.
СообщениеДобавлено: Вт авг 03, 2021 23:04:23 
Встал на лапы

Карма: -14
Рейтинг сообщений: -57
Зарегистрирован: Вт янв 29, 2013 18:02:17
Сообщений: 127
Рейтинг сообщения: 0
Вообщето это довольно сложный для запуска элемент.
Ему нужно 500...600в синусоиду 50Гц.
Или 100Гц, не помню.
:)


Вернуться наверх
 
Не в сети
 Заголовок сообщения: Re: Часы на люминесцентных индикаторах.
СообщениеДобавлено: Вт авг 03, 2021 23:33:25 
Друг Кота
Аватар пользователя

Карма: 81
Рейтинг сообщений: 1377
Зарегистрирован: Пн май 11, 2009 14:15:00
Сообщений: 3059
Откуда: СПб
Рейтинг сообщения: 2
Медали: 1
Мявтор 3-й степени (1)
О реальном сроке службы: http://www.nedopc.org/forum/viewtopic.php?f=65&t=11093

Эти индикаторы представляют собой, по сути, конденсатор. Поэтому работать будут и на синусе или прямоугольнике. На прямоугольнике яркость при том же напряжении должна быть выше, вроде как. Срок службы, соответственно, меньше. А если снизить амплитуду прямоугольника, то избыточную яркость можно уменьшить, и срок службы, я думаю, будет сравним с "идеальным" синусоидальным вариантом.

500-600 В здесь не требуется, достаточно 220 В. Частота от 400 до 1200 Гц. На 50 Гц полную яркость получить не удастся.

_________________
Этот пост оказался полезен? Не поленись, нажми Изображение слева!
:) :)) :)))
Куплю индикаторы ИТС-1А, ИТС-1Б, ИГВ1-8х5Л, ИГПС1-222/7, ИГПС1-111/7 и подобные.


Вернуться наверх
 
Не в сети
 Заголовок сообщения: Re: Часы на люминесцентных индикаторах.
СообщениеДобавлено: Ср авг 04, 2021 00:47:23 
Поставщик валерьянки для Кота
Аватар пользователя

Карма: 27
Рейтинг сообщений: 871
Зарегистрирован: Ср май 10, 2017 16:03:11
Сообщений: 1956
Откуда: Тверская область
Рейтинг сообщения: 0
*Тrigger*.Спасибо,одна реальная схема нашлась


Вернуться наверх
 
Не в сети
 Заголовок сообщения: Re: Часы на люминесцентных индикаторах.
СообщениеДобавлено: Ср авг 04, 2021 13:30:09 
Друг Кота
Аватар пользователя

Карма: 38
Рейтинг сообщений: 549
Зарегистрирован: Пн июл 14, 2008 21:28:00
Сообщений: 10686
Откуда: Москва
Рейтинг сообщения: 2
Про ГРИ в книжках то же пишут ,где 500 часов,где 1000.

Посмотрел все имеющиеся у меня этикетки на цифровые ГРИ и самое малое, что увидел - не менее 500ч у ИН-2. У ИН-18 в частности не менее 2000ч, у классических ИН-8, 14, 16... - не менее 5000ч, у ИН-8-2 вообще не менее 10000ч!

_________________
Ищу тиратрон ТХИ1-2000/4, ГРИ ИН-23, ФЭУ-103; 134; 135, 138, 155, 157, лампу ИСШ-7.
Любые ГИС серий 203, 225, 233, 244, 250, 296, 801, 838 в любом состоянии. Компоненты и детали от миниатюрных твердотельных лазеров.


Вернуться наверх
 
Не в сети
 Заголовок сообщения: Re: Часы на люминесцентных индикаторах.
СообщениеДобавлено: Чт авг 05, 2021 21:39:04 
Электрический кот
Аватар пользователя

Карма: 13
Рейтинг сообщений: 782
Зарегистрирован: Сб сен 08, 2012 21:12:12
Сообщений: 1037
Откуда: Зеленоград
Рейтинг сообщения: 0
Приобрел по случаю очень редкие часики Электроника 19-02 с 4-мя будильниками и управляемым выходом 220в на тиристоре. Были в очень ушатанном состоянии, не хватало кнопок, был отломан один вывод накала на ВЛИ, пришлось приводить в божеский вид.
Нет-ли ни у кого-нибудь схемы и документации к ним ? В инете не нашел :(

Изображение Изображение

_________________
Я за грустным, пыльным столом
Я синий как сейф в углу
От нечеткого света ламп
Под названием странным неон...


Вернуться наверх
 
Не в сети
 Заголовок сообщения: Re: Часы на люминесцентных индикаторах.
СообщениеДобавлено: Пт авг 06, 2021 11:37:05 
Опытный кот
Аватар пользователя

Карма: 8
Рейтинг сообщений: 33
Зарегистрирован: Чт ноя 08, 2012 22:28:05
Сообщений: 794
Откуда: Ижевск
Рейтинг сообщения: 0
Вот как надо:

:)))



Фигасе, моя моделька то в качестве примера приведена, аж прям хорошо на душе :)))


Вернуться наверх
 
Не в сети
 Заголовок сообщения: Re: Часы на люминесцентных индикаторах.
СообщениеДобавлено: Пт авг 06, 2021 21:18:30 
Встал на лапы

Карма: -14
Рейтинг сообщений: -57
Зарегистрирован: Вт янв 29, 2013 18:02:17
Сообщений: 127
Рейтинг сообщения: 0
Так а что ты хотел?
На Youtube только ты и slvik победили ИВ-2
:)))


Вернуться наверх
 
Не в сети
 Заголовок сообщения: Re: Часы на люминесцентных индикаторах.
СообщениеДобавлено: Вс авг 08, 2021 17:43:59 
Поставщик валерьянки для Кота

Карма: 34
Рейтинг сообщений: 313
Зарегистрирован: Вс ноя 15, 2009 23:13:59
Сообщений: 2115
Откуда: Харьков
Рейтинг сообщения: 0
Цитата:
Приобрел по случаю очень редкие часики Электроника 19-02 с 4-мя будильниками и управляемым выходом 220в на тиристоре.

Ого, так вот что это за часы я видел у знакомого в детстве! Хорошо помню четыре кнопки с цифрами спереди и кучу кнопок сзади. Интересно бы увидеть начинку.

_________________
Иногда мой питомец уходит в такую спячку, что разбудить его можно только щелчком по первой ноге...


Вернуться наверх
 
Не в сети
 Заголовок сообщения: Re: Часы на люминесцентных индикаторах.
СообщениеДобавлено: Вс авг 08, 2021 18:53:00 
Электрический кот
Аватар пользователя

Карма: 13
Рейтинг сообщений: 782
Зарегистрирован: Сб сен 08, 2012 21:12:12
Сообщений: 1037
Откуда: Зеленоград
Рейтинг сообщения: 0
Изображение Изображение

_________________
Я за грустным, пыльным столом
Я синий как сейф в углу
От нечеткого света ламп
Под названием странным неон...


Вернуться наверх
 
Не в сети
 Заголовок сообщения: Re: Часы на люминесцентных индикаторах.
СообщениеДобавлено: Вс авг 08, 2021 19:36:38 
Поставщик валерьянки для Кота
Аватар пользователя

Карма: 66
Рейтинг сообщений: 536
Зарегистрирован: Чт июл 28, 2016 07:58:37
Сообщений: 1925
Откуда: Kyiv, UA
Рейтинг сообщения: 0
Приобрел по случаю очень редкие часики Электроника 19-02 .....
Нет-ли ни у кого-нибудь схемы и документации к ним ? В инете не нашел :(

Изображение Изображение

Ну можете попробовать нижнюю плату сфоткать подробно с двух сторон, может сообщество и подскажет что то....

_________________
ИзображениеИзображение
Изображение
 
Telegram               Лучшая благодарность ->
[+]


Вернуться наверх
 
Показать сообщения за:  Сортировать по:  Вернуться наверх
Начать новую тему Ответить на тему  [ Сообщений: 9113 ]     ... , , , 413, , , ...  

Часовой пояс: UTC + 3 часа


Кто сейчас на форуме

Сейчас этот форум просматривают: нет зарегистрированных пользователей и гости: 24


Вы не можете начинать темы
Вы не можете отвечать на сообщения
Вы не можете редактировать свои сообщения
Вы не можете удалять свои сообщения
Вы не можете добавлять вложения

Найти:
Перейти:  


Powered by phpBB © 2000, 2002, 2005, 2007 phpBB Group
Русская поддержка phpBB
Extended by Karma MOD © 2007—2012 m157y
Extended by Topic Tags MOD © 2012 m157y