Например TDA7294

Форум РадиоКот • Просмотр темы - Автоматический полив цветов
Форум РадиоКот
Здесь можно немножко помяукать :)

Текущее время: Чт дек 18, 2025 12:56:36

Часовой пояс: UTC + 3 часа


ПРЯМО СЕЙЧАС:



Начать новую тему Ответить на тему  [ Сообщений: 93 ]    , , , , 5
Автор Сообщение
Не в сети
 Заголовок сообщения: Re: Автоматический полив цветов
СообщениеДобавлено: Сб сен 21, 2013 02:49:53 
Друг Кота
Аватар пользователя

Карма: 37
Рейтинг сообщений: 1977
Зарегистрирован: Пн окт 10, 2011 23:53:13
Сообщений: 5199
Откуда: 34rus
Рейтинг сообщения: 0
А кстати, хорошая вещь, это принцип автопоилки для живности. А воду в бутылку может автоматически добавлять из водопровода электроклапан. В бутылке вода будет доходить до комнатной температуры и отстаиваться.
Ещё один плюс - трубки проходят снизу и не портят вид.

_________________
Теория — это когда всё известно, но ничего не работает. Практика — это когда всё работает, но никто не знает почему. Мы же объединяем теорию и практику: ничего не работает, и никто не знает почему! © А. Эйнштейн


Вернуться наверх
 
Не в сети
 Заголовок сообщения: Re: Автоматический полив цветов
СообщениеДобавлено: Вс май 15, 2016 12:08:23 
Открыл глаза
Аватар пользователя

Зарегистрирован: Пт мар 25, 2016 00:47:09
Сообщений: 59
Откуда: Днепр
Рейтинг сообщения: 0
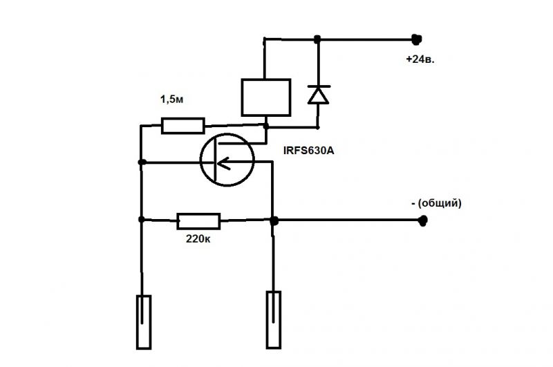
Прошу подсказать, есть бак с чистой водой(обратно осмотическая), надо следить за уровнем. такая схема будет работать? принцип - уровень полный клапан закрыт / уровень упал клапан открыт.
Изображение

Изображение

Изображение


Вернуться наверх
 
Не в сети
 Заголовок сообщения: Re: Автоматический полив цветов
СообщениеДобавлено: Вс май 15, 2016 19:09:33 
Встал на лапы
Аватар пользователя

Зарегистрирован: Чт май 26, 2011 09:28:25
Сообщений: 94
Откуда: Алма-Ата
Рейтинг сообщения: 1
Возможно будет. Только резистор на 220К пожалуй нужно убрать. Еще реле клапана будет часто щелкать в момент, когда емкость будет почти полной (разве что вода набирается тонкой струйкой и не колышется).

_________________
Жадность порождает бедность


Вернуться наверх
 
Не в сети
 Заголовок сообщения: Re: Автоматический полив цветов
СообщениеДобавлено: Вс май 15, 2016 19:35:32 
Открыл глаза
Аватар пользователя

Зарегистрирован: Пт мар 25, 2016 00:47:09
Сообщений: 59
Откуда: Днепр
Рейтинг сообщения: 0
конечно тонкой почти как самогон капает.... обратный осмос медленно набирает примерно 3л в час. тот резистор я поставил для ограничения напряжения и устранения дребезга.
обычно бак с мембраной стоит а я просто переделаю на обычный, как водонапорная башня))
транзистор валяется и пристроить нигде не могу :)


Вернуться наверх
 
Эиком - электронные компоненты и радиодетали
Не в сети
 Заголовок сообщения: Re: Автоматический полив цветов
СообщениеДобавлено: Вс май 22, 2016 22:05:50 
Потрогал лапой паяльник
Аватар пользователя

Зарегистрирован: Чт июл 22, 2010 10:12:09
Сообщений: 371
Рейтинг сообщения: 0
Электролиз случаем не разъест щупы?


Вернуться наверх
 
Не в сети
 Заголовок сообщения: Re: Автоматический полив цветов
СообщениеДобавлено: Вс май 22, 2016 23:56:30 
Мудрый кот
Аватар пользователя

Карма: 29
Рейтинг сообщений: 616
Зарегистрирован: Вт янв 22, 2008 14:45:18
Сообщений: 1751
Откуда: Санкт-Петербург
Рейтинг сообщения: 0
Смотря из чего щупы.


Вернуться наверх
 
Не в сети
 Заголовок сообщения: Re: Автоматический полив цветов
СообщениеДобавлено: Пн май 23, 2016 10:21:33 
Открыл глаза
Аватар пользователя

Зарегистрирован: Пт мар 25, 2016 00:47:09
Сообщений: 59
Откуда: Днепр
Рейтинг сообщения: 0
щупы нержавеющие, при силе тока 0.000016А да в воде с пониженным содержанием солей... думаю что очень долго разъедать будет.)
Полевой транзистор открывается напряжением а не током, потому выбор пал на полевой. Водичка питьевая и электролиз не допустим.
Электроды можно изготовить из чистого олова и тоже будут очень долго служить. :)


Вернуться наверх
 
Не в сети
 Заголовок сообщения: Re: Автоматический полив цветов
СообщениеДобавлено: Сб май 28, 2016 22:28:44 
Потрогал лапой паяльник
Аватар пользователя

Зарегистрирован: Чт июл 22, 2010 10:12:09
Сообщений: 371
Рейтинг сообщения: 0
В своих экспериментах пробовал из нержавейки и из графита, все со временем разъедается.
Кстати вот такой http://ru.aliexpress.com/item/Free-Ship ... ac480e3e71 датчик не берите. Щупы в почве очень быстро растворяются.


Вернуться наверх
 
Не в сети
 Заголовок сообщения: Re: Автоматический полив цветов
СообщениеДобавлено: Пт июл 15, 2016 09:42:12 
Открыл глаза

Карма: 1
Рейтинг сообщений: 0
Зарегистрирован: Ср мар 24, 2010 08:08:20
Сообщений: 42
Рейтинг сообщения: 0
Решил снять видео о своей поливалке, правда ей уже 3 года, зато есть что рассказать :)


Вернуться наверх
 
Не в сети
 Заголовок сообщения: Re: Автоматический полив цветов
СообщениеДобавлено: Пт июл 15, 2016 10:13:07 
Встал на лапы
Аватар пользователя

Зарегистрирован: Чт май 26, 2011 09:28:25
Сообщений: 94
Откуда: Алма-Ата
Рейтинг сообщения: 3
Все-же странно, что многие до сих пор используют неизолированные электроды. Есть-же простая схема для изолированных электродов, давно используется, проверена годами. Ладно... повторюсь.....

На вход GEN нужно подать импульсы с частотой например 1МГц. На выходе Uout будет напряжение обратно пропорциональное влажности. Электроды - два штыря ф1 мм длиной 5..10 см закатанные в термоусадку (концы тоже изолировать). Ничего сложного.

Изображение

_________________
Жадность порождает бедность


Вернуться наверх
 
Не в сети
 Заголовок сообщения: Re: Автоматический полив цветов
СообщениеДобавлено: Пт июл 15, 2016 10:30:17 
Встал на лапы
Аватар пользователя

Зарегистрирован: Чт май 26, 2011 09:28:25
Сообщений: 94
Откуда: Алма-Ата
Рейтинг сообщения: 3
Я так уже давно на емкостные датчики перешел.

Вот в собранном виде
Изображение


А это как он внутри устроен
Изображение

_________________
Жадность порождает бедность


Вернуться наверх
 
Не в сети
 Заголовок сообщения: Re: Автоматический полив цветов
СообщениеДобавлено: Пт июл 15, 2016 15:45:34 
Опытный кот

Карма: 4
Рейтинг сообщений: 81
Зарегистрирован: Пн апр 11, 2011 10:08:52
Сообщений: 844
Рейтинг сообщения: 0
Вот еще датчики


Вернуться наверх
 
Не в сети
 Заголовок сообщения: Re: Автоматический полив цветов
СообщениеДобавлено: Пт июл 15, 2016 22:25:16 
Встал на лапы
Аватар пользователя

Зарегистрирован: Чт май 26, 2011 09:28:25
Сообщений: 94
Откуда: Алма-Ата
Рейтинг сообщения: 0
-=Vovka=- писал(а):
Вот еще датчики

Ну так это мы с Николаем и трудились...

_________________
Жадность порождает бедность


Вернуться наверх
 
Показать сообщения за:  Сортировать по:  Вернуться наверх
Начать новую тему Ответить на тему  [ Сообщений: 93 ]    , , , , 5

Часовой пояс: UTC + 3 часа


Кто сейчас на форуме

Сейчас этот форум просматривают: нет зарегистрированных пользователей и гости: 32


Вы не можете начинать темы
Вы не можете отвечать на сообщения
Вы не можете редактировать свои сообщения
Вы не можете удалять свои сообщения
Вы не можете добавлять вложения

Найти:
Перейти:  


Powered by phpBB © 2000, 2002, 2005, 2007 phpBB Group
Русская поддержка phpBB
Extended by Karma MOD © 2007—2012 m157y
Extended by Topic Tags MOD © 2012 m157y