Например TDA7294

Форум РадиоКот • Просмотр темы - Преобразователи для часов на газоразрядных индикаторах
Форум РадиоКот
Здесь можно немножко помяукать :)

Текущее время: Вт ноя 25, 2025 19:18:15

Часовой пояс: UTC + 3 часа


ПРЯМО СЕЙЧАС:



Начать новую тему Ответить на тему  [ Сообщений: 3034 ]     ... , , , 143, , , ...  
Автор Сообщение
Не в сети
 Заголовок сообщения: Re: Преобразователи для часов на газоразрядных индикаторах
СообщениеДобавлено: Ср мар 11, 2020 17:31:23 
Друг Кота
Аватар пользователя

Карма: 38
Рейтинг сообщений: 549
Зарегистрирован: Пн июл 14, 2008 21:28:00
Сообщений: 10688
Откуда: Москва
Рейтинг сообщения: 0
Неплохой материал, прочитал. Хотя я помню, мы его эту вашу схему тут уже несколько раз обсуждали :)
Жалко, нагрузочная способность у вас маловата для схем со статической индикацией - даже на 4 ИН-ки + неонка между ними в статике уже не хватит...

_________________
Ищу тиратрон ТХИ1-2000/4, ГРИ ИН-23, ФЭУ-103; 134; 135, 138, 155, 157, лампу ИСШ-7.
Любые ГИС серий 203, 225, 233, 244, 250, 296, 801, 838 в любом состоянии. Компоненты и детали от миниатюрных твердотельных лазеров.


Вернуться наверх
 
Не в сети
 Заголовок сообщения: Re: Преобразователи для часов на газоразрядных индикаторах
СообщениеДобавлено: Чт мар 12, 2020 09:22:37 
Опытный кот
Аватар пользователя

Карма: 8
Рейтинг сообщений: 33
Зарегистрирован: Чт ноя 08, 2012 22:28:05
Сообщений: 794
Откуда: Ижевск
Рейтинг сообщения: 0
Ну, схема что я использовал, найденная на сайте Робоса, 6 ИН-18 тащит в динамике не напрягаясь. В теории не шибко силен, но 1) лампы четко светятся 2) преобразователь не греется. Правда по замерам ток на лампах значительно ниже паспортного. Не знаю как это скажется на долговечности, подскажите если кто знает?


Вернуться наверх
 
Не в сети
 Заголовок сообщения: Re: Преобразователи для часов на газоразрядных индикаторах
СообщениеДобавлено: Пт мар 13, 2020 00:18:38 
Друг Кота
Аватар пользователя

Карма: 37
Рейтинг сообщений: 1977
Зарегистрирован: Пн окт 10, 2011 23:53:13
Сообщений: 5199
Откуда: 34rus
Рейтинг сообщения: 1
Заниженный ток увеличивает срок службы (снижается распыление электродов). По хорошему, индикаторы и нужно пользовать при токе ниже паспортного.

_________________
Теория — это когда всё известно, но ничего не работает. Практика — это когда всё работает, но никто не знает почему. Мы же объединяем теорию и практику: ничего не работает, и никто не знает почему! © А. Эйнштейн


Вернуться наверх
 
Не в сети
 Заголовок сообщения: Re: Преобразователи для часов на газоразрядных индикаторах
СообщениеДобавлено: Сб мар 14, 2020 10:22:29 
Держит паяльник хвостом

Карма: 16
Рейтинг сообщений: 135
Зарегистрирован: Сб мар 07, 2015 20:48:22
Сообщений: 900
Откуда: Московская область
Рейтинг сообщения: 0
Для достаточного свечения в динамике необходимо поднимать пиковый ток. Интересно, общее время свечения меньше а вот ток выше. Какое из зол меньшее?
А ток в динамике замерять не надо. Просто считайте по анодному резистору.


Вернуться наверх
 
Эиком - электронные компоненты и радиодетали
Не в сети
 Заголовок сообщения: Re: Преобразователи для часов на газоразрядных индикаторах
СообщениеДобавлено: Сб мар 14, 2020 14:31:22 
Грызет канифоль
Аватар пользователя

Карма: 2
Рейтинг сообщений: 46
Зарегистрирован: Сб янв 23, 2016 10:30:29
Сообщений: 251
Рейтинг сообщения: 0
Интересно, общее время свечения меньше а вот ток выше. Какое из зол меньшее?

Поровну.


Вернуться наверх
 
Не в сети
 Заголовок сообщения: Re: Преобразователи для часов на газоразрядных индикаторах
СообщениеДобавлено: Ср апр 15, 2020 15:15:39 
Прорезались зубы

Карма: 2
Рейтинг сообщений: 85
Зарегистрирован: Вс ноя 16, 2014 17:38:17
Сообщений: 211
Рейтинг сообщения: 0
В продолжение темы о преобразователях работающих на покупных трансформаторах от 3-5 V

Есть такой преобразователь, который очень крут заявлен по своим характеристикам NCH8200HV. 86% эффективность преобразователя.

Изображение

Нашел интересную страничку одного японского любителя, который предполагает, что используется микросхема MAX669
https://marinesnow-jp.jimdofree.com/%E3 ... %E6%9D%BF/

Учитывая, что такие трансформаторы или очень похожие на него можно купить на алиэкспресс, то может и схемку продизайнить можно? Сходу такую схему не нашел. Кто может целеуказать правильную, типа аналога.

Параметры трансформатора, кторые продаются на али 1:10 0.8 А
Первичная индуктивность: 56 uH
Вторичная индуктивность: 5 uH


Вернуться наверх
 
Не в сети
 Заголовок сообщения: Re: Преобразователи для часов на газоразрядных индикаторах
СообщениеДобавлено: Вс апр 19, 2020 06:58:14 
Первый раз сказал Мяу!

Зарегистрирован: Пн апр 18, 2011 13:54:03
Сообщений: 21
Откуда: г. Москва
Рейтинг сообщения: 0
За давностию лет тема неактуальная. Но может кому пригодится мой опыт, т.к. сам набрёл на этот форум в поисках схемы. Решил построить преобразователь на МС34063 по приведённой схеме, но сразу ничего не заработало. Пришлось менять все транзисторы: вместо предварительного каскада (4148- КТ3107) поставил двухтакт на КТ3102-КТ3107. Вообще не понимаю исходную схему на 4148-КТ3107. Но основная загвоздка была в том, что на выходе вхолостую было только около 60 В. И MOSFET грелся (он был б/у). Проблема разрешилась после замены MOSFET.


Последний раз редактировалось leopard Вс апр 19, 2020 07:09:36, всего редактировалось 1 раз.

Вернуться наверх
 
Не в сети
 Заголовок сообщения: Re: Преобразователи для часов на газоразрядных индикаторах
СообщениеДобавлено: Вс апр 19, 2020 07:03:41 
Друг Кота
Аватар пользователя

Карма: 50
Рейтинг сообщений: 1398
Зарегистрирован: Пт авг 28, 2009 21:34:30
Сообщений: 7316
Откуда: 845-й км.
Рейтинг сообщения: 0
Медали: 1
Получил миской по аватаре (1)
Так, может, достаточно было просто поменять мосфет и не трогать полудрайвер? ;)

_________________
А люди посмотрят и скажут: "Собаки летят. Вот и осень."


Вернуться наверх
 
Не в сети
 Заголовок сообщения: Re: Преобразователи для часов на газоразрядных индикаторах
СообщениеДобавлено: Вс апр 19, 2020 07:16:09 
Первый раз сказал Мяу!

Зарегистрирован: Пн апр 18, 2011 13:54:03
Сообщений: 21
Откуда: г. Москва
Рейтинг сообщения: 0
Может и так, когда на все 100 уверен в работоспособности. Сначала с этим "полудрайвером" у меня стала греться микруха, а когда я заменил его на двухтакт, микруха не грелась.


Вернуться наверх
 
Не в сети
 Заголовок сообщения: Re: Преобразователи для часов на газоразрядных индикаторах
СообщениеДобавлено: Вс апр 19, 2020 07:53:58 
Друг Кота
Аватар пользователя

Карма: 50
Рейтинг сообщений: 1398
Зарегистрирован: Пт авг 28, 2009 21:34:30
Сообщений: 7316
Откуда: 845-й км.
Рейтинг сообщения: 0
Медали: 1
Получил миской по аватаре (1)
А то, что микросхема могла греться из-за ошибок монтажа или неисправности компонентов вы исключаете?

_________________
А люди посмотрят и скажут: "Собаки летят. Вот и осень."


Вернуться наверх
 
Не в сети
 Заголовок сообщения: Re: Преобразователи для часов на газоразрядных индикаторах
СообщениеДобавлено: Вс апр 19, 2020 15:40:30 
Первый раз сказал Мяу!

Зарегистрирован: Пн апр 18, 2011 13:54:03
Сообщений: 21
Откуда: г. Москва
Рейтинг сообщения: 0
У меня исходный вариант не заработал.
Случайная ошибка возможна, хотя я всё проверил, но детали использовал старые. Прикрепил участок рабочей схемы.

Добавлено after 18 minutes 37 seconds:
Вот лучше посоветуйте, тут идут споры о выходном токе, который может обеспечить эта схема. Зависит ли этот ток от величины индуктивности? Логично предположить, что большая индуктивность запасёт больше энергии, следовательно повысится и нагрузочная способность всего преобразователя. И ещё момент - зависит ли нагрузочная способность о времени восстановления диода?


Вложения:
участок.jpg [34.56 KiB]
Скачиваний: 333
Вернуться наверх
 
Не в сети
 Заголовок сообщения: Re: Преобразователи для часов на газоразрядных индикаторах
СообщениеДобавлено: Вс апр 19, 2020 15:41:45 
Друг Кота
Аватар пользователя

Карма: 50
Рейтинг сообщений: 1398
Зарегистрирован: Пт авг 28, 2009 21:34:30
Сообщений: 7316
Откуда: 845-й км.
Рейтинг сообщения: 0
Медали: 1
Получил миской по аватаре (1)
E = (L * (I^2))/2.

i = t* (U/L).

Поясню, пожалуй...
Цитата:
Логично предположить, что большая индуктивность запасёт больше энергии, следовательно повысится и нагрузочная способность всего преобразователя.
Вот две формулы: Энергии накопленной в индуктивности - прямопропорциональна индуктивности и квадрату протекающего тока. Казалось бы, если взять индуктивность в два раза больше, то и энергии накопится тоже в два раза больше.
Но это не так. Есть еще и вторая формула - скорость нарастания тока от времени. Т.е. если ничего не менять, кроме индуктивности, то за тот же период, при удвоенной, скажем, индуктивности - ток окажется в два раза меньше. Что в первой формуле даст уменьшение накопленной энергии не в два, а в четыре раза. Вот так и получается - увеличив индуктивность в два раза, мощность упадёт в два раза.

_________________
А люди посмотрят и скажут: "Собаки летят. Вот и осень."


Вернуться наверх
 
Не в сети
 Заголовок сообщения: Re: Преобразователи для часов на газоразрядных индикаторах
СообщениеДобавлено: Вс апр 19, 2020 17:36:07 
Первый раз сказал Мяу!

Зарегистрирован: Пн апр 18, 2011 13:54:03
Сообщений: 21
Откуда: г. Москва
Рейтинг сообщения: 0
Да, вторая формула - это важный момент. Скорее важно всё в совокупе.


Вернуться наверх
 
Не в сети
 Заголовок сообщения: Re: Преобразователи для часов на газоразрядных индикаторах
СообщениеДобавлено: Ср май 13, 2020 22:20:51 
Потрогал лапой паяльник
Аватар пользователя

Карма: 5
Рейтинг сообщений: 80
Зарегистрирован: Вс фев 03, 2013 00:47:59
Сообщений: 349
Откуда: Киев
Рейтинг сообщения: 0
Недавно столкнулся с проблемой: нужно запитать четыре Z568 в динамике, а на плате только преобразователь на 34063 + дроссель. Требуется ток около 8мА, и не хочется, чтобы что-то грелось в закрытом корпусе. (Дроссель данного преобразователя при питании четырех ИН-12 разогревался до 60°С в закрытом корпусе.)
Я долго мучился и пришел к решению - вместо дросселя поставить трансформатор от импульсного блока питания 12в. Получился flyback. Детали с помойки, увы. Возможны ошибки дилетанта.
В результате нагрев: транзистор - 50°С, трансформатор - 40°С. КПД примерно 73%.
Прокомментируйте схемку. Какие есть мысли улучшить или заменить преобразователь?
Изображение


Вложения:
Преобразователь.jpg [107.76 KiB]
Скачиваний: 1563
Вернуться наверх
 
Не в сети
 Заголовок сообщения: Re: Преобразователи для часов на газоразрядных индикаторах
СообщениеДобавлено: Чт май 14, 2020 10:12:21 
Друг Кота

Карма: 64
Рейтинг сообщений: 1017
Зарегистрирован: Пт мар 07, 2008 06:54:43
Сообщений: 4362
Откуда: Ижевск
Рейтинг сообщения: 0
MC34063 с трансформатором позволяет выкинуть IR4427 IRFZ46 при тех же параметрах. Неоднократно была выложена схема из AN920
СпойлерИзображение


Вернуться наверх
 
Не в сети
 Заголовок сообщения: Re: Преобразователи для часов на газоразрядных индикаторах
СообщениеДобавлено: Чт май 14, 2020 14:31:59 
Потрогал лапой паяльник
Аватар пользователя

Карма: 5
Рейтинг сообщений: 80
Зарегистрирован: Вс фев 03, 2013 00:47:59
Сообщений: 349
Откуда: Киев
Рейтинг сообщения: 0
Согласен. Но сомневаюсь, что 34063 потянет. Ток первичной цепи около 1.2-1.5А. Притом все это уже было на плате. К стати, интересно, на что способна эта схема на китайском микро трансформаторе.


Вернуться наверх
 
Не в сети
 Заголовок сообщения: Re: Преобразователи для часов на газоразрядных индикаторах
СообщениеДобавлено: Чт май 14, 2020 17:27:33 
Держит паяльник хвостом

Карма: 16
Рейтинг сообщений: 135
Зарегистрирован: Сб мар 07, 2015 20:48:22
Сообщений: 900
Откуда: Московская область
Рейтинг сообщения: 0
Может просто дроссель недостаточно мощный был? Шило на мыло. Трансформатор не меньше.


Вернуться наверх
 
Не в сети
 Заголовок сообщения: Re: Преобразователи для часов на газоразрядных индикаторах
СообщениеДобавлено: Пт май 15, 2020 10:35:16 
Потрогал лапой паяльник
Аватар пользователя

Карма: 5
Рейтинг сообщений: 80
Зарегистрирован: Вс фев 03, 2013 00:47:59
Сообщений: 349
Откуда: Киев
Рейтинг сообщения: 0
Я перепробовал несколько мощных дросселей - нагрев был довольно сильный. :?
Для мощности нужны габариты. Но габариты - не гарантия эффективности.


Вернуться наверх
 
Не в сети
 Заголовок сообщения: Re: Преобразователи для часов на газоразрядных индикаторах
СообщениеДобавлено: Вт июн 09, 2020 14:49:16 
Поставщик валерьянки для Кота
Аватар пользователя

Карма: 21
Рейтинг сообщений: 267
Зарегистрирован: Вт ноя 03, 2009 21:02:38
Сообщений: 2042
Откуда: Москва
Рейтинг сообщения: 0
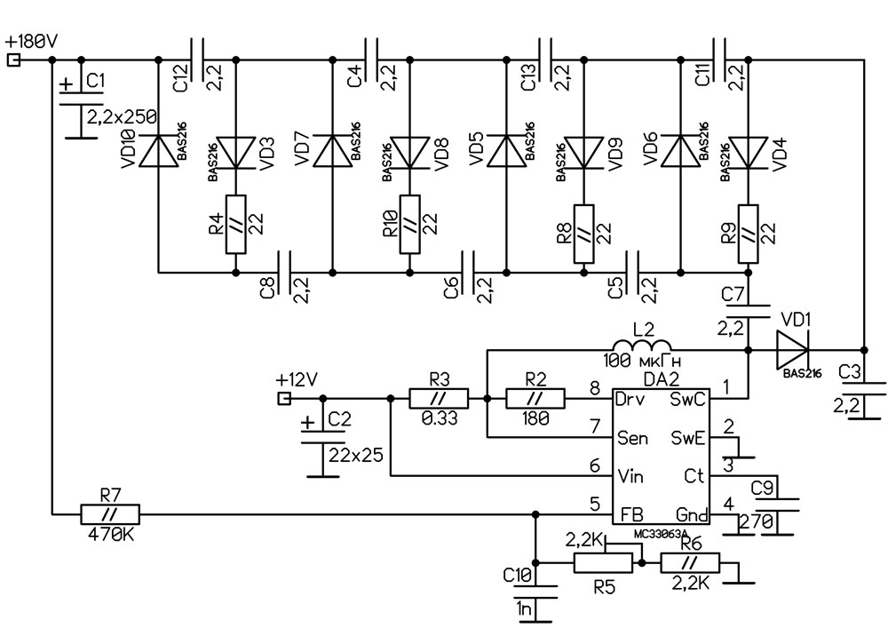
Опять спаял множик. 75% КПД


Вложения:
MC34063_180.jpg [107.27 KiB]
Скачиваний: 558
Вернуться наверх
 
Не в сети
 Заголовок сообщения: Re: Преобразователи для часов на газоразрядных индикаторах
СообщениеДобавлено: Вт июн 09, 2020 17:36:15 
Держит паяльник хвостом

Карма: 16
Рейтинг сообщений: 135
Зарегистрирован: Сб мар 07, 2015 20:48:22
Сообщений: 900
Откуда: Московская область
Рейтинг сообщения: 0
2 "Microtech"
Подскажите на какой вольтаж и какие конденсаторы у вас в умножителе? SMD керамика? И зачем нужны резисторы у части диодов? Первый раз встречаю такое в умножителе.


Вернуться наверх
 
Показать сообщения за:  Сортировать по:  Вернуться наверх
Начать новую тему Ответить на тему  [ Сообщений: 3034 ]     ... , , , 143, , , ...  

Часовой пояс: UTC + 3 часа


Кто сейчас на форуме

Сейчас этот форум просматривают: нет зарегистрированных пользователей и гости: 15


Вы не можете начинать темы
Вы не можете отвечать на сообщения
Вы не можете редактировать свои сообщения
Вы не можете удалять свои сообщения
Вы не можете добавлять вложения

Найти:
Перейти:  


Powered by phpBB © 2000, 2002, 2005, 2007 phpBB Group
Русская поддержка phpBB
Extended by Karma MOD © 2007—2012 m157y
Extended by Topic Tags MOD © 2012 m157y