Например TDA7294

Форум РадиоКот • Просмотр темы - Вопросы по механической развертке
Форум РадиоКот
Здесь можно немножко помяукать :)

Текущее время: Чт мар 12, 2026 14:14:53

Часовой пояс: UTC + 3 часа


ПРЯМО СЕЙЧАС:



Начать новую тему Ответить на тему  [ Сообщений: 334 ]     ... , , , 7, , , ...  
Автор Сообщение
 Заголовок сообщения:
СообщениеДобавлено: Чт сен 04, 2008 21:23:18 
Встал на лапы

Зарегистрирован: Вт май 20, 2008 09:03:53
Сообщений: 112
Рейтинг сообщения: 0
demson писал(а):
доработка с датчиками температуры однозначно будет будут пять датчиков по одному на гальванометры по одному на радиаторы и один на лазер 5 датчиков к 1-wire
на счет оу возможно оу lm675t подключить по току или это физическая характеристика элемента?


Можно сделать температурный мониторинг в реальном времени, в некоторых дорогих проекторах есть такая опция, но чтобы вывести данные температуры на комп, потребуется использование специального софта для лазерных проекторов, этот софт платный и стоит не малых денег.

В инфе про LM675 сказано, что он используется в сервосистемах, проектор как раз попадает под эту категорию, LM675 достаточно мощное ОУ в этом плане и может использоваться в схемах управления заводскими гальванометами, которые на порядок быстрее самодельных.

lm3886 - это аудио усилитель, если начать разгонять гальванометры свыше 18K то он в большинстве своих случаев сгорает, хотя на некоторых форумах пишут, что он сгорал и при меньших скоростях. Да и в добавок lm3886 стоит почти столько же как LM675.


demson, вы где заказывали LM675? Если можно, то дайте ссылку на сайт, где вы делали заказ.


Вернуться наверх
 
 Заголовок сообщения:
СообщениеДобавлено: Чт сен 04, 2008 22:09:24 
IT KT
Аватар пользователя

Карма: 19
Рейтинг сообщений: 10
Зарегистрирован: Пн авг 25, 2008 08:49:33
Сообщений: 1309
Рейтинг сообщения: 0
Медали: 1
Получил миской по аватаре (1)
chipinfo.ru там но он еше идет по почте вчера только выслали как придет поделюсь впечатлениями.

на счет схемы как подлючать чтобы изменять ток, или оставить как есть (ну резистор подключу на 0). подавать планирую шим сигнал.
обратная связь фотодатчиком который подцеплен к выводам АЦП с максимальным усилением 200.

Причем тут дорогостоящий софт? все будет писаться от а до я. ну может быть и не до я но всетаки програмно реализовать функцию мониторинга температуры не сложно сложно сейчас все это загнать в пк есть у кого мысли про usb драйвера, прошивку МК?

и чуть не забыл про управление?
Всетаки ШИМ или просто цифра?


Вернуться наверх
 
 Заголовок сообщения:
СообщениеДобавлено: Вс сен 07, 2008 09:35:16 
Поставщик валерьянки для Кота

Карма: 16
Рейтинг сообщений: 329
Зарегистрирован: Вт ноя 27, 2007 11:32:06
Сообщений: 2222
Откуда: Tashkent
Рейтинг сообщения: 0
demson писал(а):
на счет оу возможно оу lm675t подключить по току или это физическая характеристика элемента?

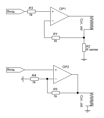
Это разновидности схем включения стандартных усилителей.
Во вложении первая схема с ОС по току, вторая по напряжению.


Вложения:
opamp.GIF [3.79 KiB]
Скачиваний: 814
Вернуться наверх
 
 Заголовок сообщения:
СообщениеДобавлено: Вс сен 07, 2008 09:49:33 
Поставщик валерьянки для Кота

Карма: 16
Рейтинг сообщений: 329
Зарегистрирован: Вт ноя 27, 2007 11:32:06
Сообщений: 2222
Откуда: Tashkent
Рейтинг сообщения: 0
<<Dimon>> писал(а):
lm3886 - это аудио усилитель, если начать разгонять гальванометры свыше 18K то он в большинстве своих случаев сгорает, хотя на некоторых форумах пишут, что он сгорал и при меньших скоростях.

Я не знаю откуда у вас такая информация.
Хотя я и не являюсь "фанатом" ИМС LM3886, но мои эксперименты показали весьма неплохие характеристики. Я разгонял систему и до 25К(конечно гальванометры не показывали хорошие картинки) и ничего не сгорело. Один раз правда чип помер, но из-за того что я перепутал провода от источника питания и произошла переполюсовка.
Возможно вы неправильно поняли- сканеры горят из-за повышенной скорости, но усилители очень, очень редко. LM3886 держит ток 10 ампер. Я думаю далеко не каждый блок питания способен обеспечить такой выходной ток.
Вот для примера профессиональный драйвер для сканеров MiniSAX. Работает со сканерами на скоростях до 50К-60К. Собран как раз на LM3886. Я думаю что эта фирма серьезная, веников не вяжет и в усилители что попало ставить не станет. ПДФчик я перекомпилировал и выложил только начальную часть, т.к. форум имеет ограничение на размер фалов.


Вложения:
MiniSAX.pdf [90.76 KiB]
Скачиваний: 671
Вернуться наверх
 
Эиком - электронные компоненты и радиодетали
 Заголовок сообщения:
СообщениеДобавлено: Вс сен 07, 2008 10:30:08 
Встал на лапы

Зарегистрирован: Вт май 20, 2008 09:03:53
Сообщений: 112
Рейтинг сообщения: 0
uk8amk, а можешь полностью залить PDF файл на какой нибудь обменник, очень охота посмотреть его полностью.


Вернуться наверх
 
 Заголовок сообщения:
СообщениеДобавлено: Вс сен 07, 2008 11:41:07 
IT KT
Аватар пользователя

Карма: 19
Рейтинг сообщений: 10
Зарегистрирован: Пн авг 25, 2008 08:49:33
Сообщений: 1309
Рейтинг сообщения: 0
Медали: 1
Получил миской по аватаре (1)
значит делаем по току.
в принципе плату развел но за неимением большого опыта сделал экрана побольше гляньте как нормально?
смотрим тут http://demsones.narod.ru/GALVO.dip
если нету diptraсe то http://demsones.narod.ru/galvo_ver3.gif (качество страдает)


Вернуться наверх
 
 Заголовок сообщения:
СообщениеДобавлено: Вс сен 07, 2008 13:37:07 
Поставщик валерьянки для Кота

Карма: 16
Рейтинг сообщений: 329
Зарегистрирован: Вт ноя 27, 2007 11:32:06
Сообщений: 2222
Откуда: Tashkent
Рейтинг сообщения: 0
Кондеры те что по питанию посадите прямо на выводы ОУ. На худой конец поставьте на плате поближе. И проводники питания сделайте более толстыми, по ним могут течь токи в несколько ампер и они не должны оказывать заметного активного и индуктивного сопротивления. Иначе как возбудится, лучше короче не рассказывать что будет если начнет возбуждаться:)


Вернуться наверх
 
 Заголовок сообщения:
СообщениеДобавлено: Вс сен 07, 2008 13:47:07 
Поставщик валерьянки для Кота

Карма: 16
Рейтинг сообщений: 329
Зарегистрирован: Вт ноя 27, 2007 11:32:06
Сообщений: 2222
Откуда: Tashkent
Рейтинг сообщения: 0
Вот качай отсюда полный Minisax Users Manual
http://slil.ru/26122563


Вернуться наверх
 
 Заголовок сообщения:
СообщениеДобавлено: Вс сен 07, 2008 15:29:57 
IT KT
Аватар пользователя

Карма: 19
Рейтинг сообщений: 10
Зарегистрирован: Пн авг 25, 2008 08:49:33
Сообщений: 1309
Рейтинг сообщения: 0
Медали: 1
Получил миской по аватаре (1)
с кондюками понятно а что с дорожками на сколько толще щас 1 мм.
2.5 мм чтоли или как?


Вернуться наверх
 
 Заголовок сообщения:
СообщениеДобавлено: Пн сен 08, 2008 07:40:07 
Поставщик валерьянки для Кота

Карма: 16
Рейтинг сообщений: 329
Зарегистрирован: Вт ноя 27, 2007 11:32:06
Сообщений: 2222
Откуда: Tashkent
Рейтинг сообщения: 0
Чем толще и короче тем лучше. И не забывайте про землю. Для получения хороших должно быть одноточечное соединение. Посмотрите в даташите рекомендуемую печатку для какой-нибудь микросхемы музыкального усилителя мощности и вам все сразу станет ясно.


Вернуться наверх
 
 Заголовок сообщения:
СообщениеДобавлено: Пн сен 08, 2008 18:37:08 
Вымогатель припоя

Карма: 3
Рейтинг сообщений: 3
Зарегистрирован: Чт янв 24, 2008 19:18:20
Сообщений: 659
Откуда: Хабаровск
Рейтинг сообщения: 0
Может кого и заинтересует...
Быстрые двигатели

_________________
...'@'...@....
.>Ж<>М<..
.../\..../.\....
Кто умеет делать - тот делает.
Кто не умеет делать - тот учит, как надо делать.
Кто не умеет учить, как надо делать - тот учит, как надо учить...


Вернуться наверх
 
 Заголовок сообщения:
СообщениеДобавлено: Вт сен 09, 2008 14:12:20 
IT KT
Аватар пользователя

Карма: 19
Рейтинг сообщений: 10
Зарегистрирован: Пн авг 25, 2008 08:49:33
Сообщений: 1309
Рейтинг сообщения: 0
Медали: 1
Получил миской по аватаре (1)
дородки стали 2 мм, больше экрана, конденцатор посажен ав выводы ОУ
новые кондюки по питанию на 4700 мкф
http://demsones.narod.ru/GALVO1.dip
будет еще конструктивная критика?
критикуйте не бойтесь ведь легче исправить на стадии разработки чем перетравливать.


Вернуться наверх
 
 Заголовок сообщения:
СообщениеДобавлено: Ср сен 10, 2008 09:42:03 
Поставщик валерьянки для Кота

Карма: 16
Рейтинг сообщений: 329
Зарегистрирован: Вт ноя 27, 2007 11:32:06
Сообщений: 2222
Откуда: Tashkent
Рейтинг сообщения: 0
Гифчик положи а то это чудо смотреть нечем. А вобще если точно не известно как будет работать схема и что там еще менять надо то лучше собирать на макетках. А уже потом на печать переносить.
И еще вопрос там петля открытая или закрытая будет?


Вернуться наверх
 
 Заголовок сообщения:
СообщениеДобавлено: Ср сен 10, 2008 13:47:24 
IT KT
Аватар пользователя

Карма: 19
Рейтинг сообщений: 10
Зарегистрирован: Пн авг 25, 2008 08:49:33
Сообщений: 1309
Рейтинг сообщения: 0
Медали: 1
Получил миской по аватаре (1)
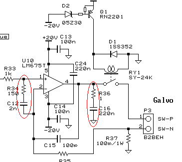
http://demsones.narod.ru/galvo_ver4.gif
макетка само собой но всеже и о реальной плате надо думать.
какие есть мысли?

что еще за петля?
и еще вопрос какую роль играют фильтры обозначенные красным- фаил в приложении.


Вложения:
sxem_galvo.gif [5.24 KiB]
Скачиваний: 750
Вернуться наверх
 
 Заголовок сообщения:
СообщениеДобавлено: Чт сен 11, 2008 10:53:24 
Поставщик валерьянки для Кота

Карма: 16
Рейтинг сообщений: 329
Зарегистрирован: Вт ноя 27, 2007 11:32:06
Сообщений: 2222
Откуда: Tashkent
Рейтинг сообщения: 0
Ну имелось в виду будет серво или просто open-loop.
Фильтры для частотной коррекции. С R34C12 у меня возбуждалось поэтому я его просто выкинул(правда ИМС другая) а R36C16 оставил.


Вернуться наверх
 
 Заголовок сообщения:
СообщениеДобавлено: Чт сен 11, 2008 14:04:16 
IT KT
Аватар пользователя

Карма: 19
Рейтинг сообщений: 10
Зарегистрирован: Пн авг 25, 2008 08:49:33
Сообщений: 1309
Рейтинг сообщения: 0
Медали: 1
Получил миской по аватаре (1)
обратная связь безусловно будет, она выполнена на фотодиодах, подключенных к ацп с максимальным усилением 200


Вернуться наверх
 
 Заголовок сообщения:
СообщениеДобавлено: Пт сен 12, 2008 11:27:21 
Поставщик валерьянки для Кота

Карма: 16
Рейтинг сообщений: 329
Зарегистрирован: Вт ноя 27, 2007 11:32:06
Сообщений: 2222
Откуда: Tashkent
Рейтинг сообщения: 0
Чего-то как-то странно что обратная связь через цифру. А почему не лучше использовать стандартные(аналоговые) схемы?


Вернуться наверх
 
 Заголовок сообщения:
СообщениеДобавлено: Пт сен 12, 2008 18:39:49 
IT KT
Аватар пользователя

Карма: 19
Рейтинг сообщений: 10
Зарегистрирован: Пн авг 25, 2008 08:49:33
Сообщений: 1309
Рейтинг сообщения: 0
Медали: 1
Получил миской по аватаре (1)
мне хочется реализовать программное управление разверткой, по этому цифра.

прислали мне мой заказ, так что начинаю ваять схему с оу. Всетаки разведу как на рисунке (выше в приложении) а там уже можно просто не запаивать некоторые детали.


Вернуться наверх
 
 Заголовок сообщения:
СообщениеДобавлено: Сб сен 13, 2008 10:15:46 
Встал на лапы

Зарегистрирован: Вт май 20, 2008 09:03:53
Сообщений: 112
Рейтинг сообщения: 0
demson, ты на каком сайте заказывал детали?


Вернуться наверх
 
 Заголовок сообщения:
СообщениеДобавлено: Сб сен 13, 2008 15:10:53 
IT KT
Аватар пользователя

Карма: 19
Рейтинг сообщений: 10
Зарегистрирован: Пн авг 25, 2008 08:49:33
Сообщений: 1309
Рейтинг сообщения: 0
Медали: 1
Получил миской по аватаре (1)
заказывал в chipinfo.ru


Вернуться наверх
 
Показать сообщения за:  Сортировать по:  Вернуться наверх
Начать новую тему Ответить на тему  [ Сообщений: 334 ]     ... , , , 7, , , ...  

Часовой пояс: UTC + 3 часа


Вы не можете начинать темы
Вы не можете отвечать на сообщения
Вы не можете редактировать свои сообщения
Вы не можете удалять свои сообщения
Вы не можете добавлять вложения

Найти:
Перейти:  


Powered by phpBB © 2000, 2002, 2005, 2007 phpBB Group
Русская поддержка phpBB
Extended by Karma MOD © 2007—2012 m157y
Extended by Topic Tags MOD © 2012 m157y