Например TDA7294

Форум РадиоКот • Просмотр темы - Ищу схему светильника ретро, под керосинку (~ЗИК)
Форум РадиоКот
Здесь можно немножко помяукать :)

Текущее время: Сб фев 14, 2026 18:54:33

Часовой пояс: UTC + 3 часа


ПРЯМО СЕЙЧАС:



Начать новую тему Ответить на тему  [ Сообщений: 26 ]  1,  
Автор Сообщение
Не в сети
 Заголовок сообщения: Ищу схему светильника ретро, под керосинку (~ЗИК)
СообщениеДобавлено: Вс июн 19, 2022 16:03:51 
Друг Кота
Аватар пользователя

Карма: -34
Рейтинг сообщений: 556
Зарегистрирован: Пт июл 25, 2014 12:25:27
Сообщений: 6214
Откуда: Свердловская обл.
Рейтинг сообщения: 0
В сети пишут, что это:

Лампа настольная СССР винтаж зик

Лампа настольная, СССР. Свердловск 1982 г. Винтаж

Изображение

Схему у подобных ламп различаются. Схему той что у меня, платы, не вижу. Провода откушены.
На плате нет мелких транзисторов.
Диодный мостик, диод, тиристор, две катушки, 4 кондёра , подстроечник и внешне - потенциометр с выключателем.

_________________
Гуглить умею, но гораздо более ценю живые мнения+личный опыт.
http://www.youtube.com/watch?v=NUysiCX- ... r_embedded


Вернуться наверх
 
Не в сети
 Заголовок сообщения: Re: Ищу схему светильника ретро, под керосинку (~ЗИК)
СообщениеДобавлено: Вс июн 19, 2022 16:19:03 
Друг Кота

Карма: 67
Рейтинг сообщений: 1964
Зарегистрирован: Сб дек 18, 2021 19:25:32
Сообщений: 12867
Рейтинг сообщения: 0
не диод, а динистор. схема там классического диммера.

например, вот такого (этот - от педали швейной машинки):
Изображение


И чинить там практически нечего.
Да и схему легко самому нарисовать. Вот выше - это я с педальки и нарисовал. Минут 15 заняло.


Вернуться наверх
 
В сети
 Заголовок сообщения: Re: Ищу схему светильника ретро, под керосинку (~ЗИК)
СообщениеДобавлено: Вс июн 19, 2022 16:24:55 
Друг Кота
Аватар пользователя

Карма: 107
Рейтинг сообщений: 3328
Зарегистрирован: Сб фев 11, 2017 15:59:13
Сообщений: 14916
Откуда: 57 RUS
Рейтинг сообщения: 0
Что-то из этой серии, плюс добавлены дроссели и ёмкости по питанию:

Изображение

_________________
НАРОДОВЛАСТИЕ а не кланово-олигархическая дерьмократия!!!
Цифровому рабству, навязываемому цифровым олигархатом - НЕТ!


Вернуться наверх
 
Не в сети
 Заголовок сообщения: Re: Ищу схему светильника ретро, под керосинку (~ЗИК)
СообщениеДобавлено: Вс июн 19, 2022 17:09:10 
Друг Кота
Аватар пользователя

Карма: -34
Рейтинг сообщений: 556
Зарегистрирован: Пт июл 25, 2014 12:25:27
Сообщений: 6214
Откуда: Свердловская обл.
Рейтинг сообщения: 0
Что-то глюкнуло с форумом. Я нажал предосмотр и вышла какая-то ошибка. и снова.
Ошибочно созданные темы.

Martian писал(а):
И чинить там практически нечего.
Да и схему легко самому нарисовать.


Тема создана ошибочно. И в трёх экземплярах. Модератор, удалите пожалуйста все.

Martian, ну почему нечего? Моя плата рабочая, и я предложил её донором тому, у кого лампа не работает.
Но я не знаю причину. А сломаться там может и включатель-регулятор, и там целых 4 штуки старых советских кондёров для работы с 220 вольт. Всякие там, МБМ.

Спасибо за схемы. У меня другая (например 2 катушки), но и этих достаточно.

_________________
Гуглить умею, но гораздо более ценю живые мнения+личный опыт.
http://www.youtube.com/watch?v=NUysiCX- ... r_embedded


Вернуться наверх
 
Эиком - электронные компоненты и радиодетали
Не в сети
 Заголовок сообщения: Re: Ищу схему светильника ретро, под керосинку (~ЗИК)
СообщениеДобавлено: Вс июн 19, 2022 17:20:50 
Друг Кота

Карма: 67
Рейтинг сообщений: 1964
Зарегистрирован: Сб дек 18, 2021 19:25:32
Сообщений: 12867
Рейтинг сообщения: 0
под "нечего" имел ввиду "очень легко", "схема почти не нужна" и т. д.


Вернуться наверх
 
Не в сети
 Заголовок сообщения: Re: Ищу схему светильника ретро, под керосинку (~ЗИК)
СообщениеДобавлено: Вс июн 19, 2022 17:53:24 
Друг Кота
Аватар пользователя

Карма: 197
Рейтинг сообщений: 8630
Зарегистрирован: Пн ноя 30, 2009 03:00:01
Сообщений: 43475
Откуда: Нерезиновая
Рейтинг сообщения: 0
У меня другая (например 2 катушки), но и этих достаточно.

2 катушки- это потому, что схема "из СССР" - это помехоподавляющие ДРОССЕЛИ.
Вот, например:
https://darudar.org/gift/2203158/
И у всех эти катушки нещадно трещали.. :facepalm:
http://www.airalania.ru/airm/186/25/index.shtml
Изображение
Только не КП102Ж а КН102Ж: :dont_know:


Вложения:
Светорегулятор СССР.png [113.15 KiB]
Скачиваний: 5553
Вернуться наверх
 
Не в сети
 Заголовок сообщения: Re: Ищу схему светильника ретро, под керосинку (~ЗИК)
СообщениеДобавлено: Вс июн 19, 2022 21:10:01 
Друг Кота
Аватар пользователя

Карма: -34
Рейтинг сообщений: 556
Зарегистрирован: Пт июл 25, 2014 12:25:27
Сообщений: 6214
Откуда: Свердловская обл.
Рейтинг сообщения: 0
АлександрЛ писал(а):
Вот, например:

Да, я смотрел эту схему, но это тоже не она. В моей схеме параллельно переменнику, регулирующему яркость, стоит подстроечник на 1 мОм.

Я когда плату хорошо рассмотрел, то всё стало ясно, а тему уже создались))

Тогда попутный вопрос. Светодиодная лампа 220 вольт будет в этой схеме регулироваться по яркости? Или тут только для нити накала?

_________________
Гуглить умею, но гораздо более ценю живые мнения+личный опыт.
http://www.youtube.com/watch?v=NUysiCX- ... r_embedded


Вернуться наверх
 
Не в сети
 Заголовок сообщения: Re: Ищу схему светильника ретро, под керосинку (~ЗИК)
СообщениеДобавлено: Вс июн 19, 2022 21:15:57 
Друг Кота
Аватар пользователя

Карма: 197
Рейтинг сообщений: 8630
Зарегистрирован: Пн ноя 30, 2009 03:00:01
Сообщений: 43475
Откуда: Нерезиновая
Рейтинг сообщения: 0
Martel- писал(а):
Тогда попутный вопрос. Светодиодная лампа 220 вольт будет в этой схеме регулироваться по яркости? Или тут только для нити накала?
99,9% что нет.
1- у таких диммеров есть минимальная мщжность, при которой они работают. Например- тот же "Светон 300"-
СпойлерИзображение

https://st.violity.com/auction/big/auct ... 529089.jpg
минимальная мощность, если я правильно помню, 25 ватт, при меньшей мощности, он, либо не работает, либо мигает.. :dont_know:
2- не каждая светодиодная лампа "диммируется" - в схеме светодиодной лампы стоит СТАБИЛИЗАТОР ТОКА, который, при диммировании, начинает увеличивать ток через светодиоды, и никакой регулировки не получается.. А потом лампа просто "резко гаснет".. :dont_know:


Вернуться наверх
 
Не в сети
 Заголовок сообщения: Re: Ищу схему светильника ретро, под керосинку (~ЗИК)
СообщениеДобавлено: Вс июн 19, 2022 22:26:32 
Друг Кота

Карма: 67
Рейтинг сообщений: 1964
Зарегистрирован: Сб дек 18, 2021 19:25:32
Сообщений: 12867
Рейтинг сообщения: 0
Про диммирование светодиодных ламп обсуждали здесь viewtopic.php?f=33&t=183121


Вернуться наверх
 
Не в сети
 Заголовок сообщения: Re: Ищу схему светильника ретро, под керосинку (~ЗИК)
СообщениеДобавлено: Чт июн 23, 2022 14:49:56 
Друг Кота
Аватар пользователя

Карма: 47
Рейтинг сообщений: 87
Зарегистрирован: Чт апр 29, 2010 01:54:10
Сообщений: 5438
Откуда: Сочи
Рейтинг сообщения: 0
Наверное проще купить под старину такую лампу:
Светодиодная лампа накаливания E14 E27 220 В с регулируемой яркостью
https://aliexpress.ru/item/32714155265. ... 7320373635
https://aliexpress.ru/item/400075415930 ... _id=285258

На счёт светорегулятора, так у китайцев он на все типы ламп одна схема,
что на накаливание что на светодиоды - на крошечном симисторе и динисторе DB3
Я делал проверенную годами схему, никогда не сгорает ничего, надёжная, простая,
аналог однопереходного транзистора, отлично работает с светодиодными лампами
и накаливания, на самом минимуме нет эффекта мерцания.
Но! Если ваша светодиодная лампа с сетевым разделительным конденсатором, то тут
очень сложно будет, такие схемы критичны к параметрам питания.
И ещё схемы дорогих светодиодных ламп на микросхемах, если уменьшать входное
напряжение им, то схема ШИМ может просто добавлять на светодиоды мощность.
И яркость не будет падать.
Изображение

сенсорные варианты
https://cxem.net/house/1-101.php


Вернуться наверх
 
Не в сети
 Заголовок сообщения: Re: Ищу схему светильника ретро, под керосинку (~ЗИК)
СообщениеДобавлено: Чт июн 23, 2022 15:50:05 
Друг Кота
Аватар пользователя

Карма: 197
Рейтинг сообщений: 8630
Зарегистрирован: Пн ноя 30, 2009 03:00:01
Сообщений: 43475
Откуда: Нерезиновая
Рейтинг сообщения: 0
А что, обязательно, вот в этой схеме:
СпойлерИзображение

заменять динистор на кучу деталей?


Вложения:
диммер.png [188.52 KiB]
Скачиваний: 2902
Вернуться наверх
 
Не в сети
 Заголовок сообщения: Re: Ищу схему светильника ретро, под керосинку (~ЗИК)
СообщениеДобавлено: Чт июн 23, 2022 21:27:54 
Друг Кота
Аватар пользователя

Карма: -34
Рейтинг сообщений: 556
Зарегистрирован: Пт июл 25, 2014 12:25:27
Сообщений: 6214
Откуда: Свердловская обл.
Рейтинг сообщения: 0
zenner писал(а):
Наверное проще купить под старину такую лампу:

В моём случае человек любит ту лампу , а у меня есть к ней рабочая плата.
Вот я и предложил ему починить его любимую лампу.

_________________
Гуглить умею, но гораздо более ценю живые мнения+личный опыт.
http://www.youtube.com/watch?v=NUysiCX- ... r_embedded


Вернуться наверх
 
Не в сети
 Заголовок сообщения: Re: Ищу схему светильника ретро, под керосинку (~ЗИК)
СообщениеДобавлено: Чт июн 23, 2022 23:09:09 
Друг Кота
Аватар пользователя

Карма: 47
Рейтинг сообщений: 87
Зарегистрирован: Чт апр 29, 2010 01:54:10
Сообщений: 5438
Откуда: Сочи
Рейтинг сообщения: 0
А что, обязательно, вот в этой схеме:заменять динистор на кучу деталей?


Это не аналог динистора а аналог однопереходного транзистора. Делал эту же схему на КТ117, где то "в помощь радиолюбителю" что ли проскакивала схема на КТ117, но мне она не понравилась. Мерцания есть на 30%
от входного напряжения. Тут мерцание отсутствуют полностью. Даже при просто тлеющей нити накала лампы ничего не дёргается.
Подобные схемы на динисторах так же подвержены мерцанию.


Вернуться наверх
 
Не в сети
 Заголовок сообщения: Re: Ищу схему светильника ретро, под керосинку (~ЗИК)
СообщениеДобавлено: Чт июн 23, 2022 23:15:49 
Друг Кота

Карма: 67
Рейтинг сообщений: 1964
Зарегистрирован: Сб дек 18, 2021 19:25:32
Сообщений: 12867
Рейтинг сообщения: 0
хм... я педальки от швейных машин как раз на лампах накаливания тестировал - не было мерцания. А там именно симистор да динистор...


Вернуться наверх
 
Не в сети
 Заголовок сообщения: Re: Ищу схему светильника ретро, под керосинку (~ЗИК)
СообщениеДобавлено: Пт июн 24, 2022 00:05:49 
Друг Кота
Аватар пользователя

Карма: 47
Рейтинг сообщений: 87
Зарегистрирован: Чт апр 29, 2010 01:54:10
Сообщений: 5438
Откуда: Сочи
Рейтинг сообщения: 0
Педальки педалькам рознь. В некоторых не было вообще симисторов, я такие встречал. Стоял реостат с пружиной.
Изображение
Были схемы (в перестройку)на каких то гибридных ИМС и оптротиристорах.
Импортные кучи вариантов, классические советские с симисторами навороченные были.


Вернуться наверх
 
Не в сети
 Заголовок сообщения: Re: Ищу схему светильника ретро, под керосинку (~ЗИК)
СообщениеДобавлено: Вс июн 26, 2022 11:19:11 
Друг Кота
Аватар пользователя

Карма: -34
Рейтинг сообщений: 556
Зарегистрирован: Пт июл 25, 2014 12:25:27
Сообщений: 6214
Откуда: Свердловская обл.
Рейтинг сообщения: 0
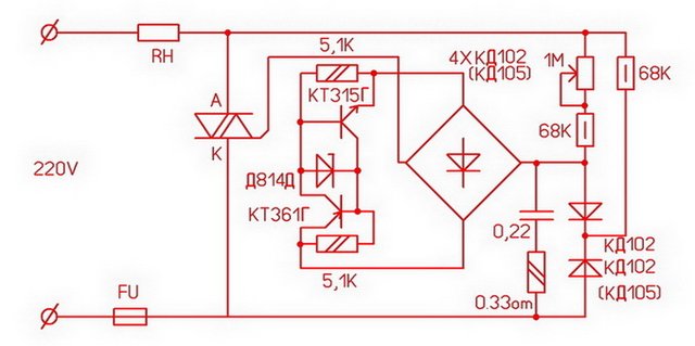
В моей схеме стоит динистор КН102А
фото - Изображение
Изображение


zenner писал(а):
Это не аналог динистора а аналог однопереходного транзистора. Делал эту же схему на КТ117, где то "в помощь радиолюбителю" что ли проскакивала схема на КТ117, но мне она не понравилась. Мерцания есть на 30%
от входного напряжения. Тут мерцание отсутствуют полностью. Даже при просто тлеющей нити накала лампы ничего не дёргается.

Насчет мерцания. Моя схема, которую я на днях проверил, замерцала. Но там паралелльно регулятору яркости, на плате, стоит подстроечник на 1 мОм, и порегулировав его, я убрал мерцание. То есть, там для убирания мерцания специальный подстроечник. Он решает эту проблему.
Но вот только я не догадался поменять лампу на другую мощность. Но надеюсь что мерцание не вернётся.
И ещё я (забыл уже как работала моя старая лампа, от которой плата, но стекла разбиты) был удивлен тем, что при включении лампа уже горит, в часть накала. Но скорее всего так и должно быть. Загорается в треть или пол накала, а потом уже можно добавлять до полного.

_________________
Гуглить умею, но гораздо более ценю живые мнения+личный опыт.
http://www.youtube.com/watch?v=NUysiCX- ... r_embedded


Вернуться наверх
 
Не в сети
 Заголовок сообщения: Re: Ищу схему светильника ретро, под керосинку (~ЗИК)
СообщениеДобавлено: Пн ноя 14, 2022 15:34:26 
Родился

Зарегистрирован: Пн ноя 14, 2022 15:28:39
Сообщений: 1
Рейтинг сообщения: 0
Здравствуйте. Мне нужен плафон на эту лампу. Может у кого нибудь есть? Лампе 40 лет, осталась в память о дедушке.


Вернуться наверх
 
Не в сети
 Заголовок сообщения: Re: Ищу схему светильника ретро, под керосинку (~ЗИК)
СообщениеДобавлено: Пт дек 27, 2024 09:25:40 
Родился

Зарегистрирован: Пт дек 27, 2024 09:21:03
Сообщений: 1
Рейтинг сообщения: 0
У меня есть такой светильник, недавно ремонтировал. Даю схему подключений к плате. Кстати, внутреннего плафона у меня нет - может кто поможет с поиском?


Вложения:
Детали_1.jpg [30.26 KiB]
Скачиваний: 213
Печатная плата.jpg [248.93 KiB]
Скачиваний: 199
Вернуться наверх
 
Не в сети
 Заголовок сообщения: Re: Ищу схему светильника ретро, под керосинку (~ЗИК)
СообщениеДобавлено: Ср мар 26, 2025 22:19:14 
Родился

Зарегистрирован: Ср мар 26, 2025 22:17:38
Сообщений: 1
Рейтинг сообщения: 0
Добрый вечер! Подскажите, пожалуйста, максимальную мощность ламп для таких ламп?


Вернуться наверх
 
Не в сети
 Заголовок сообщения: Re: Ищу схему светильника ретро, под керосинку (~ЗИК)
СообщениеДобавлено: Ср мар 26, 2025 23:32:53 
Держит паяльник хвостом

Карма: 2
Рейтинг сообщений: 122
Зарегистрирован: Пт ноя 22, 2024 14:08:43
Сообщений: 997
Рейтинг сообщения: 0
60 Вт.......но, разве сейчас при наличии светодиодных ламп, это актуально ?


Вернуться наверх
 
Показать сообщения за:  Сортировать по:  Вернуться наверх
Начать новую тему Ответить на тему  [ Сообщений: 26 ]  1,  

Часовой пояс: UTC + 3 часа


Кто сейчас на форуме

Сейчас этот форум просматривают: нет зарегистрированных пользователей и гости: 27


Вы не можете начинать темы
Вы не можете отвечать на сообщения
Вы не можете редактировать свои сообщения
Вы не можете удалять свои сообщения
Вы не можете добавлять вложения

Найти:
Перейти:  


Powered by phpBB © 2000, 2002, 2005, 2007 phpBB Group
Русская поддержка phpBB
Extended by Karma MOD © 2007—2012 m157y
Extended by Topic Tags MOD © 2012 m157y