Например TDA7294

Форум РадиоКот • Просмотр темы - Модуль HC-12(Si4463)
Форум РадиоКот
Здесь можно немножко помяукать :)

Текущее время: Чт окт 23, 2025 00:22:11

Часовой пояс: UTC + 3 часа


ПРЯМО СЕЙЧАС:



Начать новую тему Ответить на тему  [ Сообщений: 16 ] 
Автор Сообщение
Не в сети
 Заголовок сообщения: Модуль HC-12(Si4463)
СообщениеДобавлено: Чт окт 12, 2023 18:20:05 
Родился

Зарегистрирован: Чт окт 12, 2023 00:17:41
Сообщений: 6
Рейтинг сообщения: 0
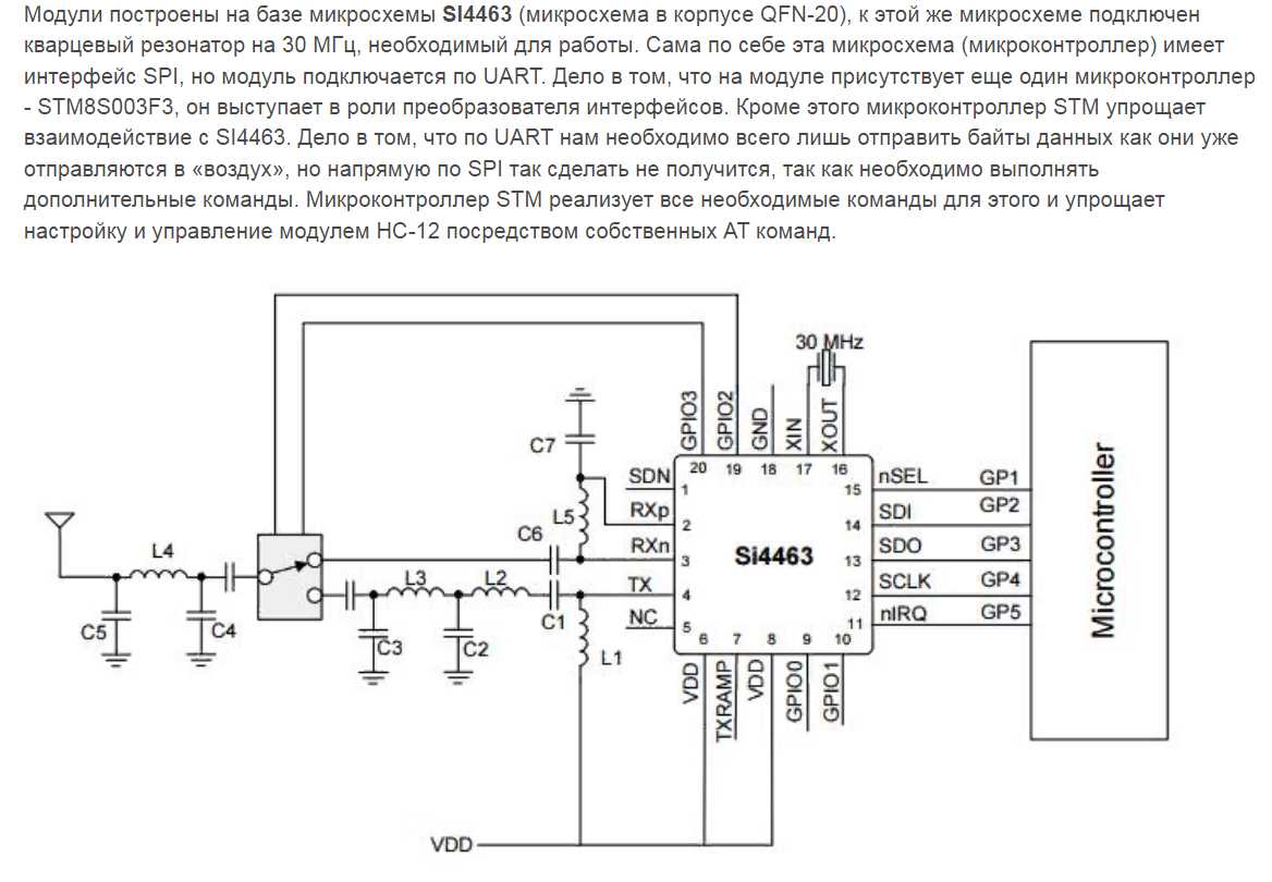
Всем привет, имею модуль НС-12 с чипом Si4463
Задача: ловить и отправлять данные на частоте 433.92mhz (розетки, пульты ,люстра)

выбор на данный модуль пал из-за его наличия. не дорогой цены. у меня есть ещё примитивные модуль типа RF-5v, SYN115, srx448(они слабые ,малая дальность)

статью от пользователя Ser60 я читал . но у него используются отдельные компоненты

так как мне нужно принимать и отправлять костюмные данные то данный модуль нужно допилить или прошить.
Собственно вопрос как это реализовать.

Цитата:
С этой железки мона отличный usb граббер сваять без пайки.исходники на граб на форуме есть, драйвер на si4463 (чуток подправить):https://github.com/Lab409/driver_si4463/wiki. Остается тока всё это соединить и через UART отправить на MCU.

на одном форуме вот такую инфу нашёл. но без пояснения как это сделать.

Для себя вижу 2 варианта.
Вариант 1, залить прошивку через uart либо припаяться к stm на плате и залить туда. но тогда вопрос сразу возникает как потом взаимодействовать.
Вариант 2, выкинуть uart . и реализовать общение по spi . но как это сделать не совсем до конца представляю


Вернуться наверх
 
Не в сети
 Заголовок сообщения: Re: Модуль HC-12(Si4463)
СообщениеДобавлено: Чт окт 12, 2023 19:34:35 
Друг Кота

Карма: -1
Рейтинг сообщений: 68
Зарегистрирован: Вт мар 13, 2012 12:16:13
Сообщений: 8693
Откуда: .ru
Рейтинг сообщения: 0
pazbi2 писал(а):
выкинуть uart . и реализовать общение по spi .

Вложение:
Screenshot_1.jpg [86.36 KiB]
Скачиваний: 124

pazbi2 писал(а):
как это сделать

читать детешит Si4463... там всё написано))
:tea:

Добавлено after 1 minute 6 seconds:
бонусом будет высокая скорость spi... обычно до 10 Мбит/c...


Вернуться наверх
 
Не в сети
 Заголовок сообщения: Re: Модуль HC-12(Si4463)
СообщениеДобавлено: Чт окт 12, 2023 22:39:05 
Родился

Зарегистрирован: Чт окт 12, 2023 00:17:41
Сообщений: 6
Рейтинг сообщения: 0
pazbi2 писал(а):
выкинуть uart . и реализовать общение по spi .

Вложение:
Screenshot_1.jpg

pazbi2 писал(а):
как это сделать

читать детешит Si4463... там всё написано))
:tea:

Добавлено after 1 minute 6 seconds:
бонусом будет высокая скорость spi... обычно до 10 Мбит/c...

даташит смотрел. изучаю его, я правильно понимаю, мне нужно выпаять стм? и подключится по spi к si4463 ? тогда вытекающий вопрос, чем управлять? под рукой есть ардуины с 328 камнем и esp8266


Вернуться наверх
 
Не в сети
 Заголовок сообщения: Re: Модуль HC-12(Si4463)
СообщениеДобавлено: Чт окт 12, 2023 23:52:26 
Друг Кота

Карма: -1
Рейтинг сообщений: 68
Зарегистрирован: Вт мар 13, 2012 12:16:13
Сообщений: 8693
Откуда: .ru
Рейтинг сообщения: 0
pazbi2 писал(а):
я правильно понимаю, мне нужно выпаять стм?

угу))
или перерезать дорожки... чтоб не мешал))
Вложение:
Screenshot_1 (1).jpg [82.05 KiB]
Скачиваний: 59

и подключить туда свой МК...

хотя можно оставить стм... и сделать всё на стм... залить в стм свою программу))
как прошить стм... я без понятия)) я не работаю с стм.
:tea:
pazbi2 писал(а):
под рукой есть ардуины с 328 камнем

пойдёт))
в соседней теме мы делали на разных модулях... всё по spi... с 328 камнем...
https://www.radiokot.ru/forum/viewtopic ... 8&t=185219
только там модули чуть другие)) но это не важно... все модули работают одинаково... отличие только в настройках...
:tea:


Вернуться наверх
 
Эиком - электронные компоненты и радиодетали
Не в сети
 Заголовок сообщения: Re: Модуль HC-12(Si4463)
СообщениеДобавлено: Сб окт 14, 2023 15:35:25 
Родился

Зарегистрирован: Чт окт 12, 2023 00:17:41
Сообщений: 6
Рейтинг сообщения: 0
Вводные немного поменялись. чип оказался не si4463, а si4438 ревизия 2а, его нету даже в wds .

стм-ку еще не отпаивал. есть возможность сзади припаять 2 провода к SWIM и RST и прошить саму стм без демонтажа

Но вот как прошить если я файл конфига не могу в wds сделать потому что такой ревизии там нету


Вернуться наверх
 
Не в сети
 Заголовок сообщения: Re: Модуль HC-12(Si4463)
СообщениеДобавлено: Сб окт 14, 2023 16:20:00 
Друг Кота

Карма: -1
Рейтинг сообщений: 68
Зарегистрирован: Вт мар 13, 2012 12:16:13
Сообщений: 8693
Откуда: .ru
Рейтинг сообщения: 0
pazbi2 писал(а):
Но вот как прошить если я файл конфига не могу в wds сделать

:dont_know:
roman.com писал(а):
я не работаю с стм.

:dont_know:
надо делать на том что знаешь))
я с 328 камнем знаком хорошо...))
:tea:


Вернуться наверх
 
Не в сети
 Заголовок сообщения: Re: Модуль HC-12(Si4463)
СообщениеДобавлено: Сб окт 14, 2023 20:03:53 
Друг Кота
Аватар пользователя

Карма: 75
Рейтинг сообщений: 618
Зарегистрирован: Ср дек 24, 2008 09:58:58
Сообщений: 3760
Рейтинг сообщения: 0
Медали: 3
Мявтор 1-й степени (1) Мявтор 2-й степени (1) Мявтор 3-й степени (1)
так как мне нужно принимать и отправлять костюмные данные то данный модуль нужно допилить или прошить. Собственно вопрос как это реализовать.

"Костюмные" данные говорите? В прошивку МК модуля уже залит код для передачи сообщений с терминала на терминал по интерфейсу UART. Если это устраивает, то ничего переделывать не нужно. В сети полно видео как использовать этот модуль совместно с Arduino, например, это. Если не устраивает, напишите подробнее чего хотите добиться от модуля и особенно уточните про "костюмные" данные.


Вернуться наверх
 
Не в сети
 Заголовок сообщения: Re: Модуль HC-12(Si4463)
СообщениеДобавлено: Вс окт 15, 2023 13:11:27 
Родился

Зарегистрирован: Чт окт 12, 2023 00:17:41
Сообщений: 6
Рейтинг сообщения: 0
так как мне нужно принимать и отправлять костюмные данные то данный модуль нужно допилить или прошить. Собственно вопрос как это реализовать.

"Костюмные" данные говорите? В прошивку МК модуля уже залит код для передачи сообщений с терминала на терминал по интерфейсу UART. Если это устраивает, то ничего переделывать не нужно. В сети полно видео как использовать этот модуль совместно с Arduino, например, это. Если не устраивает, напишите подробнее чего хотите добиться от модуля и особенно уточните про "костюмные" данные.


Извиняюсь описался, не "костюмные" а кастомные.

для проекта умного дома требуется управлять розетками\люстрами и тд. которые работаю на частоте 433mhz , коды пультов от розеток я уже словил через ардуино и дешёвый модуль 433. но у них дальность очень хромает. в соседнюю комнату уже не добивает. поэтому решил использовать модуль мощнее. заказал то что возможно. в идеале было б взять сс1101(куча примеров работы с ними есть) , но в моей местности их не продают поэтому пришлось взять готовый модуль НС-12 .

управление по uart мне не подходит(в данной прошивке так точно). потому что связка не нс-12 - нс-12 , а нс-12 + разные приемники.


Вернуться наверх
 
Не в сети
 Заголовок сообщения: Re: Модуль HC-12(Si4463)
СообщениеДобавлено: Вс окт 15, 2023 15:53:37 
Друг Кота

Карма: -1
Рейтинг сообщений: 68
Зарегистрирован: Вт мар 13, 2012 12:16:13
Сообщений: 8693
Откуда: .ru
Рейтинг сообщения: 0
коды пультов от розеток я уже словил через ардуино и дешёвый модуль 433.

с шифрованием ?
:tea:


Вернуться наверх
 
Не в сети
 Заголовок сообщения: Re: Модуль HC-12(Si4463)
СообщениеДобавлено: Вс окт 15, 2023 16:34:49 
Родился

Зарегистрирован: Чт окт 12, 2023 00:17:41
Сообщений: 6
Рейтинг сообщения: 0
коды пультов от розеток я уже словил через ардуино и дешёвый модуль 433.

с шифрованием ?
:tea:

нет. обычный 12 и 24 бита . библиотека rcswitch с ними работает на отлично


Вернуться наверх
 
Не в сети
 Заголовок сообщения: Re: Модуль HC-12(Si4463)
СообщениеДобавлено: Вс окт 15, 2023 17:42:41 
Друг Кота

Карма: -1
Рейтинг сообщений: 68
Зарегистрирован: Вт мар 13, 2012 12:16:13
Сообщений: 8693
Откуда: .ru
Рейтинг сообщения: 0
библиотека rcswitch... не знаю такую...))
:roll:
https://www.youtube.com/watch?v=UYRqb4Y5nLk
всё ясно))
:tea:

Добавлено after 52 seconds:
по радио без шифрования низя))
у меня с шифрованием...
Вложение:
схема_PoE(5V2A).jpg [192.74 KiB]
Скачиваний: 61

:tea:

Добавлено after 3 minutes 50 seconds:
раньше использовал 433 мгц... но там помех много... автосигнализации забили весь эфир))

потом перешёл на дешёвые nrf24 на 2400 мгц...
Вложение:
nrf24_arduino.png [129.03 KiB]
Скачиваний: 53

они работают нормально по всему дому... почти без потерь пакетов (меньше 1%).
:tea:


Вернуться наверх
 
Не в сети
 Заголовок сообщения: Re: Модуль HC-12(Si4463)
СообщениеДобавлено: Вс окт 15, 2023 17:55:09 
Друг Кота
Аватар пользователя

Карма: 75
Рейтинг сообщений: 618
Зарегистрирован: Ср дек 24, 2008 09:58:58
Сообщений: 3760
Рейтинг сообщения: 0
Медали: 3
Мявтор 1-й степени (1) Мявтор 2-й степени (1) Мявтор 3-й степени (1)
Если можете программировать STM8 на плате модуля, то залейте в него конфиг для ревизии В или С из WDS. Я очень удивлюсь если этот конфиг не будет работать с ревизией А чипа. Такой подход пробовали?


Вернуться наверх
 
Не в сети
 Заголовок сообщения: Re: Модуль HC-12(Si4463)
СообщениеДобавлено: Сб окт 04, 2025 17:58:44 
Встал на лапы

Зарегистрирован: Сб сен 30, 2023 08:28:46
Сообщений: 96
Рейтинг сообщения: 0
А этот модуль при подключении к ПК через USB-UART начинает сразу что-то в порт слать или нет? Пришло 2 модуля, первый сразу в порт шлет 0xFF, второй ничего не шлет. Естественно между собой не связываются.


Вернуться наверх
 
Не в сети
 Заголовок сообщения: Re: Модуль HC-12(Si4463)
СообщениеДобавлено: Сб окт 04, 2025 19:32:31 
Друг Кота
Аватар пользователя

Карма: 75
Рейтинг сообщений: 618
Зарегистрирован: Ср дек 24, 2008 09:58:58
Сообщений: 3760
Рейтинг сообщения: 0
Медали: 3
Мявтор 1-й степени (1) Мявтор 2-й степени (1) Мявтор 3-й степени (1)
Так с модулями прямо "из коробки" ничего и не должно работать. Один из них нужно внешним МК сконфигурировать на передачу, другой на приём. О том как это сделать полно ресурсов в сети, например этот.


Вернуться наверх
 
Не в сети
 Заголовок сообщения: Re: Модуль HC-12(Si4463)
СообщениеДобавлено: Сб окт 04, 2025 20:47:16 
Встал на лапы

Зарегистрирован: Сб сен 30, 2023 08:28:46
Сообщений: 96
Рейтинг сообщения: 0
Так с модулями прямо "из коробки" ничего и не должно работать.

Почему бы и нет, если у них настройки "из коробки" одинаковые. Проверил это командой AT+RX:
OK+B9600
OK+RC001
OK+RP:+20dBm
OK+FU3
на обоих.

Один из них нужно внешним МК сконфигурировать на передачу, другой на приём.

Какая разница будет это внешний МК или ПК подключенный через USB-UART. Ногу SET можно и руками к земле притянуть для командного режима.


Где именно в этой статье говорится про конфигурацию на прием или на передачу?

Вообще проблема и вопрос в другом. Первый модуль начинает сразу при подключении питания в порт (на свой пин TXD) слать 0xFF с периодом в четверть секунды, второй ничего не шлет. Есть подозрение, что с одним проблема.


Вернуться наверх
 
Не в сети
 Заголовок сообщения: Re: Модуль HC-12(Si4463)
СообщениеДобавлено: Сб окт 04, 2025 21:36:05 
Друг Кота
Аватар пользователя

Карма: 75
Рейтинг сообщений: 618
Зарегистрирован: Ср дек 24, 2008 09:58:58
Сообщений: 3760
Рейтинг сообщения: 0
Медали: 3
Мявтор 1-й степени (1) Мявтор 2-й степени (1) Мявтор 3-й степени (1)
Извините, не въехал сразу. Да, похоже на проблему с одним из модулей.


Вернуться наверх
 
Показать сообщения за:  Сортировать по:  Вернуться наверх
Начать новую тему Ответить на тему  [ Сообщений: 16 ] 

Часовой пояс: UTC + 3 часа


Кто сейчас на форуме

Сейчас этот форум просматривают: нет зарегистрированных пользователей и гости: 18


Вы не можете начинать темы
Вы не можете отвечать на сообщения
Вы не можете редактировать свои сообщения
Вы не можете удалять свои сообщения
Вы не можете добавлять вложения

Найти:
Перейти:  


Powered by phpBB © 2000, 2002, 2005, 2007 phpBB Group
Русская поддержка phpBB
Extended by Karma MOD © 2007—2012 m157y
Extended by Topic Tags MOD © 2012 m157y