Например TDA7294

Форум РадиоКот • Просмотр темы - Собираю Трансивер на 40м (есть вопросы!)
Форум РадиоКот
Здесь можно немножко помяукать :)

Текущее время: Пт мар 06, 2026 07:04:51

Часовой пояс: UTC + 3 часа


ПРЯМО СЕЙЧАС:



Начать новую тему Ответить на тему  [ Сообщений: 73 ]  1, , ,  
Автор Сообщение
 Заголовок сообщения: Собираю Трансивер на 40м (есть вопросы!)
СообщениеДобавлено: Пн янв 17, 2022 15:53:02 
Собутыльник Кота
Аватар пользователя

Карма: 14
Рейтинг сообщений: 121
Зарегистрирован: Сб май 21, 2016 11:04:52
Сообщений: 2977
Откуда: Беларусь
Рейтинг сообщения: 0
Загорелся собраться трансивер КВ. Понравилась подача материала. Вроде все понятно

https://eax.me/superhet-receiver/

Но возник вопрос по намотке катушке.
Во входном фильре ииспользуется кольцо-феррит t50-6
Далее в смесителям и IF ,AF усилителях ft37-43 , FT50-43

Вот по ним и вопрос. Чем заменить этил кольца. Немного гуглил на эти тему и кто-то писал типа можно заментиь на наши m1000
на чип и дип их много . Какие брать?

https://www.chipdip.by/catalog-show/fer ... 0%B8%D1%82

Или может еще какие мысли

Добавлено after 6 minutes 53 seconds:
с кольцами t50-6 вообще не понятно. Чем заменить?

Цитата:
h: 4.8 мм
Материал: 6
ø d1: 12.7 мм
ø d2: 7.6 мм
Постоянная индуктивности: 4 nH
Относительная магнитная проницаемость: 8


Добавлено after 1 hour 1 minute 24 seconds:
t50-6 нашел на алиэкспресе!
https://aliexpress.ru/item/33025723446. ... _id=267037

Добавлено after 1 minute 36 seconds:
а вот материал 43 ( ft37-43 , FT50-43) пока не знаю где взять. В чип и дипе до фига колец. вот ими бы заменить.


Вернуться наверх
 
 Заголовок сообщения: Re: Собираю Трансивер на 40м (есть вопросы!)
СообщениеДобавлено: Пн янв 17, 2022 22:17:28 
Друг Кота

Карма: 49
Рейтинг сообщений: 550
Зарегистрирован: Чт фев 20, 2014 18:57:55
Сообщений: 19494
Рейтинг сообщения: 2
https://pandia.ru/text/80/131/19431.php

http://www.ra4a.ru/publ/ferrity_firmy_amidon/8-1-0-1048

из чипдипа можно попробовать 20вн вместо -6 и 600нн вместо -43, но витки подбирать придется с прибором

Добавлено after 2 hours 34 minutes 32 seconds:
SSB фильтр на трех кварцах и втыкание диплексера после второго смесителя... и это только то, что бросилось в глаза случайно. Вы точно уверены, что хотите повторить именно этот приемник ?

_________________
"Вся военная пропаганда, все крики, ложь и ненависть исходят от людей, которые на эту войну не пойдут !" / Джордж Оруэлл /
"Война - это,когда за интересы других,гибнут совершенно безвинные люди." / Уинстон Черчилль /


Вернуться наверх
 
 Заголовок сообщения: Re: Собираю Трансивер на 40м (есть вопросы!)
СообщениеДобавлено: Пн янв 17, 2022 22:56:02 
Друг Кота
Аватар пользователя

Карма: 72
Рейтинг сообщений: 1165
Зарегистрирован: Чт ноя 20, 2008 04:20:48
Сообщений: 8107
Откуда: КурскЪ
Рейтинг сообщения: 2
Я в Воронеже заказывал кольцо Амидоновское 77я смесь, для ШПТЛ трансформатора.
В интерент магазине и другие есть.
http://cqradio.ru/products/category/3390113

_________________
Принимаю вас 595+40db на уровне шумов на кухонный приёмник,антенна наружка-магнитная катушка..работает "Акация",вот такая информация.Роман.73!!!
"50 КСВ 075", UA3112SWL
Изображение


Последний раз редактировалось RA3WSI Вт янв 18, 2022 06:34:19, всего редактировалось 1 раз.

Вернуться наверх
 
 Заголовок сообщения: Re: Собираю Трансивер на 40м (есть вопросы!)
СообщениеДобавлено: Вт янв 18, 2022 06:19:52 
Говорящий с текстолитом
Аватар пользователя

Карма: 17
Рейтинг сообщений: 181
Зарегистрирован: Пт дек 12, 2008 21:12:14
Сообщений: 1604
Откуда: Moscow
Рейтинг сообщения: 2
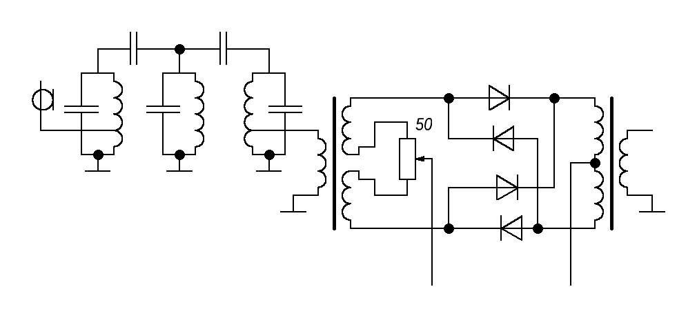
-В чипедипе я брал 400нн к10х6х3 для трансформаторов смесителя
всего нужно намотать 30 витков в три провода скрученных вместе
и соединить начало-конец. м1000нм я то же проверял-они то же
хорошо работают до 30мгц
Легко проверить генератором так как
если перепутать то будет 0 ,а если правильно то напряжение
в два раза выше. Тамм за бугром для этого применяют разного
цвета эмалевый провод.
На входе низя применять ферриты особенно наши м50вн они
конечно работать будут но если с антенны что либо шарахнет
то они погибнут. Нужно намотать катушки фильтра на обычных
каркасах(например от старых ТВ) 2х-3х контурный фильтр
нужно вначале настроить и для этого нужен прибор-
измеритель АЧХ но можно и генератором с вольтметром
Ну уж если так хочется попробовать с кольцами то сердечники берем
от сюда https://www.chipdip.by/product0/21322?f ... st_product
да и то что у меня получилось и нужно наши кольца обматывать
фторопластовой лентой от кабеля или толстого фт провода ну
или смотать с МГТФ и предвариельно спилить острые углы


Вложения:
Z1.gif [33.04 KiB]
Скачиваний: 152
bp7000.gif [7.26 KiB]
Скачиваний: 149

_________________
Еси хочешь чтоб комп был быстрым - ставь Пингвин,- он будет чистым
Вернуться наверх
 
Эиком - электронные компоненты и радиодетали
 Заголовок сообщения: Re: Собираю Трансивер на 40м (есть вопросы!)
СообщениеДобавлено: Вт янв 18, 2022 10:03:26 
Друг Кота

Карма: 49
Рейтинг сообщений: 550
Зарегистрирован: Чт фев 20, 2014 18:57:55
Сообщений: 19494
Рейтинг сообщения: 2
Лучше повторить какой нибудь простенький отработанный трансивер, выкинув лишнее. КФ надо получше, АРУ, желательно аттенюатор если планируется полноразмерную антенну подключать. КФ лучше с QER топологией (узнается по запараллеленным кварцам на вх/вых) - с ним накосячить сложно, с таким тоже видел не очень давно где то.

Или что нибудь отсюда https://us5msq.com.ua/forum/viewforum.php?f=10&start=25

_________________
"Вся военная пропаганда, все крики, ложь и ненависть исходят от людей, которые на эту войну не пойдут !" / Джордж Оруэлл /
"Война - это,когда за интересы других,гибнут совершенно безвинные люди." / Уинстон Черчилль /


Вернуться наверх
 
 Заголовок сообщения: Re: Собираю Трансивер на 40м (есть вопросы!)
СообщениеДобавлено: Вт янв 18, 2022 17:20:44 
Говорящий с текстолитом
Аватар пользователя

Карма: 17
Рейтинг сообщений: 181
Зарегистрирован: Пт дек 12, 2008 21:12:14
Сообщений: 1604
Откуда: Moscow
Рейтинг сообщения: 2
Да ну по любому чобы сделать или входной контур из подручных материалов
или фильтр нужны знания, а их нет. У ферритов такой разброс парамиров
что нужны приборы или чутье професионала с детекторной головкой или
на худой конец дешеым осликом чтобы при модуляции 30% АМ от гена
можно было бы натсироить одиночный контур на кольце пропустив через него
1 виток провода через резистор в 50ом. Таки образом можно видеть огибающую
точно соответствуюшим параметром контура
ну схему то измерительной головки щазс приложу и если нет ослика то можно
любой микроамперметер
Вот что нужно сделать к ослику чтобы увидеть огибающую диоды можно
самые плохие доя 7мгц наприер кд503 или д9


Вложения:
дет2.png [108.84 KiB]
Скачиваний: 180

_________________
Еси хочешь чтоб комп был быстрым - ставь Пингвин,- он будет чистым


Последний раз редактировалось int4880053 Вт янв 18, 2022 17:32:37, всего редактировалось 1 раз.
Вернуться наверх
 
 Заголовок сообщения: Re: Собираю Трансивер на 40м (есть вопросы!)
СообщениеДобавлено: Вт янв 18, 2022 17:30:19 
Друг Кота

Карма: 49
Рейтинг сообщений: 550
Зарегистрирован: Чт фев 20, 2014 18:57:55
Сообщений: 19494
Рейтинг сообщения: 2
Может у olegue есть nanoVNA какой нибудь. Вообще в названии темы трансивер, а потом ссылка на приемник - с толку сбивает, что собираем то ? Или это как в "частотных схемах" - начали с несобранного супергетеродина на КВ, потом не собрали пару передатчиков и плавно перешли к клистронами ? :)

_________________
"Вся военная пропаганда, все крики, ложь и ненависть исходят от людей, которые на эту войну не пойдут !" / Джордж Оруэлл /
"Война - это,когда за интересы других,гибнут совершенно безвинные люди." / Уинстон Черчилль /


Вернуться наверх
 
 Заголовок сообщения: Re: Собираю Трансивер на 40м (есть вопросы!)
СообщениеДобавлено: Вт янв 18, 2022 17:40:33 
Говорящий с текстолитом
Аватар пользователя

Карма: 17
Рейтинг сообщений: 181
Зарегистрирован: Пт дек 12, 2008 21:12:14
Сообщений: 1604
Откуда: Moscow
Рейтинг сообщения: 2
Да нет -все правильно-если построить приемник то и трансивер получится
Главное понимать физику процесса. На 7мгц помех много и конечно нужен хороший
фильтр на входе и желательно УВЧ потому что на выход можно поставить фильтр
так так называемы у любителей радио "колечках" Но у нас профи которые отработали
в НИИРадиосвязи требования куда выше- только кварцевый филтр на входе
И конечно в какой нибудь глуши можно послушать только не в Москве где лесополоса
до 5-6мгц и выше.

_________________
Еси хочешь чтоб комп был быстрым - ставь Пингвин,- он будет чистым


Вернуться наверх
 
 Заголовок сообщения: Re: Собираю Трансивер на 40м (есть вопросы!)
СообщениеДобавлено: Ср янв 19, 2022 09:50:51 
Собутыльник Кота
Аватар пользователя

Карма: 14
Рейтинг сообщений: 121
Зарегистрирован: Сб май 21, 2016 11:04:52
Сообщений: 2977
Откуда: Беларусь
Рейтинг сообщения: 0
Кольцевой балансный смеситель на диодах, С картинками и без теории

https://vrtp.ru/index.php?showtopic=28882

почитал здесь. Кольца можно пробовать любые.
Уже есть кучка колец от энергосберегаек.
здесь человек чтото пытался доказать по этим колцам. Я так ни непонял, поясните
коменты под видосом тоже неоднозначные.
https://www.youtube.com/watch?v=qlYh4ek_cTo


По измерениям. Нано ВНА есть у знакомых. АЧХ фильтров можно посмотреть.

уже изготовлен примерно такое синтез, но у меня на ардуина

https://radiorubka.at.ua/forum/13-189-1

Вот думаю куда дальше двигать.
Еще для информации. Есть такое китайское изобретение
ATS20 на si4732 (однокристальный приемник ssb, am, fm)
https://aliexpress.ru/item/100500278931 ... d2cdq03nIe
По нему снято немало видосов, один из самы толковых здесь

https://www.youtube.com/watch?v=FfHqrDGc2G0
обсуждают здесь (еще не читал)
http://hamforum.ru/viewtopic.php?t=640

Никаких входных фильтров, никаких колцевых диодных смесителей. Один парнишка тут в регионе купил. Подцепил на 40ку диполь. Говорит, что работате 2тыс км идут сигналы.
Это к тому что бы мне не сильно заморачиваться с контурами пока. Начинать надо от простого к сложному.
Поэтому опять давайте свои мнения может предлжение какие-то будут.

Добавлено after 41 minute 38 seconds:
Какая альтернатива есть у кольцевых диодных смесителей, что бы с минимумом катушек, пускай в ущерб качеству приема?

Какая вероятность, что если я возьму "любые" кольца намотаю, что это все будет хоть как-то рабоать (имеется ввиду смеситель)?

Добавлено after 1 minute 2 seconds:
т.е смогу ли я зацепится за сигнал? Я , например, думаю почему бы и нет!


Вернуться наверх
 
 Заголовок сообщения: Re: Собираю Трансивер на 40м (есть вопросы!)
СообщениеДобавлено: Ср янв 19, 2022 11:47:24 
Друг Кота

Карма: 49
Рейтинг сообщений: 550
Зарегистрирован: Чт фев 20, 2014 18:57:55
Сообщений: 19494
Рейтинг сообщения: 0
Кольцевой балансный смеситель на диодах, С картинками и без теории
https://vrtp.ru/index.php?showtopic=28882
почитал здесь. Кольца можно пробовать любые.

С синтезом на si5351 я бы лучше использовал смеситель на цифровых ключах, но кольца там такие же примерно. Пробовать можно любые - это верно, просто некоторые могут не работать или работать плохо, ваш капитан очевидность :))

По измерениям. Нано ВНА есть у знакомых. АЧХ фильтров можно посмотреть.

Отлично. АЧХ тракта с самодельным КФ фильтром тоже надо обязательно проверить.

ATS20 на si4732 (однокристальный приемник ssb, am, fm)
...
Никаких входных фильтров, никаких колцевых диодных смесителей. Один парнишка тут в регионе купил. Подцепил на 40ку диполь. Говорит, что работате 2тыс км идут сигналы.
Это к тому что бы мне не сильно заморачиваться с контурами пока. Начинать надо от простого к сложному.
Поэтому опять давайте свои мнения может предлжение какие-то будут.

А вы можете не делать фильтры к самодельному приемнику, вас же никто не заставляет, сигналы будут идти без проблем :)) Знаете что будет ? Вы будете принимать станции даже на тех частотах, где их нет и быть не может, что частенько будет мешать приему нужных станций, а так то без проблем... Если думаете, что у приемника на si4732 без входных фильтров нет подобной проблемы, то это вы зря, в качестве карманного в лесу послушать сойдет, а как стационарный и деген с тексаном фигня, да и малахит без дополнительных фильтров так себе (белка-dsp вроде норм).

Начинать надо от простого - Ok, но если вы хотите получить конструкцию на которой можно реально в эфире работать нормально, а не просто добиться какой то работы и видос снять для ютуба, то нужно поставить какую то минимальную планку - это примерно Аматор - КФ (ЭМФ), Клопик, Степ-2 и т.п. если про трансиверы.

Можете глянуть вот такой http://www.cqham.ru/forum/showthread.ph ... ost1878957 но лучше начинать с классики, да и качество звука лично меня не очень устраивает, хотя в эфире на нем работать можно, на передачу как раз вполне ничего сигнал выдает.

Добавлено after 41 minute 42 seconds:
Хорошие кольца бывают в сетевых картах и роутерах в той штуке куда сетевой кабель втыкается (там трансформаторы на них) - на них от мегагерца до 50 делали смесители и прочее.

Добавлено after 1 hour 12 minutes 43 seconds:
Какая альтернатива есть у кольцевых диодных смесителей, что бы с минимумом катушек, пускай в ущерб качеству приема?

174пс1, ne/sa602, ne/sa612 и т.п. Ущерб будет динамическому диапазону, качество звука не пострадает.

Какая вероятность, что если я возьму "любые" кольца намотаю, что это все будет хоть как-то рабоать (имеется ввиду смеситель)?

Нормальная вероятность, проблема может быть в диапазоне работы, именно на один диапазон 40м чтобы хоть как то работало многие кольца пойдут, но от фильтров не стоит брать. А что нибудь типа м1000нн/нм м1500нн/нм никак не найти ?

_________________
"Вся военная пропаганда, все крики, ложь и ненависть исходят от людей, которые на эту войну не пойдут !" / Джордж Оруэлл /
"Война - это,когда за интересы других,гибнут совершенно безвинные люди." / Уинстон Черчилль /


Вернуться наверх
 
 Заголовок сообщения: Re: Собираю Трансивер на 40м (есть вопросы!)
СообщениеДобавлено: Ср янв 19, 2022 12:19:45 
Собутыльник Кота
Аватар пользователя

Карма: 14
Рейтинг сообщений: 121
Зарегистрирован: Сб май 21, 2016 11:04:52
Сообщений: 2977
Откуда: Беларусь
Рейтинг сообщения: 0
Morroc писал(а):
А что нибудь типа м1000нн/нм м1500нн/нм никак не найти ?

найдется, закажу в местном Чип и Дипе.

Morroc писал(а):
Можете глянуть вот такой http://www.cqham.ru/forum/showthread.ph ... ost1878957 но лучше начинать с классики, да и качество звука лично меня не очень устраивает, хотя в эфире на нем работать можно, на передачу как раз вполне ничего сигнал выдает.


отличная тема! Как вариант! Чисто цифровой трансивер получается.


Вернуться наверх
 
 Заголовок сообщения: Re: Собираю Трансивер на 40м (есть вопросы!)
СообщениеДобавлено: Ср янв 19, 2022 13:37:12 
Друг Кота

Карма: 49
Рейтинг сообщений: 550
Зарегистрирован: Чт фев 20, 2014 18:57:55
Сообщений: 19494
Рейтинг сообщения: 0
Очень интересный и экономный на передачу аппарат, но у народа с запуском всякие разные проблемы возникают и не всегда понятно как их устранять т.к. оно должно работать сходу по идее. Изначально автор планировал CW-трансивер (вроде), а потом забабахал туда SSB на той же атмеге, но такую обработку звука она с трудом тянет, на прием во всех версиях неприятный цифровой призвук и вряд ли получится от него избавиться с этим мк. Альтернативу на stm кто то начинал делать, но все забросили быстро, хотя я давно не смотрел, может и есть уже вариант.

Добавлено after 51 minute 12 seconds:
В общем для настольного варианта не стоит его делать, для походов каких нибудь нормально.

_________________
"Вся военная пропаганда, все крики, ложь и ненависть исходят от людей, которые на эту войну не пойдут !" / Джордж Оруэлл /
"Война - это,когда за интересы других,гибнут совершенно безвинные люди." / Уинстон Черчилль /


Вернуться наверх
 
 Заголовок сообщения: Re: Собираю Трансивер на 40м (есть вопросы!)
СообщениеДобавлено: Ср янв 19, 2022 14:43:47 
Собутыльник Кота
Аватар пользователя

Карма: 14
Рейтинг сообщений: 121
Зарегистрирован: Сб май 21, 2016 11:04:52
Сообщений: 2977
Откуда: Беларусь
Рейтинг сообщения: 0
Morroc писал(а):
174пс1, ne/sa602, ne/sa612 и т.п. Ущерб будет динамическому диапазону, качество звука не пострадает.


612 есть у меня. Осталось найти готовую схему ssb приемника/трансивер на этих смесителях и имеющемся у меня синтезе.

Morroc, Да, спасибо, успел уже почитать про него. Этот вариант тоже обязательно нужно сделать. Но счас хотелсь бы аналог приподнять.

Добавлено after 4 minutes 10 seconds:
вот такая тема была найдена

https://rhelectronics.net/store/diy-hf- ... op-antenna

Добавлено after 2 minutes 49 seconds:
Изображение

Добавлено after 3 minutes 47 seconds:
Тут еще видос про него - 2 серии
https://www.youtube.com/watch?v=9qJDu_G4Bb4


Вернуться наверх
 
 Заголовок сообщения: Re: Собираю Трансивер на 40м (есть вопросы!)
СообщениеДобавлено: Ср янв 19, 2022 14:44:38 
Друг Кота

Карма: 49
Рейтинг сообщений: 550
Зарегистрирован: Чт фев 20, 2014 18:57:55
Сообщений: 19494
Рейтинг сообщения: 2
На 612 можно аматор с синтезом глянуть https://www.youtube.com/watch?v=qUJ0IO7YhYw (там у него 7 частей или больше)

или тут:

http://www.cqham.ru/forum/showthread.ph ... 0%FD%EC%F4

есть нюанс - конструкция под ЭМФ АВЕРС, они пьезоэлектрические вроде, для обычных ЭМФ немного другое согласование, там в каком то посте указано на журнал с таким вариантом

_________________
"Вся военная пропаганда, все крики, ложь и ненависть исходят от людей, которые на эту войну не пойдут !" / Джордж Оруэлл /
"Война - это,когда за интересы других,гибнут совершенно безвинные люди." / Уинстон Черчилль /


Вернуться наверх
 
 Заголовок сообщения: Re: Собираю Трансивер на 40м (есть вопросы!)
СообщениеДобавлено: Ср янв 19, 2022 14:49:32 
Собутыльник Кота
Аватар пользователя

Карма: 14
Рейтинг сообщений: 121
Зарегистрирован: Сб май 21, 2016 11:04:52
Сообщений: 2977
Откуда: Беларусь
Рейтинг сообщения: 0
Короче, ставлю 2 смесителя по типовой,
между ними кварцевый фильтр (посчитаю на имеющихся кварцах)
и УПЧ на 1 транзюке
Подаю с синтеза BFO и VFO

Смотрю что выйдет

Добавлено after 3 minutes 37 seconds:
Morroc писал(а):
http://www.cqham.ru/forum/showthread.ph ... 0%FD%EC%F4


http://cqham.ru/trx83_49.htm
годится, но такого фильтра у меня нету
интересно он дорогой?


Вернуться наверх
 
 Заголовок сообщения: Re: Собираю Трансивер на 40м (есть вопросы!)
СообщениеДобавлено: Ср янв 19, 2022 15:23:33 
Друг Кота

Карма: 49
Рейтинг сообщений: 550
Зарегистрирован: Чт фев 20, 2014 18:57:55
Сообщений: 19494
Рейтинг сообщения: 2
Именно такой дорогой и довольно редкий сейчас (тыщи 2р. я видел, он маленький с небольшими потерями и относительно свежий), а простые старые ЭМФ (с катушками) от 300 до 600р примерно, на авито или досках qrz/cqham попадаются. Желательно брать с полосой 2.4 - 2.7 кГц т.к. как обычно пишут 3.1 кГц для реального эфира широковато, сбоку будет влезать кто нибудь частенько. Может попасться и нерабочий или с затуханием типа -20 Дб (этот может и рабочий, бывают такие, возможно придется как то усиления добавить), на nanoVNA надо будет проверить перед установкой.

Вот, например, хороший фильтр по адекватной цене https://www.avito.ru/efremov/kollektsio ... ion=621540 (ну... если рабочий, конечно). Кстати там кто то плату аматора продает без фильтра за 1.5 тыс руб :))

_________________
"Вся военная пропаганда, все крики, ложь и ненависть исходят от людей, которые на эту войну не пойдут !" / Джордж Оруэлл /
"Война - это,когда за интересы других,гибнут совершенно безвинные люди." / Уинстон Черчилль /


Вернуться наверх
 
 Заголовок сообщения: Re: Собираю Трансивер на 40м (есть вопросы!)
СообщениеДобавлено: Ср янв 19, 2022 20:16:57 
Друг Кота
Аватар пользователя

Карма: 64
Рейтинг сообщений: 1102
Зарегистрирован: Ср ноя 17, 2010 23:10:55
Сообщений: 5837
Откуда: Ижевск LO66NU
Рейтинг сообщения: 2
До кучи. :wink:

_________________
В начале жизнь мучает вопросами, в конце - ответами...


Вернуться наверх
 
 Заголовок сообщения: Re: Собираю Трансивер на 40м (есть вопросы!)
СообщениеДобавлено: Чт янв 20, 2022 07:56:20 
Говорящий с текстолитом
Аватар пользователя

Карма: 17
Рейтинг сообщений: 181
Зарегистрирован: Пт дек 12, 2008 21:12:14
Сообщений: 1604
Откуда: Moscow
Рейтинг сообщения: 2
Кольца от ламп и иных инвертеров, а так же
трубки я проверял - ни фига они не работают
там все тухнет.
Микрухи для смесителя -хуже и только в
демодулятор. Самые лучшие параметры
получаются на диодах но нужно помнить
что входное сопротивление такого смесителя
очень низкое требует большей мощности гетеродина
(эмитерный повторитель) Если при настройке подать
сгнал от генератора -1-1.5в то работает причем
нужно для каждого типа диода установить это
напряжение точно по максимальной чувствительности.

_________________
Еси хочешь чтоб комп был быстрым - ставь Пингвин,- он будет чистым


Вернуться наверх
 
 Заголовок сообщения: Re: Собираю Трансивер на 40м (есть вопросы!)
СообщениеДобавлено: Чт янв 20, 2022 08:29:14 
Друг Кота

Карма: 49
Рейтинг сообщений: 550
Зарегистрирован: Чт фев 20, 2014 18:57:55
Сообщений: 19494
Рейтинг сообщения: 2
На современных ключах лучше уже довольно давно, даже на 144 делали и с управлением никаких проблем, не нужно напряжение подбирать, с si5351 так вообще самое то. Микрухи типа sa612 конечно хуже по динамике.

http://www.ur5ffr.com/viewtopic.php?f=8&t=219 вот этот интересно выглядит - ключи, qer фильтры (расчета и настройки не требуют, в крайнем случае полоса получится меньше/больше, что легко скорректировать), ару, компрессор (ограничитель) для передачи, простой. я правда не понял зачем на мелких кварцах фильтры сделаны и потом согласованы трансформаторами если на высоких кварцах получается втрое меньшее сопротивление и они вроде как почти нормально без трансформаторов встанут

(версия посложнее http://www.ur5ffr.com/viewtopic.php?f=8&t=264 вполне разумные дополнения, могу разве что добавить, что max7400 меньше шумит если тактовые импульсы генерить внешним генератором на 555 таймере например, случайно обнаружил)

пожалуй если бы захотел сделать сейчас простой трансивер с КФ - делал бы этот (второй) вариант, раньше видел его, но забыл уже. конечно к нему еще дпф, УМ, ФНЧ нужны )

_________________
"Вся военная пропаганда, все крики, ложь и ненависть исходят от людей, которые на эту войну не пойдут !" / Джордж Оруэлл /
"Война - это,когда за интересы других,гибнут совершенно безвинные люди." / Уинстон Черчилль /


Вернуться наверх
 
 Заголовок сообщения: Re: Собираю Трансивер на 40м (есть вопросы!)
СообщениеДобавлено: Чт янв 20, 2022 09:25:21 
Собутыльник Кота
Аватар пользователя

Карма: 14
Рейтинг сообщений: 121
Зарегистрирован: Сб май 21, 2016 11:04:52
Сообщений: 2977
Откуда: Беларусь
Рейтинг сообщения: 0
int4880053 писал(а):
Кольца от ламп и иных инвертеров, а так же
трубки я проверял - ни фига они не работают
там все тухнет.


а кольца 20вч 50вч где применяются. не совсем понимаю фишку. Как я понял 20 - это частота мгц или проницаемость

вот для 400-1000нн
http://prntscr.com/26g3iku


вот для 20-50вч

http://prntscr.com/26g3jbe


Вернуться наверх
 
Показать сообщения за:  Сортировать по:  Вернуться наверх
Начать новую тему Ответить на тему  [ Сообщений: 73 ]  1, , ,  

Часовой пояс: UTC + 3 часа


Вы не можете начинать темы
Вы не можете отвечать на сообщения
Вы не можете редактировать свои сообщения
Вы не можете удалять свои сообщения
Вы не можете добавлять вложения

Найти:
Перейти:  


Powered by phpBB © 2000, 2002, 2005, 2007 phpBB Group
Русская поддержка phpBB
Extended by Karma MOD © 2007—2012 m157y
Extended by Topic Tags MOD © 2012 m157y