Например TDA7294

Форум РадиоКот • Просмотр темы - Управление устройством DTMF тонами
Форум РадиоКот
Здесь можно немножко помяукать :)

Текущее время: Вт мар 03, 2026 10:45:02

Часовой пояс: UTC + 3 часа


ПРЯМО СЕЙЧАС:



Начать новую тему Ответить на тему  [ Сообщений: 89 ]  1, , , ,  
Автор Сообщение
 Заголовок сообщения: Управление устройством DTMF тонами
СообщениеДобавлено: Чт фев 03, 2022 10:18:54 
Собутыльник Кота
Аватар пользователя

Карма: 14
Рейтинг сообщений: 121
Зарегистрирован: Сб май 21, 2016 11:04:52
Сообщений: 2977
Откуда: Беларусь
Рейтинг сообщения: 0
В башке появилась такая идея.

у меня есть эхорепитор . Я хочу управляет режимом повтора. Т.е когда нужно включать режим , когда не нужно выключать.
На алике увидель плату DTMF MT8870, которая преобразует тоновый сигнал в управляемый, ну т.е моно будет управлять релюхой

Идея такая, даю тоновой синал в рацию , например 0 и рация получает его и отключает устройство репитора, а например отправляю 1 и репитор включается

Нормальо или опять бред придумал?


Вернуться наверх
 
 Заголовок сообщения: Re: Управление устройством DTMF тонами
СообщениеДобавлено: Чт фев 03, 2022 10:34:56 
Друг Кота
Аватар пользователя

Карма: 129
Рейтинг сообщений: 2973
Зарегистрирован: Вт дек 20, 2011 12:46:51
Сообщений: 73964
Откуда: Петроград
Рейтинг сообщения: 0
обычное частотное разделение команд.....
ничто не ново под луной

_________________
https://www.int-s.spb.ru
" Можно я лягу?"(C)


Вернуться наверх
 
 Заголовок сообщения: Re: Управление устройством DTMF тонами
СообщениеДобавлено: Чт фев 03, 2022 10:41:19 
Собутыльник Кота
Аватар пользователя

Карма: 14
Рейтинг сообщений: 121
Зарегистрирован: Сб май 21, 2016 11:04:52
Сообщений: 2977
Откуда: Беларусь
Рейтинг сообщения: 0
ну я не претендую на авторство , просто решил спросить все ли нормально в этой цепочке.


Вернуться наверх
 
 Заголовок сообщения: Re: Управление устройством DTMF тонами
СообщениеДобавлено: Чт фев 03, 2022 10:48:28 
Сверлит текстолит когтями
Аватар пользователя

Карма: 15
Рейтинг сообщений: 384
Зарегистрирован: Чт янв 12, 2012 19:32:15
Сообщений: 1249
Откуда: Belarus
Рейтинг сообщения: 0
Нормальо или опять бред придумал
Идея нормальная. А вот как Вы её реализуете, такая и оценка будет. И подводные камни повылазят. Например, кто-то услышит в ваших сообщениях тоновый сигнал, сложит два и два и тоже начнёт вашим репитером управлять. Эфир то один на всех.
В начале 2000-х, когда у нас мобильные телефоны только начали появляться, мы с другом делали мост GSM-городская АТС. На базе кнопочного Сименса. И управление мостом по DTMF было. Занятная штука получилась, года два пользовались.


Вернуться наверх
 
Эиком - электронные компоненты и радиодетали
 Заголовок сообщения: Re: Управление устройством DTMF тонами
СообщениеДобавлено: Чт фев 03, 2022 11:47:18 
Друг Кота
Аватар пользователя

Карма: 96
Рейтинг сообщений: 1505
Зарегистрирован: Вт мар 16, 2010 22:02:27
Сообщений: 15486
Откуда: ДОНЕЦК
Рейтинг сообщения: 0
Можно в "неслышимый" диапазон загнать сигнал...
:roll:


Вернуться наверх
 
 Заголовок сообщения: Re: Управление устройством DTMF тонами
СообщениеДобавлено: Чт фев 03, 2022 11:57:00 
Друг Кота

Карма: 49
Рейтинг сообщений: 550
Зарегистрирован: Чт фев 20, 2014 18:57:55
Сообщений: 19494
Рейтинг сообщения: 0
Тогда уж сразу CTCSS. На слух не поймут, а на SDR при желании любой нецифровой вариант разглядят.

_________________
"Вся военная пропаганда, все крики, ложь и ненависть исходят от людей, которые на эту войну не пойдут !" / Джордж Оруэлл /
"Война - это,когда за интересы других,гибнут совершенно безвинные люди." / Уинстон Черчилль /


Вернуться наверх
 
 Заголовок сообщения: Re: Управление устройством DTMF тонами
СообщениеДобавлено: Чт фев 03, 2022 12:34:20 
Вымогатель припоя
Аватар пользователя

Карма: -8
Рейтинг сообщений: 53
Зарегистрирован: Вт янв 02, 2018 11:34:41
Сообщений: 579
Откуда: Украина.
Рейтинг сообщения: 0
Идея рабочая, за исключением одного "но" - нажать кнопку дистанционно можно, но удержать не выйдет. Во всяком случае у той приблуды с Алика.

Но есть радиолюбительские реализации, которые устраняют этот недостаток:

http://www.cqham.ru/dtmf3.htm

http://eddy71.ucoz.net/publ/ustrojstvo_ ... l/1-1-0-57

https://vrtp.ru/index.php?act=categorie ... ticle=3321

https://www.rlocman.ru/shem/schematics.html?di=70956

_________________
От бобра добра не ищут!©


Вернуться наверх
 
 Заголовок сообщения: Re: Управление устройством DTMF тонами
СообщениеДобавлено: Чт фев 03, 2022 16:21:20 
Друг Кота

Карма: 1
Рейтинг сообщений: 91
Зарегистрирован: Вт мар 13, 2012 12:16:13
Сообщений: 8994
Откуда: .ru
Рейтинг сообщения: 0
опять бред придумал... ))
DTMF использовали 20 лет тому назад... Сейчас нигде не используется.
в прошлой теме разбирали DTMF...
работает не устойчиво... при слабом сигнале ложные срабатывания... и т.д.

релюхой лучше управлять современными цифровыми методами.
:tea:

Добавлено after 5 minutes 15 seconds:
тут всё это ковыряли... много лет тому назад))
viewtopic.php?f=28&t=108688&hilit=Радиоуправление.+Переходим+на+МК.


Вернуться наверх
 
 Заголовок сообщения: Re: Управление устройством DTMF тонами
СообщениеДобавлено: Чт фев 03, 2022 16:55:50 
Друг Кота

Карма: 67
Рейтинг сообщений: 1964
Зарегистрирован: Сб дек 18, 2021 19:25:32
Сообщений: 12867
Рейтинг сообщения: 0
Не говорите субъективной ерунды. До сих пор используется, и производится.


Вернуться наверх
 
 Заголовок сообщения: Re: Управление устройством DTMF тонами
СообщениеДобавлено: Чт фев 03, 2022 17:02:50 
Друг Кота

Карма: 1
Рейтинг сообщений: 91
Зарегистрирован: Вт мар 13, 2012 12:16:13
Сообщений: 8994
Откуда: .ru
Рейтинг сообщения: 0
Не пишите всякой фигни))
Нигде не используется, и не производится.
:tea:


Вернуться наверх
 
 Заголовок сообщения: Re: Управление устройством DTMF тонами
СообщениеДобавлено: Чт фев 03, 2022 17:14:22 
Друг Кота

Карма: 67
Рейтинг сообщений: 1964
Зарегистрирован: Сб дек 18, 2021 19:25:32
Сообщений: 12867
Рейтинг сообщения: 0
Похоже, Вы дальше кораблика видеть не способны.

Изображение

Когда закончите пить, поищите примеры использования. Откроете для себя много нового. Может, и кораблик наконец-то сделаете.


Вернуться наверх
 
 Заголовок сообщения: Re: Управление устройством DTMF тонами
СообщениеДобавлено: Чт фев 03, 2022 18:31:34 
Друг Кота

Карма: 1
Рейтинг сообщений: 91
Зарегистрирован: Вт мар 13, 2012 12:16:13
Сообщений: 8994
Откуда: .ru
Рейтинг сообщения: 0
Martian писал(а):
Может, и кораблик наконец-то сделаете.

Кораблик слишком большой))
Вложение:
кораблик.jpg [50 KiB]
Скачиваний: 139

Martian писал(а):
Вы дальше кораблика видеть не способны.

Горизонт событий не позволяет))
Вложение:
горизонт событий.jpg [31.46 KiB]
Скачиваний: 133

:tea:


Вернуться наверх
 
 Заголовок сообщения: Re: Управление устройством DTMF тонами
СообщениеДобавлено: Чт фев 03, 2022 18:35:32 
Друг Кота

Карма: 49
Рейтинг сообщений: 550
Зарегистрирован: Чт фев 20, 2014 18:57:55
Сообщений: 19494
Рейтинг сообщения: 0
Неплохой сюжет для новых звездных войн. Империя создала очередную вундервафлю, но с управлением DTMF, последний джедай уже паяет шарманку чтобы покончить со злом )

_________________
"Вся военная пропаганда, все крики, ложь и ненависть исходят от людей, которые на эту войну не пойдут !" / Джордж Оруэлл /
"Война - это,когда за интересы других,гибнут совершенно безвинные люди." / Уинстон Черчилль /


Вернуться наверх
 
 Заголовок сообщения: Re: Управление устройством DTMF тонами
СообщениеДобавлено: Чт фев 03, 2022 18:59:42 
Друг Кота
Аватар пользователя

Карма: 72
Рейтинг сообщений: 1165
Зарегистрирован: Чт ноя 20, 2008 04:20:48
Сообщений: 8103
Откуда: КурскЪ
Рейтинг сообщения: 2
Блок эхо репитера surecom sr-112,там как раз используется управление DTMF кодом.Ставил репитер у себя в городе.
Включение/отключение записи,установка уровня усиления и тд и тп.
Дома с радиостанции им управляю.
Фрагмент списка кодов команд с инструкции на него.
Изображение

_________________
Принимаю вас 595+40db на уровне шумов на кухонный приёмник,антенна наружка-магнитная катушка..работает "Акация",вот такая информация.Роман.73!!!
"50 КСВ 075", UA3112SWL
Изображение


Вернуться наверх
 
 Заголовок сообщения: Re: Управление устройством DTMF тонами
СообщениеДобавлено: Пт фев 04, 2022 09:58:45 
Собутыльник Кота
Аватар пользователя

Карма: 14
Рейтинг сообщений: 121
Зарегистрирован: Сб май 21, 2016 11:04:52
Сообщений: 2977
Откуда: Беларусь
Рейтинг сообщения: 0
спасибо все за ответы. Решил не открывать новую тему, а обсудить здесь. Так как сиравно касается DTMF.

существует мануал радиостанции . В нем описано как можно использовать DTMF клавиатуру
вот выписка из него
Изображение

красным отметил интересующие меня строки

речь идет о "конфигурации строка -столбец"

Правильно ли я понимаю что это именно вот эти строка-столбец
которые описаны здесь
https://star-wiki.ru/wiki/Dual-tone_mul ... _signaling

в частности вот:
Изображение

Т.е на штырек 2 я должен подать тон из столбца , а на штырек 7 нужный мне тон из строки?


Если это так , то как мне организовать подачу этих тонов технически?

Добавлено after 2 minutes 22 seconds:
покупка аксессура RNM5029 (тангенты) не рассматривается, тут речь идет об удаленном управлении устройством.


Вернуться наверх
 
 Заголовок сообщения: Re: Управление устройством DTMF тонами
СообщениеДобавлено: Пт фев 04, 2022 10:18:03 
Друг Кота

Карма: 49
Рейтинг сообщений: 550
Зарегистрирован: Чт фев 20, 2014 18:57:55
Сообщений: 19494
Рейтинг сообщения: 0
Надо разобраться что там на те штырьки 2 и 7 подается. В мануале есть что нибудь еще про них ?

_________________
"Вся военная пропаганда, все крики, ложь и ненависть исходят от людей, которые на эту войну не пойдут !" / Джордж Оруэлл /
"Война - это,когда за интересы других,гибнут совершенно безвинные люди." / Уинстон Черчилль /


Вернуться наверх
 
 Заголовок сообщения: Re: Управление устройством DTMF тонами
СообщениеДобавлено: Пт фев 04, 2022 11:04:07 
Собутыльник Кота
Аватар пользователя

Карма: 14
Рейтинг сообщений: 121
Зарегистрирован: Сб май 21, 2016 11:04:52
Сообщений: 2977
Откуда: Беларусь
Рейтинг сообщения: 0
вот мануал можеткому-тоне лень будет посмотреть


https://dropmefiles.com/jev2a

Добавлено after 39 seconds:
в мануале больше я ничего не нашел, поэтому вот и появилсь вопросы сюда.

пробовал гуглить по распиновке и разборке тангенты rnm5029 тоже ничего не нашел.

Добавлено after 20 minutes 49 seconds:
http://www.getchip.net/posts/107-genera ... ttiny2313/

Изображение


вот нимер есть генератор тонов! Какподружить?

Добавлено after 6 minutes 49 seconds:
Как я понимаю, сигналы нужно подать не разделно на 2 (строка )и 7 (столбец) ножки разъема.

Добавлено after 1 minute 10 seconds:
ночто бы знать это точно нужно найти раздербанненную DTMF тангенту в интернете


Вернуться наверх
 
 Заголовок сообщения: Re: Управление устройством DTMF тонами
СообщениеДобавлено: Пт фев 04, 2022 11:07:50 
Друг Кота

Карма: 49
Рейтинг сообщений: 550
Зарегистрирован: Чт фев 20, 2014 18:57:55
Сообщений: 19494
Рейтинг сообщения: 0
Ну я так понимаю девайс сам генерирует dtmf если подать что то правильное на 2 и 7 ? А с того генератора можно просто к сигналу с микрофона подмешать.

_________________
"Вся военная пропаганда, все крики, ложь и ненависть исходят от людей, которые на эту войну не пойдут !" / Джордж Оруэлл /
"Война - это,когда за интересы других,гибнут совершенно безвинные люди." / Уинстон Черчилль /


Вернуться наверх
 
 Заголовок сообщения: Re: Управление устройством DTMF тонами
СообщениеДобавлено: Пт фев 04, 2022 11:22:10 
Собутыльник Кота
Аватар пользователя

Карма: 14
Рейтинг сообщений: 121
Зарегистрирован: Сб май 21, 2016 11:04:52
Сообщений: 2977
Откуда: Беларусь
Рейтинг сообщения: 0
Ну я так понимаю девайс сам генерирует dtmf если подать что то правильное на 2 и 7 ?



да, именно так я и думаю тоже, то есть нужно сгенерировать и подать раздельно 2 тона на соотвествующие контакты.
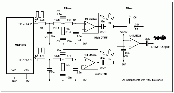
вот здесь нашел что-то похожее

http://www.gaw.ru/html.cgi/txt/app/micr ... laae16.htm

в частности такая схема

Изображение
здесь сигналы раздельные и смешиваются


А с того генератора можно просто к сигналу с микрофона подмешать.


тут не понял вашу идею.


Вернуться наверх
 
 Заголовок сообщения: Re: Управление устройством DTMF тонами
СообщениеДобавлено: Пт фев 04, 2022 12:30:42 
Друг Кота

Карма: 49
Рейтинг сообщений: 550
Зарегистрирован: Чт фев 20, 2014 18:57:55
Сообщений: 19494
Рейтинг сообщения: 0
да, именно так я и думаю тоже, то есть нужно сгенерировать и подать раздельно 2 тона на соотвествующие контакты.

не думаю. возможно конечно, но больше похоже, что это сигналы управления, а не частоты

тут не понял вашу идею.

идея точно как в схемах выше. с тангенты в рацию попадает сигнал с микрофона - подмешайте к нему частоты DTMF, в идеале на это время микрофон отключить

_________________
"Вся военная пропаганда, все крики, ложь и ненависть исходят от людей, которые на эту войну не пойдут !" / Джордж Оруэлл /
"Война - это,когда за интересы других,гибнут совершенно безвинные люди." / Уинстон Черчилль /


Вернуться наверх
 
Показать сообщения за:  Сортировать по:  Вернуться наверх
Начать новую тему Ответить на тему  [ Сообщений: 89 ]  1, , , ,  

Часовой пояс: UTC + 3 часа


Вы не можете начинать темы
Вы не можете отвечать на сообщения
Вы не можете редактировать свои сообщения
Вы не можете удалять свои сообщения
Вы не можете добавлять вложения

Найти:
Перейти:  


Powered by phpBB © 2000, 2002, 2005, 2007 phpBB Group
Русская поддержка phpBB
Extended by Karma MOD © 2007—2012 m157y
Extended by Topic Tags MOD © 2012 m157y