|
Часовой пояс: UTC + 3 часа |
| ПРЯМО СЕЙЧАС: |
|
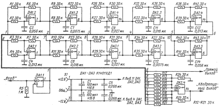
Квадратурный фазовращатель
Узелки:
|
Страница 1 из 1 |
[ 1 сообщение ] |
|
|
| Автор | Сообщение | ||||||
|---|---|---|---|---|---|---|---|
| Ariadna-on-Line |
|
||||||
Карма: 17 Рейтинг сообщений: 227 Зарегистрирован: Вс май 13, 2012 00:01:54 Сообщений: 1476 Рейтинг сообщения: 0 |
|
||||||
| Вернуться наверх | |
||||||
| Реклама | ||||
|
|
|
|||
|
Страница 1 из 1 |
[ 1 сообщение ] |
|
Часовой пояс: UTC + 3 часа |
| Вы не можете начинать темы Вы не можете отвечать на сообщения Вы не можете редактировать свои сообщения Вы не можете удалять свои сообщения Вы не можете добавлять вложения |





