Например TDA7294

Форум РадиоКот • Просмотр темы - Создание УКВ приёмников высокого класса.
Форум РадиоКот
Здесь можно немножко помяукать :)

Текущее время: Пн мар 09, 2026 13:54:45

Часовой пояс: UTC + 3 часа


ПРЯМО СЕЙЧАС:



Начать новую тему Ответить на тему  [ Сообщений: 220 ]  1, , , , ...  
Автор Сообщение
 Заголовок сообщения: Создание УКВ приёмников высокого класса.
СообщениеДобавлено: Пт фев 17, 2017 22:30:56 
Нашел транзистор. Понюхал.
Аватар пользователя

Карма: 6
Рейтинг сообщений: 21
Зарегистрирован: Сб дек 15, 2012 15:23:08
Сообщений: 173
Откуда: Деревня Куба
Рейтинг сообщения: 2
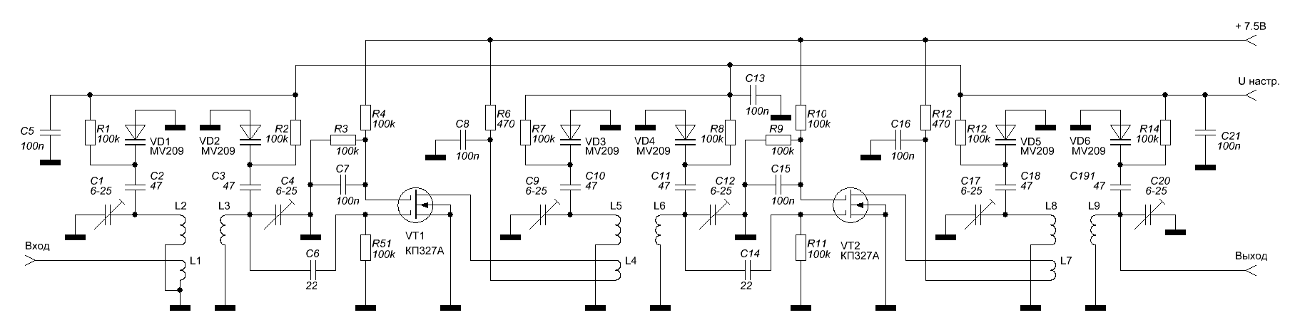
Было дело, с Виктором.С мы задумали создать тему по приёмникам высокого класса. Но у меня то времени не было, то дела семейные, то работа, как то руки не доходили. Наконец то дошли руки и так как блоки УПЧД и стерео декодера готовы и прекрасно работают, начал работать над УКВ блоком. В первую очередь изготовил, пока на макете гетеродин и смеситель. Пробовал КП327А и BF998, как в гетеродине так и в смесителе. Гетродин со стабилизацией амплитуды ВЧ. Стабилизация осуществляется двумя малошумящими СВЧ диодами Шоттки включённым в цепь ПОС. Данная схема заработала сразу после сборки и даже без УВЧ на внешнюю антенну уверенно принял все станции вещающие в нашем регионе (70-90 км от передающих центров). Но пока не об этом. Самое важное в высококачественном приёмнике это входная цепь УКВ блока. Сегодня, так как выпало свободное время, решил всё-таки это дело осуществить в железе. Транзисторы были взяты те же КП327А, так как их всё-таки удобнее на макете паять, в отличии от SMD BF998, хотя последние работают получше 327-х в плане усиления (опробовано в схеме того же смесителя). Описывать схему не буду, так как там предельно всё просто. Два компенсирующих потери каскада усиления и три перестраиваемых полосовых фильтра с полосой ~ 800 кГц по уровню 0708 ( -3дБ). Полный коэффициент передачи схемы 2 раза (6 дБ), это с КП327-ми, возможно с BF998 коэффициент передачи будет выше, но всё равно эта схема служит только входным селективным каскадом и усиление здесь не главное. По схеме, после этого блока, планируется установить ещё один каскад УВЧ с широкополосной нагрузкой в виде одного контура, как в традиционных УКВ блоках, затем смеситель. Пока это в планах - в железе может быть схема изменена. Пока не подключал к части с "смеситель - гетеродин" Так-же в данный входной блок я планирую ввести АРУ для улучшения динамического диапазона всего УКВ тракта, либо ввести ограничение. Это всё будет происходить в процессе и выберется наилучший вариант. Так же думаю затворы КП327-х включить в схемы фильтров не через конденсаторы, а через катушки связи. Это должно немного улучшить селекцию и уменьшить влияние входных реактивностей транзисторов на характеристики фильтров.Схема может показаться сложной, но это совсем не так. Конечно, без АЧХометра за это дело даже не стоит браться, но имея приборы собирается и налаживается довольно легко. По поводу перестройки и сопряжения. При установке в схему фильтров идентичных катушек индуктивности (аккуратно одинаково намотанных) и варикапов одного типа( я даже их не отбирал, если честно), при перестройке в диапазоне 87-108 МГц рассогласования в настройке фильров не наблюдалось. И это даже на макете. Хотя ещё не установил экраны между каскадами. Все катушки в фильтрах содержат по 6 витков провода 0.8 на оправке 4 мм. Катушки связи в стоках транзисторов по 5 витков того же провода и диаметра. Входная катушка связи 2 витка. Контурные катушки каждого из фильтров расположены параллельно на расстоянии равном диаметру катушек. Катушки связи расположены соосно контурным катушкам со сторон "холодных (соединённых с общим проводом - плюсом питания для катушек связи в стоках транзисторов)" выводов на расстоянии около 1 мм от контурных катушек. Распайка согласно схеме. Схема и АЧХ данной схемы приведены ниже.
Вложение:
Комментарий к файлу: Схема
111.GIF [24.15 KiB]
Скачиваний: 3804

Вложение:
Комментарий к файлу: АЧХ
123.JPG [85.59 KiB]
Скачиваний: 2592


Добавлено after 1 hour 23 minutes 16 seconds:
Поставил экранчики между каскадами и фильтрами соответственно, АЧХ выровнялась и полоса по уровню 0708 стала 670 кГц на 98 МГц. Как раз то, что доктор прописал :)
Вложение:
122.JPG [85.25 KiB]
Скачиваний: 2453


Вернуться наверх
 
 Заголовок сообщения: Re: Создание УКВ приёмников высокого класса.
СообщениеДобавлено: Сб фев 18, 2017 00:08:29 
Поставщик валерьянки для Кота
Аватар пользователя

Карма: 22
Рейтинг сообщений: 79
Зарегистрирован: Ср апр 01, 2009 12:32:13
Сообщений: 2025
Откуда: СПб
Рейтинг сообщения: 0
Интересно! Судя по картинкам АЧХ, используется какой-то NWT (-7?). Нельзя ли чуть подробнее рассказать, как подключался прибор к данному УВЧ и проводились измерения?


Вернуться наверх
 
 Заголовок сообщения: Re: Создание УКВ приёмников высокого класса.
СообщениеДобавлено: Сб фев 18, 2017 01:07:53 
Нашел транзистор. Понюхал.
Аватар пользователя

Карма: 6
Рейтинг сообщений: 21
Зарегистрирован: Сб дек 15, 2012 15:23:08
Сообщений: 173
Откуда: Деревня Куба
Рейтинг сообщения: 0
Да. Использовался NWT500, доработанный,так как в "сыром" варианте выходили из строя выходной УВЧ и линейный детектор. Но тема не об этом. Подключался прибор через катушки связи, трансформирующие необходимые для прибора сопротивления. Настройка производилась покаскадно. Сначала первый фильтр, и АЧХ фильтра настраивалась с контролем на выходе первого каскада усиления, затем был установлен второй фильтр и второй каскад усиления, соответственно и на выходе этого каскада уже контролировалась настройка второго фильтра. затем был установлен третий фильтр и с выхода фильтра через катушку связи был настроен третий фильтр. По входу прибор подключался через аттенюатор 6 дБ, по выходу использовался внутренний программный аттенюатор. Затем в режиме измерения АЧХ в диапазоне 87-110 МГц производились измерения коэффициента передачи и сопряжение настройки фильтров усилителя. Перестраивался усилитель обычным переменным резистором. В принципе всё.
Сегодня уже поздно, завтра продолжу. Буду достраивать основной УВЧ, смеситель и гетеродин. По ходу будет отчёт.


Вернуться наверх
 
 Заголовок сообщения: Re: Создание УКВ приёмников высокого класса.
СообщениеДобавлено: Сб фев 18, 2017 03:29:41 
Говорящий с текстолитом
Аватар пользователя

Карма: 17
Рейтинг сообщений: 181
Зарегистрирован: Пт дек 12, 2008 21:12:14
Сообщений: 1604
Откуда: Moscow
Рейтинг сообщения: 0
Ничего нового здесь нет, а вот тема интересная. Потому что заселен FМ очень плотно и если
считать по Москве то вся сетка частот через 50кгц занята. Т е свободного места нет даже для
радиомикрофонов. Поэтому остро встал вопрос о повышении динамического диапазона в УКВ
радиоприемниках так как раннне вставал вопрос и по КВ. И по этому обычная схемотенхника
прежних лет совершенно не подходит. Варакторнную настройку придется уберать с входа.
и ставить полосовой фильтр.

_________________
Еси хочешь чтоб комп был быстрым - ставь Пингвин,- он будет чистым


Вернуться наверх
 
Эиком - электронные компоненты и радиодетали
 Заголовок сообщения: Re: Создание УКВ приёмников высокого класса.
СообщениеДобавлено: Сб фев 18, 2017 08:24:48 
Нашел транзистор. Понюхал.
Аватар пользователя

Карма: 6
Рейтинг сообщений: 21
Зарегистрирован: Сб дек 15, 2012 15:23:08
Сообщений: 173
Откуда: Деревня Куба
Рейтинг сообщения: 0
Ну по поводу сетки частот в Москве это не так. Станции "упакованы" в сетке 400 кГц, есть и "дыры" не побоюсь этого похабного слова и в 500 кГц ну и пару станций в сетке 300 кГц, но никак не 50 кГц. Вы сильно преувеличиваете. да и в 50 кГц при девиации +- 75 кГц станции даже в моно режиме не "упаковать", не говоря уже о стерео режиме передачи.
Теперь по теме. На входе как раз полосовой фильтр, его плюс в том что он перестраиваемый и уже обладает довольно высокой селективностью. А то что Вы предлагаете, то можно попросту взять любой унифицированный блок УКВ и его работа как раз будет имитировать ШП полосовик на входе, собирая все шумы со всего диапазона, перегружая блок более мощными сигналами отстоящими по частоте, но находящиеся в полосе прозрачности полосового фильтра и, соответственно, этим снижая общую максимальную чувствительность. Это не КВ, а УКВ и ширина полосы более 20 МГц. и в этом спектре может быть всё что угодно мешающее приёму. те-же компьютеры, к примеру, зарядники, интернет - гадит всё что можно. Если брать КВ, как Вы говорите, особенно любительские диапазоны, то в этом случае да, обычный полосовик будет кстати, так как любительские участки КВ довольно узкие по полосе и перестраиваемые ПФ там практически нет смысла применять, хотя тоже было бы кстати, к примеру, для лучшей отстройки от помех и соответственно, увеличения селективности.

Добавлено after 4 hours 17 minutes 43 seconds:
Короче говоря, тема немного подзаглохнет. У меня в процессе питание приёмника попало на фазу 220 Вольт. Выгорел весь УПЧД и стерео декодер, сгорели входы УНЧ, а так как УНЧ был другим входом подключён к звуковой карте компа, то и там выгорел один из выходов. Но самое интересное, на этом же питании "сидел" УКВ модуль и синтезатор. так эти две сволочи остались живее всех живых :)))


Вернуться наверх
 
 Заголовок сообщения: Re: Создание УКВ приёмников высокого класса.
СообщениеДобавлено: Сб фев 18, 2017 08:45:49 
Говорящий с текстолитом
Аватар пользователя

Карма: 17
Рейтинг сообщений: 181
Зарегистрирован: Пт дек 12, 2008 21:12:14
Сообщений: 1604
Откуда: Moscow
Рейтинг сообщения: 0
Первое что нужно было сделать на рабочем месте:- поставить разделительный транс 220-110+110+латр
КСТАТИ за ними гоняются по всему инету. Особенно те кто ремонтирует блоки питания. Ну-у чтоб не
приклеится к фазе (бывает с летальным изходом).

_________________
Еси хочешь чтоб комп был быстрым - ставь Пингвин,- он будет чистым


Вернуться наверх
 
 Заголовок сообщения: Re: Создание УКВ приёмников высокого класса.
СообщениеДобавлено: Сб фев 18, 2017 10:01:15 
Нашел транзистор. Понюхал.
Аватар пользователя

Карма: 6
Рейтинг сообщений: 21
Зарегистрирован: Сб дек 15, 2012 15:23:08
Сообщений: 173
Откуда: Деревня Куба
Рейтинг сообщения: 0
Я как то не боюсь ударов током. С детства било постоянно. Причём сам лез пальцами куда не следует, зная что долбанёт, может кайф испытывал от этого, уже не и не припомню. Но что любил заколки мамкины в розетку вставлять и смотреть как бахает от КЗ и летят искры или шнуры от абажуров и прочей техники перерезать, причём когда они под напряжением, то это помню отчётливо. Хоть лет уже прошло немало :))) Вот для техники да, летальный исход возможен. да Бог с ним. Всё бывает. К счастью необходимые детали оказались в НЗ, поэтому скоро всё восстановлю.


Вернуться наверх
 
 Заголовок сообщения: Re: Создание УКВ приёмников высокого класса.
СообщениеДобавлено: Сб фев 18, 2017 14:19:59 
Друг Кота
Аватар пользователя

Карма: 35
Рейтинг сообщений: 82
Зарегистрирован: Чт окт 08, 2009 00:43:16
Сообщений: 3284
Рейтинг сообщения: 0
int4880053 писал(а):
Ничего нового здесь нет, а вот тема интересная. Потому что заселен FМ очень плотно и если
считать по Москве то вся сетка частот через 50кгц занята. Т е свободного места нет даже для
радиомикрофонов. Поэтому остро встал вопрос о повышении динамического диапазона в УКВ
радиоприемниках так как раннне вставал вопрос и по КВ. И по этому обычная схемотенхника
прежних лет совершенно не подходит. Варакторнную настройку придется уберать с входа.
и ставить полосовой фильтр.

Эта тема вроде уже поднималась годах в 80_х в журнале Радио. Листая старые подшивки натыкался на что-то с широкополосной преселекцией и регулированием усиления УВЧ по сигналу с УПЧ (еще до ограничения), во избежание превращения радиовещательного УКВ приемника в шарманку. Недавно искал ту статью, да чёта не нашел.
P.S. Возможно ошибаюсь, и статья была не про широкополосную преселекцию, а про широкополосную АРУ для УКВ ЧМ радиоприемника. Но что-то интересное я там определенно видел.
P.P.S. А "гирлянда" из контуров с варикапами ни к чему хорошему не приведет в условиях плотной заселенности диапазона. Давно проверено всеми кем только можно и отвергнуто как малопригодное.


Вернуться наверх
 
 Заголовок сообщения: Re: Создание УКВ приёмников высокого класса.
СообщениеДобавлено: Сб фев 18, 2017 14:53:02 
Друг Кота

Карма: 68
Рейтинг сообщений: 1409
Зарегистрирован: Сб янв 29, 2011 00:28:48
Сообщений: 7774
Рейтинг сообщения: 0
Изображение


Вернуться наверх
 
 Заголовок сообщения: Re: Создание УКВ приёмников высокого класса.
СообщениеДобавлено: Сб фев 18, 2017 18:11:48 
Друг Кота
Аватар пользователя

Карма: 35
Рейтинг сообщений: 82
Зарегистрирован: Чт окт 08, 2009 00:43:16
Сообщений: 3284
Рейтинг сообщения: 0
Ага-ага, похоже. Аттенюатор на входе управляемый сигналом полученным еще до ФПЧ. И первая ссылка под статьей как раз то, о чем я писал выше. Радио 1981 №4 и №5/6.


Вернуться наверх
 
 Заголовок сообщения: Re: Создание УКВ приёмников высокого класса.
СообщениеДобавлено: Сб фев 18, 2017 18:23:58 
Японец
Аватар пользователя

Карма: -1
Рейтинг сообщений: 13
Зарегистрирован: Сб дек 24, 2005 03:12:21
Сообщений: 48
Рейтинг сообщения: 0
salyamkamrad писал(а):
Ага-ага, похоже.

viewtopic.php?p=1428067#p1428067
aen писал(а):
У меня тоже была задача сделать ЧМ приемник для приема дальних станций. Только неделю назад с ним закончил. Делал кухонный приемник для жены. :)
По структуре приемник получился конечно не простой.
УВЧ два каскада на двухзатворных полевых транзисторах КП306В. Транзисторы можно и другие двухзатворные. Просто у меня КП306 много, вот я их и поставил.
Смеситель тоже на двухзатворном полевом транзисторе.
Дальше два каскада ПЧ на транзисторах КТ339. В каждом каскаде стоят керамические фильтры на 10,7 мгц.
Потом детектор ЧМ на основе ФАПЧ по схеме приемника описанного в ж. Радио 9-1991 год
http://publ.lib.ru/ARCHIVES/R/''Radio'' ... fax%5d.zip

Изображение

Во всяком случае жена осталась довольна данным приемником. :)
Гетеродин аналоговый, но т.к. там есть АПЧ, то частоту он держит нормально, а система ФАПЧ делает настройку просто скачком захватывая станцию.

Ничего более простого по структуре для приема дальних станций не получилось.
В принципе можно взять и приемник из данного журнала, хотя сам я его не делал, а взял оттуда только ЧМ детектор.


Вернуться наверх
 
 Заголовок сообщения: Re: Создание УКВ приёмников высокого класса.
СообщениеДобавлено: Сб фев 18, 2017 19:01:25 
Друг Кота
Аватар пользователя

Карма: 35
Рейтинг сообщений: 82
Зарегистрирован: Чт окт 08, 2009 00:43:16
Сообщений: 3284
Рейтинг сообщения: 0
Входные цепи с аттенюатором из той статьи под спойлером:
СпойлерИзображение

Вложение:
01.jpg [216.76 KiB]
Скачиваний: 3612


Вернуться наверх
 
 Заголовок сообщения: Re: Создание УКВ приёмников высокого класса.
СообщениеДобавлено: Сб фев 18, 2017 19:20:50 
Модератор
Аватар пользователя

Карма: 158
Рейтинг сообщений: 1600
Зарегистрирован: Пт апр 28, 2006 15:26:07
Сообщений: 11940
Откуда: Россия.
Рейтинг сообщения: 0
Медали: 2
Мявтор 3-й степени (1) Лучший человек Форума 2017 (1)
Вот этого я так и не смог добиться с смесителем на двухзатворном КП306, хотя и пытался.

Изображение

Никакие аттенюаторы по входу не помогли.
Возможности сделать другой смеситель не было, поэтому пока оставил эту затею.
Как только у нас появились местные станции в диапазоне 88 - 108 МГц, так я дальние в этом диапазоне принимать перестал.
Дальние принимаю только в советском диапазоне, т.к. наши местные работают в европейском.
Правда у меня УВЧ имеет полосу где то 3 МГц. Посмотрим как у ТС получится с его полосой УВЧ 800 кГц.


Вложения:
22.PNG [341.93 KiB]
Скачиваний: 11258
Вернуться наверх
 
 Заголовок сообщения: Re: Создание УКВ приёмников высокого класса.
СообщениеДобавлено: Сб фев 18, 2017 21:11:44 
Говорящий с текстолитом
Аватар пользователя

Карма: 17
Рейтинг сообщений: 181
Зарегистрирован: Пт дек 12, 2008 21:12:14
Сообщений: 1604
Откуда: Moscow
Рейтинг сообщения: 0
Имеет место значительное блокирование сильными помехами которые заполняют всю
возможность УВЧ и образуют продукты так как помеха загоняет сигнал в нелинейный участок
транзистора. Для того в настоящее время на этих частотах в проф аппаратуре применяют
УВЧ на транзисторе средней мощности с ООС, полосовые фильтры и кольцевой смеситель на диодах
но он правда требует большой мощности гетеродина потому что его входное сопротивление по
входу около 50 ом и напряжение гетеродина для работы диодов нужно около 1,2в (с запасом
чтобы точно выставить рабочую точку диодов) Можно попробовать не балансный смеситель на
полевом транзисторе средней мощности но это не сделает схему дешевле потому что входная емкость
этого полевика около 100пф а то и больше и входное сопротивление получается очень низким
а двух затворными их не делали и по этому нужно ставить еще один (в цепь истока) и по
этому мощность гетеродина и в этом случае должна быть большой и возможно даже больше
чем для диодов. Трансформаторы для смесителя и УВЧ делали на кольцах 20вЧ (20ВН)
к7х4х2 еще 30 лет назад. Но тогда все это было засекречено и помню из за некоторых
публикаций в журнале Радио были неприятности.
А сейчас кольца эти в ЧипеДипе продают недорого да и диоды шотки малошумящие то же там есть.
да и транзисторы BFххх так что остается только время и деньги чего у многих нехватает.

_________________
Еси хочешь чтоб комп был быстрым - ставь Пингвин,- он будет чистым


Вернуться наверх
 
 Заголовок сообщения: Re: Создание УКВ приёмников высокого класса.
СообщениеДобавлено: Сб фев 18, 2017 22:09:29 
Друг Кота
Аватар пользователя

Карма: 35
Рейтинг сообщений: 82
Зарегистрирован: Чт окт 08, 2009 00:43:16
Сообщений: 3284
Рейтинг сообщения: 0
int4880053 писал(а):
А сейчас кольца эти в ЧипеДипе продают недорого да и диоды шотки малошумящие то же там есть.
да и транзисторы BFххх так что остается только время и деньги чего у многих нехватает.

Можно готовые смесители и гуны найти.


Вернуться наверх
 
 Заголовок сообщения: Re: Создание УКВ приёмников высокого класса.
СообщениеДобавлено: Сб фев 18, 2017 23:14:28 
Говорящий с текстолитом
Аватар пользователя

Карма: 17
Рейтинг сообщений: 181
Зарегистрирован: Пт дек 12, 2008 21:12:14
Сообщений: 1604
Откуда: Moscow
Рейтинг сообщения: 0
смесители видел в одном чипе кольцевые до 1г но дорого стоят. Его дешевле сделать самому.
А Гун все равно нужно умощнять выходным каскадом да и его то же дешевле сделать чем купить
но Гун еще можно купить в том случае если термостабильность у него хорошая.
Да к тому же нужна частота если FM выше на 10,7 а если УКВ то ниже потому что еще и ТВ забивает

_________________
Еси хочешь чтоб комп был быстрым - ставь Пингвин,- он будет чистым


Вернуться наверх
 
 Заголовок сообщения: Re: Создание УКВ приёмников высокого класса.
СообщениеДобавлено: Сб фев 18, 2017 23:22:41 
Электрический кот

Карма: 15
Рейтинг сообщений: 242
Зарегистрирован: Пн окт 06, 2014 18:37:50
Сообщений: 1038
Откуда: Великие Луки
Рейтинг сообщения: 0
УВЧ вообще не надо, высокоуровневый смеситель( двойной кольцевой на диодах или просто балансный на полевиках, типа КП902, ....907. Для полноты счастья, преобразование в верх на Гигагерцы.


Вернуться наверх
 
 Заголовок сообщения: Re: Создание УКВ приёмников высокого класса.
СообщениеДобавлено: Вс фев 19, 2017 00:05:18 
Нашел транзистор. Понюхал.
Аватар пользователя

Карма: 6
Рейтинг сообщений: 21
Зарегистрирован: Сб дек 15, 2012 15:23:08
Сообщений: 173
Откуда: Деревня Куба
Рейтинг сообщения: 0
salyamkamrad писал(а):
Ага-ага, похоже. Аттенюатор на входе управляемый сигналом полученным еще до ФПЧ.

Это логичное и правильное решение. В противном случае эффективность аттенюатора, либо АРУ будет низкой. Но сам преселектор должен быть в этом случае с высокой селективностью, в противном случае мощный сигнал или помеха значительно отстоящие по частоте попросту запрут аттенюатор либо АРУ и толку от этого не будет никакого.

Добавлено after 16 minutes 4 seconds:
int4880053 писал(а):
Имеет место значительное блокирование сильными помехами которые заполняют всю
возможность УВЧ и образуют продукты так как помеха загоняет сигнал в нелинейный участок
транзистора.

Совершенно верно. И это справедливо для широкополосного УВЧ, в котором установлен полосовой фильтр пропускающий полосу всего диапазона. Для узкополосных систем таких жестких требований и не нужно. По поводу кольцевого смесителя на диодах Шоттки то была и есть такая идея и даже есть гетеродин с балансным выходом, что позволит его подключить к подобному смесителю без трансформаторов. Но пка тема не об этом


Вернуться наверх
 
 Заголовок сообщения: Re: Создание УКВ приёмников высокого класса.
СообщениеДобавлено: Вс фев 19, 2017 00:19:39 
Друг Кота
Аватар пользователя

Карма: 35
Рейтинг сообщений: 82
Зарегистрирован: Чт окт 08, 2009 00:43:16
Сообщений: 3284
Рейтинг сообщения: 0
Pavlik писал(а):
Совершенно верно. И это справедливо для широкополосного УВЧ, в котором установлен полосовой фильтр пропускающий полосу всего диапазона.

Как пишет noise1, там вообще УВЧ не надо бы. Я по его совету несколько лет назад попробовал на КВ широкополосную преселекцию с преобразованием вверх, и скажу, что к приемникам с перестраиваемыми входными цепями и с УВЧ никогда больше не вернусь.

Pavlik писал(а):
Для узкополосных систем таких жестких требований и не нужно

Да, не нужно, потому что преселектору с варикапами уже ничего не поможет при возникновении мощной помехи вблизи полосы пропускания.

Но это все лирика, чисто поговорить. Будем ждать и посмотреть, чего получится из конкретно этого проекта.


Вернуться наверх
 
 Заголовок сообщения: Re: Создание УКВ приёмников высокого класса.
СообщениеДобавлено: Вс фев 19, 2017 07:40:38 
Нашел транзистор. Понюхал.
Аватар пользователя

Карма: 6
Рейтинг сообщений: 21
Зарегистрирован: Сб дек 15, 2012 15:23:08
Сообщений: 173
Откуда: Деревня Куба
Рейтинг сообщения: 0
Что вы так все боитесь варикапов? Тем более для бытовых целей. Мы же тут не строим гиперчувствительное приёмное устройство с гипердинамикой для вытягивания сигнала 100 миливаттного передатчика/маячка на расстоянии в тысячи КМ. Это не любительский КВ а бытовой вещательный УКВ. Для данной цели варикапы вполне подходят. Плюсы - компактность и любое количество перестраиваемых резонансных цепей. Конечно, можно изготовить многосекционный КПЕ, но тогда о ФАПЧ можно забыть. Да ,у них есть и минусы - это низкая добротность, которая изменяется пропорционально приложенному обратному напряжению и частоте.
По поводу исключения УВЧ, то да, вполне можно реализовать основное усиление по ПЧ.
Теперь по теме. В процессе "обкатки" пришлось исключить из схемы один каскад усиления и полосовой фильтр. Полоса получилась на столько узкой, что не пропускало толком стерео сигнал т.е слишком узкая полоса ухудшала стерео разделение. В остальном на данный момент изготовлен УВЧ и смеситель. Подбираются режимы работы смесителя. В качестве гетеродина пока используется внешний DDS генератор. С аппаратным гетеродином пока думаю. Есть несколько вариантов схем. Если на данный момент - работой схемы удовлетворён. Самое главное не пришлось "танцевать с бубнами" с сопряжением настроек.


Вернуться наверх
 
Показать сообщения за:  Сортировать по:  Вернуться наверх
Начать новую тему Ответить на тему  [ Сообщений: 220 ]  1, , , , ...  

Часовой пояс: UTC + 3 часа


Вы не можете начинать темы
Вы не можете отвечать на сообщения
Вы не можете редактировать свои сообщения
Вы не можете удалять свои сообщения
Вы не можете добавлять вложения

Найти:
Перейти:  


Powered by phpBB © 2000, 2002, 2005, 2007 phpBB Group
Русская поддержка phpBB
Extended by Karma MOD © 2007—2012 m157y
Extended by Topic Tags MOD © 2012 m157y