| Форум РадиоКот https://radiokot.ru/forum/ |
|
| Мелкие вопросы по радиотехнике https://radiokot.ru/forum/viewtopic.php?f=28&t=11100 |
Страница 1 из 405 |
| Автор: | Max [ Ср окт 08, 2008 20:29:08 ] |
| Заголовок сообщения: | |
Anjey, так лучше? Только флуда не надо - тут мелкие вопросы, а не крупный флуд. |
|
| Автор: | Anjey [ Ср окт 08, 2008 20:41:43 ] | |||
| Заголовок сообщения: | ||||
Спасибо Max, это мне и надо было.. У меня маленький вопрос: - Есть приемник на транзисторе SS9018H (КТ6113Д). Могу ли я в передатчике, к этому приемнику, во входном контуре использовать такой же транзистор? Спасибо. Приемник. Передатчик.
|
||||
| Автор: | ARV [ Ср окт 08, 2008 20:43:12 ] |
| Заголовок сообщения: | |
где-то попадалась мне ссылка на аналогичную антенну на 88-109 Мгц - вещательный УКВ-диапазон... габарит покрупнее, но все равно загадочно P.S. вот, нашел ссылочку... |
|
| Автор: | aen [ Ср окт 08, 2008 21:26:38 ] |
| Заголовок сообщения: | |
Anjey писал(а): в передатчике, во входном контуре использовать такой же транзистор? Как понять во входном контуре? Имеешь в виду можно ли на нём передатчик сделать? Частота какая? У него Ft=700 мгц. На 433 мгц трудно будет завести, но можно. Только не превышай допустимый ток коллектора. Он у него по моему не очень большой. В твоей схеме резистор R2 конечно больше придётся делать. Ну и пальцем можно пробовать, греется или нет. tych писал(а): Вы верите в эффективность чип антенн ? В антенны верю.
В эффективность не верю. Эффективность такая же как и у любой сильно укороченной антенны. Удобство в том, что самодельную антенну таких размеров без специальных приборов настроить трудно. Здесь же уже настроена. Главное правильно подсоединить, т.е. следовать её даташиту. |
|
| Автор: | Anjey [ Ср окт 08, 2008 21:37:41 ] |
| Заголовок сообщения: | |
aen, спасибо, учту. И последний, пока, вопрос - какую дальность , примерно, я смогу получить, если запитаю передатчик от 1,5В , мне метров 10 надо... |
|
| Автор: | aen [ Ср окт 08, 2008 22:17:52 ] |
| Заголовок сообщения: | |
Во первых его ещё нужно запустить от 1,5 вольта на сотнях мегагерц. Уже пробовал? Если и запустишь, то я например сомневаюсь насчёт 10 метров. Хотя кто его знает. А чего, так критично 1,5 вольта? Ну хоть 3 вольта. |
|
| Автор: | Anjey [ Ср окт 08, 2008 22:40:55 ] |
| Заголовок сообщения: | |
Еще не запускал, вот допаиваю... Не знал какой транзистор применить, попробую S9018. Есть у меня еще КТ3101А. 1,5В - хочу использовать одну пальчиковую батарейку, для уменьшения габаритов. Что получится, отпишусь... |
|
| Автор: | aen [ Ср окт 08, 2008 23:05:52 ] |
| Заголовок сообщения: | |
Пробуй. Я для интереса тоже пробовал. Вон перед носом валяется. Правда питание меньше четырёх вольт не пробовал.В качестве контуров скобки провода 1,2 мм размером 1,5 см. Схемы примерно как у тебя. Чего то ловит, но я только по комнате ходил. Если от 1,5 вольта питать, то резистор R2 не увеличивай. Там же на базе порядка 0,6 вольта должно быть. |
|
| Автор: | Seemann [ Пт окт 31, 2008 16:52:28 ] |
| Заголовок сообщения: | |
Здравствуйте, уважаемые котоведы. Образовался "мелкий вопрос по радиотехнике", решил спросить совета. Вот жука собрал http://vrtp.ru/index.php?act=categories&CODE=article&article=1773 Его тут рекомендовали, кстати. И вот такая, значит, у меня беда: излучение передатчика происходит в очень узком диапазоне. Я таки смог поймать его сигнал на частоте около 100мгц, но малейший шаг в сторону - и шипение. Настроиться на его сигнал практически невозможно. Например, приёмник на плеере вообще не может найти его в режиме поиска (шаг - 0.05 мгц). Короче, передатчик очень добротный Подскажите, как это лечится? |
|
| Автор: | tych [ Пт окт 31, 2008 18:40:18 ] |
| Заголовок сообщения: | |
Может попробовать увеличить глубину модуляции увеличением усиления первого транзистора увеличением резистора в цепи коллектора, или изменением резистора в 1 мОм для смещения рабочей токи транзистора. Можно питать микрофон через резистор 10 кОм. Хорошо бы подать сигнал от генератора вместо микрофона или вместо первого транзистора и помотреть станет ли лучше прием при усилении сигнала. |
|
| Автор: | valb [ Сб ноя 01, 2008 08:29:49 ] |
| Заголовок сообщения: | |
Seemann писал(а): Здравствуйте, уважаемые котоведы. Образовался "мелкий вопрос по радиотехнике", решил спросить совета.
Вот жука собрал http://vrtp.ru/index.php?act=categories&CODE=article&article=1773 Его тут рекомендовали, кстати. И вот такая, значит, у меня беда: излучение передатчика происходит в очень узком диапазоне. Я таки смог поймать его сигнал на частоте около 100мгц, но малейший шаг в сторону - и шипение. Настроиться на его сигнал практически невозможно. Например, приёмник на плеере вообще не может найти его в режиме поиска (шаг - 0.05 мгц). Короче, передатчик очень добротный Подскажите, как это лечится? На передатчик грешить нечего . Это приемник НЕ предназначен для этого действа . Для расширения полосы излучения можно : увеличить мощьность , увеличить девиацию (исказить сигнал , сделать громче) . Пользоваться приемником с более плавной настройкой . Наконец подстроить передатчик на приемник . PS . 50 килогерц это не плавный диапазон |
|
| Автор: | aen [ Сб ноя 01, 2008 11:40:00 ] |
| Заголовок сообщения: | |
Seemann писал(а): малейший шаг в сторону - и шипение. tych писал(а): Может попробовать увеличить глубину модуляции
Если шипит, то модуляция здесь абсолютно не при чём. Если генератор работает на нужной частоте, то шипения не будет даже, если вообще модулятор оторвать. В той статье на VRTP всё подробно описано в статье. Вы проверили всё, о чём там пишут. ВЧ пробником с мультимером проверяли? Насчёт светодиода там конечно немного загнули. Не будет он гореть в этой схеме. Цепочку из светодиода и резистора выбросить. Подключить мультимер в режиме измерения постоянного напряжения и смотреть уровни ВЧ напряжения. Для начала третий транзистор не подключать. Антенну на эмиттер второго транзистора, приёмник поставить рядом и искать. |
|
| Автор: | Seemann [ Сб ноя 01, 2008 11:40:27 ] |
| Заголовок сообщения: | |
Спасибо, буду пробовать. Я, кстати, подозревал, что 50 кгц - это не совсем плавно |
|
| Автор: | Света [ Сб ноя 01, 2008 11:56:00 ] |
| Заголовок сообщения: | |
Они не размазывают. Для качественной передачи стереосигнала девиация составляет 50 кГц для сигнала с полярной модуляцией и 75 кГц - с пилот-тоном. Поэтому при перестройке с дискретностью 50 кГц АПЧ приемника легко захватывает сигнал. |
|
| Автор: | dalay-lama [ Чт ноя 27, 2008 13:44:38 ] | ||
| Заголовок сообщения: | |||
По системам стереовещания.
|
|||
| Автор: | therian [ Сб дек 20, 2008 04:02:30 ] |
| Заголовок сообщения: | |
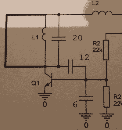
Не могли бы вы мне объяснить как в данной схеме работает последовательный колебательный контур, я понимаю разницу между параллельным и последовательным колебательными контурами но мне не понятно как в данной трехточке последовательный контур работает, иле этот последовательный контур вовсе не последовательный а параллельный соединен батарейкой. Просто кажется что коллекторный конденсатор закорачиват с землей и никаких колебаний быть не должно есле правильно понимаю то последовательный колебательный контур пропускает только одну частоту , почему же тогда антенна соединена посредине контура а не перед индуктором иле он и так раскачивается ? А может здесь контур соединен через .47uF конденсатор ?
и еше тут не понятно снова конденсатор в колебательном контуре вроде должен мешать так как он с землей соединен а схема работает. А тут может соединен через .1uF конденсатор и землю ? кстати есть ли какие то преимущества между последовательным и параллельным , чащя встречаю параллельный но кажется что удобней использовать варикап в последовательном всем спасибо |
|
| Автор: | therian [ Сб дек 20, 2008 05:06:48 ] |
| Заголовок сообщения: | |
спасибо, я так и догадывался смущяло только то что и база и эмиттер тоже выходит связаны с колебательным контуром через землю и оно друг другу как то не мешает |
|
| Автор: | aen [ Сб дек 20, 2008 13:16:54 ] | ||
| Заголовок сообщения: | |||
Понятно связаны. Это же обе схемы генераторов, а в генераторе д.б. обратная связь. Какая то часть мощности с выхода подаётся снова на вход. Здесь это часть с колебательного контура, который стоит на выходе получается с помощью емкостного делителя и попадает на вход, на базу или на эмиттер в данном случае (между базой и эмиттером) Т.к. эта часть в схеме создаётся емкостями, она и называется "емкостная трёхточка" Если бы обратная связь создавалась с помощью катушки связи или с помощью отвода от контура, то была бы схема "индуктивная трёхточка" А так внимательнее нужно схему смотреть. Часто контурные конденсаторы, это набор последовательных и параллельных емкостей, которые на схеме расположены совсем в разных местах. Если на схему внимательно смотреть, то увидим, что даже блокировочный конденсатор стоящий параллельно питанию входит в ёмкость контура. Вот поэтому его и делают большой ёмкости, что бы он не влиял на частоту и служил только для того, что бы внутреннее сопротивление батарейки не вносилось в контур и не уменьшало его добротнасть. Ещё внутреннее сопротивление батареи, если на нём падает сигнал может создавать обратные связи, как отрицательные, что снижают усиление например, так и положительные, например в УНЧ, что приводит к самовозбуждению. Правда, иногда пользуются внесение внутреннего сопротивления источника питания в контур. Это в так называемых передатчиках без антенны, хотя в данном случае антенна всё равно есть и ей является блок питания, а излучается вощность, что падает на внутреннем сопротивлении источника питания. Там сразу видно. На схеме нет блокировочного конденсатора параллельно батареи (источнику питания). Часто применяется в "телефонных жучках". Там же питание от телефонной линии и она же становиться "сурогатной антенной". Схем так называемых телефонных жучков без так называемых антенн в инете полно. Хотя как видишь антенна там всё равно есть, только неявная. Вот например. Тема в мелких вопросах, а вопросы на самом деле не мелкие. Старался ужать как мог.
|
|||
| Автор: | svet [ Чт янв 01, 2009 16:22:10 ] | |||
| Заголовок сообщения: | ||||
Решил начать с простейшего детекторного приемника Вот схема:
Сколька не искал в магазинах, я не нашел подстроечного конденсатора (С2) Но нашел старую схему радиоприемника. И там нашел нечто похожее на него. Посмотрите, это он?
На обороте написано: КПП 2х4/270. И еще 1/4. Да и еще. Говорят, что головные телефоны должны быть высокоомные, например: ТОН-1, ТОН-2 (не менее 3000 Ом). Таково не имею. Но есть обычные наушники от компа, но у них сопротивлание 45 Ом. можно ли увеличить их сопротивление за счет дополнительного сопротивления? Если нет, то как быть?
|
||||
| Страница 1 из 405 | Часовой пояс: UTC + 3 часа |
| Powered by phpBB © 2000, 2002, 2005, 2007 phpBB Group http://www.phpbb.com/ |
|




