Например TDA7294

Форум РадиоКот • Просмотр темы - Генератор с кварцевой стабилизацией частоты
Форум РадиоКот
Здесь можно немножко помяукать :)

Текущее время: Пт мар 20, 2026 01:46:34

Часовой пояс: UTC + 3 часа


ПРЯМО СЕЙЧАС:



Начать новую тему Ответить на тему  [ Сообщений: 196 ]    , , , , 5, , , ...  
Автор Сообщение
 Заголовок сообщения: Re: Генератор с кварцевой стабилизацией частоты
СообщениеДобавлено: Ср фев 05, 2014 12:55:51 
Друг Кота
Аватар пользователя

Карма: 64
Рейтинг сообщений: 1102
Зарегистрирован: Ср ноя 17, 2010 23:10:55
Сообщений: 5837
Откуда: Ижевск LO66NU
Рейтинг сообщения: 1
Lazy писал(а):
Можно еще поиграться емкостью С4. Иногда полезно её уменьшить.
Непонятно только зачем?
Емкости С3 и С4 шунтируют кварц от того и падает амплитуда. С3 шунтирует динамическую емкость Б-Э, что улучшает стабильность и уменьшает фазовые шумы. Но если у транзюка этот параметр хороший, то С3 можно и уменьшить. С4 уменьшает ООС по ВЧ и увеличивает амплитуду, поэтому я её обычно стараюсь делать по-больше, ну, разумеется, всё в разумных пределах ориентируясь на результат.

_________________
В начале жизнь мучает вопросами, в конце - ответами...


Вернуться наверх
 
 Заголовок сообщения: Re: Генератор с кварцевой стабилизацией частоты
СообщениеДобавлено: Ср фев 05, 2014 12:59:31 
Поставщик валерьянки для Кота
Аватар пользователя

Карма: 29
Рейтинг сообщений: 354
Зарегистрирован: Вс июл 11, 2010 14:39:04
Сообщений: 2458
Откуда: Россия.
Рейтинг сообщения: 0
Это понятно.
Выражением -
Lazy писал(а):
Непонятно только зачем?
Имел в виду, что автор уже добился нужной амплитуды, поэтому непонятно зачем еще что то менять.


Вернуться наверх
 
 Заголовок сообщения: Re: Генератор с кварцевой стабилизацией частоты
СообщениеДобавлено: Ср фев 05, 2014 13:46:47 
Друг Кота
Аватар пользователя

Карма: 64
Рейтинг сообщений: 1102
Зарегистрирован: Ср ноя 17, 2010 23:10:55
Сообщений: 5837
Откуда: Ижевск LO66NU
Рейтинг сообщения: 0
Прошу прощенья, не правильно понял... :oops:

_________________
В начале жизнь мучает вопросами, в конце - ответами...


Вернуться наверх
 
 Заголовок сообщения: Re: Генератор с кварцевой стабилизацией частоты
СообщениеДобавлено: Ср фев 05, 2014 15:38:54 
Друг Кота
Аватар пользователя

Карма: 117
Рейтинг сообщений: 1531
Зарегистрирован: Ср сен 18, 2013 10:08:26
Сообщений: 4732
Откуда: Санкт-Петербург
Рейтинг сообщения: 0
Lazy писал(а):
Непонятно только зачем?

Интересно было почему на кт363бм не работает как надо, ведь по справочнику наоборот должно было быть только лучше. Интересно было опробовать разные предложенные схемы и понять на собственном опыте во что это выливается. За одно, немного повысил свои познания в генераторах. Спасибо вам.
Проблему с кт363 не решил, но не буду уже тратить время ни свое ни ваше.
Еще опробую корректировку схемы как вы рекомендовали, чтобы иметь возможность применять ее без дополнительных усилителей. В таком варианте деталей в принципе терпимо, схема привлекательна.
И параллельно на логике сейчас попробую, если результат будет лучше, то буду использовать ее для тактирования МК.
В общем для того чтобы сравнить.

Просто пояснил, а то смотрю дискуссия какая то пошла :tea:


Вернуться наверх
 
Эиком - электронные компоненты и радиодетали
 Заголовок сообщения: Re: Генератор с кварцевой стабилизацией частоты
СообщениеДобавлено: Ср фев 05, 2014 15:45:38 
Поставщик валерьянки для Кота
Аватар пользователя

Карма: 29
Рейтинг сообщений: 354
Зарегистрирован: Вс июл 11, 2010 14:39:04
Сообщений: 2458
Откуда: Россия.
Рейтинг сообщения: 1
Да нет там никакой дискуссии. Пока мы с Виктором только друг друга дополняли.
На микросхемах делают обычно по двум схемам.
Вторая, по схеме мультивибратора.
Вторая схема имеет на один резистор и конденсатор больше, но запускается на мой взгляд легче.
А может мне просто с первой схемой не везло.
Резисторы зависят от серии. Для 155 серии они порядка 300 - 400 ом
Для КМОП десятки килогерц.

Изображение


Вложения:
1.jpg [18.95 KiB]
Скачиваний: 9820
Вернуться наверх
 
 Заголовок сообщения: Re: Генератор с кварцевой стабилизацией частоты
СообщениеДобавлено: Сб фев 08, 2014 14:48:39 
Друг Кота
Аватар пользователя

Карма: 117
Рейтинг сообщений: 1531
Зарегистрирован: Ср сен 18, 2013 10:08:26
Сообщений: 4732
Откуда: Санкт-Петербург
Рейтинг сообщения: 0
Приобрел 74HC04 Philips. В даташите написано 8нс.
По первой схеме запускается на 1МГц, на 4,8,16 молчит.
По второй схеме вообще не запускается.

Резисторы пробую 220 Ом, 1к
Конденсатор 100нФ

Вопросы
1 Какой предел данных схем по частоте? (я хочу получить от 8 до 16МГц)
2 Посоветуйте номиналы к схемам или вообще другую схему.


Вернуться наверх
 
 Заголовок сообщения: Re: Генератор с кварцевой стабилизацией частоты
СообщениеДобавлено: Сб фев 08, 2014 17:19:41 
Друг Кота
Аватар пользователя

Карма: 64
Рейтинг сообщений: 1102
Зарегистрирован: Ср ноя 17, 2010 23:10:55
Сообщений: 5837
Откуда: Ижевск LO66NU
Рейтинг сообщения: 0
Схема должна быть вторая, но конденсатор лучше убрать совсем.

_________________
В начале жизнь мучает вопросами, в конце - ответами...


Вернуться наверх
 
 Заголовок сообщения: Re: Генератор с кварцевой стабилизацией частоты
СообщениеДобавлено: Вт фев 11, 2014 16:48:40 
Поставщик валерьянки для Кота
Аватар пользователя

Карма: 29
Рейтинг сообщений: 354
Зарегистрирован: Вс июл 11, 2010 14:39:04
Сообщений: 2458
Откуда: Россия.
Рейтинг сообщения: 0
Gisteresis писал(а):
Резисторы пробую 220 Ом, 1к
Конденсатор 100нФ
К сожалению с логикой работал во времена 155 и 131 серии, а с новой не пришлось, но на 131, 531 серии генератор на 16 мгц работал, а на 8 мгц можно запустить даже на 155 серии, правда как помню это сопровождалось "плясками с бубном"
Но в любом случае конденсатор нужно брать меньше. Не более 1000 пф
Будет время, попробую спаять, только опять же кроме 531 серии вряд ли что смогу найти.
svic писал(а):
Схема должна быть вторая, но конденсатор лучше убрать совсем.
Для того, что бы перевести два непосредственно соединенных инвертора в активный режим в принципе достаточно это сделать только одним резистором. Другой инвертор в данном случае автоматом встанет в активный режим. Два резистора нужно только во второй схеме, где инверторы развязаны конденсатором.


Вернуться наверх
 
 Заголовок сообщения: Re: Генератор с кварцевой стабилизацией частоты
СообщениеДобавлено: Чт фев 13, 2014 20:21:04 
Друг Кота
Аватар пользователя

Карма: 117
Рейтинг сообщений: 1531
Зарегистрирован: Ср сен 18, 2013 10:08:26
Сообщений: 4732
Откуда: Санкт-Петербург
Рейтинг сообщения: 0
Да. На 74HC04 Philips работает только по первой схеме и только на 1МГц, несмотря на то, что написано 8нс, так же нашел инфу, что она до 30МГц, видимо маловато. В то время как 531 и аналоги до 100-145МГц. Хотя по времени отклика аналоги не далеко уходят, те же 8, ну местами 5-3нс.
Ладно, в магаз специально уже за новыми микросхемами не пойду, как соберусь докуплю до кучи.
Чувствую 531ая серия или 1531 пойдет для 16МГц
http://electronics-and-mechanics.azm.su/page41.html


Вернуться наверх
 
 Заголовок сообщения: Re: Генератор с кварцевой стабилизацией частоты
СообщениеДобавлено: Пн июн 23, 2014 19:50:32 
Родился

Зарегистрирован: Пт ноя 08, 2013 18:51:30
Сообщений: 15
Рейтинг сообщения: 0
aen писал(а):
Еще один кварцевый генератор на транзисторах.
http://publ.lib.ru/ARCHIVES/R/''Radio'' ... fax%5d.zip
Амплитуда так думаю у него сразу большая.
Сам не пробовал. Увидел сейчас случайно.
Транзисторы лучше КТ316, но можно попробовать и на КТ315
Резисторами конечно придется "поиграться"

Изображение

схема хорошая и простая, запустилась без каких-либо подшаманиваний, резисторы можно ставить такие как на схеме, транзисторы любые с п-н-п структурой и подходящей под кварц частотой. запускается за 2-3 секунды.


Вернуться наверх
 
 Заголовок сообщения: Re: Генератор с кварцевой стабилизацией частоты
СообщениеДобавлено: Пн июн 23, 2014 19:55:45 
Друг Кота
Аватар пользователя

Карма: 107
Рейтинг сообщений: 1031
Зарегистрирован: Пт дек 17, 2010 15:07:50
Сообщений: 12364
Откуда: Крымский Федеральный Округ
Рейтинг сообщения: 0
Странно. Собирал этот мультивибратор на НПН транзисторах, ничего не вышло. 8МГц кварц. Только если резистор связи заменить на кондёр, и то только с плясками и бубном.

_________________
Изображение
И ты врёшь!!! © Vladisman
Изображение


Вернуться наверх
 
 Заголовок сообщения: Re: Генератор с кварцевой стабилизацией частоты
СообщениеДобавлено: Пт июн 27, 2014 17:02:00 
Говорящий с текстолитом
Аватар пользователя

Карма: 17
Рейтинг сообщений: 181
Зарегистрирован: Пт дек 12, 2008 21:12:14
Сообщений: 1604
Откуда: Moscow
Рейтинг сообщения: 0
когда то нужно было сделать кварцевый генератор но на цифровых микросхемах военные запретили,-
сказали что нецелевое использование микросхем и может работать нестабильно. Пришлось искать выход из положения.
Получилось так- ,, ну вот уже 30 лет такая штука летает на борту изделия А50 "Шмель"


Вложения:
osc8.GIF [20.82 KiB]
Скачиваний: 1543

_________________
Еси хочешь чтоб комп был быстрым - ставь Пингвин,- он будет чистым
Вернуться наверх
 
 Заголовок сообщения: Re: Пьезокерамический фильтр, с чем его едят?
СообщениеДобавлено: Пт авг 22, 2014 16:52:46 
Родился

Зарегистрирован: Вс апр 20, 2014 18:18:53
Сообщений: 17
Рейтинг сообщения: 0
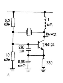
А у меня вообще каша в голове не могу понять, на рисунке б питание на кварц подается через конденсатор то как оно там будет если конденсатор не пропускает постоянный ток?, на в с обеих сторон положительное питание откуда тогда возьмется генерация? А на г вообще не какого питания нет :shock: помогите понять схемы :facepalm:



Сюда перенес.
На всех картинках у Вас генератор Пирса, только на разных элементах, но принцип от этого не меняется.
http://www.ccas.ru/strijov/papers/gen_prym.pdf
http://dic.academic.ru/dic.nsf/ruwiki/629040
Там на странице есть еще ссылки на этот генератор. Также это можно набрать в гугле.
http://www.google.com/search?q=генерато ... 9&ie=UTF-8
aen


Вложения:
image.jpg [15.3 KiB]
Скачиваний: 1167
image.jpg [16.8 KiB]
Скачиваний: 840
image.jpg [18.46 KiB]
Скачиваний: 1094
Вернуться наверх
 
 Заголовок сообщения: Re: Генератор с кварцевой стабилизацией частоты
СообщениеДобавлено: Пт авг 22, 2014 17:39:42 
Друг Кота
Аватар пользователя

Карма: 64
Рейтинг сообщений: 1102
Зарегистрирован: Ср ноя 17, 2010 23:10:55
Сообщений: 5837
Откуда: Ижевск LO66NU
Рейтинг сообщения: 0
Питание подавать на кварц вообще вредно - он от этого поляризуется (изгибается) и ему бедному так и приходится работать в изогнутом состоянии. Вследствии лишних механических напряжений уход частоты от номинала, побочные резонанансы... По-уму кварцы бы надо отделять от потенциала во всех схемах.
Ну, и главное - генерит не кварц, генерит схема, поэтому питание ему глубоко по-барабану.
На г использован только один элемент из шести ЛН-микросхемы, питание по умолчанию подано на 7 и 14 ноги, вообще для логических показывать питание не принято - кто их паяет и так знает что куда подавать.

_________________
В начале жизнь мучает вопросами, в конце - ответами...


Вернуться наверх
 
 Заголовок сообщения: Re: Кто что знает про кварцы? как проверить?
СообщениеДобавлено: Сб окт 11, 2014 01:12:44 
Нашел транзистор. Понюхал.

Карма: 3
Рейтинг сообщений: 0
Зарегистрирован: Ср окт 09, 2013 09:16:24
Сообщений: 181
Рейтинг сообщения: 0
Доброго времени суток! подскажите какие бывают самые простые схемки с кварцем, при помощи которых можно наглядно наблюдать как работает кварц...



Сюда перенес.
aen


Вернуться наверх
 
 Заголовок сообщения: Re: Кто что знает про кварцы? как проверить?
СообщениеДобавлено: Сб окт 11, 2014 01:23:34 
Модератор
Аватар пользователя

Карма: 120
Рейтинг сообщений: 1088
Зарегистрирован: Пн дек 08, 2008 19:28:04
Сообщений: 22893
Откуда: 10км от Москвы на Север
Рейтинг сообщения: 0
https://www.google.ru/search?q=%D0%9A%D ... 04&bih=800


Вернуться наверх
 
 Заголовок сообщения: Re: Кто что знает про кварцы? как проверить?
СообщениеДобавлено: Сб окт 11, 2014 18:02:20 
Нашел транзистор. Понюхал.

Карма: 3
Рейтинг сообщений: 0
Зарегистрирован: Ср окт 09, 2013 09:16:24
Сообщений: 181
Рейтинг сообщения: 0
Знаю что кварц задает тактовую частоту работая с процессорами... но а вообще как кварц работает? может я и туплю по страшному, в интернете или очень заумно пишется или пишется что он задает частоту и на этом в принципе заканчивается его описание... объясните по простому что происходит с током когда он проходит через кварц...


Вернуться наверх
 
 Заголовок сообщения: Re: Генератор с кварцевой стабилизацией частоты
СообщениеДобавлено: Сб окт 11, 2014 18:34:44 
Друг Кота
Аватар пользователя

Карма: 117
Рейтинг сообщений: 1531
Зарегистрирован: Ср сен 18, 2013 10:08:26
Сообщений: 4732
Откуда: Санкт-Петербург
Рейтинг сообщения: 1
https://ru.wikipedia.org/wiki/%CA%E2%E0 ... 0%F2%EE%F0

Цитата:
Принцип работы

Внешнее напряжение на кварцевой пластинке вызывает её деформацию. А она, в свою очередь, приводит к появлению электрического заряда на поверхности кварца (пьезоэлектрический эффект). В результате этого механические колебания кварцевой пластины сопровождаются синхронными с ними колебаниями заряда на её поверхности и наоборот.

Для обеспечения связи резонатора с остальными элементами схемы непосредственно на кварц наносятся электроды, либо кварцевая пластинка помещается между обкладками конденсатора.

Для получения высокой добротности и стабильности резонатор помещают в вакуум и поддерживают постоянной его температуру.


В принципе этого достаточно знать.

Он не задает частоту он колеблется с этой частотой в резонанс с системой. Если система отклоняется от этой частоты то он тянет ее обратно на эту частоту. Это по простому своими словами.

ПС: Примерно так же работает синхронный компенсатор на ГЭС.


Вернуться наверх
 
 Заголовок сообщения: Re: Кто что знает про кварцы? как проверить?
СообщениеДобавлено: Сб окт 11, 2014 18:44:05 
Держит паяльник хвостом
Аватар пользователя

Карма: 42
Рейтинг сообщений: 393
Зарегистрирован: Ср июн 27, 2007 17:09:12
Сообщений: 970
Рейтинг сообщения: 1
Timych писал(а):
Знаю что кварц задает тактовую частоту работая с процессорами... но а вообще как кварц работает?
В процессорах кварц работает обычно по схеме Пирса.

Изображение



Все элементы, кроме самого кварца и конденсаторов находятся внутри МК.

Изображение

Остальное можно почитать по ссылке.
http://www.ccas.ru/strijov/papers/gen_prym.pdf


Вложения:
1.JPG [17.7 KiB]
Скачиваний: 4229
1.JPG [17.17 KiB]
Скачиваний: 4715
Вернуться наверх
 
 Заголовок сообщения: Re: Генератор с кварцевой стабилизацией частоты
СообщениеДобавлено: Пт окт 24, 2014 23:04:09 
Это не хвост, это антенна
Аватар пользователя

Карма: 17
Рейтинг сообщений: 227
Зарегистрирован: Вс май 13, 2012 00:01:54
Сообщений: 1477
Рейтинг сообщения: 0
Вложение:
1.JPG [17.45 KiB]
Скачиваний: 1008

Наверно всё-таки по этой!
Один инвертор имеет малое усиление (около 30). Поэтому может не "заводиться", особенно если кварц "тупой".
Именно для того, чтобы облегчить "завод" служит резистор (над правым конденсатором). Он создаёт с конденсатором
фазосдвигающую цепь, пока кварц ещё не завёлся. Можете поэкспериментировать. Подбирается примерно как R=200om/Fmhz.
А вообще, правильно кварц ставить в цепь отрицательной обратной связи, как фазовращающую цепь.
Так как на картинке. Именно как фазоврающая цепь, кварц даёт самый чистый и стабильный по частоте сигнал.

Много лет назад собрал схему. Работает.
Вложение:
Безымянный.JPG [85.49 KiB]
Скачиваний: 1434

Вложение:
Безымянный2.JPG [94.71 KiB]
Скачиваний: 937


Вернуться наверх
 
Показать сообщения за:  Сортировать по:  Вернуться наверх
Начать новую тему Ответить на тему  [ Сообщений: 196 ]    , , , , 5, , , ...  

Часовой пояс: UTC + 3 часа


Вы не можете начинать темы
Вы не можете отвечать на сообщения
Вы не можете редактировать свои сообщения
Вы не можете удалять свои сообщения
Вы не можете добавлять вложения

Найти:
Перейти:  


Powered by phpBB © 2000, 2002, 2005, 2007 phpBB Group
Русская поддержка phpBB
Extended by Karma MOD © 2007—2012 m157y
Extended by Topic Tags MOD © 2012 m157y