Например TDA7294

Форум РадиоКот • Просмотр темы - Радио на коленке (Помогите собрать радио)
Форум РадиоКот
Здесь можно немножко помяукать :)

Текущее время: Сб мар 07, 2026 05:50:57

Часовой пояс: UTC + 3 часа


ПРЯМО СЕЙЧАС:



Начать новую тему Ответить на тему  [ Сообщений: 487 ]     ... , , , 23, ,  
Автор Сообщение
 Заголовок сообщения: Re: Радио на коленке (Помогите собрать радио)
СообщениеДобавлено: Чт июн 17, 2021 20:46:18 
Говорящий с текстолитом
Аватар пользователя

Зарегистрирован: Сб апр 17, 2021 12:24:15
Сообщений: 1521
Откуда: Украина
Рейтинг сообщения: 0
Я сейчас пару деньков не смогу собирать схемы. Ездить куда-то тоже надо.

Но как раз будет время собраться с мыслями. Вы переломили мои мысли новичка, что плюс - это всегда U питания. Ну и про наводки в схеме. Спасибо.

Как буду дома, то соберу схему на макетке с учётом всех фильтров. (Вопрос - какой должен быть номинал резистора фильтра?)


Вернуться наверх
 
 Заголовок сообщения: Re: Радио на коленке (Помогите собрать радио)
СообщениеДобавлено: Чт июн 17, 2021 22:57:33 
Друг Кота

Карма: 1
Рейтинг сообщений: 91
Зарегистрирован: Вт мар 13, 2012 12:16:13
Сообщений: 8998
Откуда: .ru
Рейтинг сообщения: 0
Куда ездить...)) Лето на дворе ! У всех каникулы ! )) :beer:
Niobium писал(а):
Вопрос - какой должен быть номинал резистора фильтра?

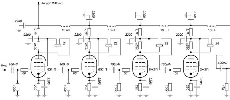
Да не принципиально)) Вообще фильтры надо считать... Но никто не заморачивается и делает "на глаз" ))
Обычно для УВЧ резисторы по 100...1000 Ом и кондёр по 0,01...0,1 мкФ.
А вот схема фильтров для ламп что выше. Там на каждый каскад отельный фильтр, и между каскадами общие фильтры.
Вложение:
Screenshot_1.jpg [28.74 KiB]
Скачиваний: 172

Но это слишком круто (так сделали для надёжности). Обычно достаточно выбрать что-то одно.
:tea:

Добавлено after 3 minutes 53 seconds:
Поставить фильтры по питанию и развязать каскады по питанию обычно не вызывает трудностей))
Сложнее убрать обратную связь через внутренние паразитные ёмкости транзисторов...


Вернуться наверх
 
 Заголовок сообщения: Re: Радио на коленке (Помогите собрать радио)
СообщениеДобавлено: Пт июн 18, 2021 21:12:57 
Говорящий с текстолитом
Аватар пользователя

Зарегистрирован: Сб апр 17, 2021 12:24:15
Сообщений: 1521
Откуда: Украина
Рейтинг сообщения: 0
Цитата:
Куда ездить...)) Лето на дворе ! У всех каникулы ! )) :beer:


На море.

Тут есть огромные ветротурбины :shock:


Вернуться наверх
 
 Заголовок сообщения: Re: Радио на коленке (Помогите собрать радио)
СообщениеДобавлено: Пн июн 21, 2021 18:57:09 
Говорящий с текстолитом
Аватар пользователя

Зарегистрирован: Сб апр 17, 2021 12:24:15
Сообщений: 1521
Откуда: Украина
Рейтинг сообщения: 0
Я уже приехал, завтра буду делать радио.


Вернуться наверх
 
Эиком - электронные компоненты и радиодетали
 Заголовок сообщения: Re: Радио на коленке (Помогите собрать радио)
СообщениеДобавлено: Пн июн 21, 2021 21:49:17 
Друг Кота

Карма: 27
Рейтинг сообщений: 1283
Зарегистрирован: Ср фев 11, 2009 20:35:58
Сообщений: 7853
Рейтинг сообщения: 0
Цитата:
Тут есть огромные ветротурбины

Дуаю это Крым


Вернуться наверх
 
 Заголовок сообщения: Re: Радио на коленке (Помогите собрать радио)
СообщениеДобавлено: Вт июн 22, 2021 10:53:19 
Друг Кота

Карма: 49
Рейтинг сообщений: 550
Зарегистрирован: Чт фев 20, 2014 18:57:55
Сообщений: 19494
Рейтинг сообщения: 0
Я уже приехал, завтра буду делать радио.

Уже сделали вроде ) Давайте другое, посложнее чтобы не скучно было.

_________________
"Вся военная пропаганда, все крики, ложь и ненависть исходят от людей, которые на эту войну не пойдут !" / Джордж Оруэлл /
"Война - это,когда за интересы других,гибнут совершенно безвинные люди." / Уинстон Черчилль /


Вернуться наверх
 
 Заголовок сообщения: Re: Радио на коленке (Помогите собрать радио)
СообщениеДобавлено: Вт июн 22, 2021 14:55:19 
Говорящий с текстолитом
Аватар пользователя

Зарегистрирован: Сб апр 17, 2021 12:24:15
Сообщений: 1521
Откуда: Украина
Рейтинг сообщения: 0
Цитата:
Уже сделали вроде ) Давайте другое, посложнее чтобы не скучно было.


Неее, то была пробная версия и она поработала где-то час. Я понял почему там была автогенерация.
Изображение


Соберу на макетке, чтоб было красиво.

Потенциометр будет один - регулятор громкости УНЧ. Куплю на 50 КОм (у меня был 100КОм параллельно резистору 100КОм), а другая настройка (резисторы фильтров, R1 и R3) будут подстроечные резисторы.


Вложения:
Комментарий к файлу: Собирать буду по такой схеме:
Радио 2.jpg [23.67 KiB]
Скачиваний: 164
Комментарий к файлу: Подстроечные резисторы
rezistor-3296W-1000x1000.jpg [52.79 KiB]
Скачиваний: 162
Вернуться наверх
 
 Заголовок сообщения: Re: Радио на коленке (Помогите собрать радио)
СообщениеДобавлено: Вт июн 22, 2021 18:31:56 
Потрогал лапой паяльник

Карма: -3
Рейтинг сообщений: 40
Зарегистрирован: Чт апр 29, 2021 16:01:55
Сообщений: 312
Рейтинг сообщения: 0
столько переменных резисторов ставить в схему не надо, в каскадах ВЧ режим транзисторов совсем не критичный и можно ничего не подбирать....если, уж, хочется, то режим каждого транзистора подобрать отдельно, а только потом впаять разделительные конденсаторы С2, С3, С8...


Вернуться наверх
 
 Заголовок сообщения: Re: Радио на коленке (Помогите собрать радио)
СообщениеДобавлено: Ср июн 23, 2021 12:43:20 
Друг Кота

Карма: 49
Рейтинг сообщений: 550
Зарегистрирован: Чт фев 20, 2014 18:57:55
Сообщений: 19494
Рейтинг сообщения: 0
Потенциометр будет один - регулятор громкости УНЧ. Куплю на 50 КОм (у меня был 100КОм параллельно резистору 100КОм)

Ну и сойдет как есть.

Подстраивать там остальное большой необходимости нет, просто напряжения проверить на всякий случай, я 3904 воткнул в ВЧ часть - все установилось как надо сразу с резисторами по схеме. Ну т.е. если где то что то не так, то можно временно влепить переменный, подстроить режим и поменять на постоянный или сразу постоянный заменить на больший/меньший, подкручивать в этой схеме "на ходу" что то смысла нет, ну можно резистор с + на детектор покрутить, у меня получилось лучше с 300-470к что ли... от диода зависит.

_________________
"Вся военная пропаганда, все крики, ложь и ненависть исходят от людей, которые на эту войну не пойдут !" / Джордж Оруэлл /
"Война - это,когда за интересы других,гибнут совершенно безвинные люди." / Уинстон Черчилль /


Вернуться наверх
 
 Заголовок сообщения: Re: Радио на коленке (Помогите собрать радио)
СообщениеДобавлено: Пн июн 28, 2021 15:21:36 
Говорящий с текстолитом
Аватар пользователя

Зарегистрирован: Сб апр 17, 2021 12:24:15
Сообщений: 1521
Откуда: Украина
Рейтинг сообщения: 0
Изображение

Как правильно снять присоску с кинескопа, чтоб его сохранить?

Добавлено after 1 minute:
Хочу кинескоп сохранить, чтоб потом сделать из него свой телек/экран.


Вернуться наверх
 
 Заголовок сообщения: Re: Радио на коленке (Помогите собрать радио)
СообщениеДобавлено: Пн июн 28, 2021 15:43:44 
Друг Кота
Аватар пользователя

Карма: 107
Рейтинг сообщений: 3335
Зарегистрирован: Сб фев 11, 2017 15:59:13
Сообщений: 14958
Откуда: 57 RUS
Рейтинг сообщения: 0
Niobium писал(а):
Как правильно снять присоску с кинескопа, чтоб его сохранить?

Поддеть/оттопырить резинку присоски отвёрткой, и нажать на защёлки/усы присоски.
Niobium писал(а):
Хочу кинескоп сохранить, чтоб потом сделать из него свой телек/экран.

А кто сказал, что этот кинескоп не севший в ноль???

_________________
НАРОДОВЛАСТИЕ а не кланово-олигархическая дерьмократия!!!
Цифровому рабству, навязываемому цифровым олигархатом - НЕТ!


Вернуться наверх
 
 Заголовок сообщения: Re: Радио на коленке (Помогите собрать радио)
СообщениеДобавлено: Пн июн 28, 2021 16:07:59 
Говорящий с текстолитом
Аватар пользователя

Зарегистрирован: Сб апр 17, 2021 12:24:15
Сообщений: 1521
Откуда: Украина
Рейтинг сообщения: 0
Цитата:
А кто сказал, что этот кинескоп не севший в ноль???


А это как?

Расскажите пожалуйста, как вообще понять, что с кинескопом и сохранить его?


Вернуться наверх
 
 Заголовок сообщения: Re: Радио на коленке (Помогите собрать радио)
СообщениеДобавлено: Пн июн 28, 2021 16:36:00 
Друг Кота
Аватар пользователя

Карма: 107
Рейтинг сообщений: 3335
Зарегистрирован: Сб фев 11, 2017 15:59:13
Сообщений: 14958
Откуда: 57 RUS
Рейтинг сообщения: 0
Niobium писал(а):
как вообще понять, что с кинескопом и сохранить его?

Включить телевизор, и посмотреть яркость и правильную цветопередачу, а так-же чистоту цвета кинескопа.

Косвенно - проверить реаниматором/восстановителем кинескопов типа МРК-1 токи лучей (эмиссию).

Изображение

СпойлерИзображение
Изображение

Можно по этому принципу на кинескоп подать накал 6,3V с ЛБП или ещё чего, и после прогрева проверить пушки кинескопа (пары кадод/модулятор) стрелочным тестером в режиме измерения сопротивления.

_________________
НАРОДОВЛАСТИЕ а не кланово-олигархическая дерьмократия!!!
Цифровому рабству, навязываемому цифровым олигархатом - НЕТ!


Вернуться наверх
 
 Заголовок сообщения: Re: Радио на коленке (Помогите собрать радио)
СообщениеДобавлено: Пн июн 28, 2021 16:58:02 
Родился

Зарегистрирован: Пн июн 28, 2021 06:37:51
Сообщений: 2
Рейтинг сообщения: 0
Львовских кинескопов 61ЛК5Ц отродясь не было хороших....никогда...поэтому там мерять нечего, мусор...


Вернуться наверх
 
 Заголовок сообщения: Re: Радио на коленке (Помогите собрать радио)
СообщениеДобавлено: Пн июн 28, 2021 17:00:55 
Поставщик валерьянки для Кота
Аватар пользователя

Карма: 8
Рейтинг сообщений: 206
Зарегистрирован: Вт фев 21, 2017 18:59:21
Сообщений: 2307
Откуда: Седой Урал
Рейтинг сообщения: 2
Радио мы не послушали, тогда будем смотреть телевизор! :))


Вернуться наверх
 
 Заголовок сообщения: Re: Радио на коленке (Помогите собрать радио)
СообщениеДобавлено: Пн июн 28, 2021 17:10:56 
Друг Кота
Аватар пользователя

Карма: 197
Рейтинг сообщений: 8640
Зарегистрирован: Пн ноя 30, 2009 03:00:01
Сообщений: 43571
Откуда: Нерезиновая
Рейтинг сообщения: 2
Хочу кинескоп сохранить, чтоб потом сделать из него свой телек/экран.

Брось каку, из неё уже ничего не сделаешь..
Из полезного здесь- петря размагничивания- там МНОГО хорошего обмоточного провода, который относительно легко размотать.. Только, перед сматыванием с этой катушки изоленты, её надо надеть на какой- нибудь каркас, иначе провод просто запутается.

зы.. Я понимаю, сделать чёрно- белый телик на основе мелкого кинескопа, а 61 трубу ХРАНИТЬ.. К тому же- 61ЛК5Ц самые "быстросалящиеся" - ни одна из них не проработала и пяти лет, в отличии от 61ЛК3Ц, некоторые экземпляры которых отрабатывали и по 10 лет..


Вернуться наверх
 
 Заголовок сообщения: Re: Радио на коленке (Помогите собрать радио)
СообщениеДобавлено: Пн июн 28, 2021 17:22:45 
Говорящий с текстолитом
Аватар пользователя

Зарегистрирован: Сб апр 17, 2021 12:24:15
Сообщений: 1521
Откуда: Украина
Рейтинг сообщения: 0
Радио мы не послушали, тогда будем смотреть телевизор! :))


Чего? Было ж.

https://youtu.be/MjyhaLEo2cw

Только там я протупил и получил возбуд. Из за трёх склееных потенциометров.

Добавлено after 6 minutes 42 seconds:
Хочу кинескоп сохранить, чтоб потом сделать из него свой телек/экран.

Брось каку, из неё уже ничего не сделаешь..
Из полезного здесь- петря размагничивания- там МНОГО хорошего обмоточного провода, который относительно легко размотать.. Только, перед сматыванием с этой катушки изоленты, её надо надеть на какой- нибудь каркас, иначе провод просто запутается.

зы.. Я понимаю, сделать чёрно- белый телик на основе мелкого кинескопа, а 61 трубу ХРАНИТЬ.. К тому же- 61ЛК5Ц самые "быстросалящиеся" - ни одна из них не проработала и пяти лет, в отличии от 61ЛК3Ц, некоторые экземпляры которых отрабатывали и по 10 лет..



Эээ... Ок. Смотрел на ОЛХ ламповые (чрн бел) телики - 500 грн (≈1500р) потянуть можно.

Зато очень много деталей получил из этого телика. Теперь на радиорынок мотаться не буду :)


Вернуться наверх
 
 Заголовок сообщения: Re: Радио на коленке (Помогите собрать радио)
СообщениеДобавлено: Пн июн 28, 2021 17:26:35 
Вымогатель припоя
Аватар пользователя

Карма: 13
Рейтинг сообщений: 158
Зарегистрирован: Вс фев 01, 2015 08:56:13
Сообщений: 684
Откуда: елбасстан
Рейтинг сообщения: 0
Зато очень много деталей получил из этого телика. Теперь на радиорынок мотаться не буду :)


О чём мы талдычили ещё на первых страницах.

_________________
t.me/UN7FIL <== радиолюбительские полезности


Вернуться наверх
 
 Заголовок сообщения: Re: Радио на коленке (Помогите собрать радио)
СообщениеДобавлено: Пн июн 28, 2021 17:35:48 
Друг Кота
Аватар пользователя

Карма: 197
Рейтинг сообщений: 8640
Зарегистрирован: Пн ноя 30, 2009 03:00:01
Сообщений: 43571
Откуда: Нерезиновая
Рейтинг сообщения: 0
Зато очень много деталей получил из этого телика. Теперь на радиорынок мотаться не буду :)

Там довольно специфический набор деталей, так, что может оказаться, что всё равно что- то будет нужно..
Модуль с 174УН7 или 174УН14 сохранился? Если ДА, то его разбирать не надо, прямо на его основе можно получить вполне так себе прилично работающий УНЧ..
Динамики, если они целые- тоже пользительная веСЧЬ :)))


Вернуться наверх
 
 Заголовок сообщения: Re: Радио на коленке (Помогите собрать радио)
СообщениеДобавлено: Пн июн 28, 2021 17:40:09 
Друг Кота

Карма: 49
Рейтинг сообщений: 550
Зарегистрирован: Чт фев 20, 2014 18:57:55
Сообщений: 19494
Рейтинг сообщения: 0
Оно конечно неплохо и пригодится, но лучше бы несколько китайских наборов деталюх купить и не заниматься всякий раз копанием в ящиках и платах в поиске подходящего конденсатора или резистора ) такой кайф когда понадобился конденсатор 18пф, протянул руку до ячейки с подобными и взял из пакетика и так всякий раз почти любой номинал )

_________________
"Вся военная пропаганда, все крики, ложь и ненависть исходят от людей, которые на эту войну не пойдут !" / Джордж Оруэлл /
"Война - это,когда за интересы других,гибнут совершенно безвинные люди." / Уинстон Черчилль /


Вернуться наверх
 
Показать сообщения за:  Сортировать по:  Вернуться наверх
Начать новую тему Ответить на тему  [ Сообщений: 487 ]     ... , , , 23, ,  

Часовой пояс: UTC + 3 часа


Вы не можете начинать темы
Вы не можете отвечать на сообщения
Вы не можете редактировать свои сообщения
Вы не можете удалять свои сообщения
Вы не можете добавлять вложения

Найти:
Перейти:  


Powered by phpBB © 2000, 2002, 2005, 2007 phpBB Group
Русская поддержка phpBB
Extended by Karma MOD © 2007—2012 m157y
Extended by Topic Tags MOD © 2012 m157y