Например TDA7294

Форум РадиоКот • Просмотр темы - Проверенные схемы Радиомикрофонов
Форум РадиоКот
Здесь можно немножко помяукать :)

Текущее время: Пн ноя 03, 2025 12:15:33

Часовой пояс: UTC + 3 часа


ПРЯМО СЕЙЧАС:



Начать новую тему Ответить на тему  [ Сообщений: 717 ]    , , 3, , , ...  
Автор Сообщение
Не в сети
 Заголовок сообщения: Re: Проверенные схемы Радиомикрофонов
СообщениеДобавлено: Сб сен 24, 2022 21:40:42 
Грызет канифоль
Аватар пользователя

Карма: 5
Рейтинг сообщений: -10
Зарегистрирован: Вс сен 18, 2022 22:53:43
Сообщений: 266
Откуда: Москва
Рейтинг сообщения: 0
Надо будет попробовать собрать данную схему и заставить ее работать, сама схема вызывает интерес. Микрофон можно будет поставить электретный антенна тут не нужна. Генератор работает на 5-ой гармонике кварца с основной частотой 19,2 МГц, таким образом выходная частота составила 19,2x5=96 МГц. Частота передатчика модулируется низкочастотным сигналом, подаваемым на базу транзистора. Для указанной частоты катушка L1 содержит 4 витка медного провода диаметром 0,8 мм, отвод от 3/4 витка. Диаметр намотки - 10 мм. Маленькое предупреждение! Не присоединяйте антенну для этого передатчика! Антенный провод изменяет частоту передатчика. В связи с этим эта схема может быть использована только в пределах одной комнаты.

_________________
Товарищ, верь: пройдёт она - И дерьмократия, и гласность! И вот тогда ГосБезопасность Припомнит ваши имена...


Вернуться наверх
 
Не в сети
 Заголовок сообщения: Re: Проверенные схемы Радиомикрофонов
СообщениеДобавлено: Сб сен 24, 2022 22:09:30 
Мудрый кот

Карма: 25
Рейтинг сообщений: 467
Зарегистрирован: Сб май 05, 2012 20:24:52
Сообщений: 1718
Откуда: KN34PC, Болгария
Рейтинг сообщения: 0
Также: девиация частоты будет низкая. Это не для WFM-радио +/-75 kHz. На обычном FM радио будет звучать слабо.
На 144 MHz на многих любительских TRX использовалось умножение ч. кварца, скажем, на 12 -> +/-5 kHz девиация / 25 kHz разнос каналов.


Последний раз редактировалось veso74 Сб сен 24, 2022 22:13:02, всего редактировалось 2 раз(а).

Вернуться наверх
 
Не в сети
 Заголовок сообщения: Re: Проверенные схемы Радиомикрофонов
СообщениеДобавлено: Сб сен 24, 2022 22:19:10 
Грызет канифоль
Аватар пользователя

Карма: 5
Рейтинг сообщений: -10
Зарегистрирован: Вс сен 18, 2022 22:53:43
Сообщений: 266
Откуда: Москва
Рейтинг сообщения: 0
Но сама схема не плохо сделана
Есть еще вот такие схемы радиомикрофонов
СпойлерИзображение
СпойлерИзображение

СпойлерИзображение

_________________
Товарищ, верь: пройдёт она - И дерьмократия, и гласность! И вот тогда ГосБезопасность Припомнит ваши имена...


Вернуться наверх
 
Не в сети
 Заголовок сообщения: Re: Проверенные схемы Радиомикрофонов
СообщениеДобавлено: Сб сен 24, 2022 22:22:44 
Мудрый кот

Карма: 25
Рейтинг сообщений: 467
Зарегистрирован: Сб май 05, 2012 20:24:52
Сообщений: 1718
Откуда: KN34PC, Болгария
Рейтинг сообщения: 0
Любая другая схема, напр. с PLL по все параметрах будет лучше. Пишите число в MHz -> частота меняется на написанную. Пишете число усиления: усиление регулируется в соответствии с написанным. И это с кварцевая стабилизация. По объему конструкции: как на схеме выше (2 микросхемы и 1 кварц). И почти по той же цене. А вот схема - ностальгия :). Кто не пробовал их - все делали. Любимая. Потому и пишу в тему.


Вернуться наверх
 
Эиком - электронные компоненты и радиодетали
Не в сети
 Заголовок сообщения: Re: Проверенные схемы Радиомикрофонов
СообщениеДобавлено: Сб сен 24, 2022 22:24:43 
Грызет канифоль
Аватар пользователя

Карма: 5
Рейтинг сообщений: -10
Зарегистрирован: Вс сен 18, 2022 22:53:43
Сообщений: 266
Откуда: Москва
Рейтинг сообщения: 0
Да понимаю, у меня от 3 схемы где то плата лежит, надо поискать

_________________
Товарищ, верь: пройдёт она - И дерьмократия, и гласность! И вот тогда ГосБезопасность Припомнит ваши имена...


Вернуться наверх
 
Не в сети
 Заголовок сообщения: Re: Проверенные схемы Радиомикрофонов
СообщениеДобавлено: Сб сен 24, 2022 22:29:17 
Мудрый кот

Карма: 25
Рейтинг сообщений: 467
Зарегистрирован: Сб май 05, 2012 20:24:52
Сообщений: 1718
Откуда: KN34PC, Болгария
Рейтинг сообщения: 0
Первая схема (без микрофона, НЧ усилителя и ВЧ усилителя) делал для тест в прошлом для хобби. Отн. стабилная, остались хорошие впечатления.
(уже давно не делаю платы классическим способом, только с нарезкой, за 10-20 мин. от идеи).


Вложения:
sn_05.jpg [54.94 KiB]
Скачиваний: 134
Вернуться наверх
 
Не в сети
 Заголовок сообщения: Re: Проверенные схемы Радиомикрофонов
СообщениеДобавлено: Сб сен 24, 2022 23:11:48 
Грызет канифоль
Аватар пользователя

Карма: 5
Рейтинг сообщений: -10
Зарегистрирован: Вс сен 18, 2022 22:53:43
Сообщений: 266
Откуда: Москва
Рейтинг сообщения: 0
Схема приемника Победа 80 на 40 метров


Изображение


Давно собрал приемник Победа 80 на 40 диапазон, все работало хорошо но меня он не совсем удовлетворял. я его подарил и собрал еще один правда не полностью , вот хочу добавить предварительный усилитель и S-метр. Не законченный приемник на фото


Изображение

_________________
Товарищ, верь: пройдёт она - И дерьмократия, и гласность! И вот тогда ГосБезопасность Припомнит ваши имена...


Вернуться наверх
 
Не в сети
 Заголовок сообщения: Re: Проверенные схемы Радиомикрофонов
СообщениеДобавлено: Сб сен 24, 2022 23:23:19 
Друг Кота

Карма: 49
Рейтинг сообщений: 547
Зарегистрирован: Чт фев 20, 2014 18:57:55
Сообщений: 19487
Рейтинг сообщения: 0
Вы сюда решили перепостить все собранные схемы что ли ? ) Хороший приемник для приема ssb содержит хороший ФНЧ, АРУ и принимает только одну полосу. В этом желательно УН7 заменить на что нибудь современное, можно сэкономить треть деталей.

_________________
"Вся военная пропаганда, все крики, ложь и ненависть исходят от людей, которые на эту войну не пойдут !" / Джордж Оруэлл /
"Война - это,когда за интересы других,гибнут совершенно безвинные люди." / Уинстон Черчилль /


Вернуться наверх
 
Не в сети
 Заголовок сообщения: Re: Проверенные схемы Радиомикрофонов
СообщениеДобавлено: Вс сен 25, 2022 00:20:53 
Грызет канифоль
Аватар пользователя

Карма: 5
Рейтинг сообщений: -10
Зарегистрирован: Вс сен 18, 2022 22:53:43
Сообщений: 266
Откуда: Москва
Рейтинг сообщения: 0
Первая схема (без микрофона, НЧ усилителя и ВЧ усилителя) делал для тест в прошлом для хобби. Отн. стабилная, остались хорошие впечатления.
(уже давно не делаю платы классическим способом, только с нарезкой, за 10-20 мин. от идеи).


Я люблю травить платы и сверлить, у тебя очень хорошо получилось.

_________________
Товарищ, верь: пройдёт она - И дерьмократия, и гласность! И вот тогда ГосБезопасность Припомнит ваши имена...


Вернуться наверх
 
Не в сети
 Заголовок сообщения: Re: Проверенные схемы Радиомикрофонов
СообщениеДобавлено: Вс сен 25, 2022 00:35:23 
Друг Кота
Аватар пользователя

Карма: 196
Рейтинг сообщений: 8568
Зарегистрирован: Пн ноя 30, 2009 03:00:01
Сообщений: 42837
Откуда: Нерезиновая
Рейтинг сообщения: 0
Виктор50 писал(а):
Схема приемника Победа 80 на 40 метров
СпойлерИзображение


А 174УН7 на LM386 или TDA7233 заменить можно?
А КТ361 на 2N3906 или ещё что-то "импортное"?

Вы сюда решили перепостить все собранные схемы что ли ?

Да (имхо) собрать всё в одну кучу- лучше, чем плодить туеву хучу веток с однотипным содержимым.. :dont_know: :facepalm:

На этом форуме "карма" и "рейтинг" от количества созданных тем не зависит...... :beer: :beer:


Вернуться наверх
 
Не в сети
 Заголовок сообщения: Re: Проверенные схемы Радиомикрофонов
СообщениеДобавлено: Вс сен 25, 2022 00:44:16 
Грызет канифоль
Аватар пользователя

Карма: 5
Рейтинг сообщений: -10
Зарегистрирован: Вс сен 18, 2022 22:53:43
Сообщений: 266
Откуда: Москва
Рейтинг сообщения: 0
Приемник в принципе собран просто чуть доработаю и все, нет уже смысла заменять микросхему К174УН7 она уже стоит на плате сделаю дополнительную плату для предварительного усилителя и S-метра и допаяю остальные детали. У меня 100 собранных конструкций я конечно не собираюсь их сюда все выкладывать.

_________________
Товарищ, верь: пройдёт она - И дерьмократия, и гласность! И вот тогда ГосБезопасность Припомнит ваши имена...


Вернуться наверх
 
Не в сети
 Заголовок сообщения: Re: Проверенные схемы Радиомикрофонов
СообщениеДобавлено: Вс сен 25, 2022 10:52:17 
Друг Кота
Аватар пользователя

Карма: 174
Рейтинг сообщений: 1910
Зарегистрирован: Пт дек 12, 2014 09:36:15
Сообщений: 23100
Откуда: Минск
Рейтинг сообщения: 0
Медали: 2
Получил миской по аватаре (1) Мявтор 3-й степени (1)
АлександрЛ писал(а):
собрать всё в одну кучу- лучше, чем плодить туеву хучу веток с однотипным содержимым..

Я же писал, что зайдите на сайт VRTP, там десятки жуков различной сложности и назначений.

Причём там много современных схем, а не из 90-х годов.

https://vrtp.ru/index.php?showforum=25


Вернуться наверх
 
Не в сети
 Заголовок сообщения: Re: Проверенные схемы Радиомикрофонов
СообщениеДобавлено: Вс сен 25, 2022 11:21:29 
Грызет канифоль
Аватар пользователя

Карма: 5
Рейтинг сообщений: -10
Зарегистрирован: Вс сен 18, 2022 22:53:43
Сообщений: 266
Откуда: Москва
Рейтинг сообщения: 0
Вообщем то да там на сайте vrtp очень много всяких микрофонов огромная куча, наплодили столько, что не перелезешь !

_________________
Товарищ, верь: пройдёт она - И дерьмократия, и гласность! И вот тогда ГосБезопасность Припомнит ваши имена...


Вернуться наверх
 
Не в сети
 Заголовок сообщения: Re: Проверенные схемы Радиомикрофонов
СообщениеДобавлено: Вс сен 25, 2022 12:51:01 
Друг Кота
Аватар пользователя

Карма: 196
Рейтинг сообщений: 8568
Зарегистрирован: Пн ноя 30, 2009 03:00:01
Сообщений: 42837
Откуда: Нерезиновая
Рейтинг сообщения: 0
Приемник в принципе собран просто чуть доработаю и все, нет уже смысла заменять микросхему К174УН7 она уже стоит на плате

Я для себя спрашивал, то, что у вас стоит- это ВАШЕ, я не хочу искать 174УН7, а LM386 у меня есть, у неё обвески намного меньше, да и работает она стабильнее.


Вернуться наверх
 
Не в сети
 Заголовок сообщения: Re: Проверенные схемы Радиомикрофонов
СообщениеДобавлено: Вс сен 25, 2022 12:59:38 
Грызет канифоль
Аватар пользователя

Карма: 5
Рейтинг сообщений: -10
Зарегистрирован: Вс сен 18, 2022 22:53:43
Сообщений: 266
Откуда: Москва
Рейтинг сообщения: 0
Все, что я выкладываю это мое, приемник пока не доделан, да я конечно понимаю на счет LM386 просто хочется доделать только и всего

_________________
Товарищ, верь: пройдёт она - И дерьмократия, и гласность! И вот тогда ГосБезопасность Припомнит ваши имена...


Вернуться наверх
 
Не в сети
 Заголовок сообщения: Re: Проверенные схемы Радиомикрофонов
СообщениеДобавлено: Вс сен 25, 2022 13:29:39 
Друг Кота
Аватар пользователя

Карма: 174
Рейтинг сообщений: 1910
Зарегистрирован: Пт дек 12, 2014 09:36:15
Сообщений: 23100
Откуда: Минск
Рейтинг сообщения: 0
Медали: 2
Получил миской по аватаре (1) Мявтор 3-й степени (1)
Виктор50 писал(а):
Все, что я выкладываю это мое,

Я не хочу обидеть, но ваши так сказать СВОИ схемы, это схемы 90-х годов и начала 2000-х и я их тогда делал, только на других транзисторах.

Были и другие варианты, более совершенные, например ЗГ на полевом транзисторе, что обеспечивало лучшую стабильность по частоте. И с сетевым питанием, но там много нюансов, ибо попрёт сетевой фон. Но это уже история и выкладывать нет смысла тем более, что их использование под запретом.


Вернуться наверх
 
Не в сети
 Заголовок сообщения: Re: Проверенные схемы Радиомикрофонов
СообщениеДобавлено: Вс сен 25, 2022 13:36:38 
Грызет канифоль
Аватар пользователя

Карма: 5
Рейтинг сообщений: -10
Зарегистрирован: Вс сен 18, 2022 22:53:43
Сообщений: 266
Откуда: Москва
Рейтинг сообщения: 0
Да никаких обид у меня нет, все что я делал давно. просто было очень мне интересно и я хотел поделиться с нашими коллегами своими конструкциями тут, как говорят Всё новое — это хорошо забытое старое.

_________________
Товарищ, верь: пройдёт она - И дерьмократия, и гласность! И вот тогда ГосБезопасность Припомнит ваши имена...


Вернуться наверх
 
Не в сети
 Заголовок сообщения: Re: Проверенные схемы Радиомикрофонов
СообщениеДобавлено: Вс сен 25, 2022 19:37:17 
Друг Кота
Аватар пользователя

Карма: 75
Рейтинг сообщений: 621
Зарегистрирован: Ср дек 24, 2008 09:58:58
Сообщений: 3761
Рейтинг сообщения: 0
Медали: 3
Мявтор 1-й степени (1) Мявтор 2-й степени (1) Мявтор 3-й степени (1)
Коллеги, а как насчёт проверенных схем обнаружения скрытых радиомикрофонов? Понимаю, что в сети схем анти-жуков также много, как и самих жуков. Например, эта или эта от автора Fakir. Хотя, благодаря высокой в моих глазах репутации автора, я не сомневаюсь в их работоспособности, но сожалению в этих статьях отсутствует какая-либо информация о радиусе обнаружения или чувствительности и нет видео демонстрации их работы. Это помогло-бы принять решение в пользу их повторения. Меня интересует реально-ли обнаружить ими сам жук, а не только факт его наличия?

Короче. Я уже собрался было повторить устройство по второй ссылке выше, но наткнулся на апноут 5085 от Maxim Integrated, где рассказано как собрать детектор жуков на их специализированных для названной цели микросхемах MAX2015 или более старой MAX4003. Вопрос к специалистам: делал-ли кто детектор жуков на таких микросхемах или слышал что про них, и как по вашему мнению схемы на них в плане работы соотносятся со схемами на менее дорогих деталях типа К140УД1208?


Вернуться наверх
 
Не в сети
 Заголовок сообщения: Re: Проверенные схемы Радиомикрофонов
СообщениеДобавлено: Вс сен 25, 2022 19:57:15 
Друг Кота
Аватар пользователя

Карма: 123
Рейтинг сообщений: 7959
Зарегистрирован: Сб сен 13, 2014 16:27:32
Сообщений: 39199
Откуда: СпиртоГонск созвездия Омега
Рейтинг сообщения: 0
да вобщемто даже простейшие схемы тоже работают... любой щотки +унч...
но проф поиск лучше вести проф поисковыми приборами щас их купить не проблема-они есть у любого ЧОП и ЧД с максимками дел не имел так что хз...

_________________
ZМудрость(Опыт и выдержка) приходит с годами.
Все Ваши беды и проблемы, от недостатка знаний.
Умный и у дурака научится, а дураку и ..
Алберт Ейнштейн не поможет и ВВП не спасет.и МЧС опаздает


Вернуться наверх
 
Не в сети
 Заголовок сообщения: Re: Проверенные схемы Радиомикрофонов
СообщениеДобавлено: Вс сен 25, 2022 20:14:45 
Грызет канифоль
Аватар пользователя

Карма: 5
Рейтинг сообщений: -10
Зарегистрирован: Вс сен 18, 2022 22:53:43
Сообщений: 266
Откуда: Москва
Рейтинг сообщения: 0
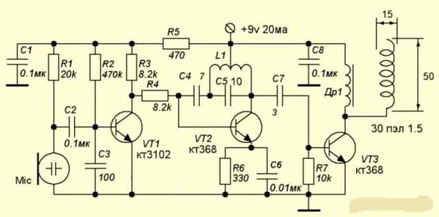
Стабильный радиомикрофон на трех транзисторах с питание от 9 вольт


Микрофон проверен и прекрасно функционирует на открытой местности дальность доходит до 650 метров. Никаких помех у радиомикрофона практически нет даже если передатчик находится в движении. Собрал радиомикрофон, после настройки микрофон заработал на 100.1 мгц ФМ диапазона. Дальнобойность 600 метров. Чувствительность по микрофону порядка 4 метра, отчетливо слышен шопот, чистый звук.
Катушка L1 мотается на оправе 5 мм 7 витков провода с диаметром 0,6 мм.
Катушка L2 мотается на оправе 5 мм 3 витков диаметром провода 0,6 мм. Вместо переменных конденсаторов, можно взять подстроечные на 3-15 пф.
Транзисторы мною были использованы: Т1 КТ3102, Т2 BC547, Т3 КТ325 в коллекторной цепи транзистора Т3 был установлен дроссель. Радиомикрофон был собран в 2015 году


Схема и фото настроенного радиомикрофона прилагаю


Изображение Изображение

_________________
Товарищ, верь: пройдёт она - И дерьмократия, и гласность! И вот тогда ГосБезопасность Припомнит ваши имена...


Последний раз редактировалось Виктор50 Пн сен 26, 2022 01:12:50, всего редактировалось 2 раз(а).

Вернуться наверх
 
Показать сообщения за:  Сортировать по:  Вернуться наверх
Начать новую тему Ответить на тему  [ Сообщений: 717 ]    , , 3, , , ...  

Часовой пояс: UTC + 3 часа


Кто сейчас на форуме

Сейчас этот форум просматривают: нет зарегистрированных пользователей и гости: 37


Вы не можете начинать темы
Вы не можете отвечать на сообщения
Вы не можете редактировать свои сообщения
Вы не можете удалять свои сообщения
Вы не можете добавлять вложения

Найти:
Перейти:  


Powered by phpBB © 2000, 2002, 2005, 2007 phpBB Group
Русская поддержка phpBB
Extended by Karma MOD © 2007—2012 m157y
Extended by Topic Tags MOD © 2012 m157y