Например TDA7294

Форум РадиоКот • Просмотр темы - Радиоглушитель.
Форум РадиоКот
Здесь можно немножко помяукать :)

Текущее время: Пт фев 13, 2026 19:25:55

Часовой пояс: UTC + 3 часа


ПРЯМО СЕЙЧАС:



Начать новую тему Ответить на тему  [ Сообщений: 672 ]     ... , , , 12, , , ...  
Автор Сообщение
Не в сети
 Заголовок сообщения: Re: Радиоглушитель.
СообщениеДобавлено: Ср янв 18, 2012 13:42:14 
Первый раз сказал Мяу!

Зарегистрирован: Ср июн 23, 2010 12:49:59
Сообщений: 39
Рейтинг сообщения: 0
Да , что был играться емкостями и индукциями нужно понимать ,ч то делаешь а я пока в этом слаб ,
вот повторя математика то есть ту часть где функции дефренцирование и интегрирование ...

_________________
в мире так много интересного !!!!!!


Вернуться наверх
 
Не в сети
 Заголовок сообщения: Re: Радиоглушитель.
СообщениеДобавлено: Чт янв 19, 2012 20:26:45 
Открыл глаза

Зарегистрирован: Вт сен 21, 2010 22:12:32
Сообщений: 74
Рейтинг сообщения: 0
Иформации по настройке этого девайса куча..пошарся по нету... там заумного ничего Нет... Жалко будет если спалишь транзюки повышенным напряжением..


Вернуться наверх
 
Не в сети
 Заголовок сообщения: Глушилка сотового!нужна помощь!
СообщениеДобавлено: Пт мар 02, 2012 17:04:51 
Это не хвост, это антенна
Аватар пользователя

Карма: 11
Рейтинг сообщений: 1
Зарегистрирован: Пт фев 19, 2010 19:39:28
Сообщений: 1451
Откуда: Москва
Рейтинг сообщения: 0
Ребяты!!!был на vrtP.ру,понравилась одна схема,но микруху такую найти почти не реально!
Помогите,нужно глушить сеть в радиусе 10-15 метров!
Просто эксперементирую над своими устройствами!
Спасибо большое!



Тема дубль.
Сюда перенес.
Данная тема даже прикреплена в разделе.


aen


Вернуться наверх
 
Не в сети
 Заголовок сообщения: глушилка gsm
СообщениеДобавлено: Пт мар 16, 2012 22:22:29 
Нашел транзистор. Понюхал.

Карма: 1
Рейтинг сообщений: 2
Зарегистрирован: Вс мар 11, 2012 12:08:16
Сообщений: 167
Откуда: Ульяновск
Рейтинг сообщения: 0
кто нибудь если знаете скажите заработает ли схема? и стоит ли ее делать? http://dimonvideo.ru/articles/3902
и сколько выйдет по цене?))



Тема дубль.
Сюда перенес.

aen

_________________
Лучше 5 раз спросить чем 5 раз сделать не правильно..


Вернуться наверх
 
Эиком - электронные компоненты и радиодетали
Не в сети
 Заголовок сообщения: Объясните принцип работы схемы пожалуйста
СообщениеДобавлено: Вт апр 24, 2012 16:48:46 
Родился

Зарегистрирован: Пн апр 23, 2012 11:51:11
Сообщений: 1
Рейтинг сообщения: 0
Недавно нашел схемку глушилки, но так как я ещё неопытен в электронике хотелось бы услышать описание схемы из уст бывалого электронщика:)заранее спасибо всем кто напишет что нить по её принципу работы.


Вложения:
Комментарий к файлу: схемка глушилки
Безымянный.png [50.41 KiB]
Скачиваний: 1440
Вернуться наверх
 
Не в сети
 Заголовок сообщения: Как заставить молчать FM приемник соседей?
СообщениеДобавлено: Вс май 06, 2012 14:39:34 
Мудрый кот
Аватар пользователя

Карма: 3
Рейтинг сообщений: 60
Зарегистрирован: Пн ноя 29, 2010 15:58:43
Сообщений: 1817
Рейтинг сообщения: 0
добрый день,

с утра до вечера орет радио на соседском участке. принимают FM.
подскажите,как с небольшими затратами отключить их приемник?




Тема дубль.
Сюда перенес. Тему читайте. В ней много подобных схем выкладывали.
Вот например.
viewtopic.php?p=900801#p900801

Изображение


aen


Вернуться наверх
 
Не в сети
 Заголовок сообщения: Re: Как заставить молчать FM приемник соседей?
СообщениеДобавлено: Вс май 06, 2012 14:48:55 
Вымогатель припоя
Аватар пользователя

Карма: 3
Рейтинг сообщений: 14
Зарегистрирован: Пт июл 29, 2011 11:05:43
Сообщений: 517
Откуда: Самара
Рейтинг сообщения: 0
доброго дня !!!
попробуй это http://www.ra4a.ru/publ/shpionomanija/1/19-1-0-604
или это http://www.pomiluy.com/view_lesson.php?id=110
или как вориант это (совсем просто) http://samodelnie.ru/publ/kak_sdelat_glushilku/1-1-0-43
саседу привет :kill: :kill: :kill: :kill: :kill: :kill: ))))))

_________________
Не то время, не та жизнь, думаешь сам.
Не верь словам, что сказаны устами суки.
Ты ранишь руки о стакан, по водке в хлам,
Оставил там часть сердца на поруки.


Вернуться наверх
 
Не в сети
 Заголовок сообщения: Re: Как заставить молчать FM приемник соседей?
СообщениеДобавлено: Вс май 06, 2012 14:59:29 
Мудрый кот
Аватар пользователя

Карма: 3
Рейтинг сообщений: 60
Зарегистрирован: Пн ноя 29, 2010 15:58:43
Сообщений: 1817
Рейтинг сообщения: 0
вторая схема по описанию вроде лучше(нет спец микросхем) но самой схемы нет на сайте..


Вернуться наверх
 
Не в сети
 Заголовок сообщения: Re: Как заставить молчать FM приемник соседей?
СообщениеДобавлено: Вс май 06, 2012 15:09:46 
Вымогатель припоя
Аватар пользователя

Карма: 3
Рейтинг сообщений: 14
Зарегистрирован: Пт июл 29, 2011 11:05:43
Сообщений: 517
Откуда: Самара
Рейтинг сообщения: 0
как нет схемы ?! а это что

От меня требовалось сделать подавитель всего ФМ диапазона. Собрав и проверив пару схем глушилки из интернета, был очень недоволен результатами: глушит в малом радиусе и только пару станций (+-3МГц).


Вложения:
подавитель.jpg [40.37 KiB]
Скачиваний: 1306

_________________
Не то время, не та жизнь, думаешь сам.
Не верь словам, что сказаны устами суки.
Ты ранишь руки о стакан, по водке в хлам,
Оставил там часть сердца на поруки.
Вернуться наверх
 
 Заголовок сообщения: Re: Как заставить молчать FM приемник соседей?
СообщениеДобавлено: Пн май 14, 2012 12:53:21 
murat87 писал(а):
как нет схемы ?! а это что

От меня требовалось сделать подавитель всего ФМ диапазона. Собрав и проверив пару схем глушилки из интернета, был очень недоволен результатами: глушит в малом радиусе и только пару станций (+-3МГц).

Глушить весь диапазон трудно, это нужно создать генератор белого шума, но он будет работать от 30 Герц до 12000мГц. А что бы создать глушилку на участок скажем 50 мГц - 600мГц или что то подобное, нужен генератор качающей частоты, но это сложная схема. А так не более 12кГц ну может чуть более.


Вернуться наверх
   
 
Не в сети
 Заголовок сообщения: Re: Радиоглушитель.
СообщениеДобавлено: Вт июн 05, 2012 12:17:38 
Потрогал лапой паяльник
Аватар пользователя

Зарегистрирован: Вс май 06, 2012 09:58:33
Сообщений: 370
Откуда: Магадан
Рейтинг сообщения: 0
Люди, а в чем прикол?
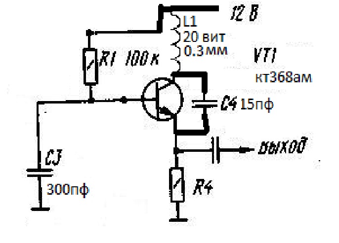
Собрал такую схему:Изображение
Вот С3 взят с совдеповского телика. Частота вырабатываемая примерно 30мГц. К выходу цепляю антену, и о чудо! Первый канал у кабельного телевизора уходит в накаут :). Я как бы научился глушить мерзкого малахова с его душераздирающей передачей "хай балакают" :)
Более интересней, что телик в соседней комнате ( сестры) это не затрагивает :) Глушит тот телик, который надо :)

Весь прикол, что ставил другие кондеры такого же наминала, правда кривая была более чистая. Но на телевизор они ни как не влитяли.
Изображение
Что в этой кривой особенного?


Вложения:
глушилка 1 канала.jpg [148.01 KiB]
Скачиваний: 6686
глушилка.JPG [66.34 KiB]
Скачиваний: 6693
Вернуться наверх
 
Не в сети
 Заголовок сообщения: Re: Радиоглушитель.
СообщениеДобавлено: Вт июн 05, 2012 12:28:52 
Мудрый кот
Аватар пользователя

Карма: 14
Рейтинг сообщений: 230
Зарегистрирован: Пн янв 12, 2009 01:59:20
Сообщений: 1815
Откуда: Россия.
Рейтинг сообщения: 0
WolfTheGrey писал(а):
Люди, а в чем прикол?
Собрал такую схему
Ты вот этим методом описанном дедушкой Крыловым

«Очков с полдюжины себе она достала,
Вертит Очками так и сяк:
То к темю их прижмёт, то их на хвост нанижет,
То их понюхает, то их полижет»


Изобрел генератор Колпитца.
Правда Колпитц опередил тебя лет так на 100. :cry:
Он его сделал в 1915 году.


Вернуться наверх
 
Не в сети
 Заголовок сообщения: Re: Радиоглушитель.
СообщениеДобавлено: Вт июн 05, 2012 13:32:40 
Потрогал лапой паяльник
Аватар пользователя

Зарегистрирован: Вс май 06, 2012 09:58:33
Сообщений: 370
Откуда: Магадан
Рейтинг сообщения: 0
SERJ писал(а):
WolfTheGrey писал(а):
Люди, а в чем прикол?
Собрал такую схему
Изобрел генератор Колпитца.
Правда Колпитц опередил тебя лет так на 100. :cry:
Он его сделал в 1915 году.

Имея глаза да не видешь.

Я же говорю:
Цитата:
Весь прикол, что ставил другие кондеры такого же номинала, правда кривая была более чистая. Но на телевизор они ни как не влитяли.

Я чисто случайно наткнулся на это, забыв прикрутить землю щупа к минусу. Да и былиб магазинные конденсаторы, то такого эффекта не словил бы.


Вернуться наверх
 
Не в сети
 Заголовок сообщения: Re: Радиоглушитель.
СообщениеДобавлено: Вт июн 05, 2012 13:41:08 
Друг Кота
Аватар пользователя

Карма: 64
Рейтинг сообщений: 1102
Зарегистрирован: Ср ноя 17, 2010 23:10:55
Сообщений: 5837
Откуда: Ижевск LO66NU
Рейтинг сообщения: 0
Тут ничего удивительного - зазубрины это и есть гармоники, они и давят телик. В глушилках грязный сигнал - благо, в остальных устройствах за такой сигнал бьют и больно.

_________________
В начале жизнь мучает вопросами, в конце - ответами...


Вернуться наверх
 
Не в сети
 Заголовок сообщения: Re: Радиоглушитель.
СообщениеДобавлено: Вт июн 05, 2012 13:55:10 
Потрогал лапой паяльник
Аватар пользователя

Зарегистрирован: Вс май 06, 2012 09:58:33
Сообщений: 370
Откуда: Магадан
Рейтинг сообщения: 0
Люди, конечно же вопрос не по теме.
А зачем вообще нужен этот С4 ????
Из опыта детства, когда пытал приемник на шумоподовление. Он убирает из сигнала слабые шумы. Как бы очищает сигнал от грязи.
Но тут другая ситуация. Если его убрать, то генератор подорвется генерить частоту аж в 172мГц. А в иных случаях генератор без онного конденсатора атказывался запускаться.


Вернуться наверх
 
Не в сети
 Заголовок сообщения: Re: Радиоглушитель.
СообщениеДобавлено: Вт июн 05, 2012 14:11:32 
Друг Кота
Аватар пользователя

Карма: 64
Рейтинг сообщений: 1102
Зарегистрирован: Ср ноя 17, 2010 23:10:55
Сообщений: 5837
Откуда: Ижевск LO66NU
Рейтинг сообщения: 0
C4 - ПОС, необходимый для возникновения генерации. Кроме того он входит в состав контура. Без него связь происходит через емкости переходов транзистора, а она не всегда достаточна.
Тут об этом уже много раз писали.

_________________
В начале жизнь мучает вопросами, в конце - ответами...


Вернуться наверх
 
Не в сети
 Заголовок сообщения: Re: Радиоглушитель.
СообщениеДобавлено: Вт июн 05, 2012 14:16:51 
Мудрый кот
Аватар пользователя

Карма: 35
Рейтинг сообщений: 279
Зарегистрирован: Сб июл 30, 2011 08:40:10
Сообщений: 1713
Откуда: Россия
Рейтинг сообщения: 0
WolfTheGrey писал(а):
А зачем вообще нужен этот С4 ????
Эту тему почитай.
http://forum.radiokot.ru/viewtopic.php?f=21&t=33417


Вернуться наверх
 
Не в сети
 Заголовок сообщения: Re: подскажите простую схему глушилки фм 88-108мгц
СообщениеДобавлено: Вт июл 10, 2012 14:57:38 
Мучитель микросхем

Зарегистрирован: Вт мар 23, 2010 14:29:14
Сообщений: 436
Рейтинг сообщения: 0
Вася. писал(а):
igorek1999 писал(а):
вобщем проблема такая:дедушка включает радио ЕРА-ФМ почти на полную, и поетому нивозможно чтото собирать слушая такой бред.если уково есть схема такой глушилки на транзисторах то выложите пожалуйста.
Можно взять хотя бы схему отсюда.
viewtopic.php?p=569911#p569911
Если глушить одну станцию, то делай, что красным обвел. Частоту генератора подстраивай на частоту радиостанции.
Если хочешь полосу частот глушить, то делай схему полностью.

Изображение

В схеме из импульсов мультивибратора формируются пилообразные импульсы, которые качают частоту генератора ВЧ по диапазону.


1. Скажите, почему мультивибратор формирует пилообразные импульсы, а не прямоугольные?
2. Почему пилообразные импульсы резонансный контур раскачивают по диапазону


Вернуться наверх
 
Не в сети
 Заголовок сообщения: Re: Радиоглушитель.
СообщениеДобавлено: Вт июл 10, 2012 16:23:15 
Мудрый кот
Аватар пользователя

Карма: 35
Рейтинг сообщений: 279
Зарегистрирован: Сб июл 30, 2011 08:40:10
Сообщений: 1713
Откуда: Россия
Рейтинг сообщения: 0
Но это же обычный жук.
viewtopic.php?p=692140#p692140
aen писал(а):
Вот на двух транзисторах.

Изображение

Схема стандартная и никакой новизны в ней нет. Схема подобна, что в статье на форуме
http://radiokot.ru/circuit/analog/receiv_transmit/07/
Только устранены некоторые неточности и применены другие транзисторы.
Вместо древнего p-n-p транзистора П416 поставил КТ368 (КТ316, КТ325)
Питание 3 вольта. Стабильность конечно не очень. За антенну хвататься нельзя. Когда за антенну хватаешься, частота уходит на 3 мгц.
Чувствительность по микрофону хорошая. Наверное это из-за применения транзистора КТ3102Г.
Только вместо микрофона и усилителя НЧ стоит мультивибратор.
Почему частота меняется, то про это тоже уже много раз говорили.
viewtopic.php?p=532271#p532271
aen писал(а):
В схеме нужно все выкинуть кроме контура и тогда видно будет что к чему.
Видно, что все эти емкости входят в контур. В том числе и блокировочный конденсатор.

Изображение

Из картинки можно понять почему меняется частота генератора при подаче НЧ сигнала на его базу.
При этом меняется режим транзистора по постоянному току и внутренние емкости транзистора меняются.
Поэтому меняется частота генерации, т.е. происходит ЧМ модуляция.
Правда при этом присутствует еще и паразитная АМ модуляция, но она обычно подавляется в ЧМ приемнике.
Так же говорили как можно увеличить изменение частоты при таком виде подачи модулирующего сигнала.
viewtopic.php?p=218172#p218172
aen писал(а):
Для увеличения чувствительности можно увеличить число витков в катушке и уменьшать емкость С3. Подстроечный конденсатор в цепи базы не будет изменять частоту. Его нужно ставить параллелно любому из конденнсаторов С3, С4, С5. Для более плавной лучше поставить параллельно С5, для большего перекрытия параллельно С3.
Так же чувствительность по микрофону растет, если увеличивать R2, но при этом падает мощность жука.
А пила там получается, точнее наподобие пилы из за интегрирующих свойств цепочки в базе транзистора. В принципе сигнал можно снять с базы мультивибратора. Он там хотя и слабее, но вид у него ближе к пиле.


Вернуться наверх
 
Не в сети
 Заголовок сообщения: Re: Радиоглушитель.
СообщениеДобавлено: Чт июл 12, 2012 07:16:36 
Мучитель микросхем

Зарегистрирован: Вт мар 23, 2010 14:29:14
Сообщений: 436
Рейтинг сообщения: 0
1. Значит мультивибратор генерирует пилообразый сигнал а не прямоугольный?
2. Частота меняется изза того что резонансный уонтур раскачивается сигналом с огромным размахом по амплитуде?


Вернуться наверх
 
Показать сообщения за:  Сортировать по:  Вернуться наверх
Начать новую тему Ответить на тему  [ Сообщений: 672 ]     ... , , , 12, , , ...  

Часовой пояс: UTC + 3 часа


Кто сейчас на форуме

Сейчас этот форум просматривают: Agaev, Coppersmith_ и гости: 23


Вы не можете начинать темы
Вы не можете отвечать на сообщения
Вы не можете редактировать свои сообщения
Вы не можете удалять свои сообщения
Вы не можете добавлять вложения

Найти:
Перейти:  


Powered by phpBB © 2000, 2002, 2005, 2007 phpBB Group
Русская поддержка phpBB
Extended by Karma MOD © 2007—2012 m157y
Extended by Topic Tags MOD © 2012 m157y