Например TDA7294

Форум РадиоКот • Просмотр темы - Вместо переменного конденсатора настройки включить варикап
Форум РадиоКот
Здесь можно немножко помяукать :)

Текущее время: Пт янв 02, 2026 19:18:24

Часовой пояс: UTC + 3 часа


ПРЯМО СЕЙЧАС:



Начать новую тему Ответить на тему  [ Сообщений: 214 ]    , 2, , , ...  
Автор Сообщение
Не в сети
 Заголовок сообщения:
СообщениеДобавлено: Сб окт 24, 2009 18:54:57 
Модератор
Аватар пользователя

Карма: 158
Рейтинг сообщений: 1600
Зарегистрирован: Пт апр 28, 2006 15:26:07
Сообщений: 11940
Откуда: Россия.
Рейтинг сообщения: 0
Медали: 2
Мявтор 3-й степени (1) Лучший человек Форума 2017 (1)
JohnBoen писал(а):
Н примерная схема
Если у него там УКВ, то КПЕ стоит в другом месте. Схемы УКВ части здесь как видим нет.


Вернуться наверх
 
Не в сети
 Заголовок сообщения: как вместо конденсатора
СообщениеДобавлено: Сб окт 24, 2009 19:05:39 
Потрогал лапой паяльник

Зарегистрирован: Сб авг 01, 2009 15:51:45
Сообщений: 328
Рейтинг сообщения: 0
Да и не просто укв фм целых два.Нет, я так думаю, чем плохому (радиолюбителю)объяснять что и почему, лучше пусть если он хороший слесарь, починит его своими руками т.е. этот вариометр, проще будет. Bедь всеравно не поймет чего и куда тыкать ,только время зря потратим на него и не только.Извините что побеспокоил вас.А адресочек бы с таким даташитом где найти.


Вернуться наверх
 
Не в сети
 Заголовок сообщения: Re: как вместо конденсатора
СообщениеДобавлено: Сб окт 24, 2009 19:15:37 
Модератор
Аватар пользователя

Карма: 158
Рейтинг сообщений: 1600
Зарегистрирован: Пт апр 28, 2006 15:26:07
Сообщений: 11940
Откуда: Россия.
Рейтинг сообщения: 0
Медали: 2
Мявтор 3-й степени (1) Лучший человек Форума 2017 (1)
Alekfilimon писал(а):
лучше пусть если он
Хороший радиолюбитель тоже будет чинить верньер, т.к. он знает, что если КПЕ в приемнике заменить на варикапы, то приемник на порядок будет хуже.


Вернуться наверх
 
Не в сети
 Заголовок сообщения: как вместо конденсатора
СообщениеДобавлено: Вс окт 25, 2009 13:51:53 
Потрогал лапой паяльник

Зарегистрирован: Сб авг 01, 2009 15:51:45
Сообщений: 328
Рейтинг сообщения: 0
Вот какая идея появилась, может обсудим. Bместо верньерного устройства включить оптическую настройку в виде ИЛТЗ-12.Кто что подскажет?


Вернуться наверх
 
Эиком - электронные компоненты и радиодетали
Не в сети
 Заголовок сообщения:
СообщениеДобавлено: Вс окт 25, 2009 14:26:20 
Модератор
Аватар пользователя

Карма: 162
Рейтинг сообщений: 2441
Зарегистрирован: Пн июл 07, 2008 10:46:09
Сообщений: 10736
Откуда: Россия
Рейтинг сообщения: 0
ИЛТЗ-12 - это только индикация, на нее подается напряжение, которое идет на варикапы для перестройки. А верньер, это устройство для осуществления плавной (медленной) перестройки, то есть замедления перестройки, а не просто троссик со стрелкой.

_________________
Если хотите, чтобы жизнь улыбалась вам, подарите ей своё хорошее настроение


Вернуться наверх
 
Не в сети
 Заголовок сообщения: как вместо конденсатора
СообщениеДобавлено: Вс окт 25, 2009 15:39:24 
Потрогал лапой паяльник

Зарегистрирован: Сб авг 01, 2009 15:51:45
Сообщений: 328
Рейтинг сообщения: 0
Надоже какой я не счастливый.Зато лом с монтажкой выручают.Верньерные ролики вроде настраиваются, осталось натянуть струну и ... паять паять паять.


Вернуться наверх
 
Не в сети
 Заголовок сообщения:
СообщениеДобавлено: Вс окт 25, 2009 22:54:04 
Друг Кота

Карма: 6
Рейтинг сообщений: 11
Зарегистрирован: Сб мар 07, 2009 20:44:36
Сообщений: 4435
Рейтинг сообщения: 0
натягивать нитку в верньерных механизмах - меня просто убивает. Мало того, что я не могу запомнить, как она накручивалась на ролики (а их там штук 5)... ух... 8) :))

_________________
Не умеешь - не берись, но не взявшись не научишься...


Вернуться наверх
 
Не в сети
 Заголовок сообщения: Варикап в контур
СообщениеДобавлено: Вт мар 09, 2010 02:11:49 
Первый раз сказал Мяу!
Аватар пользователя

Зарегистрирован: Чт май 14, 2009 17:06:19
Сообщений: 37
Откуда: Москва, Зеленоград
Рейтинг сообщения: 0
Здравствуйте! В схеме УКВ приёмника: http://radiokot.ru/circuit/analog/receiv_transmit/01/ возможно ли заменить переменный конденсатор на варикап, т.е. обеспечить настройку по частоте напряжением?


Вернуться наверх
 
Не в сети
 Заголовок сообщения:
СообщениеДобавлено: Вт мар 09, 2010 06:36:06 
Сверлит текстолит когтями
Аватар пользователя

Карма: 16
Рейтинг сообщений: 62
Зарегистрирован: Сб апр 21, 2007 10:40:53
Сообщений: 1292
Рейтинг сообщения: 0
Сделай как здесь.
http://shema.org.ua/index.php?name=News ... le&sid=727


Вернуться наверх
 
Не в сети
 Заголовок сообщения:
СообщениеДобавлено: Вт мар 09, 2010 07:17:45 
Модератор
Аватар пользователя

Карма: 162
Рейтинг сообщений: 2441
Зарегистрирован: Пн июл 07, 2008 10:46:09
Сообщений: 10736
Откуда: Россия
Рейтинг сообщения: 0
http://radiokot.ru/forum/viewtopic.php?p=364901#364901

_________________
Если хотите, чтобы жизнь улыбалась вам, подарите ей своё хорошее настроение


Вернуться наверх
 
Не в сети
 Заголовок сообщения:
СообщениеДобавлено: Вт мар 09, 2010 10:38:49 
Говорящий с текстолитом

Зарегистрирован: Чт окт 20, 2005 12:46:34
Сообщений: 1682
Рейтинг сообщения: 0
кстати по опыту подскажите, какой способ замены механики на варикап самые лучшие показатели дает чтоб как можно меньше добротностью пожертвовать ?

_________________
٩(͡๏̯͡๏)۶ ಠ_ಠ ˁ°ᴥ°ˀ


Вернуться наверх
 
Не в сети
 Заголовок сообщения:
СообщениеДобавлено: Вт мар 09, 2010 10:44:14 
Первый раз сказал Мяу!
Аватар пользователя

Зарегистрирован: Чт май 14, 2009 17:06:19
Сообщений: 37
Откуда: Москва, Зеленоград
Рейтинг сообщения: 0
Спасибо большое! :tea:


Вернуться наверх
 
Не в сети
 Заголовок сообщения: варикап вместо конденсатора
СообщениеДобавлено: Вс апр 25, 2010 08:13:13 
Встал на лапы

Зарегистрирован: Чт фев 11, 2010 16:35:59
Сообщений: 81
Рейтинг сообщения: 0
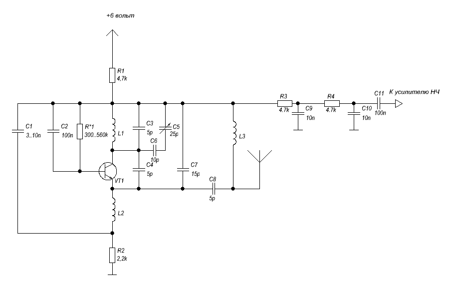
Всем Здравствуйте,задумал я собрать сверхрегенератор на 88-108,и сразу появилась проблемка у меня нет кондеров переменных зато варикапов с переменниками много,подскажите пожалуйста как правильно подключить варикапную настройку вместо конденсаторной.Заранее всем спасибо.



Сюда перенес.
aen


Вложения:
укв.gif [8.47 KiB]
Скачиваний: 971
Вернуться наверх
 
Не в сети
 Заголовок сообщения: Re: варикап вместо конденсатора
СообщениеДобавлено: Вс апр 25, 2010 09:17:54 
Мудрый кот
Аватар пользователя

Карма: 19
Рейтинг сообщений: 166
Зарегистрирован: Сб окт 10, 2009 17:16:58
Сообщений: 1732
Откуда: Россия.
Рейтинг сообщения: 0
В сверхрегенератор ставить варикапы, это полный отстой.
Почитайте про принцип работы сверхрегенератора. Здесь на форуме много об этом говорили.
Там даже керамический подстроечник нежелателен. Лучше воздушный, а Вы варикап надумали.
Цитата:
Необходимо использовать в контуре катушку из толстого медного или посеребренного провода, контурный конденсатор переменной емкости должен быть воздушным. Всякое использование керамических подстроечных конденсаторов в контуре, тонкого провода для катушек, использование для ее каркасов плохого диэлектрика или подстроечных ферритовых сердечников, переключателей катушек резко снижает добротность контура. Это приводит к падению чувствительности приемника.
О варикапах здесь даже не говорят. С ними вообще добротность контура упадет.
http://www.supreg1.narod.ru/files/Doc32.doc


Вернуться наверх
 
Не в сети
 Заголовок сообщения: Re: варикап вместо конденсатора
СообщениеДобавлено: Вс апр 25, 2010 10:35:56 
Встал на лапы

Зарегистрирован: Чт фев 11, 2010 16:35:59
Сообщений: 81
Рейтинг сообщения: 0
Попробовать и по эксперементировать то можно.


Вернуться наверх
 
Не в сети
 Заголовок сообщения: Re: варикап вместо конденсатора
СообщениеДобавлено: Вс апр 25, 2010 10:38:02 
Мудрый кот
Аватар пользователя

Карма: 19
Рейтинг сообщений: 166
Зарегистрирован: Сб окт 10, 2009 17:16:58
Сообщений: 1732
Откуда: Россия.
Рейтинг сообщения: 0
Радиолюбителям все можно. :)) Работать то конечно будет, но вот как?
Кто нам может запретить. Ставить как обычно. Какие трудности?
Схему приемника выкладывайте.


Вернуться наверх
 
Не в сети
 Заголовок сообщения: Re: варикап вместо конденсатора
СообщениеДобавлено: Вс апр 25, 2010 10:42:00 
Встал на лапы

Зарегистрирован: Чт фев 11, 2010 16:35:59
Сообщений: 81
Рейтинг сообщения: 0
Согласен. Схема сверху.


Вернуться наверх
 
Не в сети
 Заголовок сообщения: Re: варикап вместо конденсатора
СообщениеДобавлено: Вс апр 25, 2010 12:53:26 
Друг Кота
Аватар пользователя

Карма: 35
Рейтинг сообщений: 82
Зарегистрирован: Чт окт 08, 2009 00:43:16
Сообщений: 3284
Рейтинг сообщения: 0
Нет КПЕ? Перестраивайте индуктивностью. Напротив катушки отрезок алюминиевого уголка с резьбовым отверстием на плату, и латунную резьбовую шпильку в него, с ручкой, вот и вся конструкция. Верньер не нужен будет, что есть несомненный плюс.


Вернуться наверх
 
Не в сети
 Заголовок сообщения: Re: варикап вместо конденсатора
СообщениеДобавлено: Вс апр 25, 2010 14:10:45 
Встал на лапы

Зарегистрирован: Чт фев 11, 2010 16:35:59
Сообщений: 81
Рейтинг сообщения: 0
Да,можно попробовать.


Вернуться наверх
 
Не в сети
 Заголовок сообщения: Замена КПЕ (ремонт радиоприёмника)
СообщениеДобавлено: Ср мар 02, 2011 21:27:56 
Потрогал лапой паяльник
Аватар пользователя

Зарегистрирован: Вс ноя 28, 2010 19:11:33
Сообщений: 379
Откуда: Россия, Брянская обл., г. Жуковка
Рейтинг сообщения: 0
Добрый вечер, уважаемые радиолюбители! Недавно попался мне карманный радиоприёмник на микросхеме SONY CXA1238M и известном усилителе TDA7050. В нём сильно износился КПЕ. А он такой мелкий и найти мне его будет трудно. Могу ли я заменить его например, устройством на варикапе ?



Сюда перенес.
Читай тему.

aen


Вернуться наверх
 
Показать сообщения за:  Сортировать по:  Вернуться наверх
Начать новую тему Ответить на тему  [ Сообщений: 214 ]    , 2, , , ...  

Часовой пояс: UTC + 3 часа


Кто сейчас на форуме

Сейчас этот форум просматривают: нет зарегистрированных пользователей и гости: 39


Вы не можете начинать темы
Вы не можете отвечать на сообщения
Вы не можете редактировать свои сообщения
Вы не можете удалять свои сообщения
Вы не можете добавлять вложения

Найти:
Перейти:  


Powered by phpBB © 2000, 2002, 2005, 2007 phpBB Group
Русская поддержка phpBB
Extended by Karma MOD © 2007—2012 m157y
Extended by Topic Tags MOD © 2012 m157y