Например TDA7294

Форум РадиоКот • Просмотр темы - Радиоуправление своими руками.
Форум РадиоКот
Здесь можно немножко помяукать :)

Текущее время: Сб ноя 22, 2025 12:51:14

Часовой пояс: UTC + 3 часа


ПРЯМО СЕЙЧАС:



Начать новую тему Ответить на тему  [ Сообщений: 281 ]    , 2, , , ...  
Автор Сообщение
Не в сети
 Заголовок сообщения: Re: Радиоуправление своими руками.
СообщениеДобавлено: Чт дек 08, 2022 16:56:21 
Друг Кота

Карма: -1
Рейтинг сообщений: 70
Зарегистрирован: Вт мар 13, 2012 12:16:13
Сообщений: 8822
Откуда: .ru
Рейтинг сообщения: 0
итак... раньше мы подключались к компу по такой схеме...
Вложение:

Вложение:
TX.jpg [194.59 KiB]
Скачиваний: 91

теперь мы подключаемся к компу по такой схеме...
Вложение:

оба варианта рабочие. Но второй лучше))
:tea:


Вернуться наверх
 
Не в сети
 Заголовок сообщения: Re: Радиоуправление своими руками.
СообщениеДобавлено: Сб дек 10, 2022 19:17:52 
Друг Кота

Карма: -1
Рейтинг сообщений: 70
Зарегистрирован: Вт мар 13, 2012 12:16:13
Сообщений: 8822
Откуда: .ru
Рейтинг сообщения: 0
далее... приёмник.
:roll:
к примеру так работает заводской модуль...
Вложение:
RTL8201BL_схема.jpg [67.51 KiB]
Скачиваний: 94

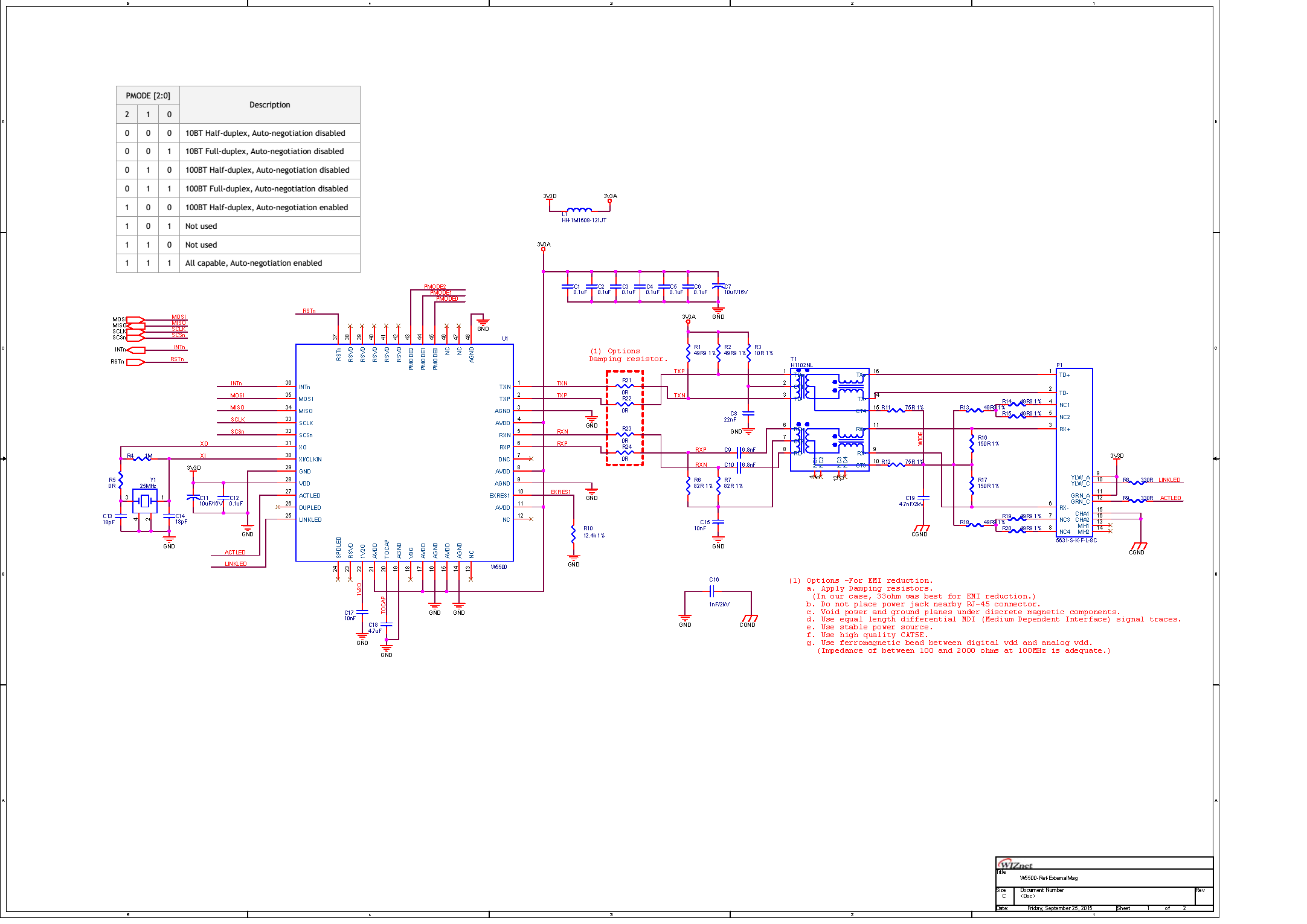
а тут более подробно...
Вложение:
LAN8720_схема.jpg [58.75 KiB]
Скачиваний: 88

ну PLL мы делать не будем)) есть схема по проще...
хотя тут сделали самодельный PLL... http://www.aholme.co.uk/Ethernet/EthernetRx.htm
:roll:

Добавлено after 7 minutes 48 seconds:
короче должен получится аналог w5500... с шифрованием))
:tea:


Вложения:
AES.pdf [1.13 MiB]
Скачиваний: 81
AES.jpg [151.38 KiB]
Скачиваний: 641
w5500.ru.pdf [2.26 MiB]
Скачиваний: 2041
w5500.pdf [2.05 MiB]
Скачиваний: 110
w5500_схема.png [92.76 KiB]
Скачиваний: 63
LAN8720.pdf [1.02 MiB]
Скачиваний: 148
w5500_схема.png [92.76 KiB]
Скачиваний: 71
AR9331_схема.jpg [95.31 KiB]
Скачиваний: 72
Вернуться наверх
 
Не в сети
 Заголовок сообщения: Re: Радиоуправление своими руками.
СообщениеДобавлено: Вс дек 11, 2022 15:50:18 
Друг Кота

Карма: -1
Рейтинг сообщений: 70
Зарегистрирован: Вт мар 13, 2012 12:16:13
Сообщений: 8822
Откуда: .ru
Рейтинг сообщения: 0
далее... надо сделать самое сложное - блок синхронизации...
Вложение:
RX.jpg [49.11 KiB]
Скачиваний: 94

для начала проверим на транзисторах))
Вложение:
схема_тест_9.jpg [130.35 KiB]
Скачиваний: 87

на транзисторах в протеусе работает))
в железе на транзисторах работать не будет... если только не использовать какие-то специальные транзисторы))
:roll:
теперь надо переделать всё на высокочастотную логику... и проверить в железе...
:tea:


Вернуться наверх
 
Не в сети
 Заголовок сообщения: Re: Радиоуправление своими руками.
СообщениеДобавлено: Вт дек 13, 2022 21:39:23 
Друг Кота

Карма: -1
Рейтинг сообщений: 70
Зарегистрирован: Вт мар 13, 2012 12:16:13
Сообщений: 8822
Откуда: .ru
Рейтинг сообщения: 0
далее... задача получить из манчестера меандр...
эта схема позволяет это сделать))
Вложение:
схема_RX.jpg [115.54 KiB]
Скачиваний: 106

:roll:


Вернуться наверх
 
Эиком - электронные компоненты и радиодетали
Не в сети
 Заголовок сообщения: Re: Радиоуправление своими руками.
СообщениеДобавлено: Вс дек 18, 2022 16:53:06 
Друг Кота

Карма: -1
Рейтинг сообщений: 70
Зарегистрирован: Вт мар 13, 2012 12:16:13
Сообщений: 8822
Откуда: .ru
Рейтинг сообщения: 0
Вложение:
схема_RX.jpg [112.84 KiB]
Скачиваний: 89

:roll:


Вернуться наверх
 
Не в сети
 Заголовок сообщения: Re: Радиоуправление своими руками.
СообщениеДобавлено: Ср дек 21, 2022 11:53:02 
Друг Кота

Карма: -1
Рейтинг сообщений: 70
Зарегистрирован: Вт мар 13, 2012 12:16:13
Сообщений: 8822
Откуда: .ru
Рейтинг сообщения: 0
далее... измерили время переключения логических элементов...
блин... похоже эта схема работать не будет))
в реальности слишком большое время переключения логических элементов... 16-17 нс...
Вложение:
схема_RX.jpg [103.96 KiB]
Скачиваний: 94

хотя в даташите написано 8-9 нс...
Вложение:
sn74hc00.jpg [30.02 KiB]
Скачиваний: 92

вот и верь после этого даташитам))

короче нужна другая микросхема... надо время переключения в два раза быстрей)) 8-9 нс... нормально...))
:tea:


Вернуться наверх
 
Не в сети
 Заголовок сообщения: Re: Радиоуправление своими руками.
СообщениеДобавлено: Пн дек 26, 2022 23:21:37 
Друг Кота

Карма: -1
Рейтинг сообщений: 70
Зарегистрирован: Вт мар 13, 2012 12:16:13
Сообщений: 8822
Откуда: .ru
Рейтинг сообщения: 0
далее... приехали быстродействующие SN74F00...
Вложение:
nc.jpg [40.41 KiB]
Скачиваний: 93

выглядит многообещающе))
:roll:


Вернуться наверх
 
Не в сети
 Заголовок сообщения: Re: Радиоуправление своими руками.
СообщениеДобавлено: Чт дек 29, 2022 13:25:39 
Друг Кота

Карма: -1
Рейтинг сообщений: 70
Зарегистрирован: Вт мар 13, 2012 12:16:13
Сообщений: 8822
Откуда: .ru
Рейтинг сообщения: 0
да, не обманули))
задержка SN74F00 ~2...3 nc
Вложение:
схема_RX.jpg [114.88 KiB]
Скачиваний: 85

:roll:
только нагрузочная способность маленькая... написано 20 mA... в реальности меньше...
в принципе... не критично))
:tea:


Вернуться наверх
 
Не в сети
 Заголовок сообщения: Re: Радиоуправление своими руками.
СообщениеДобавлено: Вт янв 10, 2023 15:56:37 
Друг Кота

Карма: -1
Рейтинг сообщений: 70
Зарегистрирован: Вт мар 13, 2012 12:16:13
Сообщений: 8822
Откуда: .ru
Рейтинг сообщения: 0
что у нас тут...
спаяли по такой схеме...
Вложение:
схема.jpg [117.62 KiB]
Скачиваний: 95

и нифига не работает))
:)))
на выходе регистра... какая-то ерунда... похоже какой-то возбуд))
интересно...
:tea:


Вернуться наверх
 
Не в сети
 Заголовок сообщения: Re: Радиоуправление своими руками.
СообщениеДобавлено: Чт янв 12, 2023 19:24:56 
Друг Кота

Карма: -1
Рейтинг сообщений: 70
Зарегистрирован: Вт мар 13, 2012 12:16:13
Сообщений: 8822
Откуда: .ru
Рейтинг сообщения: 0
короче... логика работает... никаких возбудов нет))
всё дело в таймингах... которые трудно предсказуемые)) зависят в том числе и от напряжения питания...
Вложение:
схема_RX.jpg [118.25 KiB]
Скачиваний: 84

просто частота слишком высокая... 10 МГц...
приборы нужны...
:tea:


Вернуться наверх
 
Не в сети
 Заголовок сообщения: Re: Радиоуправление своими руками.
СообщениеДобавлено: Пн янв 23, 2023 16:53:37 
Друг Кота

Карма: -1
Рейтинг сообщений: 70
Зарегистрирован: Вт мар 13, 2012 12:16:13
Сообщений: 8822
Откуда: .ru
Рейтинг сообщения: 0
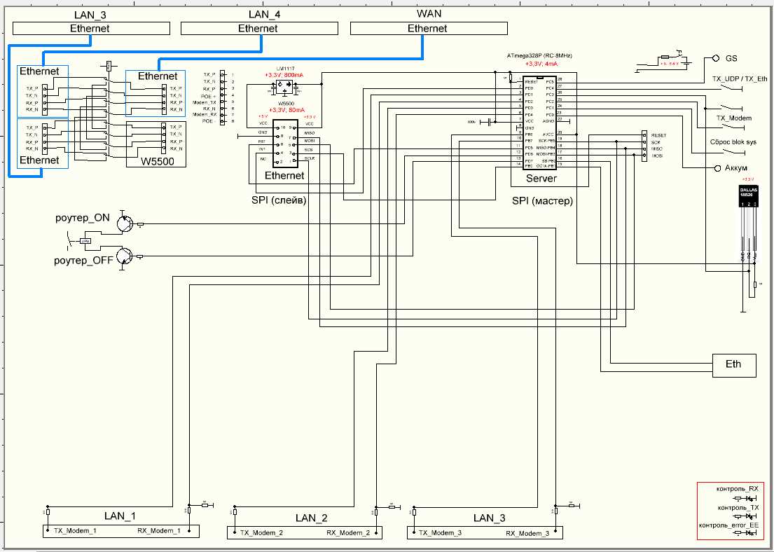
далее... надо подкрутить схему Умного Дома ))
щас работает по стандартной схеме...
Вложение:
PING_100кбит.jpg [125.68 KiB]
Скачиваний: 78

всё хорошо... только много деталей))
надо повыкидывать всё лишнее...
:roll:


Вложения:
ATmega328-Server.rar [45.53 KiB]
Скачиваний: 72
ATmega48-Switch.rar [16.97 KiB]
Скачиваний: 79
ATmega48-RX.rar [15.59 KiB]
Скачиваний: 75
Proteus.rar [28.81 KiB]
Скачиваний: 71
Вернуться наверх
 
Не в сети
 Заголовок сообщения: Re: Радиоуправление своими руками.
СообщениеДобавлено: Ср янв 25, 2023 23:26:31 
Друг Кота

Карма: -1
Рейтинг сообщений: 70
Зарегистрирован: Вт мар 13, 2012 12:16:13
Сообщений: 8822
Откуда: .ru
Рейтинг сообщения: 0
надо повыкидывать всё лишнее...
Вложение:
сервер.jpg [130.3 KiB]
Скачиваний: 83

надо пересмотреть концепцию))
:tea:

Добавлено after 2 minutes 30 seconds:
Вложение:
Switch.jpg [114.4 KiB]
Скачиваний: 67

Вложение:
RX.jpg [84.27 KiB]
Скачиваний: 73

например убрать буферизацию... и сократить детали в 2 раза))
:tea:


Вложения:
PING_100кбит.jpg [125.68 KiB]
Скачиваний: 61
Proteus.rar [28.81 KiB]
Скачиваний: 66
switch.c [20.13 KiB]
Скачиваний: 65
rx_modem.c [21.83 KiB]
Скачиваний: 63
tx_modem.c [11.27 KiB]
Скачиваний: 57
server.c [2.78 KiB]
Скачиваний: 67
Вернуться наверх
 
Не в сети
 Заголовок сообщения: Re: Радиоуправление своими руками.
СообщениеДобавлено: Чт янв 26, 2023 19:35:32 
Друг Кота

Карма: -1
Рейтинг сообщений: 70
Зарегистрирован: Вт мар 13, 2012 12:16:13
Сообщений: 8822
Откуда: .ru
Рейтинг сообщения: 0
Вложение:
схема_1.jpg [91.26 KiB]
Скачиваний: 82

уже лучше))
:tea:


Вернуться наверх
 
Не в сети
 Заголовок сообщения: Re: Радиоуправление своими руками.
СообщениеДобавлено: Пт янв 27, 2023 21:54:54 
Друг Кота

Карма: -1
Рейтинг сообщений: 70
Зарегистрирован: Вт мар 13, 2012 12:16:13
Сообщений: 8822
Откуда: .ru
Рейтинг сообщения: 0
Вложение:
1.jpg [85.35 KiB]
Скачиваний: 78

Вложение:
2.jpg [70.14 KiB]
Скачиваний: 75

Вложение:
3.jpg [45.7 KiB]
Скачиваний: 86

так совсем хорошо))
:tea:
была такая схема... (полный дуплекс)...
Вложение:
PING_100кбит(полный дуплекс).jpg [125.68 KiB]
Скачиваний: 58

теперь такая схема... (полу дуплекс)...
Вложение:
PING_100кбит(полу дуплекс).jpg [105.19 KiB]
Скачиваний: 65

в чём разница ?))

1. полный дуплекс - все МК могут передавать пакеты одновременно... потерь пакетов нет.
2. полу дуплекс - все МК не могут передавать пакеты одновременно... будут потери пакетов...
:roll:
Ну и ладно)) зато второй вариант проще))
:tea:

Добавлено after 2 hours 41 minute 48 seconds:
а общая схема будет примерно такая))
Вложение:
общая схема.jpg [79.63 KiB]
Скачиваний: 74


Вернуться наверх
 
Не в сети
 Заголовок сообщения: Re: Радиоуправление своими руками.
СообщениеДобавлено: Пн фев 06, 2023 12:19:56 
Друг Кота

Карма: -1
Рейтинг сообщений: 70
Зарегистрирован: Вт мар 13, 2012 12:16:13
Сообщений: 8822
Откуда: .ru
Рейтинг сообщения: 0
Вложение:
PING_100кбит.jpg [94.24 KiB]
Скачиваний: 67

немного подкрутили))


Вернуться наверх
 
Не в сети
 Заголовок сообщения: Re: Радиоуправление своими руками.
СообщениеДобавлено: Пн мар 13, 2023 16:44:13 
Друг Кота

Карма: -1
Рейтинг сообщений: 70
Зарегистрирован: Вт мар 13, 2012 12:16:13
Сообщений: 8822
Откуда: .ru
Рейтинг сообщения: 0
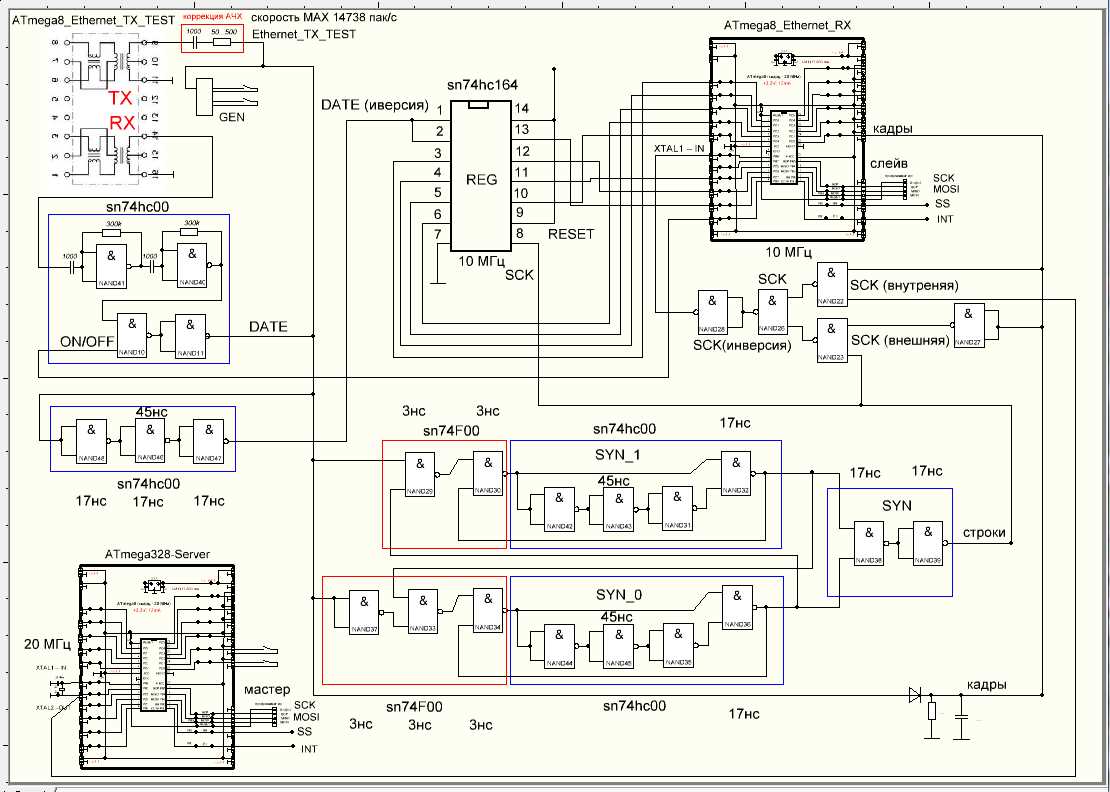
мы забыли доделать интернет приёмник))
а без этого проект не завершён...
:tea:
в интернет приёмнике возникла проблема с блоком синхронизации...
Вложение:
Ethernet_RX.jpg [122.77 KiB]
Скачиваний: 61

сначала спаяли по такой схеме...
Вложение:
старая схема.jpg [115.84 KiB]
Скачиваний: 60

вот так он должен был работать...
Вложение:
RX_идеальный)).jpg [109.04 KiB]
Скачиваний: 60

но он не заработал))
:shock:
вся проблема в таймингах...
а конкретно в трудно предсказуемом (точнее совсем не предсказуемом) времени переключения логических элементов...
Вложение:
01.jpg [24 KiB]
Скачиваний: 61

Вложение:
10.jpg [23.17 KiB]
Скачиваний: 61

:roll:

Добавлено after 3 minutes 12 seconds:
в даташите пишут одно...
Вложение:
sn74hc00.jpg [30.02 KiB]
Скачиваний: 55

протеус показывает другое...
Вложение:
протеус.png [73.53 KiB]
Скачиваний: 55

а на практике... третье))
:o

Добавлено after 17 minutes 26 seconds:
короче... нифига не работает)) и без приборов настроить невозможно...
:tea:
поэтому обратимся к первоисточнику... http://www.aholme.co.uk/Ethernet/EthernetRx.htm
:roll:
Вложение:
блок синхронизации.jpg [65.75 KiB]
Скачиваний: 55

Вложение:
импульсы.jpg [80.5 KiB]
Скачиваний: 63

:roll:
сделаем как в первоисточнике))
Вложение:
схема_RX.jpg [112.15 KiB]
Скачиваний: 72

работает))
:)
правда только при стабильном напряжении питания...
но это лучше чем ничего))
:tea:


Вернуться наверх
 
Не в сети
 Заголовок сообщения: Re: Радиоуправление своими руками.
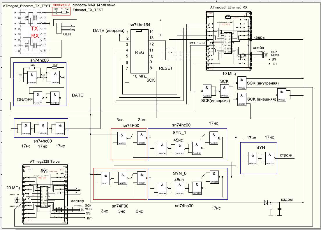
СообщениеДобавлено: Вс мар 19, 2023 10:40:29 
Друг Кота

Карма: -1
Рейтинг сообщений: 70
Зарегистрирован: Вт мар 13, 2012 12:16:13
Сообщений: 8822
Откуда: .ru
Рейтинг сообщения: 0
далее...
подкрутили схемку))
Вложение:
схема_RX.jpg [116.64 KiB]
Скачиваний: 56

улучшили синхронизацию...
Вложение:
схема_RX_осцил.jpg [111.97 KiB]
Скачиваний: 56

пакетики уже побежали))
Вложение:
схема_RX_монитор.jpg [126.2 KiB]
Скачиваний: 62

надо подумать как ещё улучшить...
:tea:


Вернуться наверх
 
Не в сети
 Заголовок сообщения: Re: Радиоуправление своими руками.
СообщениеДобавлено: Пн мар 20, 2023 19:50:31 
Друг Кота

Карма: -1
Рейтинг сообщений: 70
Зарегистрирован: Вт мар 13, 2012 12:16:13
Сообщений: 8822
Откуда: .ru
Рейтинг сообщения: 0
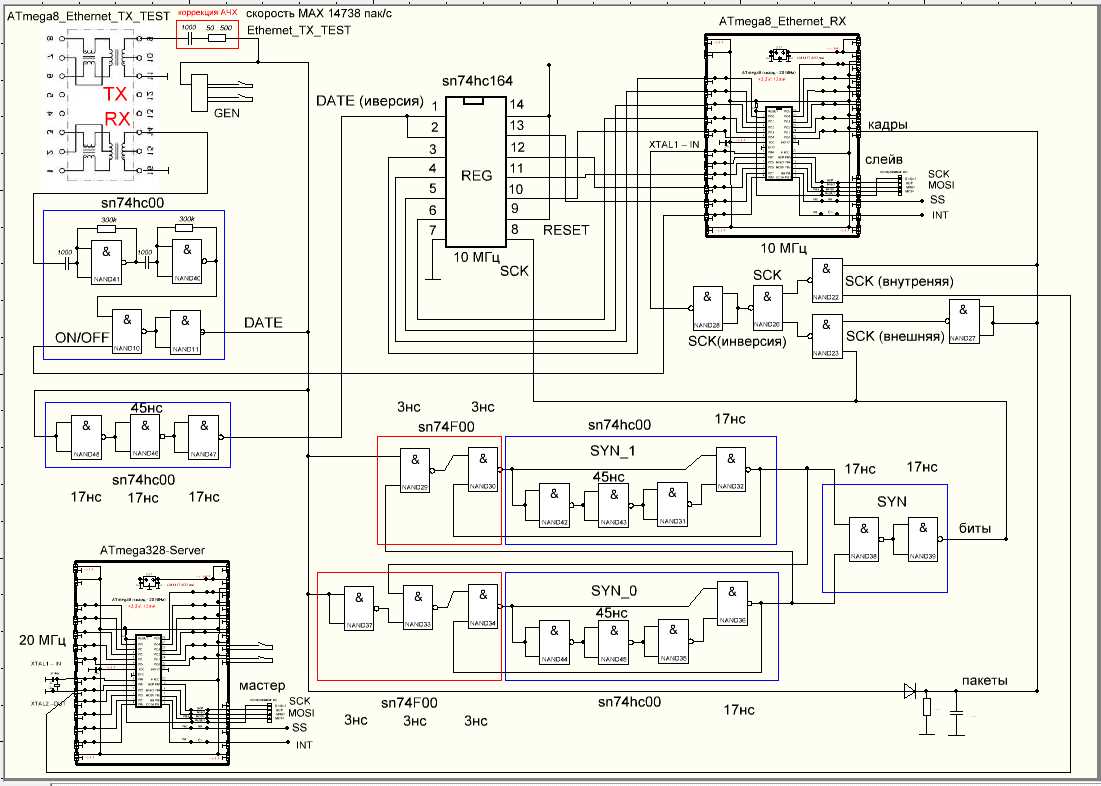
подкрутили схемку))
Вложение:
схема.jpg [120.04 KiB]
Скачиваний: 58

улучшили синхронизацию...
Вложение:
Ethernet_RX.jpg [122.77 KiB]
Скачиваний: 55

Вложение:
схема_тест.jpg [129.72 KiB]
Скачиваний: 58

осталось доделать ОУ...
Вложение:
ОУ.jpg [72.15 KiB]
Скачиваний: 57

только такого ОУ нет... нужна друга схема...
есть тут спецы в усилителях на 10 мгц ? ))
:tea:


Вернуться наверх
 
Не в сети
 Заголовок сообщения: Re: Радиоуправление своими руками.
СообщениеДобавлено: Чт мар 23, 2023 18:00:14 
Друг Кота

Карма: -1
Рейтинг сообщений: 70
Зарегистрирован: Вт мар 13, 2012 12:16:13
Сообщений: 8822
Откуда: .ru
Рейтинг сообщения: 0
далее...
не работает усилитель... возбуд...
Вложение:
усилитель.jpg [106.36 KiB]
Скачиваний: 53

значит выкидываем усилитель и подключаем напрямую))
берём классическую схему приёмника... трансформаторная связь с начальным смещением...
Вложение:
приёмник.jpg [60.82 KiB]
Скачиваний: 56

получилась такая схема...
Вложение:
без усилителя.jpg [115.86 KiB]
Скачиваний: 62

всё работает))
Вложение:
RX.jpg [128.76 KiB]
Скачиваний: 51

однако напряжение на входе маловато для идеальной работы нашего приёмника...
поэтому усилитель всё таки нужен... для надёжности))
подумаем...
:tea:


Вернуться наверх
 
Не в сети
 Заголовок сообщения: Re: Радиоуправление своими руками.
СообщениеДобавлено: Вс мар 26, 2023 13:42:34 
Друг Кота

Карма: -1
Рейтинг сообщений: 70
Зарегистрирован: Вт мар 13, 2012 12:16:13
Сообщений: 8822
Откуда: .ru
Рейтинг сообщения: 0
:tea:


Вложения:
Ethernet_CRC_32_оптимизация_2.c [5.38 KiB]
Скачиваний: 59
Вернуться наверх
 
Показать сообщения за:  Сортировать по:  Вернуться наверх
Начать новую тему Ответить на тему  [ Сообщений: 281 ]    , 2, , , ...  

Часовой пояс: UTC + 3 часа


Кто сейчас на форуме

Сейчас этот форум просматривают: нет зарегистрированных пользователей и гости: 23


Вы не можете начинать темы
Вы не можете отвечать на сообщения
Вы не можете редактировать свои сообщения
Вы не можете удалять свои сообщения
Вы не можете добавлять вложения

Найти:
Перейти:  


Powered by phpBB © 2000, 2002, 2005, 2007 phpBB Group
Русская поддержка phpBB
Extended by Karma MOD © 2007—2012 m157y
Extended by Topic Tags MOD © 2012 m157y