Например TDA7294

Форум РадиоКот • Просмотр темы - Радиостанция CB(Си-Би)
Форум РадиоКот
Здесь можно немножко помяукать :)

Текущее время: Чт дек 18, 2025 17:00:49

Часовой пояс: UTC + 3 часа


ПРЯМО СЕЙЧАС:



Начать новую тему Ответить на тему  [ Сообщений: 2069 ]     ... , , , 89, , , ...  
Автор Сообщение
Не в сети
 Заголовок сообщения: Re: Радиостанция СВ
СообщениеДобавлено: Пт сен 27, 2019 15:14:11 
Друг Кота

Карма: -1
Рейтинг сообщений: 86
Зарегистрирован: Вт мар 13, 2012 12:16:13
Сообщений: 8876
Откуда: .ru
Рейтинг сообщения: 0
Опять до синтезаторов скатились... :facepalm: Это не радиолюбительский подход))
Вы понимаете, что радиолюбительский трансивер - это трансивер на ГПД. Там есть куча ручек... которые надо крутить))
А нажимать на кнопочки ардуины... тогда проще купить готовый СВ трансивер. Они стоят не дорого... от пары тысяч... Б/У))
А я до сих пор от ардуин шарахаюсь. Не потому что я не знаю как они работают, а потому что я их терпеть не могу! ))


Вернуться наверх
 
Не в сети
 Заголовок сообщения: Re: Радиостанция СВ
СообщениеДобавлено: Пт сен 27, 2019 16:52:02 
Вымогатель припоя
Аватар пользователя

Карма: 12
Рейтинг сообщений: 95
Зарегистрирован: Вс сен 08, 2013 21:36:22
Сообщений: 699
Откуда: 27.200 Мгц
Рейтинг сообщения: 0
Изображение

первый гетеродин тут на контуре l7, c19. 27 - 6.5 =20.5 мгц

И кстати ,там весьма стабильный внутренний ГПД . Собирал , тестил и поэтому рекомендую именно этот приёмник :music:

Добавлено after 24 minutes 27 seconds:
Опять до синтезаторов скатились... :facepalm: Это не радиолюбительский подход))
Вы понимаете, что радиолюбительский трансивер - это трансивер на ГПД. Там есть куча ручек... которые надо крутить))
А нажимать на кнопочки ардуины... тогда проще купить готовый СВ трансивер. Они стоят не дорого... от пары тысяч... Б/У))
А я до сих пор от ардуин шарахаюсь. Не потому что я не знаю как они работают, а потому что я их терпеть не могу! ))

Я боюсь спросить ,а Вы транзисторы сами небось делаете ??? Кварцы и всё такое :)))
Собрать синтезатор тоже нужно суметь и прикошачить к приёмнику .
olegue , тебе сейчас ссылок на китайские магазы накидали, зайди посмотри приценись, не так уж и дорого. Если будишь что то на arduino mini или nano закажи себе сначала USB-TTL переходник, это то без чего ты на них прошивку незакинеш.
А насчёт зачем автору пилигрима эта схема стабилизации , точно не скажу, видимо сначала тоже был аналоговый ГПД :))

_________________
Пока сам себя не пнёшь с места не сдвинешься


Вернуться наверх
 
Не в сети
 Заголовок сообщения: Re: Радиостанция СВ
СообщениеДобавлено: Пт сен 27, 2019 18:50:46 
Друг Кота

Карма: -1
Рейтинг сообщений: 86
Зарегистрирован: Вт мар 13, 2012 12:16:13
Сообщений: 8876
Откуда: .ru
Рейтинг сообщения: 0
yura860 писал(а):
Вы транзисторы сами небось делаете ?

А я сделаю на радиолампе )) https://www.youtube.com/watch?v=apzplDbWfhQ


Вернуться наверх
 
В сети
 Заголовок сообщения: Re: Радиостанция СВ
СообщениеДобавлено: Пт сен 27, 2019 19:48:08 
Друг Кота
Аватар пользователя

Карма: 197
Рейтинг сообщений: 8593
Зарегистрирован: Пн ноя 30, 2009 03:00:01
Сообщений: 43106
Откуда: Нерезиновая
Рейтинг сообщения: 0
А я сделаю на радиолампе ))

А микроконтроллер на радиолампах сделать- СЛАБО? :))) :))) :))) :)))


Вернуться наверх
 
Эиком - электронные компоненты и радиодетали
Не в сети
 Заголовок сообщения: Re: Радиостанция СВ
СообщениеДобавлено: Пт сен 27, 2019 20:13:18 
Друг Кота
Аватар пользователя

Карма: 64
Рейтинг сообщений: 1102
Зарегистрирован: Ср ноя 17, 2010 23:10:55
Сообщений: 5837
Откуда: Ижевск LO66NU
Рейтинг сообщения: 0
Боян.... :)))

_________________
В начале жизнь мучает вопросами, в конце - ответами...


Вернуться наверх
 
Не в сети
 Заголовок сообщения: Re: Радиостанция СВ
СообщениеДобавлено: Сб сен 28, 2019 05:10:05 
Вымогатель припоя
Аватар пользователя

Карма: 12
Рейтинг сообщений: 95
Зарегистрирован: Вс сен 08, 2013 21:36:22
Сообщений: 699
Откуда: 27.200 Мгц
Рейтинг сообщения: 0
Вот так боян на 15 квт :)))

_________________
Пока сам себя не пнёшь с места не сдвинешься


Вернуться наверх
 
Не в сети
 Заголовок сообщения: Re: Радиостанция СВ
СообщениеДобавлено: Сб сен 28, 2019 21:16:36 
Друг Кота

Карма: -1
Рейтинг сообщений: 86
Зарегистрирован: Вт мар 13, 2012 12:16:13
Сообщений: 8876
Откуда: .ru
Рейтинг сообщения: 0
А кто делал приёмник прямого усиления на 27 МГц ? Например для СВ рации, на одну фиксированную частоту.
Теоретически это возможно))


Вернуться наверх
 
Не в сети
 Заголовок сообщения: Re: Радиостанция СВ
СообщениеДобавлено: Вс сен 29, 2019 00:54:28 
Прорезались зубы
Аватар пользователя

Карма: 12
Рейтинг сообщений: 70
Зарегистрирован: Ср сен 05, 2018 16:56:07
Сообщений: 200
Откуда: Россия.
Рейтинг сообщения: 0
Такое тоже было.
ж. Радио 7-1974 год.
"Управление кинокамерой"

Изображение

Изображение

Вложение:
1.djvu [132.76 KiB]
Скачиваний: 239
Вложение:
2.djvu [330.73 KiB]
Скачиваний: 188


Вложения:
1.gif [29.85 KiB]
Скачиваний: 1817
1.gif [79.42 KiB]
Скачиваний: 2275
Вернуться наверх
 
Не в сети
 Заголовок сообщения: Re: Радиостанция СВ
СообщениеДобавлено: Вс сен 29, 2019 07:51:58 
Вымогатель припоя
Аватар пользователя

Карма: 12
Рейтинг сообщений: 95
Зарегистрирован: Вс сен 08, 2013 21:36:22
Сообщений: 699
Откуда: 27.200 Мгц
Рейтинг сообщения: 0
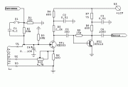
Умножитель добротности Вам в помощь ( Q умножитель ) :idea: Думаю если поставить пару таких то и усиления достаточно будет.

Изображение

_________________
Пока сам себя не пнёшь с места не сдвинешься


Вернуться наверх
 
Не в сети
 Заголовок сообщения: Re: Радиостанция СВ
СообщениеДобавлено: Вс сен 29, 2019 10:54:17 
Друг Кота

Карма: -1
Рейтинг сообщений: 86
Зарегистрирован: Вт мар 13, 2012 12:16:13
Сообщений: 8876
Откуда: .ru
Рейтинг сообщения: 0
Статья в "радио"... что-то припоминаю))
Идея сделать приёмник прямого усиления вообще без катушек, на готовых фильтрах (керамических или кварцевых).

Тут люди собирают УПЧ без катушек - https://telefunkin.livejournal.com/1365.html - Это же готовый приёмник 6,5 МГц)).
Только частота 6,5 МГц... 10,7 МГц... маленькая. Надо поставить фильтры на большую частоту )) Сейчас их в продаже достаточно... 21,4; 36,0; 45,0; 72,0; 90,0 МГц ... и т.д.

Вся сложность только в получении большого устойчивого усиления. Придётся всё хорошо экранировать... И возможно использовать каскоды. В остальном... не вижу проблем))

В журнале "радио" не указано:
-чувствительность ?
-усиление ? (интересно, сколько у них получилось устойчивое усиление на 27 МГц).


Вернуться наверх
 
Не в сети
 Заголовок сообщения: Re: Радиостанция СВ
СообщениеДобавлено: Пн сен 30, 2019 14:17:16 
Друг Кота

Карма: 49
Рейтинг сообщений: 547
Зарегистрирован: Чт фев 20, 2014 18:57:55
Сообщений: 19492
Рейтинг сообщения: 0
Идея сделать приёмник прямого усиления вообще без катушек, на готовых фильтрах (керамических или кварцевых).

Невозможно избавиться от анекдота в голове про гамак, обдумывая такие идеи :)) У меня аллергия на катушки в детстве была, потом разве что дефицит годных каркасов, но сейчас и с этим проблем нет если не ориентироваться на каркасы катух от всяких старых устройств.

_________________
"Вся военная пропаганда, все крики, ложь и ненависть исходят от людей, которые на эту войну не пойдут !" / Джордж Оруэлл /
"Война - это,когда за интересы других,гибнут совершенно безвинные люди." / Уинстон Черчилль /


Вернуться наверх
 
Не в сети
 Заголовок сообщения: Re: Радиостанция СВ
СообщениеДобавлено: Пн сен 30, 2019 15:08:30 
Друг Кота

Карма: -1
Рейтинг сообщений: 86
Зарегистрирован: Вт мар 13, 2012 12:16:13
Сообщений: 8876
Откуда: .ru
Рейтинг сообщения: 0
У меня нет аллергии на катушки. В детстве делал самодельные катушки.
На сайте "радиолюбителей" могут быть любые идеи))
Мне просто интересно... Кто уже делал и какие могут быть проблемы ? :tea:


Вернуться наверх
 
Не в сети
 Заголовок сообщения: Re: Радиостанция СВ
СообщениеДобавлено: Пн сен 30, 2019 17:42:53 
Вымогатель припоя
Аватар пользователя

Карма: 12
Рейтинг сообщений: 95
Зарегистрирован: Вс сен 08, 2013 21:36:22
Сообщений: 699
Откуда: 27.200 Мгц
Рейтинг сообщения: 0
Ну что же roman.com ждём от Вас физическое воплощение этого приёмника :solder: . Ведь пока несоберёшь то и неузнаешь...

_________________
Пока сам себя не пнёшь с места не сдвинешься


Вернуться наверх
 
Не в сети
 Заголовок сообщения: Re: Радиостанция СВ
СообщениеДобавлено: Вт окт 01, 2019 13:55:53 
Собутыльник Кота
Аватар пользователя

Карма: 14
Рейтинг сообщений: 121
Зарегистрирован: Сб май 21, 2016 11:04:52
Сообщений: 2977
Откуда: Беларусь
Рейтинг сообщения: 0
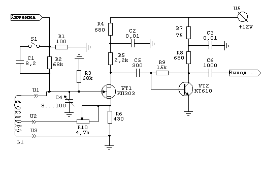
хочу вот этот синезатор спаять.
Изображение
получается, что мне его подключать на вход смесителя вместо гетеродина?

Добавлено after 29 minutes 58 seconds:
и еще где то былоа схема lm7001 в связке с ардуино, но не могу нагуглить... Подскажите если у кого такая схема есть.


Вернуться наверх
 
Не в сети
 Заголовок сообщения: Re: Радиостанция СВ
СообщениеДобавлено: Вт окт 01, 2019 16:23:31 
Прорезались зубы
Аватар пользователя

Карма: 12
Рейтинг сообщений: 70
Зарегистрирован: Ср сен 05, 2018 16:56:07
Сообщений: 200
Откуда: Россия.
Рейтинг сообщения: 0
хочу вот этот синезатор спаять.
В твоем случае удобнее синтезатор делать на основе LM7001, а лучше LC72131 или LC7218, т.е. на основе PLL.
Иначе потом столкнешься с трудностями при построении ЧМ передатчика.


Вернуться наверх
 
Не в сети
 Заголовок сообщения: Re: Радиостанция СВ
СообщениеДобавлено: Вт окт 01, 2019 19:20:58 
Вымогатель припоя
Аватар пользователя

Карма: 12
Рейтинг сообщений: 95
Зарегистрирован: Вс сен 08, 2013 21:36:22
Сообщений: 699
Откуда: 27.200 Мгц
Рейтинг сообщения: 0
Если к mc3362 что здесь выкладывал то к гетеродинному контуру через подстроичный резистор Ком 10-20 , к любой стороне. Контур нужен что бы сигнал был чище без гармоник, подстраиваешь переменник по максимальной чуйке. Естественно контур должен быть настроен на нужную частоту, контур позволяет перестраиваться в пределах 2-4 Мгц , затем идёт работа на гармонике синтезатора. Объясняю: к примеру частота контура 27 Мгц , можно подняться до 29 и опуститься до 25 , дальше идёт переброска на частоту контура, или работа на гармонике 27/3=9 Мгц будет на синтезаторе а частота приёма будет 27 и так же можно будет двигать туда сюда 8,5-9,5

_________________
Пока сам себя не пнёшь с места не сдвинешься


Вернуться наверх
 
Не в сети
 Заголовок сообщения: Re: Радиостанция СВ
СообщениеДобавлено: Ср окт 02, 2019 09:13:04 
Друг Кота

Карма: 49
Рейтинг сообщений: 547
Зарегистрирован: Чт фев 20, 2014 18:57:55
Сообщений: 19492
Рейтинг сообщения: 0
Контур нужен что бы сигнал был чище без гармоник

Все равно гармоник будет достаточно чтобы принимать на них.

или работа на гармонике 27/3=9 Мгц будет на синтезаторе а частота приёма будет 27

При наличии синтезатора не очень понятно зачем так.

Никто особо не парится сейчас гармониками гетеродина, наоборот часто смеситель ключевой ставят или управляют крутыми фронтами диодным, что примерно тоже самое - на гармониках они принимают хорошо. На входе давят просто чтобы нечего было на гармониках принять. Это необязательно касается преобразования вверх, но для него это подходит получше.

_________________
"Вся военная пропаганда, все крики, ложь и ненависть исходят от людей, которые на эту войну не пойдут !" / Джордж Оруэлл /
"Война - это,когда за интересы других,гибнут совершенно безвинные люди." / Уинстон Черчилль /


Вернуться наверх
 
Не в сети
 Заголовок сообщения: Re: Радиостанция СВ
СообщениеДобавлено: Ср окт 02, 2019 12:12:14 
Вымогатель припоя
Аватар пользователя

Карма: 12
Рейтинг сообщений: 95
Зарегистрирован: Вс сен 08, 2013 21:36:22
Сообщений: 699
Откуда: 27.200 Мгц
Рейтинг сообщения: 0
В данном случае я описал частный пример того как ведёт себя приёмник с синтезатором. Без контура мне показалось что чуйка несколько хуже, так как смеситель просто забит гармошками от синтезатора.

_________________
Пока сам себя не пнёшь с места не сдвинешься


Вернуться наверх
 
Не в сети
 Заголовок сообщения: Re: Радиостанция СВ
СообщениеДобавлено: Пт окт 04, 2019 09:33:31 
Друг Кота

Карма: 49
Рейтинг сообщений: 547
Зарегистрирован: Чт фев 20, 2014 18:57:55
Сообщений: 19492
Рейтинг сообщения: 0
Вряд ли от этого, на ключах смесители только лучше работают если прямоугольником управлять. Если смеситель не ключевой - может разные уровни подавали ? в этом случае может быть разница

_________________
"Вся военная пропаганда, все крики, ложь и ненависть исходят от людей, которые на эту войну не пойдут !" / Джордж Оруэлл /
"Война - это,когда за интересы других,гибнут совершенно безвинные люди." / Уинстон Черчилль /


Вернуться наверх
 
Не в сети
 Заголовок сообщения: Re: Радиостанция СВ
СообщениеДобавлено: Пт окт 18, 2019 23:02:32 
Собутыльник Кота
Аватар пользователя

Карма: 14
Рейтинг сообщений: 121
Зарегистрирован: Сб май 21, 2016 11:04:52
Сообщений: 2977
Откуда: Беларусь
Рейтинг сообщения: 0
что то не могу я добиться нормальной работы ЧМ версии радиостанции на 27 мгц.
звук очень тихих, модуляция очень слабая.

на сверхрегенератор практический ничего не слышно..
не понимаю

Добавлено after 1 minute 12 seconds:
кварц на 27 мгц - не гармониковый.
последовательно с ним подстроченик
варикап, подаю НЧ через кондер. Все по классике.

Добавлено after 27 minutes 31 second:
Изображение

даже 2 кварца ставил, как здесь. Схема в точно сти собрана как здесь

Что мне тепреь подавать сигнал от батарейки и по sdr смотреть на сколько частота уплывает?
Может и правда сигнал слабый идет, пробовал и посилнее давать, но как-то не сильно лучше.

Добавлено after 57 minutes 56 seconds:
разобрался .Все ок, Подстроичник был на строен на край диапазона регулировки кварца, кварц был на 27, а настройка была на 27010.Поставил на 27000 частоту и появилась здоровая модуляция. Катушку тоже пришлось подстроить. Надо уточнить какая у нее роль в данном случае. Короче надо мат часть перечитать.


Вернуться наверх
 
Показать сообщения за:  Сортировать по:  Вернуться наверх
Начать новую тему Ответить на тему  [ Сообщений: 2069 ]     ... , , , 89, , , ...  

Часовой пояс: UTC + 3 часа


Кто сейчас на форуме

Сейчас этот форум просматривают: нет зарегистрированных пользователей и гости: 14


Вы не можете начинать темы
Вы не можете отвечать на сообщения
Вы не можете редактировать свои сообщения
Вы не можете удалять свои сообщения
Вы не можете добавлять вложения

Найти:
Перейти:  


Powered by phpBB © 2000, 2002, 2005, 2007 phpBB Group
Русская поддержка phpBB
Extended by Karma MOD © 2007—2012 m157y
Extended by Topic Tags MOD © 2012 m157y