Например TDA7294

Форум РадиоКот • Просмотр темы - Широкополосный приемник на ТВ тюнере
Форум РадиоКот
Здесь можно немножко помяукать :)

Текущее время: Ср мар 04, 2026 20:40:00

Часовой пояс: UTC + 3 часа


ПРЯМО СЕЙЧАС:



Начать новую тему Ответить на тему  [ Сообщений: 155 ]     ... , , , , 8
Автор Сообщение
 Заголовок сообщения: ПЧ селектора каналов СК-В-1. Че то запуталсо я.
СообщениеДобавлено: Чт май 10, 2018 14:02:41 
Встал на лапы

Карма: 2
Рейтинг сообщений: 4
Зарегистрирован: Пн дек 08, 2014 19:45:24
Сообщений: 117
Откуда: Воронеж
Рейтинг сообщения: 0
Прикидываю, типа собрать чего нибудь радиоприемное на основе готового селектора каналов СК-В-1, без вмешательств в его схему, подключив штатным путем. Но вот пытался я с ним разобраться, и чего-то запутался с ним. Вопрос по промежуточным частотам. Вроде как одна частота - 38 МГц, но ПЧ звука в телеке 6,5 МГц. У него их что, две ПЧ сразу? Гетеродин у него только один, вернее по одному на МВ и на ДМВ секции. Чего-то не могу понять. И если так, то какую из них пускать в работу - 38 МГц, или 6,5?



Сюда перенес.
Есть еще несколько подобных тем по данному вопросу.
https://www.google.ru/search?q=%D0%BF%D ... J3cAU0do_g
aen


Вернуться наверх
 
 Заголовок сообщения: Re: ПЧ селектора каналов СК-В-1. Че то запуталсо я.
СообщениеДобавлено: Чт май 10, 2018 14:13:59 
Друг Кота
Аватар пользователя

Карма: 116
Рейтинг сообщений: 4530
Зарегистрирован: Пт мар 30, 2012 05:17:29
Сообщений: 16292
Откуда: Екатеринбург
Рейтинг сообщения: 0
Насколько я помню, у СК-В-1 единственный выход ПЧ. Понятно, что там не одна частота, а целая полоса, включающая изображение, звук и цветность. Кажется, несущая изображения - 31.5 МГц, а несущая звука на 6.5 МГц выше, то есть 38 МГц. Если хотите оттуда извлечь звук, к примеру, модулем УПЧЗ-2, настроенным именно на 6.5 МГц, то придётся её усилить (с АРУ) и продетектировать, тогда ПЧ звука станет 6.5 МГц. (Или сам СК-В-1 содержит УПЧИ с АРУ? Не помню. Кажется, нет.) Можно сразу делать тракт ПЧ на 38 МГц. Тогда нужен полосовой фильтр, ширина полосы килогерц 150 (учитывая, что применяется широкополосная ЧМ). Наверно, фильтры бывают готовые. Припоминается, что этот способ - получение звука сразу из 38 МГц - предпочтительнее, меньше посторонних звуков, но это, вероятно, касается только телевизионных сигналов.

_________________
И хрюкотали зелюки,
Как мюмзики в мове.
_________________
На каждый РКН
Найдётся VPN.


Вернуться наверх
 
 Заголовок сообщения: Re: ПЧ селектора каналов СК-В-1. Че то запуталсо я.
СообщениеДобавлено: Чт май 10, 2018 14:54:26 
Друг Кота

Карма: 27
Рейтинг сообщений: 1283
Зарегистрирован: Ср фев 11, 2009 20:35:58
Сообщений: 7853
Рейтинг сообщения: 0
Не понимаю. Зачем кормить инфой пЕЗДЕЛЬНИКОВ.


Вернуться наверх
 
 Заголовок сообщения: Re: ПЧ селектора каналов СК-В-1. Че то запуталсо я.
СообщениеДобавлено: Чт май 10, 2018 14:59:15 
Друг Кота

Карма: 68
Рейтинг сообщений: 1409
Зарегистрирован: Сб янв 29, 2011 00:28:48
Сообщений: 7774
Рейтинг сообщения: 0
ПЧ можно выбрать любую от 32(33) до 37 МГц (типа середину между видео 38 и звуком 31,5 МГц).


Вернуться наверх
 
Эиком - электронные компоненты и радиодетали
 Заголовок сообщения: Re: ПЧ селектора каналов СК-В-1. Че то запуталсо я.
СообщениеДобавлено: Чт май 10, 2018 15:13:19 
Друг Кота
Аватар пользователя

Карма: 107
Рейтинг сообщений: 3331
Зарегистрирован: Сб фев 11, 2017 15:59:13
Сообщений: 14952
Откуда: 57 RUS
Рейтинг сообщения: 0
Голимый писал(а):
И если так, то какую из них пускать в работу - 38 МГц, или 6,5?

Все современные телевизионные приемники наземного вещания строятся по одинаковой супергетеродинной схеме с однократным преобразованием несущей частоты изображения и двукратным преобразованием несущей звука, используется принцип получения промежуточной частоты звукового сопровождения как разности частот несущей изображения и несущей звукового сопровождения; которая равна 6,5 МГц.
При приеме телевизионного сигнала на выходе селектора каналов, после преобразования присутствуют сигналы промежуточных частот изображения fпчи = 38 МГц и звука fпчз-| = 31,5 МГц, из которых и формируется сигнал второй промежуточной звука (разностная частота) fпчз-|| = 6,5 МГц.
Принимать радиовещательные сигналы с эфира, имея только одну несущую частоту звука без второго сигнала изображения на телевизионный приемник невозможно, так как он представляет собой супергетеродин с двойным преобразованием частоты звука.
Если вместо fпчи подать в схему сигнал частотой 38 МГц от дополнительного генератора, то получим возможность принимать радиовещательные станции с частотной модуляцией (ЧM-FM). Иначе говоря, для радиоприёма FM вещалок необходимо изготовить внешний гетеродин (генератор синусоидального сигнала 38 МГц с высокой стабильностью частоты) и подать сигнал с него на вход УПЧИ.
Вобщем прочти:
http://radiohata.ru/transfer/332-stacio ... zorov.html

_________________
НАРОДОВЛАСТИЕ а не кланово-олигархическая дерьмократия!!!
Цифровому рабству, навязываемому цифровым олигархатом - НЕТ!


Вернуться наверх
 
 Заголовок сообщения: Re: ПЧ селектора каналов СК-В-1. Че то запуталсо я.
СообщениеДобавлено: Чт май 10, 2018 15:58:38 
Мудрый кот
Аватар пользователя

Карма: 19
Рейтинг сообщений: 166
Зарегистрирован: Сб окт 10, 2009 17:16:58
Сообщений: 1732
Откуда: Россия.
Рейтинг сообщения: 0
для радиоприёма FM вещалок необходимо изготовить внешний гетеродин (генератор синусоидального сигнала 38 МГц с высокой стабильностью частоты) и подать сигнал с него на вход УПЧИ.
Можно и c одним преобразованием.
Вот так например.
Можно ничего не подмешивать, а сделать по уже испытанным схемам.
Обе схемы подключаются непосредственно на выход любого ТВ тюнера.
aen писал(а):
Я в давние времена делал вообще на советском СКМ-24 и таким УПЧ и все работало.

ж. Радио 2 1985 г

Изображение

В более новом ж. Радио была еще подобная схема на микросхемах 174ПС1
http://www.qrz.ru/schemes/contribute/uh ... ampl.shtml

Изображение

Сейчас конечно такие уже не имеет смысла делать.
Первую схему сам лично делал в самодельном телевизоре предназначенном для дальнего приема годов 30 назад.
Для увеличения чувствительности в нем полоса пропускания УПЧИ была заужена до 2 МГц, поэтому телевизор пришлось делать по двухканальной схеме.
Кроме того, что телевизор принимал также и радио, понравилось еще то, что в нем было удобно сделать АПЧ.

Если бы делал подобное сейчас, то выбрал бы нижнюю схему.
Можно конечно схемы не копировать, а взять только идею, а сделать её на более современной элементной базе.

В данном случае частоту ПЧ можно выбрать в пределах 32 - 37 МГц.
Я брал 35 МГц.
Можно также на выход селектора просто поставить ЧМ приемник настроенный на любую частоту из полосы 32 - 37 МГц.

Для приема АМ на выход селектора можно поставить АМ приемник настроенный на частоту пусть 35 МГц и получится широкополосный приемник уже с АМ.

В простейшем случае приемник после селектора можно поставить даже самый примитивный на TDA7021(К174ХА34) или TDA7000(К174ХА42) и настроить его например на 35 МГц
Ну или делать с двойным преобразованием. В данной теме про это все уже написано.

В общем пусть ТС тему читает. Все уже написано и "разжевано"

Вот еще одна тема.
https://radiokot.ru:443/forum/viewtopic ... 28&t=55217


Вернуться наверх
 
 Заголовок сообщения: Re: Широкополосный приемник на ТВ тюнере
СообщениеДобавлено: Чт май 10, 2018 19:53:11 
Грызет канифоль
Аватар пользователя

Карма: 3
Рейтинг сообщений: 24
Зарегистрирован: Вт мар 15, 2016 23:30:43
Сообщений: 292
Откуда: Краснодарский край
Рейтинг сообщения: 0
Давно же придумали

Изображение


Вернуться наверх
 
 Заголовок сообщения: Радиоприёмник из экранированного тюнера телевизора
СообщениеДобавлено: Вт янв 07, 2020 02:30:32 
Вымогатель припоя

Карма: 2
Рейтинг сообщений: -13
Зарегистрирован: Чт авг 10, 2017 15:23:24
Сообщений: 690
Рейтинг сообщения: 0
Насколько мне известно с помощью тюнера телевизора можно принимать звуковое сопровождение каналов .
Но аналоговое телевидение вроде отключили.
Можно ли с помощью тюнера телевизора принимать радиостанции или нельзя и он на это не годен ?



Сюда перенес.
aen


Вернуться наверх
 
 Заголовок сообщения: Re: Радиоприёмник из экранированного тюнера телевизора
СообщениеДобавлено: Вт янв 07, 2020 02:41:10 
Вымогатель припоя
Аватар пользователя

Карма: 5
Рейтинг сообщений: 68
Зарегистрирован: Пт май 23, 2008 16:49:28
Сообщений: 634
Откуда: Kyiv
Рейтинг сообщения: 0
Здесь все написано.
http://p-45.narod.ru/
Чтение займет не менее пары недель.
После прочтения можно задать непонятные вопросы.
Если начнешь задавать раньше, то будет понятно, что читать не стал, а значит не нужно тебе ничего по данной теме, кроме пустых рассуждений. :)

Вот еще.
http://p-45.narod.ru/Mini-45.html
А это тема на нашем форуме.
https://www.radiokot.ru/forum/viewtopic ... 28&t=34822
А это в гугле для полного счастья.
https://www.google.ru/search?q=%D0%BF%D ... e&ie=UTF-8


Вернуться наверх
 
 Заголовок сообщения: Re: Радиоприёмник из экранированного тюнера телевизора
СообщениеДобавлено: Вт янв 07, 2020 02:50:06 
Друг Кота
Аватар пользователя

Карма: 107
Рейтинг сообщений: 3331
Зарегистрирован: Сб фев 11, 2017 15:59:13
Сообщений: 14952
Откуда: 57 RUS
Рейтинг сообщения: 0
RedLedStar писал(а):
Можно ли с помощью тюнера телевизора принимать радиостанции

Можно, но для этого ещё нужны блок УПЧИ (субмодуль радиоканала типа СМРК-2), УНЧ, блок питания, и изготовить внешний гетеродин (генератор синусоидального сигнала на 38 МГц с высокой стабильностью частоты) и подать сигнал с него на вход УПЧИ.

https://radiohata.ru/transfer/332-staci ... zorov.html

В своё время из блоков телевизора делал такой приёмник для прослушивания звука эфирных телеканалов и УКВ радиостанций.
Единственно на фото (на данный момент) малость разукомплектовал приёмник, демонтировал блок питания и плату гетеродина для другой конструкции:
Изображение
Изображение

_________________
НАРОДОВЛАСТИЕ а не кланово-олигархическая дерьмократия!!!
Цифровому рабству, навязываемому цифровым олигархатом - НЕТ!


Вернуться наверх
 
 Заголовок сообщения: Re: Радиоприёмник из экранированного тюнера телевизора
СообщениеДобавлено: Вт янв 07, 2020 02:59:25 
Вымогатель припоя
Аватар пользователя

Карма: 5
Рейтинг сообщений: 68
Зарегистрирован: Пт май 23, 2008 16:49:28
Сообщений: 634
Откуда: Kyiv
Рейтинг сообщения: 0
для этого ещё нужны блок УПЧИ (субмодуль радиоканала типа СМРК-2), УНЧ, блок питания, и изготовить внешний гетеродин (генератор синусоидального сигнала на 38 МГц с высокой стабильностью частоты) и подать сигнал с него на вход УПЧИ.
Вот еще так можно.
Вход на СКМ, выход на УНЧ.
Я в давние времена делал вообще на советском СКМ-24 и таким УПЧ и все работало.

ж. Радио 2 1985 г

Изображение

В более новом ж. Радио была еще подобная схема на микросхемах 174ПС1
http://www.qrz.ru/schemes/contribute/uh ... ampl.shtml

Изображение

Сейчас конечно такие уже не имеет смысла делать.


Вернуться наверх
 
 Заголовок сообщения: Re: Радиоприёмник из экранированного тюнера телевизора
СообщениеДобавлено: Вт янв 07, 2020 04:43:07 
Вымогатель припоя

Карма: 2
Рейтинг сообщений: -13
Зарегистрирован: Чт авг 10, 2017 15:23:24
Сообщений: 690
Рейтинг сообщения: 0
Так?
http://radiostorage.net/3635-ukv-radiop ... -usct.html

Добавлено after 45 seconds:
http://meandr.org/archives/30964

Добавлено after 5 minutes 31 second:
Re: Радиоприёмник из деталей телевизора
RedLedStar писал(а):
Можно ли с помощью тюнера телевизора принимать радиостанции


В своё время из блоков телевизора делал такой приёмник для прослушивания звука эфирных телеканалов и УКВ радиостанций.
Единственно на фото (на данный момент) малость разукомплектовал приёмник, демонтировал блок питания и плату гетеродина для другой конструкции:


Блок питания и гетеродин тоже из ЗУСЦТ или самодельные?

Добавлено after 4 minutes 46 seconds:
[uquote="gsmart",url="/forum/viewtopic.php?p=3769510#p3769510"]

Сейчас конечно такие уже не имеет смысла делать.



Контроллеры виноваты?


Вернуться наверх
 
 Заголовок сообщения: Re: Радиоприёмник из экранированного тюнера телевизора
СообщениеДобавлено: Вт янв 07, 2020 13:30:46 
Друг Кота
Аватар пользователя

Карма: 107
Рейтинг сообщений: 3331
Зарегистрирован: Сб фев 11, 2017 15:59:13
Сообщений: 14952
Откуда: 57 RUS
Рейтинг сообщения: 0
RedLedStar писал(а):
Блок питания и гетеродин тоже из ЗУСЦТ или самодельные?

Самодельные.

_________________
НАРОДОВЛАСТИЕ а не кланово-олигархическая дерьмократия!!!
Цифровому рабству, навязываемому цифровым олигархатом - НЕТ!


Вернуться наверх
 
 Заголовок сообщения: Re: Широкополосный приемник на ТВ тюнере
СообщениеДобавлено: Пн фев 23, 2026 10:13:00 
Открыл глаза
Аватар пользователя

Зарегистрирован: Чт мар 18, 2010 22:59:42
Сообщений: 51
Откуда: Тюмень
Рейтинг сообщения: 0
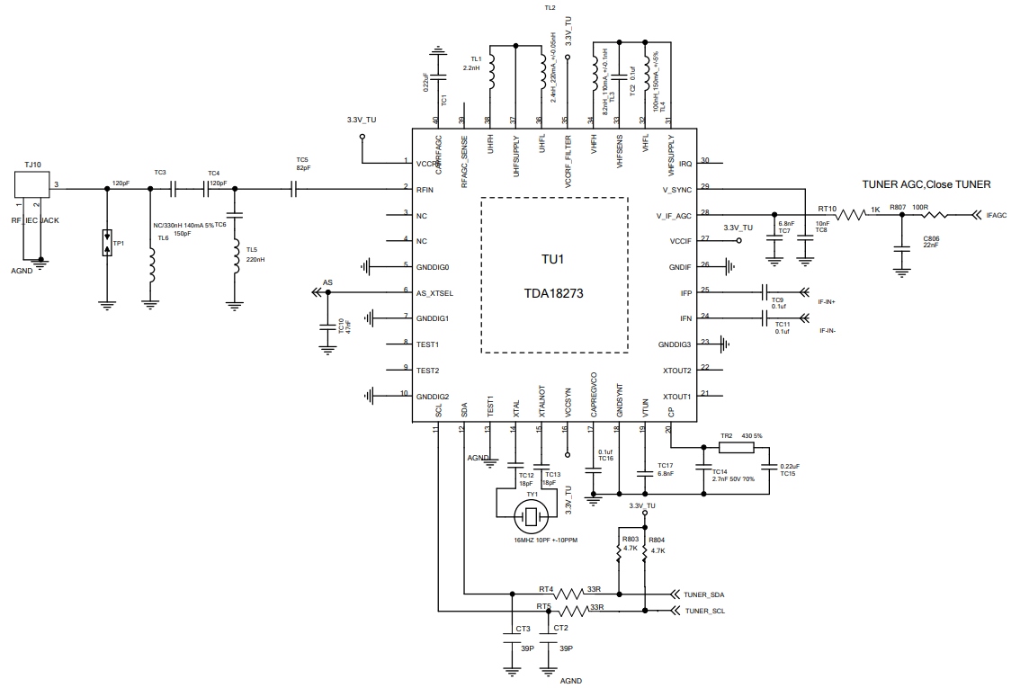
Добрый день. Достался бесплатно тюнер от уже более современного ТВ. Модель тюнера DT2X-11B/C3. В качестве радиотракта применена TDA18273 примерно с тем же перекрытием частот, что и в тюнере Р-45. Но есть различия - высокого напряжения ей не нужно, выходная ПЧ выбирается командами по шине I2C - 1.7, 6, 7, 8 и 10 МГц. Выход так же двумя выводами в противофазе.
Порывшись в исходниках Linux я нашел как ею управлять. В даташите этих данных нет. Есть какой-то расширенный, но он доступен только платно. Вроде ничего сложного запустить его от стм8-32, но как обработать такую низкую ПЧ потом? Какие фильтры применить? Какова дальнейшая схема такого варианта приёмника - мне непонятно.
Для работы есть осциллограф, логический анализатор, NanoVNA (контуры померить). Может ли кто-нибудь подсказать примерную схемотехнику?


Вложения:
Комментарий к файлу: Схема ВЧ части.
1094_1.jpg [150.02 KiB]
Скачиваний: 17
Вернуться наверх
 
 Заголовок сообщения: Re: Широкополосный приемник на ТВ тюнере
СообщениеДобавлено: Вт фев 24, 2026 19:43:04 
Друг Кота
Аватар пользователя

Карма: 50
Рейтинг сообщений: 766
Зарегистрирован: Чт дек 29, 2005 00:18:30
Сообщений: 6608
Откуда: Москва
Рейтинг сообщения: 0
Чисто на первый взгляд видео ПЧ это дифференциальный (симметричный) выход на ножках 24 и 25. Ну а дальше обычный тракт что описан выше...ПЧ. С какой там частотой выход, наверное 38 или около того, стандартный. Симметричный выход скорее всего для работы на фильтр ПАВ на эту частоту. Обычно так все делали современные аналоговые тракты пока ТВ жило..

_________________
Ничто так не укрепляет взаимное доверие, как 100% предоплата! Дмитрий, ex-RK3AOR.


Вернуться наверх
 
Показать сообщения за:  Сортировать по:  Вернуться наверх
Начать новую тему Ответить на тему  [ Сообщений: 155 ]     ... , , , , 8

Часовой пояс: UTC + 3 часа


Вы не можете начинать темы
Вы не можете отвечать на сообщения
Вы не можете редактировать свои сообщения
Вы не можете удалять свои сообщения
Вы не можете добавлять вложения

Найти:
Перейти:  


Powered by phpBB © 2000, 2002, 2005, 2007 phpBB Group
Русская поддержка phpBB
Extended by Karma MOD © 2007—2012 m157y
Extended by Topic Tags MOD © 2012 m157y