Например TDA7294

Форум РадиоКот • Просмотр темы - КВ приемник регенератор.
Форум РадиоКот
Здесь можно немножко помяукать :)

Текущее время: Чт мар 05, 2026 01:15:18

Часовой пояс: UTC + 3 часа


ПРЯМО СЕЙЧАС:



Начать новую тему Ответить на тему  [ Сообщений: 1600 ]     ... , , , 67, , , ...  
Автор Сообщение
 Заголовок сообщения: Re: КВ приемник регенератор.
СообщениеДобавлено: Чт дек 28, 2017 18:36:43 
Друг Кота
Аватар пользователя

Карма: 107
Рейтинг сообщений: 3331
Зарегистрирован: Сб фев 11, 2017 15:59:13
Сообщений: 14952
Откуда: 57 RUS
Рейтинг сообщения: 0
/-/ekit писал(а):
что тут проверять в первую очередь?

При правильной сборки схема сразу начинает работать. Какая антенна? Какие параметры входного контура, на перекрытие каких частот расчитан, вещание в этом участке диапазона есть? Посмотри тему про этот приёмник:
http://sam0delki.ru/viewtopic.php?f=19& ... 5871034771

_________________
НАРОДОВЛАСТИЕ а не кланово-олигархическая дерьмократия!!!
Цифровому рабству, навязываемому цифровым олигархатом - НЕТ!


Вернуться наверх
 
 Заголовок сообщения: Re: КВ приемник регенератор.
СообщениеДобавлено: Чт дек 28, 2017 18:44:34 
Опытный кот
Аватар пользователя

Карма: 19
Рейтинг сообщений: 26
Зарегистрирован: Ср мар 15, 2017 23:40:22
Сообщений: 898
Рейтинг сообщения: 0
Эту тему я смотрел - не помогло. Катушка примерно 20 витков 0,9 с отводами и катушка связи 0,5 6 виков, подвижная.

переменный конденсатор из фм блока приёмника SONY TFM-8600W примерно 90 пф 4 секции вместе.

Таоке впячатление что работает. Гула нет. Только шум, но тихий. Он не однообразный. Высокочастотный свист на заднем плане и небольшое рипение. Слышу реакцию в динамике когда включаю или выключаю паяльник.

_________________
Андрей осторожно взял у нее коробочку и с удивлением
убедился, что это радиоприемник.
- Вот это да! - пробормотал он - Неужели детекторный?
(братья Стругацкие, Град обреченный)


Вернуться наверх
 
 Заголовок сообщения: Re: КВ приемник регенератор.
СообщениеДобавлено: Чт дек 28, 2017 21:41:21 
Вымогатель припоя
Аватар пользователя

Карма: 12
Рейтинг сообщений: 95
Зарегистрирован: Вс сен 08, 2013 21:36:22
Сообщений: 699
Откуда: 27.200 Мгц
Рейтинг сообщения: 0
Вот такой приёмничек был как то мной собран и неплохо работал
Изображение
Вместо рамки контур ставил и через отвод , треть от холодного конца , вешал на затвор, но можно и без отвода, входное сопротивление транзистора велико и на добротность контура сильно не влияет :tea:
Вместо буржуйского полевика ставил наш кп303, кп307, затем фильтр нч и усилитель на к140уд26 Б. Звучит очень громко :music:
И кстати да, про совковую элементныю базу :write:
к140уд26 Б (просто у меня их много и я их в основном использую) тому пример :)))
Работает уже при 6 однополярных вольтах , а на 12 вообще без проблем и искажений , шумит мало ,усиление агромное и современные низкооомные наушники тянет так что оглохнуть можно :))) Я активную акустику без пред усилка вешаю на неё, а она уменя не очень чувствительная , громкость очень хорошая, практически как с компа :))


Вложения:
first_sw_receiver_2.gif [10.4 KiB]
Скачиваний: 594

_________________
Пока сам себя не пнёшь с места не сдвинешься
Вернуться наверх
 
 Заголовок сообщения: Re: КВ приемник регенератор.
СообщениеДобавлено: Чт дек 28, 2017 21:46:07 
Друг Кота
Аватар пользователя

Карма: 57
Рейтинг сообщений: 371
Зарегистрирован: Ср май 04, 2016 23:18:38
Сообщений: 6026
Рейтинг сообщения: 0
В приёмнике в первую очередь надо проверять УНЧ.
Попробуйте собрать оригинальную схему, под наушники.
Радиочастота регенерируется, слабо подавляется RС-цепочкой, а УНЧ на схеме замечательно усиливает радиочастоту. Возможно, из-за этого возбуд.

_________________
Ваше открытие опровергает науку? Нет, это наука опровергает ваш бред.
Истина никогда не бывает посередине. Ведь середина на стороне того, кто больше лжёт.
Не стыдно писать в МЯЯЯУ! - стыдно вести себя не как порядочный Радио Кот. :)


Вернуться наверх
 
Эиком - электронные компоненты и радиодетали
 Заголовок сообщения: Re: КВ приемник регенератор.
СообщениеДобавлено: Пт дек 29, 2017 00:51:43 
Опытный кот
Аватар пользователя

Карма: 19
Рейтинг сообщений: 26
Зарегистрирован: Ср мар 15, 2017 23:40:22
Сообщений: 898
Рейтинг сообщения: 0
уже собрал на макетной плате под два капсюля ТОН-2. Эффект тот же. Нмчего не могу поймать. на некоторых участках пер. резистора тишина или лёгкое шипение. Антенна 1,5 м монтажного провода. Собрано на половину навесом. Ошибки быть не может. Как поймать хоть что-то?

_________________
Андрей осторожно взял у нее коробочку и с удивлением
убедился, что это радиоприемник.
- Вот это да! - пробормотал он - Неужели детекторный?
(братья Стругацкие, Град обреченный)


Вернуться наверх
 
 Заголовок сообщения: Re: КВ приемник регенератор.
СообщениеДобавлено: Пт дек 29, 2017 01:16:31 
Друг Кота
Аватар пользователя

Карма: 107
Рейтинг сообщений: 3331
Зарегистрирован: Сб фев 11, 2017 15:59:13
Сообщений: 14952
Откуда: 57 RUS
Рейтинг сообщения: 0
/-/ekit писал(а):
Как поймать хоть что-то?

Приём на данном участке КВ диапазона у вас там вообще есть, проверь заводским приёмником что ловится?
Попробуй подключи антенну непосредственно к контурной катушки через конденсатор малой ёмкости, минуя катушку связи.
Изображение

/-/ekit писал(а):
Катушка примерно 20 витков 0,9 с отводами и катушка связи 0,5 6 виков, подвижная.

Диаметр катушки какой, что-бы посчитать индуктивность и примерно перекрываемый диапазон?
Подключи средневолновую катушку, судя по вашим темам, у вас там средневолновый приём есть, если приём на средних волнах заработает, разбирайся уже с КВ, может с такими параметрами контура на незадействованный участок диапазона попал.
/-/ekit писал(а):
Антенна 1,5 м монтажного провода.

С такой антенной дальние станции особо не примешь.

_________________
НАРОДОВЛАСТИЕ а не кланово-олигархическая дерьмократия!!!
Цифровому рабству, навязываемому цифровым олигархатом - НЕТ!


Вернуться наверх
 
 Заголовок сообщения: Re: КВ приемник регенератор.
СообщениеДобавлено: Пт дек 29, 2017 01:24:12 
Опытный кот
Аватар пользователя

Карма: 19
Рейтинг сообщений: 26
Зарегистрирован: Ср мар 15, 2017 23:40:22
Сообщений: 898
Рейтинг сообщения: 0
диаметр 22мм

А какая антенна нужна?

_________________
Андрей осторожно взял у нее коробочку и с удивлением
убедился, что это радиоприемник.
- Вот это да! - пробормотал он - Неужели детекторный?
(братья Стругацкие, Град обреченный)


Вернуться наверх
 
 Заголовок сообщения: Re: КВ приемник регенератор.
СообщениеДобавлено: Пт дек 29, 2017 02:01:08 
Друг Кота
Аватар пользователя

Карма: 107
Рейтинг сообщений: 3331
Зарегистрирован: Сб фев 11, 2017 15:59:13
Сообщений: 14952
Откуда: 57 RUS
Рейтинг сообщения: 0
/-/ekit писал(а):
А какая антенна нужна?

Для приёма дальних КВ станций антенна должна быть либо равной длинне волны - полнаразмерная, либо 1/2 длинны волны, или 1/4 длинны волны. Допустим для диапазона 25 метров полноразмерная антенна будет 25 метров, 1/2 - 12,5 метров и 1/4 - 6,25 метра.
Ты ради экспермента подцепи средневолновую катушку.

_________________
НАРОДОВЛАСТИЕ а не кланово-олигархическая дерьмократия!!!
Цифровому рабству, навязываемому цифровым олигархатом - НЕТ!


Вернуться наверх
 
 Заголовок сообщения: Re: КВ приемник регенератор.
СообщениеДобавлено: Пт дек 29, 2017 03:10:38 
Опытный кот
Аватар пользователя

Карма: 2
Рейтинг сообщений: 68
Зарегистрирован: Пн июн 27, 2016 12:13:46
Сообщений: 804
Рейтинг сообщения: 0
Антенну надо хотя бы 10...15м, ну и не в погребе а повыше
Хоть какое ни будь заземление или противовес

Номинал резистора может сильно плавать
В зависимости от конкретных условий сборки

Канифоль с печатки всю смыли? Коротит замздрасти
Проводимости по 10...20 кОм обеспечены

Добавлено after 12 minutes 51 second:
Вот пример приличных катушек


Вложения:
BB082B51-D0CC-4349-A39B-41D98945321F.jpeg [79.87 KiB]
Скачиваний: 664
Вернуться наверх
 
 Заголовок сообщения: Re: КВ приемник регенератор.
СообщениеДобавлено: Пт дек 29, 2017 04:23:11 
Опытный кот
Аватар пользователя

Карма: 19
Рейтинг сообщений: 26
Зарегистрирован: Ср мар 15, 2017 23:40:22
Сообщений: 898
Рейтинг сообщения: 0
сделал всё что вы советовали. Решил проверить через шарманку, потому что поймать ничего не получилось. Еле слышно в высокоомных телефонах. Я ещё заземление попробую приделать

_________________
Андрей осторожно взял у нее коробочку и с удивлением
убедился, что это радиоприемник.
- Вот это да! - пробормотал он - Неужели детекторный?
(братья Стругацкие, Град обреченный)


Вернуться наверх
 
 Заголовок сообщения: Re: КВ приемник регенератор.
СообщениеДобавлено: Пт дек 29, 2017 04:59:51 
Опытный кот
Аватар пользователя

Карма: 2
Рейтинг сообщений: 68
Зарегистрирован: Пн июн 27, 2016 12:13:46
Сообщений: 804
Рейтинг сообщения: 0
катушку тоже сделали? это очень важно

рекоммендую тестировать отдельно справа и Слева от С3

ну и правильность монтажа исправность деталей итд итп

при таких проводах хотя бы местное УКВ должно петь

пс. вообще рекомендуют налаживать с конца схемы

как по мне - интереснее сначала запустить радио, а УНЧ уже прикрутить можно любой, хоть фабричный если лень или некогда

у вас там такой УНЧ что гудеть должно прилично просто от касания схемы пальцем - например после С3

осциллограф есть?


Вернуться наверх
 
 Заголовок сообщения: Re: КВ приемник регенератор.
СообщениеДобавлено: Пт дек 29, 2017 05:06:00 
Опытный кот
Аватар пользователя

Карма: 19
Рейтинг сообщений: 26
Зарегистрирован: Ср мар 15, 2017 23:40:22
Сообщений: 898
Рейтинг сообщения: 0
Я пока с СВ катушкой пробую. КПЕ 90пф. Катушка -60 или 70 витков (точно я не помню) на каркасе диаметром 8см. Антенна 20м провода скрученого в длинную катушку и подвешенного под потолком первого этажа. Заземления нет (пока)


Осциллограф есть.

_________________
Андрей осторожно взял у нее коробочку и с удивлением
убедился, что это радиоприемник.
- Вот это да! - пробормотал он - Неужели детекторный?
(братья Стругацкие, Град обреченный)


Вернуться наверх
 
 Заголовок сообщения: Re: КВ приемник регенератор.
СообщениеДобавлено: Пт дек 29, 2017 05:12:37 
Опытный кот
Аватар пользователя

Карма: 2
Рейтинг сообщений: 68
Зарегистрирован: Пн июн 27, 2016 12:13:46
Сообщений: 804
Рейтинг сообщения: 0
слева от С3 - радиочастотная часть
справа от С3 - УНЧ

соответственно если ткнуть пальцем или голой проволокой в базу VT3 получится простой тест УНЧ - должно гудеть
ну и дальше по базам транзисторов пройти))) олдскульно но действено

осциллограф на какие частоты?

колебательный контур посчитали?


Последний раз редактировалось Stierlitz Пт дек 29, 2017 05:15:15, всего редактировалось 1 раз.

Вернуться наверх
 
 Заголовок сообщения: Re: КВ приемник регенератор.
СообщениеДобавлено: Пт дек 29, 2017 05:13:46 
Опытный кот
Аватар пользователя

Карма: 19
Рейтинг сообщений: 26
Зарегистрирован: Ср мар 15, 2017 23:40:22
Сообщений: 898
Рейтинг сообщения: 0
А осциллограф за чем?

_________________
Андрей осторожно взял у нее коробочку и с удивлением
убедился, что это радиоприемник.
- Вот это да! - пробормотал он - Неужели детекторный?
(братья Стругацкие, Град обреченный)


Вернуться наверх
 
 Заголовок сообщения: Re: КВ приемник регенератор.
СообщениеДобавлено: Пт дек 29, 2017 05:16:37 
Опытный кот
Аватар пользователя

Карма: 2
Рейтинг сообщений: 68
Зарегистрирован: Пн июн 27, 2016 12:13:46
Сообщений: 804
Рейтинг сообщения: 0
Цитата:
А осциллограф за чем?


ну землю на землю и щупом проверяете - до куда сигнал идет)) а до куда не идет


Вернуться наверх
 
 Заголовок сообщения: Re: КВ приемник регенератор.
СообщениеДобавлено: Пт дек 29, 2017 06:25:23 
Друг Кота
Аватар пользователя

Карма: 107
Рейтинг сообщений: 3331
Зарегистрирован: Сб фев 11, 2017 15:59:13
Сообщений: 14952
Откуда: 57 RUS
Рейтинг сообщения: 0
/-/ekit писал(а):
Еле слышно в высокоомных телефонах.

Регенерация у вас хоть происходит? То есть плавно вращая ручку регенерации должен появится шум эфира, далее вращая ручку настройки ловите станцию, и очень плавно вращая ручку регенерации добиваетесь максимальной громкости станции до появления искажений и свиста.
По монтажу - катушку с кпе соединять как можно более короткими проводами и регенеративный каскад тоже. Непосредственно на регулятор регенерации на его крайние выводы повесь керамический конденсатор примерно 0,47 - 0,047 пкф. Посмотрел, у тебя батарейка на 4,5 вольта, попробуй подними питание до 6-7 вольт.

_________________
НАРОДОВЛАСТИЕ а не кланово-олигархическая дерьмократия!!!
Цифровому рабству, навязываемому цифровым олигархатом - НЕТ!


Вернуться наверх
 
 Заголовок сообщения: Re: КВ приемник регенератор.
СообщениеДобавлено: Пт дек 29, 2017 06:32:57 
Опытный кот
Аватар пользователя

Карма: 2
Рейтинг сообщений: 68
Зарегистрирован: Пн июн 27, 2016 12:13:46
Сообщений: 804
Рейтинг сообщения: 0
Цитата:
Это мне знакомые с Украины привезли 4 шт.


2 последовательно


Вернуться наверх
 
 Заголовок сообщения: Re: КВ приемник регенератор.
СообщениеДобавлено: Пт дек 29, 2017 06:45:16 
Друг Кота
Аватар пользователя

Карма: 64
Рейтинг сообщений: 1102
Зарегистрирован: Ср ноя 17, 2010 23:10:55
Сообщений: 5837
Откуда: Ижевск LO66NU
Рейтинг сообщения: 0
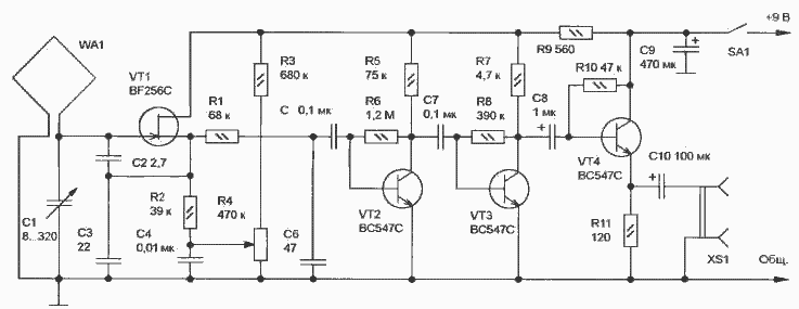
Для начала поглядеть напряжение на эмиттерах VT6, VT7 и на коллекторе VT4, при питании 4.5В должно быть в пределах 2...2.6В.
Изображение
При невысоком питании VD2 лучше вообще закоротить.

_________________
В начале жизнь мучает вопросами, в конце - ответами...


Вернуться наверх
 
 Заголовок сообщения: Re: КВ приемник регенератор.
СообщениеДобавлено: Пт дек 29, 2017 11:15:26 
Мудрый кот
Аватар пользователя

Карма: 19
Рейтинг сообщений: 166
Зарегистрирован: Сб окт 10, 2009 17:16:58
Сообщений: 1732
Откуда: Россия.
Рейтинг сообщения: 0
собрал этот приёмник пока как эксперементальный вариант. Не работает.
В первую очередь сделайте монтаж в соответствии с правилами ВЧ монтажа. Уберите все длинные провода. Движок R1 "вниз" и удостовертесь, что есть генерация. VT1 и VT2 это же мультвибратор на транзисторах в барьерном режиме. Обычно, если нет ошибок в монтаже, начинает работать сразу. Иногда, при отсутствии генерации нужно уменьшить R1, но это бывает обычно на частотах на десятках мегагерц.
И еще одна схема генератора на основе мультивибратора в которой транзисторы работают в барьерном режиме. Подробнее про него можно почитать в теме на форуме.
viewtopic.php?f=28&t=87049
Выглядит так.

Изображение

Если необходимо, что бы один конец катушки был на общем проводе, то схему можно сделать на транзисторах структуры p-n-p

Изображение

Достоинство этого генератора в том, что работает при широком соотношении L и С. Недостаток в малом выходном напряжении и малой нагрузочной способности.
Вот здесь подробнее про такой генератор.
viewtopic.php?f=28&t=87049
R2 лучше уменьшить до 2 кОм.


Вернуться наверх
 
 Заголовок сообщения: Re: КВ приемник регенератор.
СообщениеДобавлено: Пт дек 29, 2017 18:50:33 
Опытный кот
Аватар пользователя

Карма: 19
Рейтинг сообщений: 26
Зарегистрирован: Ср мар 15, 2017 23:40:22
Сообщений: 898
Рейтинг сообщения: 0
Собрал второй приёмник на макетной плате без оконечного УНЧ. Колроче под наушники. (оригинальную схему) Трансформатор жалко, по этому поставил гнездо для высокоомных ушей. Всё промерял, всё проверил - всё вроде правильно но работает не очень. Я в место переменного резистора 10к поставил 50к. по моему стало даже лучше. Оно вроде бы работает, но избирательность плохая, а про то что я ничего не могу поймать, я вообще молчу. При перестойке КПЕ никакого эффекта. КПЕ исправен. Что там ещё может быть не так?

Добавлено after 3 minutes 31 second:
А для компактности катушку на ферритовый стержень намотать можно?

https://drive.google.com/open?id=11jgHw ... NPbq8NDpjg
https://drive.google.com/open?id=1l8WyS ... GZ-XFz8uRQ

это то, что я ловлю на ППУ

https://drive.google.com/open?id=1hnfT4 ... C8uJqROrFQ
https://drive.google.com/open?id=1AKI9B ... Y6QAD7wOh3

это что я могу поймать на регенератор

https://drive.google.com/open?id=15xPC6 ... Ur-E1fKFOy
https://drive.google.com/open?id=1l2dhr ... Vh1_s-UVtR

это шарманка и как на неё реагирует регенератор

_________________
Андрей осторожно взял у нее коробочку и с удивлением
убедился, что это радиоприемник.
- Вот это да! - пробормотал он - Неужели детекторный?
(братья Стругацкие, Град обреченный)


Вернуться наверх
 
Показать сообщения за:  Сортировать по:  Вернуться наверх
Начать новую тему Ответить на тему  [ Сообщений: 1600 ]     ... , , , 67, , , ...  

Часовой пояс: UTC + 3 часа


Вы не можете начинать темы
Вы не можете отвечать на сообщения
Вы не можете редактировать свои сообщения
Вы не можете удалять свои сообщения
Вы не можете добавлять вложения

Найти:
Перейти:  


Powered by phpBB © 2000, 2002, 2005, 2007 phpBB Group
Русская поддержка phpBB
Extended by Karma MOD © 2007—2012 m157y
Extended by Topic Tags MOD © 2012 m157y