Например TDA7294

Форум РадиоКот • Просмотр темы - Вместо переменного конденсатора настройки включить варикап
Форум РадиоКот
Здесь можно немножко помяукать :)

Текущее время: Ср мар 04, 2026 08:03:43

Часовой пояс: UTC + 3 часа


ПРЯМО СЕЙЧАС:



Начать новую тему Ответить на тему  [ Сообщений: 214 ]     ... , , , 6, , , ...  
Автор Сообщение
 Заголовок сообщения: Re: Переменный конденсатор из варикапа
СообщениеДобавлено: Вт мар 04, 2014 10:23:28 
Модератор
Аватар пользователя

Карма: 162
Рейтинг сообщений: 2449
Зарегистрирован: Пн июл 07, 2008 10:46:09
Сообщений: 10739
Откуда: Россия
Рейтинг сообщения: 0
Подаёте на варикап напряжение (изменяемое) через большое сопротивление (порядка мегаома), вот и сам варикап стал переменным конденсатором. Отличие только в том, что он привязан к питанию - на нём напряжение. Чтобы на схему, к которой подключается варикап-конденсатор, не попадало это напряжение, его подключают через конденсаторы, которые имеют величину на порядки больше, чем у варикапа.

_________________
Если хотите, чтобы жизнь улыбалась вам, подарите ей своё хорошее настроение


Вернуться наверх
 
 Заголовок сообщения: Re: Переменный конденсатор из варикапа
СообщениеДобавлено: Вт мар 04, 2014 10:33:39 
Первый раз сказал Мяу!

Зарегистрирован: Пт окт 18, 2013 07:27:36
Сообщений: 36
Рейтинг сообщения: 0
Изображение
Поправьте меня пожалуйста


Вернуться наверх
 
 Заголовок сообщения: Re: Переменный конденсатор из варикапа
СообщениеДобавлено: Вт мар 04, 2014 10:42:51 
Модератор
Аватар пользователя

Карма: 162
Рейтинг сообщений: 2449
Зарегистрирован: Пн июл 07, 2008 10:46:09
Сообщений: 10739
Откуда: Россия
Рейтинг сообщения: 0
Неправильно, конденсатор там не нужен.
Кроме того, раз через варикап ток не течёт, то резистором, включенным реостатом, регулировки не получится.

_________________
Если хотите, чтобы жизнь улыбалась вам, подарите ей своё хорошее настроение


Вернуться наверх
 
 Заголовок сообщения: Re: Переменный конденсатор из варикапа
СообщениеДобавлено: Вт мар 04, 2014 10:44:37 
Друг Кота
Аватар пользователя

Карма: 182
Рейтинг сообщений: 8343
Зарегистрирован: Пт фев 04, 2011 17:57:51
Сообщений: 20120
Откуда: Рыбинск
Рейтинг сообщения: 0
Медали: 1
Лучший человек Форума 2017 (1)
Неправильно, вот так правильно
СпойлерИзображение


Вернуться наверх
 
Эиком - электронные компоненты и радиодетали
 Заголовок сообщения: Re: Переменный конденсатор из варикапа
СообщениеДобавлено: Вт мар 04, 2014 10:46:54 
Первый раз сказал Мяу!

Зарегистрирован: Пт окт 18, 2013 07:27:36
Сообщений: 36
Рейтинг сообщения: 0
а к чему конденсатор дальше подключается?


Вернуться наверх
 
 Заголовок сообщения: Re: Переменный конденсатор из варикапа
СообщениеДобавлено: Вт мар 04, 2014 10:48:32 
Модератор
Аватар пользователя

Карма: 162
Рейтинг сообщений: 2449
Зарегистрирован: Пн июл 07, 2008 10:46:09
Сообщений: 10739
Откуда: Россия
Рейтинг сообщения: 0
К нужному участку схемы.

_________________
Если хотите, чтобы жизнь улыбалась вам, подарите ей своё хорошее настроение


Вернуться наверх
 
 Заголовок сообщения: Re: Переменный конденсатор из варикапа
СообщениеДобавлено: Вт мар 04, 2014 10:52:30 
Первый раз сказал Мяу!

Зарегистрирован: Пт окт 18, 2013 07:27:36
Сообщений: 36
Рейтинг сообщения: 0
СпойлерИзображение

Спасибо Света, сам бы не догадался!
Вот схема, просто конкретный пример, вместо подстроечного конденсатора использовать варикап с переменным сопротивлением, как это будет выгледеть


Вернуться наверх
 
 Заголовок сообщения: Re: Переменный конденсатор из варикапа
СообщениеДобавлено: Вт мар 04, 2014 11:05:09 
Модератор
Аватар пользователя

Карма: 162
Рейтинг сообщений: 2449
Зарегистрирован: Пн июл 07, 2008 10:46:09
Сообщений: 10739
Откуда: Россия
Рейтинг сообщения: 0
В предложенной выше схеме подключите конденсатор к коллектору транзистора...

_________________
Если хотите, чтобы жизнь улыбалась вам, подарите ей своё хорошее настроение


Вернуться наверх
 
 Заголовок сообщения: Re: Переменный конденсатор из варикапа
СообщениеДобавлено: Вт мар 04, 2014 11:18:03 
Первый раз сказал Мяу!

Зарегистрирован: Пт окт 18, 2013 07:27:36
Сообщений: 36
Рейтинг сообщения: 0
Ясно, что ни чего не ясно))Ладно спасибо буду разбираться


Вернуться наверх
 
 Заголовок сообщения: Re: Переменный конденсатор из варикапа
СообщениеДобавлено: Вт мар 04, 2014 11:34:49 
Модератор
Аватар пользователя

Карма: 162
Рейтинг сообщений: 2449
Зарегистрирован: Пн июл 07, 2008 10:46:09
Сообщений: 10739
Откуда: Россия
Рейтинг сообщения: 0
Да всё просто. :)
Так как по переменному току плюс схемы соединён с минусом (через источник питания, конденсатор фильтра по питанию), варикап оказывается подключен параллельно подстроечному конденсатору.

_________________
Если хотите, чтобы жизнь улыбалась вам, подарите ей своё хорошее настроение


Вернуться наверх
 
 Заголовок сообщения: Re: Переменный конденсатор из варикапа
СообщениеДобавлено: Вт мар 04, 2014 12:00:12 
Друг Кота
Аватар пользователя

Карма: 182
Рейтинг сообщений: 8343
Зарегистрирован: Пт фев 04, 2011 17:57:51
Сообщений: 20120
Откуда: Рыбинск
Рейтинг сообщения: 0
Медали: 1
Лучший человек Форума 2017 (1)
Уж если на то пошло, то можно поменять полярность подключения варикапа и подключить его между плюсом и переменным резистором.


Вернуться наверх
 
 Заголовок сообщения: Как заменить КПЕ на варикапы.
СообщениеДобавлено: Пт авг 01, 2014 11:00:31 
Родился

Зарегистрирован: Пт авг 01, 2014 10:47:16
Сообщений: 12
Рейтинг сообщения: 0
Привет всем. Есть вот такой радиоприемник нужно переделать его с КПЕ на варикапы,чтобы установить потенциометр, которым настраивается частота, удаленно от платы. Приемник построен на микрочхеме cd2003gp. Он умеет принимать am/fm/sw, мне нужно сохранить только fm. Если есть возможность подскажите какие варикапы понадобятся и какой потенциометр, чтоб я сейчас слетал на радиорынок, а то он потом только через неделю работать будет. Спасибо! Изображение
Изображение



Сюда перенес.
aen


Вернуться наверх
 
 Заголовок сообщения: Re: Вместо переменного конденсатора настройки включить варик
СообщениеДобавлено: Вс ноя 27, 2016 11:39:15 
Нашел транзистор. Понюхал.
Аватар пользователя

Карма: 1
Рейтинг сообщений: 18
Зарегистрирован: Чт янв 17, 2013 20:28:05
Сообщений: 164
Рейтинг сообщения: 0
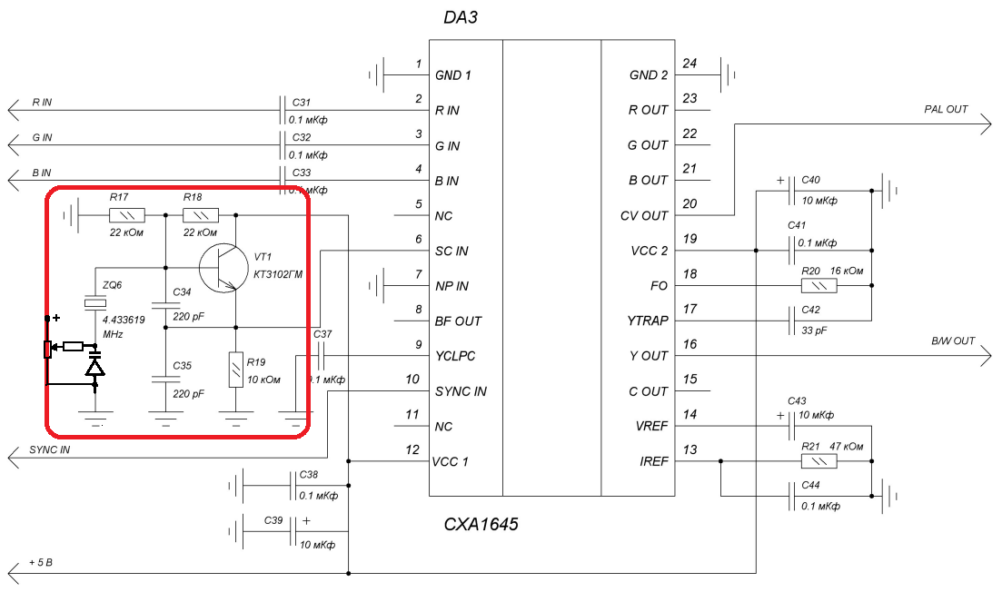
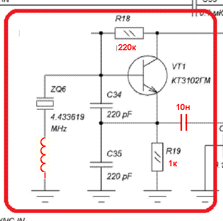
Подскажите пожалуйста, можно ли в выделенной части схемы заменить переменный конденсатор варикапом с переменным резистором. Если можно с примером, спасибо.


Вложения:
Clip.png [116.8 KiB]
Скачиваний: 853
Вернуться наверх
 
 Заголовок сообщения: Re: Вместо переменного конденсатора настройки включить варик
СообщениеДобавлено: Вс ноя 27, 2016 17:50:50 
Мучитель микросхем

Карма: 14
Рейтинг сообщений: 125
Зарегистрирован: Ср янв 26, 2011 13:54:12
Сообщений: 481
Рейтинг сообщения: 0
Как то так.Резисторы 100кОм.
Вложение:
Clip.png [112.86 KiB]
Скачиваний: 635


Вернуться наверх
 
 Заголовок сообщения: Re: Вместо переменного конденсатора настройки включить варик
СообщениеДобавлено: Вс ноя 27, 2016 20:49:16 
Модератор
Аватар пользователя

Карма: 158
Рейтинг сообщений: 1600
Зарегистрирован: Пт апр 28, 2006 15:26:07
Сообщений: 11940
Откуда: Россия.
Рейтинг сообщения: 0
Медали: 2
Мявтор 3-й степени (1) Лучший человек Форума 2017 (1)
Да ему там не варикап нужно ставить и не конденсатор, а катушку, что бы получить нужную ему частоту 4,433619 МГц
Ему уже говорили про это в другой теме, но он не читает то, что ему пишут.
viewtopic.php?p=2928823#p2928823
aen писал(а):
Данную статью почитайте. В ней описаны способы подстройки кварцевого генератора.
http://radiokot.ru/start/analog/practice/08/

Там же в статье ясно написано, что частота получится на сотни герц больше и даже пример приводили, правда с кварцем на 8 МГц, но это ничего не значит.

Изображение

Частоту нужно будет подогнать с помощью индуктивности.

Изображение

Как все это делается, тоже написано в статье.
В принципе можно даже подобрать готовый дроссель. Он будет в пределах 0,5 - 5 мкгн


Вложения:
1.GIF [14.23 KiB]
Скачиваний: 3324
1.PNG [4.17 KiB]
Скачиваний: 3323
Вернуться наверх
 
 Заголовок сообщения: Re: Вместо переменного конденсатора настройки включить варик
СообщениеДобавлено: Сб дек 10, 2016 00:23:12 
Это не хвост, это антенна
Аватар пользователя

Карма: 17
Рейтинг сообщений: 227
Зарегистрирован: Вс май 13, 2012 00:01:54
Сообщений: 1476
Рейтинг сообщения: 0
Варикапы для АМ диапазонов - ВВ112, BB212, BB130. Перекрытие по емкости >15, >23


Вернуться наверх
 
 Заголовок сообщения: Re: Вместо переменного конденсатора настройки включить варик
СообщениеДобавлено: Сб дек 10, 2016 04:28:47 
Говорящий с текстолитом
Аватар пользователя

Карма: 17
Рейтинг сообщений: 181
Зарегистрирован: Пт дек 12, 2008 21:12:14
Сообщений: 1603
Откуда: Moscow
Рейтинг сообщения: 0
Индуктивность последовательно включенная с проходной емкостью кварца
является контуром настроенным на рабочую частоту. Никакой это не дросель.
Изменяя параметры этой индуктивности (сердечником) можно в небольших пределах менять
частоту генератора. Можно так же добавить в последовательную цепь варикап.
Если контур настроить на вторую гармонику кварца то вроде должна стабилизироваться
вторая гармоника но я это не пробовал так как раньше а сейчас тем более есть
доступ к любым резонаторам.

_________________
Еси хочешь чтоб комп был быстрым - ставь Пингвин,- он будет чистым


Вернуться наверх
 
 Заголовок сообщения: Re: Вместо переменного конденсатора настройки включить варик
СообщениеДобавлено: Пт мар 02, 2018 11:17:12 
Собутыльник Кота
Аватар пользователя

Карма: 14
Рейтинг сообщений: 121
Зарегистрирован: Сб май 21, 2016 11:04:52
Сообщений: 2977
Откуда: Беларусь
Рейтинг сообщения: 0
Варикапы для АМ диапазонов - ВВ112, BB212, BB130. Перекрытие по емкости >15, >23


не знают таких варикапов, а как можно варикапную настройку сделать на СВ диапазоне в супергетеродине?


Вернуться наверх
 
 Заголовок сообщения: Re: Вместо переменного конденсатора настройки включить варик
СообщениеДобавлено: Пт мар 02, 2018 13:51:22 
Друг Кота
Аватар пользователя

Карма: 107
Рейтинг сообщений: 3331
Зарегистрирован: Сб фев 11, 2017 15:59:13
Сообщений: 14948
Откуда: 57 RUS
Рейтинг сообщения: 0
olegue писал(а):
а как можно варикапную настройку сделать на СВ диапазоне в супергетеродине?

Изображение

Посмотри данные варикапов по ссылкам:
http://chiplist.ru/varicaps/KV127G/
http://chiplist.ru/varicaps/

_________________
НАРОДОВЛАСТИЕ а не кланово-олигархическая дерьмократия!!!
Цифровому рабству, навязываемому цифровым олигархатом - НЕТ!


Вернуться наверх
 
 Заголовок сообщения: Re: Вместо переменного конденсатора настройки включить варик
СообщениеДобавлено: Пт мар 02, 2018 14:43:11 
Друг Кота
Аватар пользователя

Карма: 35
Рейтинг сообщений: 82
Зарегистрирован: Чт окт 08, 2009 00:43:16
Сообщений: 3284
Рейтинг сообщения: 0
У КПЕ средневолновых радиоприемников перекрытие по емкости обычно в пределах 35-40.


Вернуться наверх
 
Показать сообщения за:  Сортировать по:  Вернуться наверх
Начать новую тему Ответить на тему  [ Сообщений: 214 ]     ... , , , 6, , , ...  

Часовой пояс: UTC + 3 часа


Вы не можете начинать темы
Вы не можете отвечать на сообщения
Вы не можете редактировать свои сообщения
Вы не можете удалять свои сообщения
Вы не можете добавлять вложения

Найти:
Перейти:  


Powered by phpBB © 2000, 2002, 2005, 2007 phpBB Group
Русская поддержка phpBB
Extended by Karma MOD © 2007—2012 m157y
Extended by Topic Tags MOD © 2012 m157y