Например TDA7294

Форум РадиоКот • Просмотр темы - Приемник на К174ХА42 (TDA7000, КС1066ХА1)
Форум РадиоКот
Здесь можно немножко помяукать :)

Текущее время: Пн фев 23, 2026 08:46:14

Часовой пояс: UTC + 3 часа


ПРЯМО СЕЙЧАС:



Начать новую тему Ответить на тему  [ Сообщений: 147 ]     ... , , , , 8
Автор Сообщение
Не в сети
 Заголовок сообщения: Re: Приемник на К174ХА42 (TDA7000, КС1066ХА1)
СообщениеДобавлено: Пт янв 18, 2019 19:15:40 
Модератор
Аватар пользователя

Карма: 158
Рейтинг сообщений: 1600
Зарегистрирован: Пт апр 28, 2006 15:26:07
Сообщений: 11940
Откуда: Россия.
Рейтинг сообщения: 0
Медали: 2
Мявтор 3-й степени (1) Лучший человек Форума 2017 (1)
А у вас есть вариант даташита с применением варикапа ?
Посмотрите как это делается в приемнике на основе TDA7021.
Принцип одинаковый. Только "ноги" делайте в соответствии с даташитом на TDA7000

Изображение

Можно в этой теме посмотреть.
https://radiokot.ru/forum/viewtopic.php?f=28&t=18009


Вложения:
1.gif [12.72 KiB]
Скачиваний: 9155
Вернуться наверх
 
Не в сети
 Заголовок сообщения: Re: Приемник на К174ХА42 (TDA7000, КС1066ХА1)
СообщениеДобавлено: Пт янв 18, 2019 19:21:26 
Встал на лапы

Зарегистрирован: Чт янв 09, 2014 14:17:26
Сообщений: 131
Рейтинг сообщения: 0
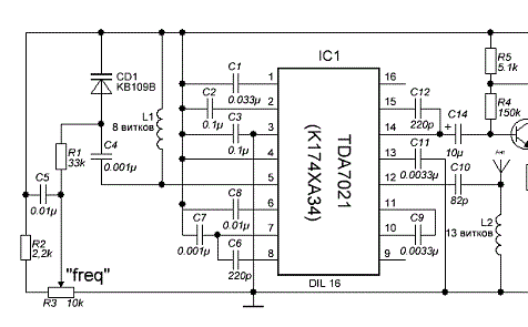
Спасибо, я находил вот такую, на вид - аналогично, с поправкой на выводы.
Изображение
А какую функцию выполняют резистор R2 и конденсатор C11 ?


Вернуться наверх
 
Не в сети
 Заголовок сообщения: Re: Приемник на К174ХА42 (TDA7000, КС1066ХА1)
СообщениеДобавлено: Пт янв 18, 2019 20:01:02 
Друг Кота
Аватар пользователя

Карма: 35
Рейтинг сообщений: 82
Зарегистрирован: Чт окт 08, 2009 00:43:16
Сообщений: 3284
Рейтинг сообщения: 0
R2 и С11 банально отвязывают варикап от настроечного потенциометра по переменному току.


Вернуться наверх
 
Не в сети
 Заголовок сообщения: Re: Приемник на К174ХА42 (TDA7000, КС1066ХА1)
СообщениеДобавлено: Сб янв 19, 2019 13:36:44 
Встал на лапы

Зарегистрирован: Чт янв 09, 2014 14:17:26
Сообщений: 131
Рейтинг сообщения: 0
Хм а мне казалось наоборот чтобы переменка с контура гетеродина не лезла в систему питания, спасибо за идею.


Вернуться наверх
 
Эиком - электронные компоненты и радиодетали
Не в сети
 Заголовок сообщения: Re: Приемник на К174ХА42 (TDA7000, КС1066ХА1)
СообщениеДобавлено: Сб янв 19, 2019 14:29:16 
Друг Кота
Аватар пользователя

Карма: 35
Рейтинг сообщений: 82
Зарегистрирован: Чт окт 08, 2009 00:43:16
Сообщений: 3284
Рейтинг сообщения: 0
Оно так и есть. Если не развязать тогда переменное напряжение с контура попадет на потенциометр, а потенциометр и провода до него войдут своими емкостями и индуктивностями в состав колебательного контура. Паразитными индуктивностями и емкостями. Мало того что расчетной частоты не получить (если гетеродин вообще заведется), еще при приближении руки к потенциометру настройки частота будет уходить далеко в неизвестную сторону.


Вернуться наверх
 
Не в сети
 Заголовок сообщения: Re: Приемник на К174ХА42 (TDA7000, КС1066ХА1)
СообщениеДобавлено: Вс ноя 30, 2025 19:38:29 
Родился

Зарегистрирован: Вс ноя 30, 2025 19:31:32
Сообщений: 1
Рейтинг сообщения: 0
Народ можете пожалуйста скинут схему подключения а то чёт ничего не понял. буду заранее благодарен.


Вернуться наверх
 
Не в сети
 Заголовок сообщения: Re: Приемник на К174ХА42 (TDA7000, КС1066ХА1)
СообщениеДобавлено: Пт дек 12, 2025 11:21:29 
Вымогатель припоя

Зарегистрирован: Вс сен 10, 2006 00:04:03
Сообщений: 546
Рейтинг сообщения: 0
Народ можете пожалуйста скинут схему подключения а то чёт ничего не понял. буду заранее благодарен.

подключения чего?
К174ХА2?
Первый вариант- приемник на любительские диапазоны карлсон
Второй вариант-обычный радиовещательный приемник или даташит.
Можно еще воткнуть внешний гетеродин на SI5351.
Другого нет


Вернуться наверх
 
Показать сообщения за:  Сортировать по:  Вернуться наверх
Начать новую тему Ответить на тему  [ Сообщений: 147 ]     ... , , , , 8

Часовой пояс: UTC + 3 часа


Кто сейчас на форуме

Сейчас этот форум просматривают: нет зарегистрированных пользователей и гости: 30


Вы не можете начинать темы
Вы не можете отвечать на сообщения
Вы не можете редактировать свои сообщения
Вы не можете удалять свои сообщения
Вы не можете добавлять вложения

Найти:
Перейти:  


Powered by phpBB © 2000, 2002, 2005, 2007 phpBB Group
Русская поддержка phpBB
Extended by Karma MOD © 2007—2012 m157y
Extended by Topic Tags MOD © 2012 m157y