Например TDA7294

Форум РадиоКот • Просмотр темы - умный тестер
Форум РадиоКот
Здесь можно немножко помяукать :)

Текущее время: Пт фев 27, 2026 08:14:05

Часовой пояс: UTC + 3 часа


ПРЯМО СЕЙЧАС:



Начать новую тему Ответить на тему  [ Сообщений: 7 ] 
Автор Сообщение
 Заголовок сообщения: Re: умный тестер
СообщениеДобавлено: Пн сен 24, 2012 12:31:10 
Опытный кот
Аватар пользователя

Карма: 1
Рейтинг сообщений: 22
Зарегистрирован: Ср ноя 18, 2009 12:50:31
Сообщений: 781
Откуда: ковров
Рейтинг сообщения: 0
тема создана для вопросов по умному тестеру.

_________________
R5VCH
Хотелки:
СпойлерАналоговый осциллограф С1-112, С1-118, другие
не/рабочие модули от комплекса ОДА-102
всё что касается AVR, arduino, raspberry
всё что касается КВ-УКВ-радиосвязи, mashtastic


Вернуться наверх
 
 Заголовок сообщения: Re: умный тестер
СообщениеДобавлено: Пн сен 24, 2012 20:54:34 
Собутыльник Кота
Аватар пользователя

Карма: 40
Рейтинг сообщений: 372
Зарегистрирован: Вс июл 17, 2011 11:51:52
Сообщений: 2623
Рейтинг сообщения: 0
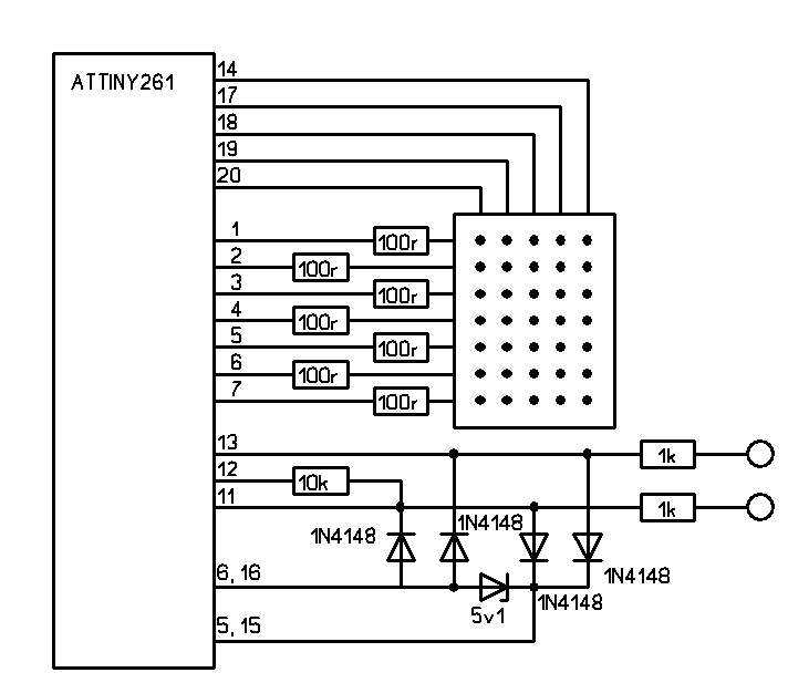
Нельзя ли хотя бы схему выложить в виде картинки или pdf ?
Далеко не все пользуются разным г протеусом и спринт лайоутом


Вернуться наверх
 
 Заголовок сообщения: Re: умный тестер
СообщениеДобавлено: Пн сен 24, 2012 20:56:58 
Опытный кот
Аватар пользователя

Карма: 1
Рейтинг сообщений: 22
Зарегистрирован: Ср ноя 18, 2009 12:50:31
Сообщений: 781
Откуда: ковров
Рейтинг сообщения: 0
на сайте есть схема в картинке. скрин с протеуса. обычная картинка.

_________________
R5VCH
Хотелки:
СпойлерАналоговый осциллограф С1-112, С1-118, другие
не/рабочие модули от комплекса ОДА-102
всё что касается AVR, arduino, raspberry
всё что касается КВ-УКВ-радиосвязи, mashtastic


Вернуться наверх
 
 Заголовок сообщения: Re: умный тестер
СообщениеДобавлено: Пн сен 24, 2012 20:58:53 
Собутыльник Кота
Аватар пользователя

Карма: 40
Рейтинг сообщений: 372
Зарегистрирован: Вс июл 17, 2011 11:51:52
Сообщений: 2623
Рейтинг сообщения: 0
Извините, не обратил внимания - отвлекли расплывчатые фото самого тестера, сделанные, видимо, телефоном


Вернуться наверх
 
Эиком - электронные компоненты и радиодетали
 Заголовок сообщения: Re: умный тестер
СообщениеДобавлено: Пн сен 24, 2012 21:00:45 
Опытный кот
Аватар пользователя

Карма: 1
Рейтинг сообщений: 22
Зарегистрирован: Ср ноя 18, 2009 12:50:31
Сообщений: 781
Откуда: ковров
Рейтинг сообщения: 0
сделаны плохим цифровиком. схема тоже плывет. завтра нарисую нормальную.

_________________
R5VCH
Хотелки:
СпойлерАналоговый осциллограф С1-112, С1-118, другие
не/рабочие модули от комплекса ОДА-102
всё что касается AVR, arduino, raspberry
всё что касается КВ-УКВ-радиосвязи, mashtastic


Вернуться наверх
 
 Заголовок сообщения: Re: умный тестер
СообщениеДобавлено: Пн сен 24, 2012 21:05:25 
Собутыльник Кота
Аватар пользователя

Карма: 40
Рейтинг сообщений: 372
Зарегистрирован: Вс июл 17, 2011 11:51:52
Сообщений: 2623
Рейтинг сообщения: 0
Сама идея рисовать диод на индикаторе довольно оригинальна.

А вот практическая полезность подобного прибора вызывает сомнения. Разве что интересен как учебный проект, тут и динамическая индикация, и простота, и красиво :)


Вернуться наверх
 
 Заголовок сообщения: Re: умный тестер
СообщениеДобавлено: Пн сен 24, 2012 21:10:50 
Опытный кот
Аватар пользователя

Карма: 1
Рейтинг сообщений: 22
Зарегистрирован: Ср ноя 18, 2009 12:50:31
Сообщений: 781
Откуда: ковров
Рейтинг сообщения: 0
изначально я разработал этот прибор с целью быстрой предварительной прозвонки радиодеталей и элементов схем. конечно это все можно и обычным тестером, но тут ничего переключать не надо. подключил диод - нарисовлся диод. подключил напряжение - нарисовалась полярность. и т.д.

в дальнейшем возможно будет задействован АЦП, но пока горит второй мой проект - 3D-RGB-елочка

как и обещал. схема в JPEG
Вложение:
555.JPG [100.36 KiB]
Скачиваний: 320

_________________
R5VCH
Хотелки:
СпойлерАналоговый осциллограф С1-112, С1-118, другие
не/рабочие модули от комплекса ОДА-102
всё что касается AVR, arduino, raspberry
всё что касается КВ-УКВ-радиосвязи, mashtastic


Вернуться наверх
 
Показать сообщения за:  Сортировать по:  Вернуться наверх
Начать новую тему Ответить на тему  [ Сообщений: 7 ] 

Часовой пояс: UTC + 3 часа


Вы не можете начинать темы
Вы не можете отвечать на сообщения
Вы не можете редактировать свои сообщения
Вы не можете удалять свои сообщения
Вы не можете добавлять вложения

Найти:
Перейти:  


Powered by phpBB © 2000, 2002, 2005, 2007 phpBB Group
Русская поддержка phpBB
Extended by Karma MOD © 2007—2012 m157y
Extended by Topic Tags MOD © 2012 m157y