Например TDA7294

Форум РадиоКот • Просмотр темы - Серебряная вода.
Форум РадиоКот
Здесь можно немножко помяукать :)

Текущее время: Пн окт 13, 2025 10:01:02

Часовой пояс: UTC + 3 часа


ПРЯМО СЕЙЧАС:



Начать новую тему Ответить на тему  [ Сообщений: 26 ]  1,  
Автор Сообщение
Не в сети
 Заголовок сообщения: Серебряная вода.
СообщениеДобавлено: Чт дек 11, 2008 23:37:43 
Встал на лапы

Зарегистрирован: Сб ноя 01, 2008 11:50:26
Сообщений: 88
Рейтинг сообщения: 0
Захотел собрать прибор для осеребрения воды. http://radiokot.ru/circuit/digital/home/34/ Возник следующий вопрос : Подойдет ли обычная старая серебреная цепочка в качестве электрода ? Подскажите плизз. :)))


Вернуться наверх
 
Не в сети
 Заголовок сообщения:
СообщениеДобавлено: Пт дек 12, 2008 02:55:55 
Мучитель микросхем
Аватар пользователя

Зарегистрирован: Ср ноя 21, 2007 14:14:37
Сообщений: 438
Откуда: Краснодар
Рейтинг сообщения: 0
Ребята, в этом деле главное не переборщить !!!
Вы можете стать такими-же.
По ссылке почитайте описание случая, прежде чем делать прибор.
Изображение

Еще посмотрите тут и тут.


Вернуться наверх
 
Не в сети
 Заголовок сообщения:
СообщениеДобавлено: Пт дек 12, 2008 12:40:44 
Сверлит текстолит когтями
Аватар пользователя

Карма: 4
Рейтинг сообщений: 3
Зарегистрирован: Чт мар 29, 2007 21:27:06
Сообщений: 1196
Откуда: г. Минск
Рейтинг сообщения: 0
Цитата:
Подойдет ли обычная старая серебреная цепочка в качестве электрода ?

Подойти то она подойдет, но тут важно обеспечить хороший контакт между звеньями цепочки.

_________________
Некоторые люди убеждены, что пробились наверх, хотя на самом деле они просто туда всплыли.


Вернуться наверх
 
Не в сети
 Заголовок сообщения:
СообщениеДобавлено: Пт дек 12, 2008 13:07:27 
Друг Кота
Аватар пользователя

Карма: 50
Рейтинг сообщений: 756
Зарегистрирован: Чт дек 29, 2005 00:18:30
Сообщений: 6548
Откуда: Москва
Рейтинг сообщения: 0
В ювелирное серебро ( в лучшем (!!) случае 925 пробы) добавляют медь для прочности и удобства обработки. Она тоже переходит в раствор, а ионы меди не полезны. Если это турецкое и египетское серебро, то там меди очень много (бодяжат жестоко :( ) и для придания белого цвета сплаву добавляют никель. Он отбеливает. Это ещё более вредно, никелевые соли ядовиты. Поэтому всегда рекомендуют царскую посуду или советские полтинники 25 года. Лучше всего ХЧ серебро, я очищал фиксажное и контакты через хлорид и плавку. Потом просто раскатать молотком. Особого эффекта не заметил, но концентрированный раствор помогает при насмортке и ангине.

_________________
Ничто так не укрепляет взаимное доверие, как 100% предоплата! Дмитрий, ex-RK3AOR.


Вернуться наверх
 
Не в сети
 Заголовок сообщения:
СообщениеДобавлено: Пт дек 12, 2008 13:36:46 
Сверлит текстолит когтями
Аватар пользователя

Карма: 4
Рейтинг сообщений: 3
Зарегистрирован: Чт мар 29, 2007 21:27:06
Сообщений: 1196
Откуда: г. Минск
Рейтинг сообщения: 0
Дмитрий М, да это все понятно, я хим. анализ данной цепочки не проводил, поэтому эта сторона остается на усмотрение автора вопроса. А изложил лишь конструктивную стОрону.

_________________
Некоторые люди убеждены, что пробились наверх, хотя на самом деле они просто туда всплыли.


Вернуться наверх
 
Не в сети
 Заголовок сообщения:
СообщениеДобавлено: Пт дек 12, 2008 16:44:50 
Мявтор!
Аватар пользователя

Карма: 24
Рейтинг сообщений: 0
Зарегистрирован: Чт авг 07, 2008 09:12:38
Сообщений: 878
Откуда: не скажу
Рейтинг сообщения: 0
Медали: 1
Получил миской по аватаре (1)
"Поэтому всегда рекомендуют царскую посуду или советские полтинники 25 года".
Именно такой был куплен в антикварной лавке за 100 руб
и передан ювелиру, который "вытянул" его в проволоку.

_________________
натуральная блондинка


Вернуться наверх
 
Не в сети
 Заголовок сообщения:
СообщениеДобавлено: Пт дек 12, 2008 16:55:45 
Сверлит текстолит когтями
Аватар пользователя

Карма: 4
Рейтинг сообщений: 3
Зарегистрирован: Чт мар 29, 2007 21:27:06
Сообщений: 1196
Откуда: г. Минск
Рейтинг сообщения: 0
Цитата:
Именно такой был куплен в антикварной лавке за 100 руб

100 рублей за серебрянный (9 грамм) полтинник 1925-го года? :shock:

_________________
Некоторые люди убеждены, что пробились наверх, хотя на самом деле они просто туда всплыли.


Вернуться наверх
 
Не в сети
 Заголовок сообщения:
СообщениеДобавлено: Пт дек 12, 2008 17:01:34 
Мявтор!
Аватар пользователя

Карма: 24
Рейтинг сообщений: 0
Зарегистрирован: Чт авг 07, 2008 09:12:38
Сообщений: 878
Откуда: не скажу
Рейтинг сообщения: 0
Медали: 1
Получил миской по аватаре (1)
Я сама удивилась, когда меня ювелир отправил в лавку
за таким "сырьем". Да там вообще полно монет за недорого.
Примерно таких http://coincollection.narod.ru/europe/russia/su/

_________________
натуральная блондинка


Вернуться наверх
 
Не в сети
 Заголовок сообщения:
СообщениеДобавлено: Сб дек 13, 2008 00:04:31 
Друг Кота
Аватар пользователя

Карма: 50
Рейтинг сообщений: 756
Зарегистрирован: Чт дек 29, 2005 00:18:30
Сообщений: 6548
Откуда: Москва
Рейтинг сообщения: 0
А серебро вообще дешёвый материал, относительно конечно. Очень опасно использовать для пищевых целей контакты с пускателей, там входит кадмий, он весьма ядовит. Их надо обязательно очищать через растворение в азотке, осаждение хлорида серебра и последующей плавки под бурой с углём (как восстановитель). Можно и из хлорида восстановить в аммиачном растворе на цинке или алюминии, но последующая плавка под бурой обязательна. Проволку просто получить самодельными вальцами или расковать молоточком на наковальне в пластину. Чистое серебро очень пластично.

_________________
Ничто так не укрепляет взаимное доверие, как 100% предоплата! Дмитрий, ex-RK3AOR.


Вернуться наверх
 
Не в сети
 Заголовок сообщения:
СообщениеДобавлено: Пн дек 22, 2008 06:36:57 
Поставщик валерьянки для Кота

Карма: 2
Рейтинг сообщений: 4
Зарегистрирован: Пн ноя 10, 2008 08:12:53
Сообщений: 2267
Откуда: РФ
Рейтинг сообщения: 0
Ой сколько возни в схеме... Вон в журнале радио за (?) 1997-2004 г есть схема на транзисторах. Простая...Жуть.
Насчет
Цитата:
Ребята, в этом деле главное не переборщить !!!
Вы можете стать такими-же.
По ссылке почитайте описание случая, прежде чем делать прибор.

М-дя надо знать меру. А то на драгоценности растащат! :))


Вернуться наверх
 
Не в сети
 Заголовок сообщения: Серебряная вода
СообщениеДобавлено: Пт дек 04, 2009 22:50:40 
Родился

Зарегистрирован: Пт ноя 20, 2009 22:06:02
Сообщений: 4
Рейтинг сообщения: 0
Собственно снова здрасьте=).
Проблема с моделированием этого устройства в мультисиме.
и в протеусе тоже).
Ума не приложу в чем дело.

http://radiokot.ru/circuit/digital/home/34/

Если есть люди смекающие в мультисиме, помогите разобраться с моделированием. По крайней мере почему оно не пашет?)
Ошибок нет. Просто дисплей не работает и на выходе нету тока и напряжения.
Спасибо)


Вложения:
Комментарий к файлу: вот в мультисиме
Circuit Design Suite 10.1.rar [293.13 KiB]
Скачиваний: 382
Вернуться наверх
 
Не в сети
 Заголовок сообщения: серебритель (статья СЕРЕБРЯНАЯ ВОДА)
СообщениеДобавлено: Вт апр 13, 2010 14:15:20 
Родился

Зарегистрирован: Вт апр 13, 2010 13:59:18
Сообщений: 6
Рейтинг сообщения: 0
Кто собирал серебритель воды Насти скажите какой дозняк и сколько нужно серебрить на каком режиме какая емкость воды http://radiokot.ru/circuit/digital/home/34/


Вернуться наверх
 
Не в сети
 Заголовок сообщения: серебряная вода
СообщениеДобавлено: Пн май 31, 2010 07:38:23 
Поставщик валерьянки для Кота
Аватар пользователя

Карма: 7
Рейтинг сообщений: 5
Зарегистрирован: Пт ноя 06, 2009 07:31:42
Сообщений: 2228
Рейтинг сообщения: 0
http://radiokot.ru/circuit/digital/home/34/Ну вобщем то индикатор всегда светится 8ркой и пищит схема.Что делать.Прошивал знакомый ,сам собрал он тож себе у него работает,а у меня нет оба Мк прошивались при мне одинаково и печатки я обе сам делал и ему и себе.


Вернуться наверх
 
Не в сети
 Заголовок сообщения: Re: серебряная вода
СообщениеДобавлено: Пн май 31, 2010 10:09:49 
Опытный кот
Аватар пользователя

Зарегистрирован: Сб дек 19, 2009 14:51:11
Сообщений: 802
Откуда: Нашенский
Рейтинг сообщения: 0
Поменяйтесь чипами, будет ли твой работать у него. Если да - копай свою схему, если нет - прошейте ещё один МК.

_________________
In der großen Familie nicht kluven klatz-klatz!


Вернуться наверх
 
Не в сети
 Заголовок сообщения: Re: Серебряная вода.
СообщениеДобавлено: Ср июл 28, 2010 10:15:12 
Родился
Аватар пользователя

Зарегистрирован: Сб апр 26, 2008 18:58:21
Сообщений: 15
Рейтинг сообщения: 0
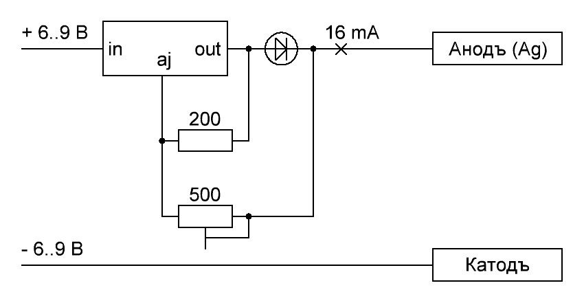
При всем уважении к автору статьи с микроконтроллером только лишние навороты. Переменный ток нужен только в случае использования двух одинаковых электродов для их одинакового растворения в воде. Кто мешает сделать ток стабилизированным постоянным с помощью КРЕНки, включенной по схеме стабилизатора тока, в качестве катода использовать пластинку из нержавейки. Главная постоянная - ток через единицу площади электрода. Производительность - 1 мг при 16 мА/мм2. Нужна концентрация 100 мкГ/л? Пожалуйста - 6 секунд в литровой банке. Можно пропорционально увеличить или уменьшить ток, главное, чтобы он был СТАБИЛИЗИРОВАННЫМ. Тогда и содержание солей и примесей в воде не слишком влияет. А то намутили тут - микроконтроллер, инверторы, индикатор. Народ только отпугиваете от полезной, в общем-то вещицы. У меня уже лет пять такая фиговина работает. Еще бы в виде приставки к компьютеру сделали для солидности и программу написали. Платную.


Вернуться наверх
 
Не в сети
 Заголовок сообщения: Re: Серебряная вода.
СообщениеДобавлено: Ср июл 28, 2010 13:44:35 
Мявтор!
Аватар пользователя

Карма: 24
Рейтинг сообщений: 0
Зарегистрирован: Чт авг 07, 2008 09:12:38
Сообщений: 878
Откуда: не скажу
Рейтинг сообщения: 0
Медали: 1
Получил миской по аватаре (1)
Hoosim писал(а):
Еще бы в виде приставки к компьютеру сделали для солидности и программу написали. Платную.


Это мысль. И здравая.

_________________
натуральная блондинка


Вернуться наверх
 
Не в сети
 Заголовок сообщения: Re: Серебряная вода.
СообщениеДобавлено: Чт июл 29, 2010 07:23:01 
Админ
Аватар пользователя

Карма: 109
Рейтинг сообщений: 458
Зарегистрирован: Вт авг 23, 2005 15:23:25
Сообщений: 10815
Откуда: Москва
Рейтинг сообщения: 0
Медали: 1
Получил миской по аватаре (1)
Hoosim, а чего вы тут выступаете, словно на митинге? Донесите свою точку зрения - напишите свою статью на эту же тему - никто ж не мешает. Всегда хорошо, когда есть из чего выбрать :)

_________________
А вот футболки кому? Кружки, значки!
Мысли Пачкают Мозги


Вернуться наверх
 
Не в сети
 Заголовок сообщения: Re: Серебряная вода.
СообщениеДобавлено: Чт июл 29, 2010 14:23:06 
Родился
Аватар пользователя

Зарегистрирован: Сб апр 26, 2008 18:58:21
Сообщений: 15
Рейтинг сообщения: 0
Уважаемый Max, мне как-то не неудобно писать статью про чужую идею. Могу только дать ссылку (свеженагугленную) на её автора - http://blog.kp.ru/users/2866289/post93863347/ . Кстати, там и рекомендации по примененнию есть.
А моя схема -
Рекомендации:
Для более полного израсходования батареи желательно применить светодиод с минимальным рабочим напряжением (красного цвета - 1,6 В) и линейный стабилизатор с также минимальным dropout.
Расстояние между пластинами электродов - 1,5-2 мм. Конструкция желательно разборная, для периодической чистки серебряного анода (чищу зубной щеткой и пастой), так как быстро темнеет.
Всё, чем могу. Успехов.


Вложения:
Схема.JPG [29.46 KiB]
Скачиваний: 980

_________________
(исполняется душераздирающе-жалостливо или, по обсоятельствам, агрессивно-угрожающе):
У кошки четыре ноги - вход, выход, земля и питание,
но трогать её не моги - получится замыкание...
Вернуться наверх
 
Не в сети
 Заголовок сообщения: Re: Серебряная вода.
СообщениеДобавлено: Чт июл 29, 2010 19:29:53 
Админ
Аватар пользователя

Карма: 109
Рейтинг сообщений: 458
Зарегистрирован: Вт авг 23, 2005 15:23:25
Сообщений: 10815
Откуда: Москва
Рейтинг сообщения: 0
Медали: 1
Получил миской по аватаре (1)
А вы пишете не про идею, а про реализацию идеи - тут есть некая разница. Все идеи уже были кем-то высказаны, но это не значит, что нужно все бросить и уйти в монастырь :)

_________________
А вот футболки кому? Кружки, значки!
Мысли Пачкают Мозги


Вернуться наверх
 
Не в сети
 Заголовок сообщения: Re: Серебряная вода.
СообщениеДобавлено: Чт июл 29, 2010 20:24:19 
Родился
Аватар пользователя

Зарегистрирован: Сб апр 26, 2008 18:58:21
Сообщений: 15
Рейтинг сообщения: 0
Если только в женский...(мечтательно) :)))

Сделаю. Не обещаю, что быстро, но сделаю.

_________________
(исполняется душераздирающе-жалостливо или, по обсоятельствам, агрессивно-угрожающе):
У кошки четыре ноги - вход, выход, земля и питание,
но трогать её не моги - получится замыкание...


Вернуться наверх
 
Показать сообщения за:  Сортировать по:  Вернуться наверх
Начать новую тему Ответить на тему  [ Сообщений: 26 ]  1,  

Часовой пояс: UTC + 3 часа


Кто сейчас на форуме

Сейчас этот форум просматривают: sashek857, UNIVERSUM и гости: 28


Вы не можете начинать темы
Вы не можете отвечать на сообщения
Вы не можете редактировать свои сообщения
Вы не можете удалять свои сообщения
Вы не можете добавлять вложения

Найти:
Перейти:  


Powered by phpBB © 2000, 2002, 2005, 2007 phpBB Group
Русская поддержка phpBB
Extended by Karma MOD © 2007—2012 m157y
Extended by Topic Tags MOD © 2012 m157y