Например TDA7294

Форум РадиоКот • Просмотр темы - Модернизация фонарика(альтернативная версия)
Форум РадиоКот
Здесь можно немножко помяукать :)

Текущее время: Чт дек 18, 2025 08:40:21

Часовой пояс: UTC + 3 часа


ПРЯМО СЕЙЧАС:



Начать новую тему Ответить на тему  [ Сообщений: 36 ]  1,  
Автор Сообщение
Не в сети
 Заголовок сообщения: Модернизация фонарика(альтернативная версия)
СообщениеДобавлено: Сб фев 14, 2009 21:05:57 
Вымогатель припоя
Аватар пользователя

Зарегистрирован: Ср авг 27, 2008 10:13:19
Сообщений: 524
Откуда: Украина, Харьков
Рейтинг сообщения: 0
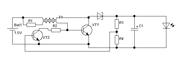
Модернизация фонарика(альтернативная версия).
http://radiokot.ru/lab/analog/24/
Собираюсь подключить к нему светодиод 1вт, 350мА. Нужно ли что-то в схеме пересчитывать и обязательно ли ставить R2 в этой схеме?
Кольцо К16-10-4 М2000НМ.
Питание 3В.
Изображение


Вернуться наверх
 
Не в сети
 Заголовок сообщения:
СообщениеДобавлено: Вс фев 15, 2009 13:56:41 
Поставщик валерьянки для Кота
Аватар пользователя

Карма: 3
Рейтинг сообщений: 9
Зарегистрирован: Пн июл 14, 2008 18:12:37
Сообщений: 2296
Рейтинг сообщения: 0
врядли потянет . схема довольно маломощная , а на такой диод как у вас надо будет пересчитывать всю схему , начиная с транзистора и дросселя . R2 для ограничения тока стоит .

_________________
есть вопросы ? чего-то не знаешь ? прежде всего смотри это


Вернуться наверх
 
Не в сети
 Заголовок сообщения:
СообщениеДобавлено: Вс фев 15, 2009 14:15:47 
Вымогатель припоя
Аватар пользователя

Зарегистрирован: Ср авг 27, 2008 10:13:19
Сообщений: 524
Откуда: Украина, Харьков
Рейтинг сообщения: 0
А как пересчитать? Транзистор могу поставить КТ815В. А МС-драйвера дорогие


Вернуться наверх
 
Не в сети
 Заголовок сообщения:
СообщениеДобавлено: Вс фев 15, 2009 16:02:23 
Поставщик валерьянки для Кота
Аватар пользователя

Карма: 3
Рейтинг сообщений: 9
Зарегистрирован: Пн июл 14, 2008 18:12:37
Сообщений: 2296
Рейтинг сообщения: 0
а вот как пересчитать - я хз . диод с конденсатором можно оставить те же , резистор подогнать уже при наладке , а дроссель и обратную связь - без понятия . с одно стороны надо больше энергии запасать , а с другой при увеличении индуктивности снизится частота . попробуйте увеличить число витков в дросселе , а обратную связь не трогайте . и увеличьте толщину провода в дросселе .

_________________
есть вопросы ? чего-то не знаешь ? прежде всего смотри это


Вернуться наверх
 
Эиком - электронные компоненты и радиодетали
Не в сети
 Заголовок сообщения: Re: Модернизация фонарика(альтернативная версия)
СообщениеДобавлено: Вс фев 15, 2009 17:55:13 
Мучитель микросхем
Аватар пользователя

Карма: 1
Рейтинг сообщений: -2
Зарегистрирован: Чт янв 04, 2007 13:18:56
Сообщений: 413
Откуда: Россия
Рейтинг сообщения: 0
1995kenny писал(а):
Модернизация фонарика(альтернативная версия).
http://radiokot.ru/lab/analog/24/
Собираюсь подключить к нему светодиод 1вт, 350мА. Нужно ли что-то в схеме пересчитывать и обязательно ли ставить R2 в этой схеме?
Кольцо К16-10-4 М2000НМ.
Питание 3В.
Изображение


Точно сказать немогу. Такой мощный светодиод не применял! Просто небыло!
Резистор можно исключить.(тогда ток на светодиоде будет больше).В моей схеме ток был отрегулирован примерно на 20-30мА.
Транзистор желательно подобоать помощнее. У меня схема питалась от 1,5V. Как она себя поведёт от 3V не знаю. Возмодно пр таких номиналах деталей как пробой транзистора, так и сгорание светодиода!!!
Рекоминдую поставить паралельно светодиоду стабилитрон! Он выполнит роль стабилизатора и подстрахует сам светодиод от перегорания.
Не перепутайте полярность подключения светодиода. Иначи он сгорит.

_________________
«О сколько нам открытий чудных
Готовят просвещенья дух,
И опыт, сын ошибок трудных,
И гений, парадоксов друг,
И случай, бог изобретатель...»


Вернуться наверх
 
Не в сети
 Заголовок сообщения:
СообщениеДобавлено: Вс фев 15, 2009 18:05:47 
Поставщик валерьянки для Кота
Аватар пользователя

Карма: 3
Рейтинг сообщений: 9
Зарегистрирован: Пн июл 14, 2008 18:12:37
Сообщений: 2296
Рейтинг сообщения: 0
опс , пропустил мимо глаз что напруга будет 3В :)
в таком случае возникает вопрос - а зачем эта схема ? диод потребляет 350мА , значит 1/0.35~3В . две пальчиковые и драйвер не нужен. а если хочется высасывать до конца , то без контроллера тут не обойтись (подразумевается не только промышленные специальные , но и самодельные на различных микрах и дискрете). в данную схему по-любому необходимо будет вводить ОС по току или напряжению и в зависимости от выходной величины управлять транзистором .

_________________
есть вопросы ? чего-то не знаешь ? прежде всего смотри это


Вернуться наверх
 
Не в сети
 Заголовок сообщения:
СообщениеДобавлено: Вс фев 15, 2009 18:42:39 
Мучитель микросхем
Аватар пользователя

Карма: 1
Рейтинг сообщений: -2
Зарегистрирован: Чт янв 04, 2007 13:18:56
Сообщений: 413
Откуда: Россия
Рейтинг сообщения: 0
Я думаю , что такой светодиод всё же можно питать и от 1,5V Правда я не уверен, что именно от данной схемы это возможно. Придётся поставить более мощный транзистор,а значит пересчитать R1. Паралельно светодиоду сто пудово придётся поставить стабилитрон иначи я за светодиод не ручаюсь. Обмотки транса я думаю можно оставить прежними. Емкость конденсатора если будет стоять стабилитрон, тоже можно увеличить в разы. У меня это не сильно отразилось на яркости света, а вот стабильность света значительно выше. Но, что тогда останется от родной схемы?
По поводу применения микросхем. Питание от 1,5V я знаю только серию MAX. Но они настолько дороги, что от их применения я сразу отказался. Может есть возможность подключить не один, а два или три светодиода паследовательно? Тогда можно собрать преобразователь всё на той же МС34063 и питать её от 3V. Дешевли микрух я не встречал.
Иначе я думаю придётся искать вариант на транзисторах.
Я неправ? Поправте меня. :P

_________________
«О сколько нам открытий чудных
Готовят просвещенья дух,
И опыт, сын ошибок трудных,
И гений, парадоксов друг,
И случай, бог изобретатель...»


Вернуться наверх
 
Не в сети
 Заголовок сообщения:
СообщениеДобавлено: Вс фев 15, 2009 20:09:19 
Поставщик валерьянки для Кота
Аватар пользователя

Карма: 3
Рейтинг сообщений: 9
Зарегистрирован: Пн июл 14, 2008 18:12:37
Сообщений: 2296
Рейтинг сообщения: 0
когда я говорил про микрухи - я имел ввиду не только спец контроллеры для светиков .
по поводу резистора - от него лучше отказаться на таких мощностях и с таким питанием .
кто попробует такую схемку ? :

Изображение

считать номиналы влом ... :) так что опытным путём подбирайте два делителя :)
хотя там 1 только подобрать ... который на базу ограничевающего транзистора стоит . второй делитель надо рассчитать на минимальный ток потребления и обеспечение требуемого тока БЭ транзистора . ну и ещё в расчёте на то , что транзистор должен совсем немного открываться при свежих батарейках и полностью раскачиваться при убитых .


Вложения:
driver.GIF [3.06 KiB]
Скачиваний: 734

_________________
есть вопросы ? чего-то не знаешь ? прежде всего смотри это
Вернуться наверх
 
Не в сети
 Заголовок сообщения:
СообщениеДобавлено: Вс фев 15, 2009 21:17:39 
Мучитель микросхем
Аватар пользователя

Карма: 1
Рейтинг сообщений: -2
Зарегистрирован: Чт янв 04, 2007 13:18:56
Сообщений: 413
Откуда: Россия
Рейтинг сообщения: 0
Я думаю вот это не хуже и номиналы деталей есть. Просто поставить один диод в место тех.
Светодиодные фонарики
Или вот. Питать от двух паралельно подключенных батареек по 1,5V. Чтобы надольше хватило. Проще не придумать! Вытенет любой светодиод.
ПРОСТОЙ ДВУХТАКТНЫЙ ПРЕОБРАЗОВАТЕЛЬ НАПРЯЖЕНИЯ

_________________
«О сколько нам открытий чудных
Готовят просвещенья дух,
И опыт, сын ошибок трудных,
И гений, парадоксов друг,
И случай, бог изобретатель...»


Вернуться наверх
 
Не в сети
 Заголовок сообщения:
СообщениеДобавлено: Вс фев 15, 2009 23:40:48 
Поставщик валерьянки для Кота
Аватар пользователя

Карма: 3
Рейтинг сообщений: 9
Зарегистрирован: Пн июл 14, 2008 18:12:37
Сообщений: 2296
Рейтинг сообщения: 0
вторая схема немного не в тему . первая - почти то же самое что и я нарисовал , единственное что следит за током , а не напряжением .

_________________
есть вопросы ? чего-то не знаешь ? прежде всего смотри это


Вернуться наверх
 
Не в сети
 Заголовок сообщения:
СообщениеДобавлено: Вс фев 15, 2009 23:40:55 
Модератор
Аватар пользователя

Карма: 10
Рейтинг сообщений: 7
Зарегистрирован: Пт июл 21, 2006 03:08:05
Сообщений: 3174
Откуда: Пенза
Рейтинг сообщения: 0
Неплохо бы узнать марку этого светодиода.

_________________
Если долго мучиться, что-нибудь... сломается.


Вернуться наверх
 
Не в сети
 Заголовок сообщения:
СообщениеДобавлено: Пн фев 16, 2009 03:38:17 
Мучитель микросхем
Аватар пользователя

Карма: 1
Рейтинг сообщений: -2
Зарегистрирован: Чт янв 04, 2007 13:18:56
Сообщений: 413
Откуда: Россия
Рейтинг сообщения: 0
LINKS_234 писал(а):
вторая схема немного не в тему . первая - почти то же самое что и я нарисовал , единственное что следит за током , а не напряжением .

По поводу второй схемы:Главное ,что от этих схем мохно питать светодиод. По поволу второй схмы: просто вместо питания ее от 5V питайте ее от 1,5V. И на выходе будет примерно 3V. Надо считать повышающую обмотку.

По поводу первой схемы:А разве нам ни это нужно? Именно следить за током?! Само напяжение для светодиода не так важно. Но ведь и напряжение можно отрегулировать, да хотябы всё тем же стабилитроном.?!

_________________
«О сколько нам открытий чудных
Готовят просвещенья дух,
И опыт, сын ошибок трудных,
И гений, парадоксов друг,
И случай, бог изобретатель...»


Вернуться наверх
 
Не в сети
 Заголовок сообщения:
СообщениеДобавлено: Пн фев 16, 2009 19:50:06 
Поставщик валерьянки для Кота
Аватар пользователя

Карма: 3
Рейтинг сообщений: 9
Зарегистрирован: Пн июл 14, 2008 18:12:37
Сообщений: 2296
Рейтинг сообщения: 0
так я же ничего не говорю против схемы :) а вот для светодиодов вроде как всёравно что стабилизировать . ток через него получается номинальный при номинальном напряжении питания , и наоборот - падение напряжение получается номинальное при номинальном токе :)

_________________
есть вопросы ? чего-то не знаешь ? прежде всего смотри это


Вернуться наверх
 
Не в сети
 Заголовок сообщения:
СообщениеДобавлено: Пн фев 16, 2009 20:06:59 
Мучитель микросхем
Аватар пользователя

Карма: 1
Рейтинг сообщений: -2
Зарегистрирован: Чт янв 04, 2007 13:18:56
Сообщений: 413
Откуда: Россия
Рейтинг сообщения: 0
Возможно. Логично. :P

_________________
«О сколько нам открытий чудных
Готовят просвещенья дух,
И опыт, сын ошибок трудных,
И гений, парадоксов друг,
И случай, бог изобретатель...»


Вернуться наверх
 
Не в сети
 Заголовок сообщения:
СообщениеДобавлено: Пн фев 16, 2009 20:25:21 
Мучитель микросхем
Аватар пользователя

Карма: 1
Рейтинг сообщений: -2
Зарегистрирован: Чт янв 04, 2007 13:18:56
Сообщений: 413
Откуда: Россия
Рейтинг сообщения: 0
Вот ещё есть такиевариантыможет заинтерисуют.

_________________
«О сколько нам открытий чудных
Готовят просвещенья дух,
И опыт, сын ошибок трудных,
И гений, парадоксов друг,
И случай, бог изобретатель...»


Вернуться наверх
 
Не в сети
 Заголовок сообщения:
СообщениеДобавлено: Пн фев 16, 2009 21:14:06 
Поставщик валерьянки для Кота
Аватар пользователя

Карма: 3
Рейтинг сообщений: 9
Зарегистрирован: Пн июл 14, 2008 18:12:37
Сообщений: 2296
Рейтинг сообщения: 0
они маломощные и потому половина без контроля выходного напряжения или тока . остальные - вариации одной схемы и так же маломощные .

_________________
есть вопросы ? чего-то не знаешь ? прежде всего смотри это


Вернуться наверх
 
Не в сети
 Заголовок сообщения:
СообщениеДобавлено: Пн фев 16, 2009 21:46:24 
Мучитель микросхем
Аватар пользователя

Карма: 1
Рейтинг сообщений: -2
Зарегистрирован: Чт янв 04, 2007 13:18:56
Сообщений: 413
Откуда: Россия
Рейтинг сообщения: 0
Что есть то есть. Но это я для ознакомления.

_________________
«О сколько нам открытий чудных
Готовят просвещенья дух,
И опыт, сын ошибок трудных,
И гений, парадоксов друг,
И случай, бог изобретатель...»


Вернуться наверх
 
Не в сети
 Заголовок сообщения:
СообщениеДобавлено: Вт фев 17, 2009 14:12:49 
Мучитель микросхем
Аватар пользователя

Карма: 1
Рейтинг сообщений: -2
Зарегистрирован: Чт янв 04, 2007 13:18:56
Сообщений: 413
Откуда: Россия
Рейтинг сообщения: 0
Что-то я невижу 1995kenny. Как у него дела с изготовлением фонарика? Хоть бы показал свое творение! :twisted:

_________________
«О сколько нам открытий чудных
Готовят просвещенья дух,
И опыт, сын ошибок трудных,
И гений, парадоксов друг,
И случай, бог изобретатель...»


Вернуться наверх
 
Не в сети
 Заголовок сообщения:
СообщениеДобавлено: Вт фев 17, 2009 16:55:41 
Вымогатель припоя
Аватар пользователя

Зарегистрирован: Ср авг 27, 2008 10:13:19
Сообщений: 524
Откуда: Украина, Харьков
Рейтинг сообщения: 0
Извиняюсь, что долго не отвечал.
Питание всётаки лучше 1.5в
Пока ещё ничего не покупал.
EDEW-1LA1
http://www.kosmodrom.com.ua/data/light/pdf/547.pdf
Нифига себе MAX765 дороже самого светодиода :shock:
PS Мышь кудато украли,неудобно однако :(


Вернуться наверх
 
Не в сети
 Заголовок сообщения:
СообщениеДобавлено: Вт фев 17, 2009 19:40:26 
Поставщик валерьянки для Кота
Аватар пользователя

Карма: 3
Рейтинг сообщений: 9
Зарегистрирован: Пн июл 14, 2008 18:12:37
Сообщений: 2296
Рейтинг сообщения: 0
собирайте по схеме FOLKSDOICH , ссылку на которую давал Кулибин
будут непонятки - поможем чем сможем :)

_________________
есть вопросы ? чего-то не знаешь ? прежде всего смотри это


Вернуться наверх
 
Показать сообщения за:  Сортировать по:  Вернуться наверх
Начать новую тему Ответить на тему  [ Сообщений: 36 ]  1,  

Часовой пояс: UTC + 3 часа


Кто сейчас на форуме

Сейчас этот форум просматривают: tanveerriaz и гости: 36


Вы не можете начинать темы
Вы не можете отвечать на сообщения
Вы не можете редактировать свои сообщения
Вы не можете удалять свои сообщения
Вы не можете добавлять вложения

Найти:
Перейти:  


Powered by phpBB © 2000, 2002, 2005, 2007 phpBB Group
Русская поддержка phpBB
Extended by Karma MOD © 2007—2012 m157y
Extended by Topic Tags MOD © 2012 m157y