Ветка про вот эту статью:
https://radiokot.ru/artfiles/6820/Что бы ещё добавить?
- Если кто не знает, четверть длины волны на 433 МГц это примерно 17 см.
- Судя по информации из интернетов, вместо МИТ-16В нормально подойдёт также МИТ-4В (при этом правда одна из его обмоток останется не при делах), либо МИТ-4Вм.
- Точно настраивать длительность открывающего импульса не обязательно. Если она окажется больше оптимальной, симистор всё равно будет открываться нормально. Просто на управление будет тратиться больше энергии за счёт более длительного захода сердечника в насыщенное состояние.
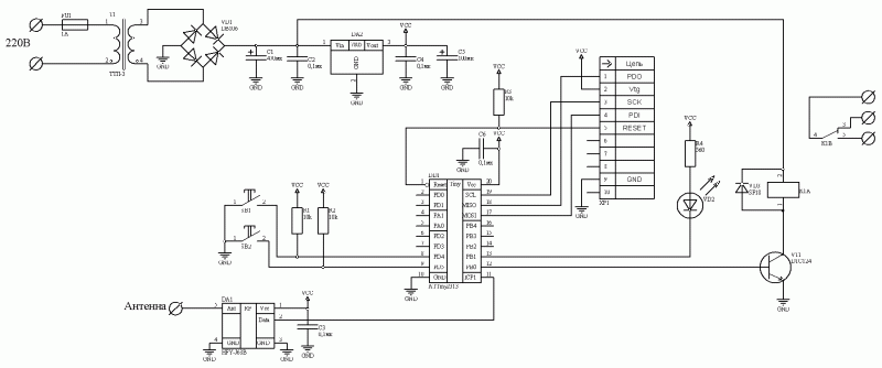
А для тех, кто дочитал до конца, представляю "упрощённую" версию радиорозетки на обычном реле и Attiny2313

Собственно, с этого всё начиналось. Трансформатор, если правильно помню, на 9В по выходу, реле на 12В.
В части приёма кодов схема такая же, как и "полная". Кто основную статью внимательно читал, поймёт, как здесь всё работает. Но на выходе электромагнитное реле, так что никакой синхронизации с сетью.
Если кому интересно, здесь все файлы данного проекта:
https://drive.google.com/file/d/1aTcmPD ... drive_link