Например TDA7294

Форум РадиоКот • Просмотр темы - Автомат световых эффектов
Форум РадиоКот
Здесь можно немножко помяукать :)

Текущее время: Сб фев 14, 2026 15:33:26

Часовой пояс: UTC + 3 часа


ПРЯМО СЕЙЧАС:



Начать новую тему Ответить на тему  [ Сообщений: 14 ] 
Автор Сообщение
Не в сети
 Заголовок сообщения: Автомат световых эффектов
СообщениеДобавлено: Вт мар 22, 2016 20:37:34 
Потрогал лапой паяльник
Аватар пользователя

Зарегистрирован: Пн окт 24, 2011 13:01:08
Сообщений: 383
Рейтинг сообщения: 0
Приветствую форумчане! :beer:
Хочу повторить устройство из этой статьи http://radiokot.ru/circuit/light/run/58/ 24 канальный автомат световых эффектов на RGB-светодиодах и микроконтроллере Atmega16
Вот там есть такой момент, три резистора на один светодиод 3 х 24 = 72, :shock: чего-то не очень
охото :solder: паять такую кучу резюлей!!!
СпойлерИзображение

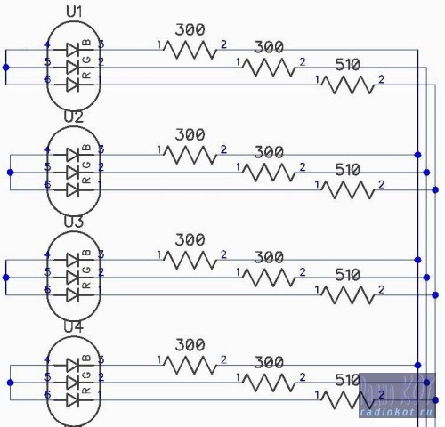
Может ли можно упростить схему таким образом? :dont_know:
СпойлерИзображение

Т.е. собрать диоды в группы, по четыре или по шесть на один резистор?
Не повлияет ли это на алгоритм работы самого устройства?


Вернуться наверх
 
Не в сети
 Заголовок сообщения: Re: Автомат световых эффектов
СообщениеДобавлено: Вт мар 22, 2016 21:07:18 
Потрогал лапой паяльник

Карма: 20
Рейтинг сообщений: 99
Зарегистрирован: Пн ноя 18, 2013 11:56:55
Сообщений: 338
Откуда: Орёл
Рейтинг сообщения: 0
Будет работать. Но правильно делать на каждый светодиод по резистору.

_________________
У кошки четыре ноги: вход, выход, земля и питание.


Вернуться наверх
 
Не в сети
 Заголовок сообщения: Re: Автомат световых эффектов
СообщениеДобавлено: Вт мар 22, 2016 21:13:25 
Потрогал лапой паяльник
Аватар пользователя

Зарегистрирован: Пн окт 24, 2011 13:01:08
Сообщений: 383
Рейтинг сообщения: 0
Почему? :roll: Если можете разъясните!


Вернуться наверх
 
Не в сети
 Заголовок сообщения: Re: Автомат световых эффектов
СообщениеДобавлено: Вт мар 22, 2016 21:27:10 
Потрогал лапой паяльник

Карма: 20
Рейтинг сообщений: 99
Зарегистрирован: Пн ноя 18, 2013 11:56:55
Сообщений: 338
Откуда: Орёл
Рейтинг сообщения: 0
Через светодиоды будет проходить разный ток, что приведет к разной яркости свечения их и в последствии со временем к пробою.

_________________
У кошки четыре ноги: вход, выход, земля и питание.


Вернуться наверх
 
Эиком - электронные компоненты и радиодетали
Не в сети
 Заголовок сообщения: Re: Автомат световых эффектов
СообщениеДобавлено: Ср мар 23, 2016 06:22:55 
Потрогал лапой паяльник
Аватар пользователя

Зарегистрирован: Пн окт 24, 2011 13:01:08
Сообщений: 383
Рейтинг сообщения: 0
Почему разный :shock: , они же запитаны через один резистор! Может подскажите где почитать?


Вернуться наверх
 
Не в сети
 Заголовок сообщения: Re: Автомат световых эффектов
СообщениеДобавлено: Ср мар 23, 2016 07:34:33 
Прорезались зубы

Карма: 4
Рейтинг сообщений: 84
Зарегистрирован: Вс янв 26, 2014 22:40:17
Сообщений: 230
Откуда: Рязань
Рейтинг сообщения: 0
Обычно красный светодиод имеет прямое напряжение 2В-2.2В и ток max 20мА, а зеленый и синий 3В - 3.3В и ток max 20мА. По этому и резисторы надо ставить разного номинала для них. Можно конечно поставить один резистор но рассчитать как для R светодиода. Минус того что буден один резистор на 3 светодиода - будет немного другая палитра цветов при зажжении всех трех светодиодов в кристалле , красный будет гореть ярче чем зеленый и синий. Да и яркость постоянно будет меняться если горит один светодиод то яркость будет выше, если все три то ниже.

Если хотите с экономить на резисторах то лучше все катоды светодиодов соедините между собой, а на анод RGB светодиода повести резистор как для R светодиода. Так у Вас будет меньше просадка по яркости когда загорятся все 4 RGB светодиода в одной линейке.

Но в любом случаи экономя на резисторах Вы не сможете добиться нормальной цветопередачи т.е белый цвет у Вас всегда будет немного в розовый отдавать.

_________________
Последняя прошивка для часов на RGB матрицах на 21 странице в теме https://www.radiokot.ru/forum/viewtopic ... &start=400


Вернуться наверх
 
Не в сети
 Заголовок сообщения: Re: Автомат световых эффектов
СообщениеДобавлено: Ср мар 23, 2016 08:45:10 
Потрогал лапой паяльник
Аватар пользователя

Зарегистрирован: Пн окт 24, 2011 13:01:08
Сообщений: 383
Рейтинг сообщения: 0
Тогда получается, что в светодиодной ленте цветопередача нарушена?
Изображение
Взято тут
Группа из трёх светодиодов соединена через один резистор!


Вернуться наверх
 
Не в сети
 Заголовок сообщения: Re: Автомат световых эффектов
СообщениеДобавлено: Ср мар 23, 2016 13:18:32 
Прорезались зубы

Карма: 4
Рейтинг сообщений: 84
Зарегистрирован: Вс янв 26, 2014 22:40:17
Сообщений: 230
Откуда: Рязань
Рейтинг сообщения: 0
В ленте не нарушена т.к в ней последовательное соединение светодиодов, а у Вас паралельное.

_________________
Последняя прошивка для часов на RGB матрицах на 21 странице в теме https://www.radiokot.ru/forum/viewtopic ... &start=400


Вернуться наверх
 
Не в сети
 Заголовок сообщения: Re: Автомат световых эффектов
СообщениеДобавлено: Ср мар 23, 2016 14:49:10 
Потрогал лапой паяльник
Аватар пользователя

Зарегистрирован: Пн окт 24, 2011 13:01:08
Сообщений: 383
Рейтинг сообщения: 0
Цитата:
Если хотите с экономить на резисторах то лучше все катоды светодиодов соедините между собой

:shock:
Их нельзя между собой соединять, на них подаётся уравляющий сигнал с МК через ULN2803.
Вы наверное просто схему не посмотрели!


Вернуться наверх
 
Не в сети
 Заголовок сообщения: Re: Автомат световых эффектов
СообщениеДобавлено: Ср мар 23, 2016 14:59:18 
Потрогал лапой паяльник

Карма: 20
Рейтинг сообщений: 99
Зарегистрирован: Пн ноя 18, 2013 11:56:55
Сообщений: 338
Откуда: Орёл
Рейтинг сообщения: 0
Не ленитесь, поставе все резисторы. У светодиодов даже одного цвета и модели разный ток падения напряжения.
Еще раз говорю, светодиоды буду светится как попало. И на синие светодиоды, яб поставил резисторы 470ом может чуть больше даже .

_________________
У кошки четыре ноги: вход, выход, земля и питание.


Вернуться наверх
 
Не в сети
 Заголовок сообщения: Re: Автомат световых эффектов
СообщениеДобавлено: Ср мар 23, 2016 15:28:08 
Потрогал лапой паяльник
Аватар пользователя

Зарегистрирован: Пн окт 24, 2011 13:01:08
Сообщений: 383
Рейтинг сообщения: 0
Спасибо за разъяснение! :beer:
:) Хорошо не буду лениться, тем более :solder: это хобби, а не работа!
Тогда резисторы поставить R - 510, B - 470, G - 300?
Или лучше подключить к диоду рабочее напряжение(12 В) и подобрать резисторы по протекающему ток, не более 20mA?


Вернуться наверх
 
Не в сети
 Заголовок сообщения: Re: Автомат световых эффектов
СообщениеДобавлено: Ср мар 23, 2016 16:00:20 
Потрогал лапой паяльник

Карма: 20
Рейтинг сообщений: 99
Зарегистрирован: Пн ноя 18, 2013 11:56:55
Сообщений: 338
Откуда: Орёл
Рейтинг сообщения: 0
Так и оставляйте. 570, 470, 300 может 330.
Цитата:
Или лучше подключить к диоду рабочее напряжение(12 В) и подобрать резисторы по протекающему ток, не более 20mA?

Можно так сделать , но визуально допустим, синий будет намного ярче светится чем зеленый.

_________________
У кошки четыре ноги: вход, выход, земля и питание.


Вернуться наверх
 
Не в сети
 Заголовок сообщения: Re: Автомат световых эффектов
СообщениеДобавлено: Ср мар 23, 2016 16:50:16 
Потрогал лапой паяльник
Аватар пользователя

Зарегистрирован: Пн окт 24, 2011 13:01:08
Сообщений: 383
Рейтинг сообщения: 0
Ок. Спасибо за разъяснения и советы!


Вернуться наверх
 
Не в сети
 Заголовок сообщения: Re: Автомат световых эффектов
СообщениеДобавлено: Вт июн 07, 2016 20:39:32 
Родился

Зарегистрирован: Вт июн 07, 2016 19:16:27
Сообщений: 1
Рейтинг сообщения: 0
Кто собрал этот автомат,схема рабочая?.А то я не могу понять в статье написано К выходам портов A, B и C подключены входы 3-х микросхем ULN2803, к которым, в свою очередь, подключены аноды светодиодов.ULN2803 управляет катодами а не анодами значит светики должны бить с общим катодом а по схеме они с общим анодом. Катоды каждого цвета соединены в 3 группы и получают питание от P-канальных полевиков, управляемых аппаратным ШИМ-ом с портов D.4, D.5 и D.6 через примитивные драйверы на КТ315 транзисторах, значит на каналы RGB приходит +12в.Мне кажется здесь что то напутано,я согласен если светодиод с общим катодом тогда да.Может я ошибаюсь,поправте если неправ


Вернуться наверх
 
Показать сообщения за:  Сортировать по:  Вернуться наверх
Начать новую тему Ответить на тему  [ Сообщений: 14 ] 

Часовой пояс: UTC + 3 часа


Кто сейчас на форуме

Сейчас этот форум просматривают: нет зарегистрированных пользователей и гости: 27


Вы не можете начинать темы
Вы не можете отвечать на сообщения
Вы не можете редактировать свои сообщения
Вы не можете удалять свои сообщения
Вы не можете добавлять вложения

Найти:
Перейти:  


Powered by phpBB © 2000, 2002, 2005, 2007 phpBB Group
Русская поддержка phpBB
Extended by Karma MOD © 2007—2012 m157y
Extended by Topic Tags MOD © 2012 m157y