Например TDA7294

Форум РадиоКот • Просмотр темы - УКВ приемник с цифровым управлением.
Форум РадиоКот
Здесь можно немножко помяукать :)

Текущее время: Пн мар 02, 2026 19:05:55

Часовой пояс: UTC + 3 часа


ПРЯМО СЕЙЧАС:



Начать новую тему Ответить на тему  [ Сообщений: 812 ]     ... , , , , 41
Автор Сообщение
 Заголовок сообщения: Re: УКВ приемник с цифровым управлением.
СообщениеДобавлено: Вт ноя 09, 2021 11:54:46 
Открыл глаза

Зарегистрирован: Вт июл 07, 2020 12:56:10
Сообщений: 76
Рейтинг сообщения: 1
Если подобрать резистор так, чтоб он погас - он и не светится толком никогда, даже если приём чёткий.

Значит у Вас тракт УВЧ и УПЧ не настроен.

Да не сказал бы - всю сетку FM ловит уверенно и с большим запасом, стерео цепляется. Само собой, я уделил катушкам и варикапам гетеродина особое внимание - поставил BB639 вместо стодевятых, у них оч-чень приятная кривая изменения ёмкости на участке диапазона управляющих напряжений, влезает весь FM, и ещё запас большой остаётся ниже и выше. Управление от синтезатора гораздо проще сделать вышло на одном n-канальном полевичке. Витки у катушек тоже подбирал тщательно - в итоге, у меня нормально ловит всё с оправкой 2 мм, и 13 и 14 витков.
Фильтры и дискриминаторы пробовал разные - несколько покупных, в том числе, наши ФП1Д6. Пробовал и SMDшные (SFECV10M7HA00-R0 и CDSCA10M7GA118B-RO), но лучше всех оказались выводные фильтры, выпаянные из древнего ISAшного FM-тюнера - обычные рыжие фильтр и дискриминатор как в китайских приёмниках.
Что касаемо поведения диода - полагаю, просто не удачная "черновая" разводка вышла, дороги конской длинны. Изначально ведь я под кв109 разводил, да под пассивный крупняк всякий и место под катушки с запасом, а в итоге сод323 влепил. Просто я сам отдельно себе разводил для опытов и под имеющиеся детали чтоб не бегать в ЧиД (конденсаторы на 10 пф у меня были вообще только КТ в загашниках, к примеру - не надо так). Смысла править это ради экспериментов и написания прошивки я пока не вижу, так как работает и ловит практически всё. Финальный девайс всё равно будет собираться по большей части на SMD на совсем другой плате и с экранировкой, и ещё будет 1-2 теста печаток для тюнера с JLCPCB - вот на них и посмотрю как будут себя вести индикаторы настройки.

Изображение Изображение

Кстати, пытался собрать к нему простенький ВЧ-усилитель на сборке SPF5043Z, но это, похоже, довольно бесперспективное занятие - не дал оно особенного прироста чувствительности и избирательности. Что-то стало чуть хуже, что-то чуть лучше, но оно того не стоит. Проверить как оно согласуется друг с другом тоже не могу нормально, у меня Г3-112 столько не умеет чтоб подать, к примеру, сотню мегагерц и глянуть =)
Да и вообще, изначально хотел поставить усилитель по тому, что на даче не ловило почти ничего. Но потом погуглил и выяснил, что в моём районе области местная сетка FM-вещания на других частотах, и слабо совпадает с СПБ - у меня в прошивку забита фиксированная сетка диапазонов, станции переключаются двумя кнопками туда-сюда. Перешил массив циферок в меге, и всё закономерно заработало. Да и вообще пишут, что с этим тюнером ставить антенник по входу смысла особого нет.

Теперь вопрос - я верно понимаю, что если я сниму сигнал с MPX REG - то смогу получать с него RDS через декодер?


Вернуться наверх
 
 Заголовок сообщения: Re: УКВ приемник с цифровым управлением.
СообщениеДобавлено: Вт ноя 09, 2021 13:23:12 
Нашел транзистор. Понюхал.
Аватар пользователя

Карма: 1
Рейтинг сообщений: 25
Зарегистрирован: Пт окт 22, 2021 13:50:39
Сообщений: 181
Рейтинг сообщения: 0
Tenko, У неё нет выхода детектора в отличие от подобных S1A0902X01, KA2292, TA8122 TA8127


Вернуться наверх
 
 Заголовок сообщения: Re: УКВ приемник с цифровым управлением.
СообщениеДобавлено: Вт ноя 09, 2021 19:30:56 
Открыл глаза

Зарегистрирован: Вт июл 07, 2020 12:56:10
Сообщений: 76
Рейтинг сообщения: 0
Tenko, У неё нет выхода детектора в отличие от подобных S1A0902X01, KA2292, TA8122 TA8127

Вот и я в ДШ не вижу. Ну и не очень-то хотелось. Опять же, для себя названия станций можно и захардкодить.


Вернуться наверх
 
 Заголовок сообщения: Re: УКВ приемник с цифровым управлением.
СообщениеДобавлено: Ср ноя 10, 2021 20:20:41 
Встал на лапы
Аватар пользователя

Зарегистрирован: Пн июл 25, 2016 11:24:33
Сообщений: 104
Откуда: Набережные Челны
Рейтинг сообщения: 1
Да не сказал бы - всю сетку FM ловит уверенно и с большим запасом


Красивая у вас получилась плата.
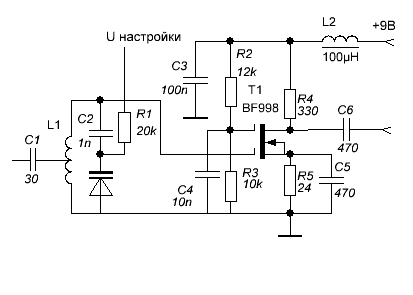
Можно попробовать поставить перестраиваемый УВЧ, например на BF998. Доступный транзистор с низким коэффициентом шума.
2 недостатка - потребляет довольно большой ток - 10 -15 mA, напряжение питания желательно - 8 - 9 В.
Вложение:
УВЧ_BF998-1.GIF [4.8 KiB]
Скачиваний: 601

Делитель напряжения для второго затвора должен обеспечивать напряжение на втором затворе относительно истока около 4 В.
Еще очень желательно встроить к гетеродину буфер, а то от гетеродинной катушки тянется длинный проводник.
На сайте Паяльник ест статья, где забраковали перпендикулярное расположение катушек с пересекающимися осями. Оси катушек не должны пересекаться - либо одна из катушек должна быть выше, либо одна катушка должна быть расположена вертикально, а другая - горизонтально.
Еще после пьезокерамического фильтра можно попробовать встроить дополнительный УПЧ на 1 - м, 2 - х транзисторах. Транзистор надо подобрать с низким коэффициентом шума и с низкой входной и проходной емкостью. По информации в сети импортные транзисторы лучше наших КТ368.
В своем приемнике на CXA1538 я применил УПЧ на 1-м КТ368 между 2-мя фильтрами. Чувствительность получилась немного хуже, чем у ВЭФ214. УВЧ пока не пробовал.

В Радиокоте ест статья, посвященная повышению чувствительности приемников.
https://radiokot.ru/articles/23/

_________________
Основное правило электробезопасности: Если видите торчащие оголенные концы, руками не трогайте...


Вернуться наверх
 
Эиком - электронные компоненты и радиодетали
 Заголовок сообщения: Re: УКВ приемник с цифровым управлением.
СообщениеДобавлено: Сб ноя 13, 2021 17:21:50 
Открыл глаза

Зарегистрирован: Вт июл 07, 2020 12:56:10
Сообщений: 76
Рейтинг сообщения: 0
chainik-4, спасибо за советы, попробую поэкспериментировать.


Вернуться наверх
 
 Заголовок сообщения: Re: УКВ приемник с цифровым управлением.
СообщениеДобавлено: Вс ноя 14, 2021 13:23:05 
Встал на лапы
Аватар пользователя

Зарегистрирован: Пн июл 25, 2016 11:24:33
Сообщений: 104
Откуда: Набережные Челны
Рейтинг сообщения: 1
chainik-4...попробую поэкспериментировать.

Раз решили заняться ФМ приемником на данной микросхеме, поделюсь своими соображениями.
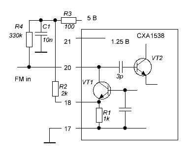
Мне не очень нравится УВЧ микросхемы CXA1538. По даташиту УВЧ сделан по схеме с общей базой. Напряжение на коллекторе транзистора УВЧ всего 1,25 В. А эмиттерный резистор имеет сопротивление 1 кОм. Получается, транзистор работает с очень маленьким током и напряжение эмиттер-коллектор очень низкое.
VT1 на рисунке.
Вложение:
CXA1538.GIF [3.38 KiB]
Скачиваний: 308

У меня возникла идея использования внешнего УВЧ. Для этого надо запереть транзистор VT1 подачей на базу напряжения порядка 1,6В делителем R2-R1. R1 -внутренний резистор микросхемы. R3-C1 - развязка по питанию.
Вложение:
CXA1538-1.GIF [4.24 KiB]
Скачиваний: 313

При этом пересраиваемый контур УВЧ будет на внешнем УВЧ. С выходного контура УВЧ сигнал подается на вывод 20 микросхемы через конденсатор.
УВЧ лучше на полевом транзисторе. 2SK212, КП307... FET транзисторы отличаются большим разбросом параметров. Подбором резистора R4 устанавливается ток стока 2...3 mA.
Вложение:
УВЧ_2SK212.GIF [5.28 KiB]
Скачиваний: 530

Усилители на MOSFET транзисторах, как правило, не требуют подбора режимов. Но у распространенного ВЧ MOSFET транзистора довольно большой рабочий ток - 8 - 15mA, что может быть критичным при автономном питании.
Вложение:
УВЧ_BF998.GIF [6.29 KiB]
Скачиваний: 484

Конструктивно контур с катушкой связи не всегда удобен, хотя позволяет получить большее усиление. Такое решение можно применить и для схемы с FET транзистором, естественно усиление будет меньше.
Вложение:
УВЧ_BF998-2.GIF [5.94 KiB]
Скачиваний: 520


Добавлено after 14 minutes 35 seconds:
Очень хороший УВЧ применил в своем ФМ приемнике Н.Хлюпин. Как и практически все схемы с FET транзисторами, такой УВЧ требует настройки. Тут еще не всякий транзистор может подойти. Автор предлагает использовать транзисторы с напряжением отсечки не более 1,5 В. При настройке
отсоединяется эмиттер транзистора VT2 и подбором сопротивления резистора R3 выставляется падение напряжения на резисторе R2 0,75...0,9 В. (Ток через каждый транзистор 2...2,5 mA)
Вложение:
УВЧ_Хлюпина.GIF [14.15 KiB]
Скачиваний: 633

_________________
Основное правило электробезопасности: Если видите торчащие оголенные концы, руками не трогайте...


Вернуться наверх
 
 Заголовок сообщения: Re: УКВ приемник с цифровым управлением.
СообщениеДобавлено: Пн ноя 15, 2021 15:51:39 
Открыл глаза

Зарегистрирован: Вт июл 07, 2020 12:56:10
Сообщений: 76
Рейтинг сообщения: 0
У меня возникла идея использования внешнего УВЧ.

О, а вот так я точно попробую поступить - всё-таки, обидно мне, что довольно дорогая и редка сборочка специально для широкополосных высокочастотных антенных усилителей у меня осталась без дела. Жаль, что я сам не понял как это сделать - опыта и знаний мало ещё... Попробую такой вариант включения.


Вернуться наверх
 
 Заголовок сообщения: Re: УКВ приемник с цифровым управлением.
СообщениеДобавлено: Пн ноя 15, 2021 19:31:03 
Встал на лапы
Аватар пользователя

Зарегистрирован: Пн июл 25, 2016 11:24:33
Сообщений: 104
Откуда: Набережные Челны
Рейтинг сообщения: 1
Сборка, конечно, очень хорошая, малошумящая. Но перед ним обязательно надо поставить полосовой фильтр. Иначе от его шумовых характеристик толку будет мало - будет принимать шумы во всей своей широкой полосе. Схема подходящего полосового фильтра ест в статье Нечаева Радио 2001 N'1 стр 16.
Вложение:
Нечаев.gif [188.55 KiB]
Скачиваний: 372

С2 тоже 27 пФ - нечеткая картинка.
L1 - 3,5 витка, L2 - 4,5 витка проводом ПЭВ-2 0,4 на оправке диаметром 4 мм.
На выход надо подключит перестраиваемый контур, сигнал от которого через конденсатор подается на вывод 20 микросхемы. Выход микросхемы SPF5043Z подключается через конденсатор к катушке связи или отводу контура УВЧ. Поскольку выход SPF5043Z всего 50 Ом, количество витков от массы до отвода должно быть очень маленьким. Наверное хватит 1 -го витка, если не меньше. Если усиление будет слишком большим, надо увеличить число витков связи, а сигнал подавать через конденсатор маленькой емкости - не более 10pF.
Вложение:
1.GIF [2.21 KiB]
Скачиваний: 510

Поскольку SPF5043Z будет работать на меньших частотах, чем указано на даташите, надо увеличить индуктивность в цепи питания - должна быть не менее 2,5 мкГн.
Данная микросхема требует большой площади земляной шины, возможно и экранировки - все таки способна работать на очень высоких частотах.
Наверное, результаты с BF998 или 2SK212 будут лучше.
Для интереса посмотрел даташит микросхемы TEA5710.(О микросхеме отзыватся очень хорошо). Оказалось и там входной транзистор работает при очень низком напряжении питания. Но ток через входной транзистор должен быть побольше - поскольку эмиттерный резистор всего 220 Ом вместо 1 кОм у микросхемы CXA1538.

_________________
Основное правило электробезопасности: Если видите торчащие оголенные концы, руками не трогайте...


Вернуться наверх
 
 Заголовок сообщения: Re: УКВ приемник с цифровым управлением.
СообщениеДобавлено: Пт ноя 26, 2021 13:20:33 
Встал на лапы
Аватар пользователя

Зарегистрирован: Пн июл 25, 2016 11:24:33
Сообщений: 104
Откуда: Набережные Челны
Рейтинг сообщения: 1
О, а вот так я точно попробую поступить...


CXA1538. Использование внешнего УВЧ в обход встроенного.
Вложение:
УВЧ_BF998-4.GIF [14.52 KiB]
Скачиваний: 573

_________________
Основное правило электробезопасности: Если видите торчащие оголенные концы, руками не трогайте...


Вернуться наверх
 
 Заголовок сообщения: Re: УКВ приемник с цифровым управлением.
СообщениеДобавлено: Чт янв 11, 2024 19:47:48 
Открыл глаза

Зарегистрирован: Вт ноя 18, 2008 07:38:31
Сообщений: 77
Рейтинг сообщения: 0
Давно валялся компьютерный приёмник ещё под ISA шину
Изображение
убрал лишние детали и сделал подключения
Изображение
Подключил к схеме управления собранной на макетке
Изображение
Прошивка plus
Заработало сразу, позже разберусь для чего на плате приёмника нужна буржуйская 561КП1. Предполагаю для отключения звука, пока софт не активирован.

Планирую поставить ВЛИ индикатор от кассового аппарата самсунг. Попробовал подключить 3 разряда и 6 сегментов. Для остального уже не было места на макетке.
Изображение


Вернуться наверх
 
 Заголовок сообщения: Re: УКВ приемник с цифровым управлением.
СообщениеДобавлено: Чт фев 08, 2024 05:25:05 
Открыл глаза

Зарегистрирован: Вт ноя 18, 2008 07:38:31
Сообщений: 77
Рейтинг сообщения: 0
Доделал цифровую часть с ВЛИ индикатором
Изображение Изображение Изображение


Вернуться наверх
 
 Заголовок сообщения: Re: УКВ приемник с цифровым управлением.
СообщениеДобавлено: Ср окт 22, 2025 21:34:55 
Электрический кот
Аватар пользователя

Карма: 1
Рейтинг сообщений: 25
Зарегистрирован: Вт июн 16, 2020 22:43:47
Сообщений: 1012
Рейтинг сообщения: 0
А штатный блок ВЧ работоспособен ? А то тут вижу некоторые отзывы что проблемы есть. Нашёл у себя незаконченные платы :shock: Совершенно стёрто из памяти как когда-то делал.


Вернуться наверх
 
Показать сообщения за:  Сортировать по:  Вернуться наверх
Начать новую тему Ответить на тему  [ Сообщений: 812 ]     ... , , , , 41

Часовой пояс: UTC + 3 часа


Вы не можете начинать темы
Вы не можете отвечать на сообщения
Вы не можете редактировать свои сообщения
Вы не можете удалять свои сообщения
Вы не можете добавлять вложения

Найти:
Перейти:  


Powered by phpBB © 2000, 2002, 2005, 2007 phpBB Group
Русская поддержка phpBB
Extended by Karma MOD © 2007—2012 m157y
Extended by Topic Tags MOD © 2012 m157y