Например TDA7294

Форум РадиоКот • Просмотр темы - Эволюция импульсных зарядных устройств AT/ATX
Форум РадиоКот
Здесь можно немножко помяукать :)

Текущее время: Вс ноя 16, 2025 09:15:33

Часовой пояс: UTC + 3 часа


ПРЯМО СЕЙЧАС:



Начать новую тему Ответить на тему  [ Сообщений: 2409 ]    , , , 4, , , ...  
Автор Сообщение
Не в сети
 Заголовок сообщения: Re: Эволюция импульсных зарядных устройств AT/ATX
СообщениеДобавлено: Пт окт 29, 2010 07:27:29 
Встал на лапы

Зарегистрирован: Вт окт 07, 2008 07:34:18
Сообщений: 104
Откуда: Оренбург
Рейтинг сообщения: 0
Simurg, обнаружил на плате "SMD tranz" отсутствие транзистора Т13, который есть в схеме линейки.
Без него будет работать?
И еще вопрос.
У вас во всех изготовленных ЗУ (сужу по фоткам) порог зажигания первого светодиода линейки 3-4А. Есть ли возможность уменьшить порог зажигания до 0.5-1А?


Вернуться наверх
 
Не в сети
 Заголовок сообщения: Re: Эволюция импульсных зарядных устройств AT/ATX
СообщениеДобавлено: Пт окт 29, 2010 18:03:49 
Вымогатель припоя

Карма: 19
Рейтинг сообщений: 60
Зарегистрирован: Пт янв 15, 2010 12:24:17
Сообщений: 689
Рейтинг сообщения: 0
Медали: 1
Мявтор 3-й степени (1)
Цитата из статьи:

"Эмитерный повторитель можно и не запаивать, а включить напрямую, работает и без него, только спадают показания быстро, а не плавно по одному светодиоду. Иногда на некоторых экземплярах требовалось включать прямо включенный диод, типа КД522, между выходом усилителя и линейкой. Это было необходимо, когда при нулевом токе светились один - два первых светодиода. Налаживание линейки. Правильно собранный без ошибок индикатор работает сразу. Подключаем на вход переменный резистор - бегунок ко входу, правый конец резистора на +, левый на -. Подаем питание, вращаем резистор и смотрим на светодиоды, должны поочередно вспыхивать и гаснуть. Данный индикатор обладает существенной нелинейностью показаний (сначала завал и посередине бывают горбы), но для зарядного вполне подойдет. Просто при настройке значение каждого светодиода отмаркируете"

"У вас во всех изготовленных ЗУ (сужу по фоткам) порог зажигания первого светодиода линейки 3-4А. Есть ли возможность уменьшить порог зажигания до 0.5-1А?"
Можно. Но только с этой схемой http://radiokot.ru/konkurs/026/025.gif
Пороги задаются R2-R10 под любые пороги зажигания светодиодов, или сегментов.


Вернуться наверх
 
Не в сети
 Заголовок сообщения: Re: Эволюция импульсных зарядных устройств AT/ATX
СообщениеДобавлено: Сб окт 30, 2010 06:23:49 
Грызет канифоль
Аватар пользователя

Зарегистрирован: Вт сен 02, 2008 04:03:21
Сообщений: 291
Откуда: Тихорецк
Рейтинг сообщения: 0
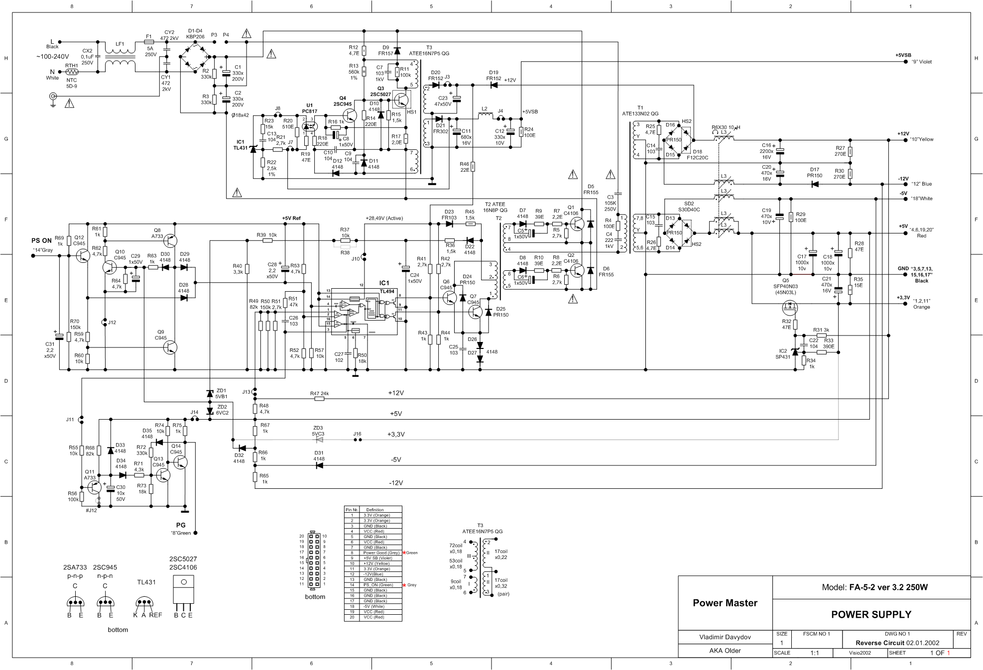
Попался БП Power Master FA5-1 скачал схему FA_5_2_v3-2_250W_PowerMaster схема совпала полностью. И подходит под описанную автором. Сравнив схемы и убрав все лишнее получил вот такой результат. Хотел вставить схему но получилась не качественная, переделаю прикреплю.
При запуске через лампочку не запустился, сделаю фотки с осциллографа то же выложу.
Хотя на 8_11 импульсы есть на 5 пила.


Вернуться наверх
 
Не в сети
 Заголовок сообщения: Re: Эволюция импульсных зарядных устройств AT/ATX
СообщениеДобавлено: Сб окт 30, 2010 08:52:57 
Вымогатель припоя

Карма: 19
Рейтинг сообщений: 60
Зарегистрирован: Пт янв 15, 2010 12:24:17
Сообщений: 689
Рейтинг сообщения: 0
Медали: 1
Мявтор 3-й степени (1)
А лампочка при вкл в сеть кратковременно вспыхивала?
А импульсы на управляющем трансике есть ? может 2 транзистора с945 поменять?

и ссылу на FA_5_2_v3-2_250W_PowerMaster скинь.


Вернуться наверх
 
Эиком - электронные компоненты и радиодетали
Не в сети
 Заголовок сообщения: Re: Эволюция импульсных зарядных устройств AT/ATX
СообщениеДобавлено: Сб окт 30, 2010 17:36:24 
Грызет канифоль
Аватар пользователя

Зарегистрирован: Вт сен 02, 2008 04:03:21
Сообщений: 291
Откуда: Тихорецк
Рейтинг сообщения: 0
Выкладываю схему, все что я удалил стер, оставил то что осталось. Компоненты что на схеме оставил без изменения, то что обвел красным
добавил. На схеме С3 его нужно убрать, и поставить перемычку? И второе, при включении с сеть через лампочку БП сам не запускается
но если подать напряжение в точку А (использовал БП от TV антены) даже кратковременно запустится.
После запуска лампочка горит впол накала.
Все это делаю пока через лампочку 60 ват
Нагрузка пока автомобильная лампочка 21 ватт.
Сейчас для меня главное что бы он сам запускался, может что нужно изменить в схеме?
Ссылку не могу дать не помню где скачивал, но если сильно нужно могу выложить.


Вложения:
FA_5_2_v3-2_250W_PowerMaster.gif [75.14 KiB]
Скачиваний: 3586
Вернуться наверх
 
Не в сети
 Заголовок сообщения: Re: Эволюция импульсных зарядных устройств AT/ATX
СообщениеДобавлено: Сб окт 30, 2010 19:03:01 
Встал на лапы
Аватар пользователя

Зарегистрирован: Сб авг 15, 2009 21:26:50
Сообщений: 136
Откуда: Пенза
Рейтинг сообщения: 0
Кому интересно - вот схема FA_5_2_v3-2_250W


Вложения:
FA_5_2_v3-2_250W_PowerMaster.gif [154.89 KiB]
Скачиваний: 3180
Вернуться наверх
 
Не в сети
 Заголовок сообщения: Re: Эволюция импульсных зарядных устройств AT/ATX
СообщениеДобавлено: Сб окт 30, 2010 20:42:44 
Вымогатель припоя

Карма: 19
Рейтинг сообщений: 60
Зарегистрирован: Пт янв 15, 2010 12:24:17
Сообщений: 689
Рейтинг сообщения: 0
Медали: 1
Мявтор 3-й степени (1)
Так как нет дежурки надо добавить автозапуск (красные резисторы по 330к)
корпус разрезать, нагрузочный резистор повесить....


Вложения:
FA_5_2_v3-2_250W_PowerMaster.gif [80.27 KiB]
Скачиваний: 3564
Вернуться наверх
 
Не в сети
 Заголовок сообщения: Re: Эволюция импульсных зарядных устройств AT/ATX
СообщениеДобавлено: Вс окт 31, 2010 05:55:12 
Грызет канифоль
Аватар пользователя

Зарегистрирован: Вт сен 02, 2008 04:03:21
Сообщений: 291
Откуда: Тихорецк
Рейтинг сообщения: 0
Значит с баз Q1_Q2 на коллектор 300к. У тебя на схеме 220к не досмотрел, добавлю сообщу результат. На нижнем мосту над дросселем что стрелка обозначает, местами выводы поменять?
Конденсатор С3 так и оставить, или убрать и поставить перемычку?


Вернуться наверх
 
Не в сети
 Заголовок сообщения: Re: Эволюция импульсных зарядных устройств AT/ATX
СообщениеДобавлено: Вс окт 31, 2010 06:16:24 
Грызет канифоль
Аватар пользователя

Зарегистрирован: Вт сен 02, 2008 04:03:21
Сообщений: 291
Откуда: Тихорецк
Рейтинг сообщения: 0
Добавил резисторы 270к, С3 пока оставил, блок запускается. Буду подгонять остальное. Нужно еще такой БП поискать, минимум переделок.


Вернуться наверх
 
Не в сети
 Заголовок сообщения: Re: Эволюция импульсных зарядных устройств AT/ATX
СообщениеДобавлено: Вс окт 31, 2010 08:06:40 
Вымогатель припоя

Карма: 19
Рейтинг сообщений: 60
Зарегистрирован: Пт янв 15, 2010 12:24:17
Сообщений: 689
Рейтинг сообщения: 0
Медали: 1
Мявтор 3-й степени (1)
На нижнем мосту над дросселем стрелка обозначает выводы дросселя местами поменять для канала вентилятора

Конденсатор С3 так и оставить


Вернуться наверх
 
Не в сети
 Заголовок сообщения: Re: Эволюция импульсных зарядных устройств AT/ATX
СообщениеДобавлено: Вс окт 31, 2010 17:33:29 
Нашел транзистор. Понюхал.
Аватар пользователя

Зарегистрирован: Пт дек 18, 2009 09:01:32
Сообщений: 158
Откуда: г.Тайшет Иркутская обл.
Рейтинг сообщения: 0
Simurg, мне понравилась защита от переполюсовки, весма оригинально. Только не пойму как будут работать в ней полевики от трёх вольтовой обмотки АТХ , они же с защитным диодом. Поясните пожалуйсто.


Вернуться наверх
 
Не в сети
 Заголовок сообщения: Re: Эволюция импульсных зарядных устройств AT/ATX
СообщениеДобавлено: Вс окт 31, 2010 17:58:04 
Вымогатель припоя

Карма: 19
Рейтинг сообщений: 60
Зарегистрирован: Пт янв 15, 2010 12:24:17
Сообщений: 689
Рейтинг сообщения: 0
Медали: 1
Мявтор 3-й степени (1)
Что за трёх вольтовая обмотка АТХ? там все на от 6 до 17 в


Вернуться наверх
 
Не в сети
 Заголовок сообщения: Re: Эволюция импульсных зарядных устройств AT/ATX
СообщениеДобавлено: Вс окт 31, 2010 18:33:40 
Нашел транзистор. Понюхал.
Аватар пользователя

Зарегистрирован: Пт дек 18, 2009 09:01:32
Сообщений: 158
Откуда: г.Тайшет Иркутская обл.
Рейтинг сообщения: 0
Simurg, я имел ввиду канал 3,3 вольта, не правильно выразился. Там вроде полевик с диодом или нет?


Вернуться наверх
 
Не в сети
 Заголовок сообщения: Re: Эволюция импульсных зарядных устройств AT/ATX
СообщениеДобавлено: Вс окт 31, 2010 18:53:20 
Вымогатель припоя

Карма: 19
Рейтинг сообщений: 60
Зарегистрирован: Пт янв 15, 2010 12:24:17
Сообщений: 689
Рейтинг сообщения: 0
Медали: 1
Мявтор 3-й степени (1)
АААА :idea: Так диод там не учавствует :)). Все будет путем


Вернуться наверх
 
Не в сети
 Заголовок сообщения: Re: Эволюция импульсных зарядных устройств AT/ATX
СообщениеДобавлено: Пн ноя 01, 2010 05:01:22 
Встал на лапы

Зарегистрирован: Ср янв 06, 2010 06:00:50
Сообщений: 122
Откуда: Омск
Рейтинг сообщения: 0
Simurg писал(а):
А вспомнил, Y кондеры соеденены с корпусом или нет? Которые по сети два штуки. Их похоже надо допаять.

Некоторые советуют наоборот их выпаивать, так как из-за них на корпусе БП присутствует порядка 110 вольт.


Вернуться наверх
 
Не в сети
 Заголовок сообщения: Re: Эволюция импульсных зарядных устройств AT/ATX
СообщениеДобавлено: Пн ноя 01, 2010 07:09:01 
Вымогатель припоя

Карма: 19
Рейтинг сообщений: 60
Зарегистрирован: Пт янв 15, 2010 12:24:17
Сообщений: 689
Рейтинг сообщения: 0
Медали: 1
Мявтор 3-й степени (1)
Они нужны обязательно.
тУТ ДОЛГО ОБЬЯСНЯТЬ...
ПОЧИТАЙ ТУТ http://bsvi.ru/setevye-filtry-i-pomexop ... /#more-446


Вернуться наверх
 
Не в сети
 Заголовок сообщения: Re: Эволюция импульсных зарядных устройств AT/ATX
СообщениеДобавлено: Пн ноя 01, 2010 10:22:26 
Встал на лапы

Зарегистрирован: Ср янв 06, 2010 06:00:50
Сообщений: 122
Откуда: Омск
Рейтинг сообщения: 0
Спасибо за ссылку. Весьма полезная информация.


Вернуться наверх
 
Не в сети
 Заголовок сообщения: Re: Эволюция импульсных зарядных устройств AT/ATX
СообщениеДобавлено: Пн ноя 01, 2010 13:37:26 
Родился

Зарегистрирован: Ср фев 10, 2010 15:22:36
Сообщений: 10
Рейтинг сообщения: 0
В защите полевик на радиатор ставить?? Через него вся моща валит.


Вернуться наверх
 
Не в сети
 Заголовок сообщения: Re: Эволюция импульсных зарядных устройств AT/ATX
СообщениеДобавлено: Чт ноя 11, 2010 10:14:09 
Первый раз сказал Мяу!

Зарегистрирован: Чт ноя 11, 2010 10:01:38
Сообщений: 22
Рейтинг сообщения: 0
Чёт я запутался.... По схеме из статьи минус на заряжаемый аккумулятор - корпус (после шунта). А в приведенной схеме - косичка силового транса до шунта. Как мудрее? Заранее спасобо.


Вложения:
FA_5_2_v3-2_250W_PowerMaster.gif [80.27 KiB]
Скачиваний: 1988
Вернуться наверх
 
Не в сети
 Заголовок сообщения: Re: Эволюция импульсных зарядных устройств AT/ATX
СообщениеДобавлено: Чт ноя 11, 2010 17:22:01 
Родился

Зарегистрирован: Вт дек 22, 2009 20:59:38
Сообщений: 15
Откуда: МО
Рейтинг сообщения: 0
Переделал авторскую схему,шунт подключил по правилам.Ограничение зарядного тока выставил 5.5А.Схема отлично заряжает АКБ.Переделанная схема прилагается.
Вложение:
Зарядник.rar [20.16 KiB]
Скачиваний: 3438


Вернуться наверх
 
Показать сообщения за:  Сортировать по:  Вернуться наверх
Начать новую тему Ответить на тему  [ Сообщений: 2409 ]    , , , 4, , , ...  

Часовой пояс: UTC + 3 часа


Кто сейчас на форуме

Сейчас этот форум просматривают: k174 и гости: 34


Вы не можете начинать темы
Вы не можете отвечать на сообщения
Вы не можете редактировать свои сообщения
Вы не можете удалять свои сообщения
Вы не можете добавлять вложения

Найти:
Перейти:  


Powered by phpBB © 2000, 2002, 2005, 2007 phpBB Group
Русская поддержка phpBB
Extended by Karma MOD © 2007—2012 m157y
Extended by Topic Tags MOD © 2012 m157y