Например TDA7294

Форум РадиоКот • Просмотр темы - DDS генератор на AVR
Форум РадиоКот
Здесь можно немножко помяукать :)

Текущее время: Вт окт 21, 2025 18:56:26

Часовой пояс: UTC + 3 часа


ПРЯМО СЕЙЧАС:



Начать новую тему Ответить на тему  [ Сообщений: 652 ]     ... , , , 17, , , ...  
Автор Сообщение
Не в сети
 Заголовок сообщения: Re: DDS генератор на AVR
СообщениеДобавлено: Пт ноя 12, 2010 14:43:11 
Опытный кот
Аватар пользователя

Карма: 10
Рейтинг сообщений: 41
Зарегистрирован: Пт мар 30, 2007 12:11:23
Сообщений: 757
Рейтинг сообщения: 0
zvykov писал(а):
кнопки avtofreq + - нет???????????собственно и самих частот тож нет как я понимаю????да и сколько минимальное количество символов в однострочном дисплее может быть??????спасибки заранее.

Непомню,проект давний,скорей всего 16 в одной строке,тоесть показывать будет верхнюю строчку,а в нижней вид синусоиды ,соответстственно однострочник будет показывать верхнюю строку


Вернуться наверх
 
Не в сети
 Заголовок сообщения: Re: DDS генератор на AVR
СообщениеДобавлено: Сб ноя 27, 2010 15:13:27 
Первый раз сказал Мяу!
Аватар пользователя

Зарегистрирован: Вс янв 04, 2009 16:35:49
Сообщений: 22
Откуда: Кишинёв
Рейтинг сообщения: 0
Кто подскажет как понизить выходное напряжение с 5 вольт до 0,5?

И вообще как правильней организовать регулировку уровня выходного сигнала?


Вернуться наверх
 
Не в сети
 Заголовок сообщения: Re: DDS генератор на AVR
СообщениеДобавлено: Сб ноя 27, 2010 15:18:30 
Мучитель микросхем
Аватар пользователя

Карма: 4
Рейтинг сообщений: 0
Зарегистрирован: Пт сен 18, 2009 08:36:36
Сообщений: 451
Откуда: Пятигорск
Рейтинг сообщения: 0
Я выкладывал схему, с регулировкой уровня выходного сигнала, смотри тему.


Вернуться наверх
 
Не в сети
 Заголовок сообщения: Re: DDS генератор на AVR
СообщениеДобавлено: Сб ноя 27, 2010 20:54:56 
Мучитель микросхем
Аватар пользователя

Карма: 4
Рейтинг сообщений: 0
Зарегистрирован: Пт сен 18, 2009 08:36:36
Сообщений: 451
Откуда: Пятигорск
Рейтинг сообщения: 0
Кстати, вот только что пользовался генератором для ремонта микролаба 600д, прекрасно работает... так, что дерзай :))


Вернуться наверх
 
Эиком - электронные компоненты и радиодетали
Не в сети
 Заголовок сообщения: Re: DDS генератор на AVR
СообщениеДобавлено: Вт ноя 30, 2010 20:17:39 
Родился
Аватар пользователя

Зарегистрирован: Вт ноя 30, 2010 16:15:25
Сообщений: 6
Рейтинг сообщения: 0
Здраствуйте), собрал данный генератор на плате автора, использовал Mega16L, так как 8535 небыло под рукой, дисплей winstar wh1602a-yyk-ctk#, прошил хексом из архива DDs16(ссвамого верху 9 страници)., шил как на видео "MHZ", на выходе частота есть, на кнопки реакция тоже(осцилографа на месте нет,форму пока не смотрел), но на дисплее тёмные квадраты, при включении как я понял проходит инициализация(верхняя строчка темная нижняя светлая), потом переходит в робочий режим, у меня обе строчки темные(контрасность регулировал), пробовал кварцы 4,8,12,16... причем инициализация дисплея проходит явно быстрее на 16mgz, чем на 4.. извеняйте за глупые высказивания, ет первая робота с дисплеем и контролером тоже.. атк в чём может быть дело? прошивка или дисплей?


Вернуться наверх
 
Не в сети
 Заголовок сообщения: Re: DDS генератор на AVR
СообщениеДобавлено: Ср дек 01, 2010 10:22:17 
Опытный кот
Аватар пользователя

Карма: 10
Рейтинг сообщений: 41
Зарегистрирован: Пт мар 30, 2007 12:11:23
Сообщений: 757
Рейтинг сообщения: 0
Dreamvin писал(а):
Здраствуйте), собрал данный генератор на плате автора, использовал Mega16L, так как 8535 небыло под рукой, дисплей winstar wh1602a-yyk-ctk#, прошил хексом из архива DDs16(ссвамого верху 9 страници)., шил как на видео "MHZ", на выходе частота есть, на кнопки реакция тоже(осцилографа на месте нет,форму пока не смотрел), но на дисплее тёмные квадраты, при включении как я понял проходит инициализация(верхняя строчка темная нижняя светлая), потом переходит в робочий режим, у меня обе строчки темные(контрасность регулировал), пробовал кварцы 4,8,12,16... причем инициализация дисплея проходит явно быстрее на 16mgz, чем на 4.. извеняйте за глупые высказивания, ет первая робота с дисплеем и контролером тоже.. атк в чём может быть дело? прошивка или дисплей?

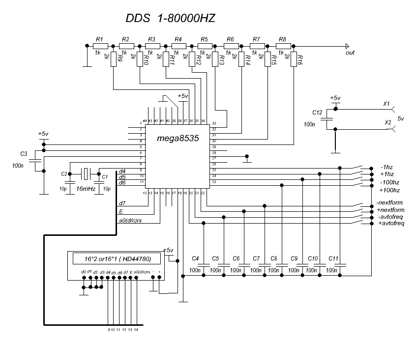
Схема подключения дисплея по пинам к меги как у Noblako ?


Вернуться наверх
 
Не в сети
 Заголовок сообщения: Re: DDS генератор на AVR
СообщениеДобавлено: Ср дек 01, 2010 11:10:03 
Родился
Аватар пользователя

Зарегистрирован: Вт ноя 30, 2010 16:15:25
Сообщений: 6
Рейтинг сообщения: 0
Пробовал как у Noblako, просто верхняя строчка чёрная


Вложения:
DDS.GIF [20.9 KiB]
Скачиваний: 876
Вернуться наверх
 
Не в сети
 Заголовок сообщения: Re: DDS генератор на AVR
СообщениеДобавлено: Ср дек 01, 2010 11:19:19 
Опытный кот
Аватар пользователя

Карма: 10
Рейтинг сообщений: 41
Зарегистрирован: Пт мар 30, 2007 12:11:23
Сообщений: 757
Рейтинг сообщения: 0
Dreamvin писал(а):
Пробовал как у Noblako, просто верхняя строчка чёрная

Генератор дает частоту? Попробуйте ножки дисплея D0-D3 на землю или плюс подключить


Вернуться наверх
 
Не в сети
 Заголовок сообщения: Re: DDS генератор на AVR
СообщениеДобавлено: Ср дек 01, 2010 19:24:27 
Родился
Аватар пользователя

Зарегистрирован: Вт ноя 30, 2010 16:15:25
Сообщений: 6
Рейтинг сообщения: 0
D0-D3 пробовал и раньше результат 0!, походу доексперементировался, подпалил камень, выхода уже нет, и прошить(очистить нельзя) , ток считует с него прошивку,и грется немного начал.., закажу 8535, поставлю, отпешусь


Вернуться наверх
 
Не в сети
 Заголовок сообщения: Re: DDS генератор на AVR
СообщениеДобавлено: Вт дек 07, 2010 15:47:12 
Родился
Аватар пользователя

Зарегистрирован: Вт ноя 30, 2010 16:15:25
Сообщений: 6
Рейтинг сообщения: 0
Поставил новую МЕГУ, но тоже 16, зашил флеш и епром, фюзы пока не трогал, генератор работает, синусойда есть, на дисплее по прежнему одна строка черная, взял еще другой дисплей (powertip pc-1602f)буду щяс ставить, токо хотел уточнить подключать как у Noblako или как в статьи, прошивка DDs16.hex


Вернуться наверх
 
Не в сети
 Заголовок сообщения: Re: DDS генератор на AVR
СообщениеДобавлено: Ср дек 08, 2010 08:54:13 
Поставщик валерьянки для Кота
Аватар пользователя

Карма: -20
Рейтинг сообщений: 67
Зарегистрирован: Пн ноя 01, 2010 12:19:31
Сообщений: 2253
Откуда: Серпухов
Рейтинг сообщения: 0
Здраствуйте, собрал данный генератор на 8535, все как у m210 :
Цитата:
В итоге дисплей запускается, все нормально показывает, но стоит нажать на какую-нить кнопку, как на экране появляется мусор, а после неопределенного нажатия на ресет (от 2 до 5 раз) снова появляется надпись DDS Generator и SIN 1000Mhz

Перепробывал 4-е дисплея разных, вытаскивал их из рабочих девайсов, слава богу разъемы везде ставлю одинаковые, не тянут они 16 МГц, D0-D3 на землю и плюс подключал, только хуже, сбоит практически сразу, поднял питание до 5,5в. для разгону стало получше но все равно сбивается на переборе частоты, причем все дисплеи работают одинаково, на выходе сигнал хороший, если не смотреть на дисплей :) .
Пожалуйста подскажите тормознутую прошивку, я что-то не нашел?

_________________
Вот блин, опять в галерее картину малевича вверх ногами повесили.


Вернуться наверх
 
Не в сети
 Заголовок сообщения: Re: DDS генератор на AVR
СообщениеДобавлено: Ср дек 08, 2010 14:21:16 
Поставщик валерьянки для Кота
Аватар пользователя

Карма: -20
Рейтинг сообщений: 67
Зарегистрирован: Пн ноя 01, 2010 12:19:31
Сообщений: 2253
Откуда: Серпухов
Рейтинг сообщения: 0
Ура, нашел тормознутую прошивку на 9й стр., заработал.
Спасибо kotovasiya за приборчик!


Вложения:
mega8535.rar [133.59 KiB]
Скачиваний: 499

_________________
Вот блин, опять в галерее картину малевича вверх ногами повесили.
Вернуться наверх
 
Не в сети
 Заголовок сообщения: Re: DDS генератор на AVR
СообщениеДобавлено: Сб дек 18, 2010 16:33:20 
Прорезались зубы
Аватар пользователя

Карма: 4
Рейтинг сообщений: 85
Зарегистрирован: Вт фев 02, 2010 21:25:18
Сообщений: 223
Откуда: Н.Новгород
Рейтинг сообщения: 0
Народ, я собрал по схеме с 1 страницы на меге16+MT16S2D(МЭЛТ, HD44780). Не работает индикатор. Сам прибор работает, выдаёт все сигналы, всё управляется, но экран не светится. Все соединения проверены, мега менялась-перепрошивалась, ЖК рабочий стопудово, контрастность включена правильно,сигналы на шине данных идут. Контроллер индикатора не тот что ли?Хелп плиз!!
download/file.php?id=9708


Вернуться наверх
 
Не в сети
 Заголовок сообщения: Re: DDS генератор на AVR
СообщениеДобавлено: Пт янв 07, 2011 10:06:15 
Прорезались зубы
Аватар пользователя

Карма: 4
Рейтинг сообщений: 85
Зарегистрирован: Вт фев 02, 2010 21:25:18
Сообщений: 223
Откуда: Н.Новгород
Рейтинг сообщения: 0
Неужели никто не поможет моей беде? (См пост выше)


Вернуться наверх
 
Не в сети
 Заголовок сообщения: Re: DDS генератор на AVR
СообщениеДобавлено: Пт янв 07, 2011 11:07:59 
Опытный кот
Аватар пользователя

Карма: 10
Рейтинг сообщений: 41
Зарегистрирован: Пт мар 30, 2007 12:11:23
Сообщений: 757
Рейтинг сообщения: 0
Вы прошивку брали из статьи или архива 2 постами выше?


Вернуться наверх
 
Не в сети
 Заголовок сообщения: Re: DDS генератор на AVR
СообщениеДобавлено: Пт янв 07, 2011 13:18:55 
Прорезались зубы
Аватар пользователя

Карма: 4
Рейтинг сообщений: 85
Зарегистрирован: Вт фев 02, 2010 21:25:18
Сообщений: 223
Откуда: Н.Новгород
Рейтинг сообщения: 0
Я схему и прошивку брал с первой страницы темы, её выложил некто Timer32. download/file.php?id=9708 Меня подкупило удобство управления, минимум кнопок. Да и мега16 с ЖК 16х2 МЭЛТ валялись без дела. В протеусе всё работает красиво, в живую у меня всё управляется, всё изменяется, все сигналы выдаются но "в слепую" - индикатор ничего не показывает. Мегу менял, перепрошивал, индикатор проверял на другом устройстве, все дорожки прозвонены миллион раз.


Вернуться наверх
 
Не в сети
 Заголовок сообщения: Re: DDS генератор на AVR
СообщениеДобавлено: Пт янв 07, 2011 15:07:52 
Опытный кот
Аватар пользователя

Карма: 10
Рейтинг сообщений: 41
Зарегистрирован: Пт мар 30, 2007 12:11:23
Сообщений: 757
Рейтинг сообщения: 0
bifurkas писал(а):
Я схему и прошивку брал с первой страницы темы, её выложил некто Timer32. download/file.php?id=9708 Меня подкупило удобство управления, минимум кнопок. Да и мега16 с ЖК 16х2 МЭЛТ валялись без дела. В протеусе всё работает красиво, в живую у меня всё управляется, всё изменяется, все сигналы выдаются но "в слепую" - индикатор ничего не показывает. Мегу менял, перепрошивал, индикатор проверял на другом устройстве, все дорожки прозвонены миллион раз.

Тут обсуждается генератор от kotovasiya, попробуйте задать в разделе Микроконтроллеры и ПЛИС.


Вернуться наверх
 
Не в сети
 Заголовок сообщения: Re: DDS генератор на AVR
СообщениеДобавлено: Пн янв 17, 2011 14:21:35 
Грызет канифоль

Карма: 2
Рейтинг сообщений: 2
Зарегистрирован: Пт янв 29, 2010 12:13:38
Сообщений: 291
Откуда: Нижний Новгород.
Рейтинг сообщения: 0
всем привет! :) подскажите в чем проблема???
собрал генератор,прошил hex,прошил фьюзы исходник выложил.
кнопки на нажатие не реагируют кроме 2 + - nextform.
частоту на выходе померял смотрите фото.
ИзображениеИзображениеИзображениеИзображение


Вложения:
DDS_M8535_MT10T-7.rar [26.58 KiB]
Скачиваний: 271

_________________
Будь проще к людям! Хочешь быть мудрей — Не делай больно мудростью своей.Изображение
Вернуться наверх
 
Не в сети
 Заголовок сообщения: Re: DDS генератор на AVR
СообщениеДобавлено: Пн янв 17, 2011 14:31:14 
Опытный кот
Аватар пользователя

Карма: 10
Рейтинг сообщений: 41
Зарегистрирован: Пт мар 30, 2007 12:11:23
Сообщений: 757
Рейтинг сообщения: 0
#DIZEL# писал(а):
всем привет! :) подскажите в чем проблема???
собрал генератор,прошил hex,прошил фьюзы исходник выложил.
кнопки на нажатие не реагируют кроме 2 + - nextform.
частоту на выходе померял смотрите фото.
ИзображениеИзображениеИзображениеИзображение

Надо еще зашить и еепром, смотрите хекс который начинается с ее.


Вернуться наверх
 
Не в сети
 Заголовок сообщения: Re: DDS генератор на AVR
СообщениеДобавлено: Пн янв 17, 2011 14:33:04 
Грызет канифоль

Карма: 2
Рейтинг сообщений: 2
Зарегистрирован: Пт янв 29, 2010 12:13:38
Сообщений: 291
Откуда: Нижний Новгород.
Рейтинг сообщения: 0
но в этом исходнике нет еепром :dont_know:

_________________
Будь проще к людям! Хочешь быть мудрей — Не делай больно мудростью своей.Изображение


Вернуться наверх
 
Показать сообщения за:  Сортировать по:  Вернуться наверх
Начать новую тему Ответить на тему  [ Сообщений: 652 ]     ... , , , 17, , , ...  

Часовой пояс: UTC + 3 часа


Кто сейчас на форуме

Сейчас этот форум просматривают: vbifvbifvbif и гости: 60


Вы не можете начинать темы
Вы не можете отвечать на сообщения
Вы не можете редактировать свои сообщения
Вы не можете удалять свои сообщения
Вы не можете добавлять вложения

Найти:
Перейти:  


Powered by phpBB © 2000, 2002, 2005, 2007 phpBB Group
Русская поддержка phpBB
Extended by Karma MOD © 2007—2012 m157y
Extended by Topic Tags MOD © 2012 m157y