Например TDA7294

Форум РадиоКот • Просмотр темы - Цифровая паяльная станция (от михи-псков)
Форум РадиоКот
Здесь можно немножко помяукать :)

Текущее время: Пт окт 03, 2025 04:53:28

Часовой пояс: UTC + 3 часа


ПРЯМО СЕЙЧАС:



Начать новую тему Ответить на тему  [ Сообщений: 10599 ]     ... , , , 102, , , ...  
Автор Сообщение
Не в сети
 Заголовок сообщения: Re: Цифровая паяльная станция (от михи-псков)
СообщениеДобавлено: Вт мар 16, 2010 12:06:25 
Родился

Зарегистрирован: Пн июн 22, 2009 23:01:52
Сообщений: 14
Рейтинг сообщения: 0
Volly писал(а):
Калибровка- резисторами в обвязке ОУ. Программную делать не буду, нет желания.
Так-же с помехами,- блокировочные конденсаторы (100-470н) по питанию или по входам AREF (21), или ADC0 (23) должны помочь. Возможно в китайской прошивке другие опорные частоты (какие- понятия не имею), и она не чувствительна к помехам от компрессора. Эксперименты без станции под рукой- сродни онанизму, только совсем без всякого удовольствия. :wink:

Спасибо! оба совета помогли 100%
Для устранения периодической ошибки во время работы фена, хватило одного конденсатора 0,1мкФ между землей и 23ей ногой АТмеги паяльника. Подпаял его на 2ой и 3ий выход дополнительного модуля " Lukey 937D"
Так же произвел калибровку температуры изменяя сопротивления в обратной связи ОУ. Было R2+R3+R9 = 23,5кОм стало 20кОм. Температуру держит отлично! Спасибо огромное.

PS: Родные контроллеры перепрошил нафиг.


Вернуться наверх
 
Не в сети
 Заголовок сообщения: Re: Цифровая паяльная станция (от михи-псков)
СообщениеДобавлено: Вт мар 16, 2010 16:03:31 
Первый раз сказал Мяу!

Зарегистрирован: Пн окт 26, 2009 21:10:25
Сообщений: 22
Рейтинг сообщения: 0
Denis85 расскажи пожалуйста как калибровал, а то у меня выше 300 температура не поднимается а не может это происходить из за диода, который срезает полуволну, (нагреватель 70 ом)


Последний раз редактировалось dimarad Вт мар 16, 2010 16:38:58, всего редактировалось 1 раз.

Вернуться наверх
 
Не в сети
 Заголовок сообщения: Re: Цифровая паяльная станция (от михи-псков)
СообщениеДобавлено: Вт мар 16, 2010 16:18:07 
Встал на лапы
Аватар пользователя

Зарегистрирован: Вс ноя 01, 2009 15:25:45
Сообщений: 129
Откуда: Ярославль
Рейтинг сообщения: 0
Здравствуйте! Приобрёл сегодня паяльник.
Вот хотел бы узнать, в нём термопара или терморезистор?В описании не сказано. Цифровая часть станции для меня не проблема.


Вернуться наверх
 
Не в сети
 Заголовок сообщения: Re: Цифровая паяльная станция (от михи-псков)
СообщениеДобавлено: Вт мар 16, 2010 16:21:15 
Мучитель микросхем
Аватар пользователя

Зарегистрирован: Вс янв 04, 2009 15:44:49
Сообщений: 497
Рейтинг сообщения: 0
там же сказано "паяльник для станций SL-10CMC, SL-20CMC, SL-30CMC"
А слабо найти описание для этих станций?


Вернуться наверх
 
Не в сети
 Заголовок сообщения: Re: Цифровая паяльная станция (от михи-псков)
СообщениеДобавлено: Вт мар 16, 2010 16:25:28 
Родился

Зарегистрирован: Сб мар 21, 2009 01:04:18
Сообщений: 3
Рейтинг сообщения: 0
:))


Вложения:
Комментарий к файлу: Печатка ))
Копия 7805.lay [36.54 KiB]
Скачиваний: 1403


Последний раз редактировалось 11111 Вт мар 16, 2010 17:13:48, всего редактировалось 1 раз.
Вернуться наверх
 
Не в сети
 Заголовок сообщения: Re: Цифровая паяльная станция (от михи-псков)
СообщениеДобавлено: Вт мар 16, 2010 16:31:22 
Встал на лапы
Аватар пользователя

Зарегистрирован: Вс ноя 01, 2009 15:25:45
Сообщений: 129
Откуда: Ярославль
Рейтинг сообщения: 0
dgin
Цитата:
Предназначены для пайки с поддержанием постоянной температуры жала паяльника в пределах от 150 до 420 °С с точностью 2-3 °С. Точность обеспечивается температурным датчиком, расположенным в корпусе нихромового проволочного нагревательного элемента рядом с жалом паяльника, и электронно-цифровой системой регулирования температуры основного блока.

Собственно там и не говорится...


Вернуться наверх
 
Не в сети
 Заголовок сообщения: Re: Цифровая паяльная станция (от михи-псков)
СообщениеДобавлено: Вт мар 16, 2010 16:32:09 
Потрогал лапой паяльник
Аватар пользователя

Карма: 11
Рейтинг сообщений: 21
Зарегистрирован: Вс янв 25, 2009 23:17:22
Сообщений: 392
Откуда: 76RUS
Рейтинг сообщения: 0
Lifeyar писал(а):
Здравствуйте! Приобрёл сегодня паяльник.
Вот хотел бы узнать, в нём термопара или терморезистор?В описании не сказано. Цифровая часть станции для меня не проблема.
У меня точно такой, в нем терморезистор


Вернуться наверх
 
Не в сети
 Заголовок сообщения: Re: Цифровая паяльная станция (от михи-псков)
СообщениеДобавлено: Вт мар 16, 2010 16:34:47 
Встал на лапы
Аватар пользователя

Зарегистрирован: Вс ноя 01, 2009 15:25:45
Сообщений: 129
Откуда: Ярославль
Рейтинг сообщения: 0
Спасибо, земляк!


Вернуться наверх
 
Не в сети
 Заголовок сообщения: Re: Цифровая паяльная станция (от михи-псков)
СообщениеДобавлено: Вт мар 16, 2010 16:51:39 
Потрогал лапой паяльник
Аватар пользователя

Карма: 11
Рейтинг сообщений: 21
Зарегистрирован: Вс янв 25, 2009 23:17:22
Сообщений: 392
Откуда: 76RUS
Рейтинг сообщения: 0
Lifeyar писал(а):
Спасибо, земляк!
Пожалуйста,кстати моя станция здесь viewtopic.php?f=25&t=8505&p=223924#p223924


Вернуться наверх
 
Не в сети
 Заголовок сообщения: Re: Цифровая паяльная станция (от михи-псков)
СообщениеДобавлено: Вт мар 16, 2010 17:07:43 
Поставщик валерьянки для Кота
Аватар пользователя

Карма: 24
Рейтинг сообщений: 596
Зарегистрирован: Сб окт 10, 2009 10:34:07
Сообщений: 2168
Откуда: Україна, Хорол
Рейтинг сообщения: 0
Александр Липкин писал(а):
Lifeyar писал(а):
Спасибо, земляк!
Пожалуйста,кстати моя станция здесь http://radiokot.ru/forum/viewtopic.php? ... 24#p223924

Люди, ну читайте хоть последние страницы форума, уже только ленивый не знает что у термопары сопротивление 0.3-1.5 Ом, а у терморезистора около 50,- тестером промеряли и все понятно

_________________
Мои паяльные станции: первая, вторая, фен.


Вернуться наверх
 
Не в сети
 Заголовок сообщения: Re: Цифровая паяльная станция (от михи-псков)
СообщениеДобавлено: Вт мар 16, 2010 17:10:27 
Нашел транзистор. Понюхал.
Аватар пользователя

Зарегистрирован: Сб янв 20, 2007 21:37:54
Сообщений: 161
Рейтинг сообщения: 0
Александр Липкин писал(а):
Lifeyar писал(а):
Здравствуйте! Приобрёл сегодня паяльник.
Вот хотел бы узнать, в нём термопара или терморезистор?В описании не сказано. Цифровая часть станции для меня не проблема.
У меня точно такой, в нем терморезистор


Solomon'ов с терморезистором не бывает, только термопара.Тип К (ХА).


Вернуться наверх
 
Не в сети
 Заголовок сообщения: Re: Цифровая паяльная станция (от михи-псков)
СообщениеДобавлено: Вт мар 16, 2010 17:59:42 
Потрогал лапой паяльник
Аватар пользователя

Карма: 11
Рейтинг сообщений: 21
Зарегистрирован: Вс янв 25, 2009 23:17:22
Сообщений: 392
Откуда: 76RUS
Рейтинг сообщения: 0
Profi писал(а):
Александр Липкин писал(а):
Lifeyar писал(а):
Здравствуйте! Приобрёл сегодня паяльник.
Вот хотел бы узнать, в нём термопара или терморезистор?В описании не сказано. Цифровая часть станции для меня не проблема.
У меня точно такой, в нем терморезистор


Solomon'ов с терморезистором не бывает, только термопара.Тип К (ХА).
Да да,термопара,ошибся :oops:


Вернуться наверх
 
Не в сети
 Заголовок сообщения: Re: Цифровая паяльная станция (от михи-псков)
СообщениеДобавлено: Вт мар 16, 2010 21:36:33 
Родился

Зарегистрирован: Пн июн 22, 2009 23:01:52
Сообщений: 14
Рейтинг сообщения: 0
dimarad писал(а):
Denis85 расскажи пожалуйста как калибровал, а то у меня выше 300 температура не поднимается а не может это происходить из за диода, который срезает полуволну, (нагреватель 70 ом)

Калибровал так: Выпаял R2 в доп плате. Вместо него впаял подстроечный резистор 20кОм выставил на нем 15кОм. Далее включил станцию выставил 300гр. На кончик паяльника набрал каплю припоя и тестером с термопарой замерил температуру в этой капле. Ну а потом покрутил переменник и добился нужной температуры. После заменил R2 на эквивалентный резистор.

Честно говоря не понял причем тут какой-то диод и что за нагреватель с сопротивлением 70 Ом ? 70 Ом это скорее всего терморезистор.


Вернуться наверх
 
Не в сети
 Заголовок сообщения: Re: Цифровая паяльная станция (от михи-псков)
СообщениеДобавлено: Вт мар 16, 2010 22:20:09 
Опытный кот
Аватар пользователя

Карма: 1
Рейтинг сообщений: 2
Зарегистрирован: Пт мар 06, 2009 18:22:23
Сообщений: 702
Рейтинг сообщения: 0
С прошивкой для Lukey 852D+ диод ставить нельзя, там оно программно ограничивается.


Вернуться наверх
 
Не в сети
 Заголовок сообщения: Re: Цифровая паяльная станция (от михи-псков)
СообщениеДобавлено: Ср мар 17, 2010 00:22:43 
Первый раз сказал Мяу!

Зарегистрирован: Пн окт 26, 2009 21:10:25
Сообщений: 22
Рейтинг сообщения: 0
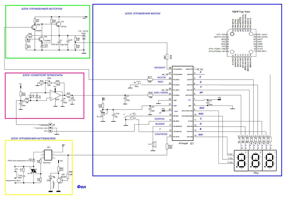
У меня фен от luckey 702 а схема самодельная , кстати нет ли у меня в ней ощибок,? В принципе работает, только показания гуляют +- 25 градусов и выше 300 градусов (по термометру с термопарой ) не поднимается температура. Прошивка со страницы 57.


Вложения:
схема new.JPG [127.26 KiB]
Скачиваний: 2156
Вернуться наверх
 
Не в сети
 Заголовок сообщения: Re: Цифровая паяльная станция (от михи-псков)
СообщениеДобавлено: Ср мар 17, 2010 19:14:02 
Вымогатель припоя
Аватар пользователя

Карма: 4
Рейтинг сообщений: 102
Зарегистрирован: Чт фев 19, 2009 23:41:27
Сообщений: 615
Откуда: Беларусь, Барановичи
Рейтинг сообщения: 0
dimarad писал(а):
У меня фен от luckey 702 а схема самодельная , кстати нет ли у меня в ней ощибок,? В принципе работает, только показания гуляют +- 25 градусов и выше 300 градусов (по термометру с термопарой ) не поднимается температура. Прошивка со страницы 57.

Откалибруйте её, у вас используеться операционник OP02? Накиньте ему на питание кондёр на 100nF, и ему требуеться двухполярное питание, подробнее про питание его можно глянуть либо в соседней ветке где он использует (пост от Volly например), либо в написанном aquarius26 Мануале на Люкей где стоит его старший собрат OP07.

aquarius26 писал(а):
Сделал типа Service manual,
возможны ошибки.
http://upload.com.ua/get/901382473/

Страница 90.

_________________
FAQ по паяльной станции "от михи-псков" и доработке Lykey 702/852D+,схемы,платы, прошивки


Вернуться наверх
 
Не в сети
 Заголовок сообщения: Re: Цифровая паяльная станция (от михи-псков)
СообщениеДобавлено: Ср мар 17, 2010 22:34:39 
Первый раз сказал Мяу!

Зарегистрирован: Пн окт 26, 2009 21:10:25
Сообщений: 22
Рейтинг сообщения: 0
Spruts80 я использую lm358 ? Как в этом случае?


Вернуться наверх
 
Не в сети
 Заголовок сообщения: Re: Цифровая паяльная станция (от михи-псков)
СообщениеДобавлено: Ср мар 17, 2010 22:42:24 
Встал на лапы

Карма: 1
Рейтинг сообщений: 0
Зарегистрирован: Ср мар 17, 2010 19:38:55
Сообщений: 126
Рейтинг сообщения: 0
Доброго времени суток. Вопрос такой вот тут viewtopic.php?f=25&t=8505&start=1380 от Vlad399 была схема приведена, образовалось 2 вопроса
1. На схеме с фенов есть элемент Motor(M1), это агрегат для выработки воздуха для фена я верно понял? и какой для примера можно поставить? и если не так понял то проясните пожалуйста.
2. И более четкую схему по разводке катушек ТПП можно получить?


Вернуться наверх
 
Не в сети
 Заголовок сообщения: Re: Цифровая паяльная станция (от михи-псков)
СообщениеДобавлено: Чт мар 18, 2010 12:45:15 
Встал на лапы
Аватар пользователя

Зарегистрирован: Вс ноя 01, 2009 15:25:45
Сообщений: 129
Откуда: Ярославль
Рейтинг сообщения: 0
Всем , привет! Станция собрана и опробована в работе, всё просто замечательно. Спасибо всем, кто участвовал в разработке и модификации. Есть вопрос. При нагреве паяльника до заданной температуры нагревается диодный мост, довольно значительно. После выхода на заданную температуру, немного тёплый. Диодный мост 400 Вольт, 6 Ампер. Это нормально, или всётаки из-за того, что трансформатор слабоват, у меня он на 20 Вольт (после выпрямителя ровно 24) мощность транса 30 Ватт. Ищу, ищу помощнее. :)


Вернуться наверх
 
Не в сети
 Заголовок сообщения: Re: Цифровая паяльная станция (от михи-псков)
СообщениеДобавлено: Чт мар 18, 2010 13:00:00 
Поставщик валерьянки для Кота
Аватар пользователя

Карма: 24
Рейтинг сообщений: 596
Зарегистрирован: Сб окт 10, 2009 10:34:07
Сообщений: 2168
Откуда: Україна, Хорол
Рейтинг сообщения: 0
Lifeyar писал(а):
При нагреве паяльника до заданной температуры нагревается диодный мост, довольно значительно. После выхода на заданную температуру, немного тёплый. Диодный мост 400 Вольт, 6 Ампер. Это нормально?

у меня 8А и тоже аналогичная ситуация, правда греется не так сильно, так что наверное нормально это
(и кстати, на соломоновском паяльнике греется сильнее)

_________________
Мои паяльные станции: первая, вторая, фен.


Вернуться наверх
 
Показать сообщения за:  Сортировать по:  Вернуться наверх
Начать новую тему Ответить на тему  [ Сообщений: 10599 ]     ... , , , 102, , , ...  

Часовой пояс: UTC + 3 часа


Кто сейчас на форуме

Сейчас этот форум просматривают: нет зарегистрированных пользователей и гости: 60


Вы не можете начинать темы
Вы не можете отвечать на сообщения
Вы не можете редактировать свои сообщения
Вы не можете удалять свои сообщения
Вы не можете добавлять вложения

Найти:
Перейти:  


Powered by phpBB © 2000, 2002, 2005, 2007 phpBB Group
Русская поддержка phpBB
Extended by Karma MOD © 2007—2012 m157y
Extended by Topic Tags MOD © 2012 m157y