Например TDA7294

Форум РадиоКот • Просмотр темы - Очень простая зарядка для Li-Ion
Форум РадиоКот
Здесь можно немножко помяукать :)

Текущее время: Сб окт 18, 2025 03:13:26

Часовой пояс: UTC + 3 часа


ПРЯМО СЕЙЧАС:



Начать новую тему Ответить на тему  [ Сообщений: 58 ]    , 2,  
Автор Сообщение
Не в сети
 Заголовок сообщения: Re: Очень простая зарядка для Li-Ion
СообщениеДобавлено: Пн окт 21, 2013 21:27:23 
Вымогатель припоя
Аватар пользователя

Карма: 10
Рейтинг сообщений: 64
Зарегистрирован: Вс ноя 04, 2012 20:20:13
Сообщений: 573
Откуда: Рязань
Рейтинг сообщения: 0
novodrodskiy писал(а):

P.S. И нафига эти последние посты в эту тему засунули?

Потому что тема дубль, это вопрос уже обсуждался именно в этой теме, теперь будем разъяснять человеку, что да как.

_________________
Выше нос! жизнь прекрасна! :))


Вернуться наверх
 
Не в сети
 Заголовок сообщения: Re: Очень простая зарядка для Li-Ion
СообщениеДобавлено: Пн ноя 11, 2013 19:41:24 
Мучитель микросхем
Аватар пользователя

Карма: 3
Рейтинг сообщений: 5
Зарегистрирован: Ср авг 24, 2011 12:14:29
Сообщений: 425
Откуда: Украина г.Никополь
Рейтинг сообщения: 0
Добрый вечер. Подскажите где можно выпаять эту микруху LTC4054ES5-4.2 или что то подобное?


Вернуться наверх
 
Не в сети
 Заголовок сообщения: Re: Очень простая зарядка для Li-Ion
СообщениеДобавлено: Вт ноя 12, 2013 23:26:18 
Потрогал лапой паяльник
Аватар пользователя

Зарегистрирован: Ср окт 31, 2007 17:57:21
Сообщений: 319
Откуда: Украина Запорожье
Рейтинг сообщения: 0
купить здесь. ну или выпаять из мобилки samsung c100


Вернуться наверх
 
Не в сети
 Заголовок сообщения: Re: Очень простая зарядка для Li-Ion
СообщениеДобавлено: Ср ноя 13, 2013 16:46:18 
Мучитель микросхем
Аватар пользователя

Карма: 3
Рейтинг сообщений: 5
Зарегистрирован: Ср авг 24, 2011 12:14:29
Сообщений: 425
Откуда: Украина г.Никополь
Рейтинг сообщения: 0
Большое спасибо :beer: куплю пару штук про тестю. я на Космодроме видел LTC4054ES5-4.2. за 29грн. они сильно отличаются?


Вернуться наверх
 
Эиком - электронные компоненты и радиодетали
Не в сети
 Заголовок сообщения: Re: Очень простая зарядка для Li-Ion
СообщениеДобавлено: Сб ноя 16, 2013 19:58:04 
Мучитель микросхем
Аватар пользователя

Карма: 3
Рейтинг сообщений: 5
Зарегистрирован: Ср авг 24, 2011 12:14:29
Сообщений: 425
Откуда: Украина г.Никополь
Рейтинг сообщения: 0
Вот так будет работать устройство от двух последовательно включенных АКБ и при выключения устройства заряжать их? или на LTC которая внизу пойдет напряжение 7.4 В и она сдохнет? может еще Bat 1 замкнуть накоротко если контакты вовремя не отойдут :cry: какие есть идеи?


Вложения:
Зарядка двух последовательных Li-ion.GIF [9.84 KiB]
Скачиваний: 1760
Вернуться наверх
 
Не в сети
 Заголовок сообщения: Re: Очень простая зарядка для Li-Ion
СообщениеДобавлено: Вс ноя 17, 2013 18:35:11 
Потрогал лапой паяльник

Карма: 2
Рейтинг сообщений: 21
Зарегистрирован: Пн май 04, 2009 14:39:47
Сообщений: 302
Откуда: Россия г. Москва
Рейтинг сообщения: 0
В даташите максимальное напряжение на выходе 7в. Так что 8.4в может его и убить.
Лучше всего питать от двух гальванически развязанных источников 5в.


Вернуться наверх
 
Не в сети
 Заголовок сообщения: Re: Очень простая зарядка для Li-Ion
СообщениеДобавлено: Вс дек 08, 2013 20:30:02 
Первый раз сказал Мяу!

Зарегистрирован: Вс ноя 17, 2013 18:14:17
Сообщений: 29
Рейтинг сообщения: 0
Всем Привет!м для того чтобы зарядит акб литевый емкостью 800мАЧ какой резистор нужно ставить ? Парни подскажите ?


Вернуться наверх
 
Не в сети
 Заголовок сообщения: Re: Очень простая зарядка для Li-Ion
СообщениеДобавлено: Вт дек 10, 2013 00:05:52 
Потрогал лапой паяльник

Карма: 2
Рейтинг сообщений: 21
Зарегистрирован: Пн май 04, 2009 14:39:47
Сообщений: 302
Откуда: Россия г. Москва
Рейтинг сообщения: 0
Литий заряжать лучше 0.3-0.5С. В Вашем случае это 250-400мА. Значит резистор надо 4ком-2.5ком соответственно.


Вернуться наверх
 
Не в сети
 Заголовок сообщения: Re: Очень простая зарядка для Li-Ion
СообщениеДобавлено: Вт дек 10, 2013 02:40:54 
Вымогатель припоя

Карма: 4
Рейтинг сообщений: 30
Зарегистрирован: Чт фев 16, 2012 19:00:11
Сообщений: 502
Рейтинг сообщения: 0
Цитата:
Дороговатая "Очень простая зарядка для Li-Ion" получается...
у Microchip есть MCP73812/31 за 0.5$.
плюс куча китайских клонов доступных на ебее QX4054, EMC5754, EC49016, TP4057, KB4540, XA4054, LSP4054, SGM4054, BL4054, YB1880, G5803, HX6001, ME4054, SI6007, LP4061 и т.д.

да и банальная зарядка из LM317 + TL431 неплохо справляется с задачей, только напряжение нужно поточнее выставить чем для никеля.


Вернуться наверх
 
Не в сети
 Заголовок сообщения: Re: Очень простая зарядка для Li-Ion
СообщениеДобавлено: Ср апр 16, 2014 18:55:17 
Вымогатель припоя
Аватар пользователя

Карма: 9
Рейтинг сообщений: 114
Зарегистрирован: Ср апр 16, 2014 18:31:46
Сообщений: 503
Рейтинг сообщения: 0
А скажите, в чем опасность заряжать li-ion аккумулятор током более низким чем полагается?
Есть 4 аккумулятора Avant 18650 3000mAh. Рекомендуемый ток заряда для них получается - от 1.5 до 3А, что весьма дофига (у меня даже источник столько энергии не выдаст на все 4 аккумулятора вместе взятые). Городить схему на BQ2057CSN и pic'е который ее будет подключать релюшками к разным батареям - лениво. Напоровшись на эту тему узнал о существовании STC4054GR, у которой 'charge current up to 800mA'. В принципе если взять 4 STC4054GR - источник это дело вытянет, по цене и сложности тоже получается не так все плохо, вопрос лишь в том, что будет с аккумуляторами если их заряжать током 0.8А - этож 0.27C. Здравый смысл подсказывает что им так даже лучше будет, но везде пишут - 0.5C..1C без особых разъяснений что будет если заряжать в 2 раза более низким током (что будет если в 2 раза более высоким - очевидно :) )


Вернуться наверх
 
Не в сети
 Заголовок сообщения: Re: Очень простая зарядка для Li-Ion
СообщениеДобавлено: Ср апр 16, 2014 21:26:48 
Модератор
Аватар пользователя

Карма: 68
Рейтинг сообщений: 424
Зарегистрирован: Ср ноя 26, 2008 16:34:25
Сообщений: 13490
Откуда: Тамбовская обл.
Рейтинг сообщения: 0
Медали: 1
Получил миской по аватаре (1)
misterzu, заряжайте любым, главное не превысить напряжение в 4.2 на банке.


Вернуться наверх
 
Не в сети
 Заголовок сообщения: Re: Очень простая зарядка для Li-Ion
СообщениеДобавлено: Вс апр 27, 2014 18:04:58 
Вымогатель припоя
Аватар пользователя

Карма: 9
Рейтинг сообщений: 114
Зарегистрирован: Ср апр 16, 2014 18:31:46
Сообщений: 503
Рейтинг сообщения: 0
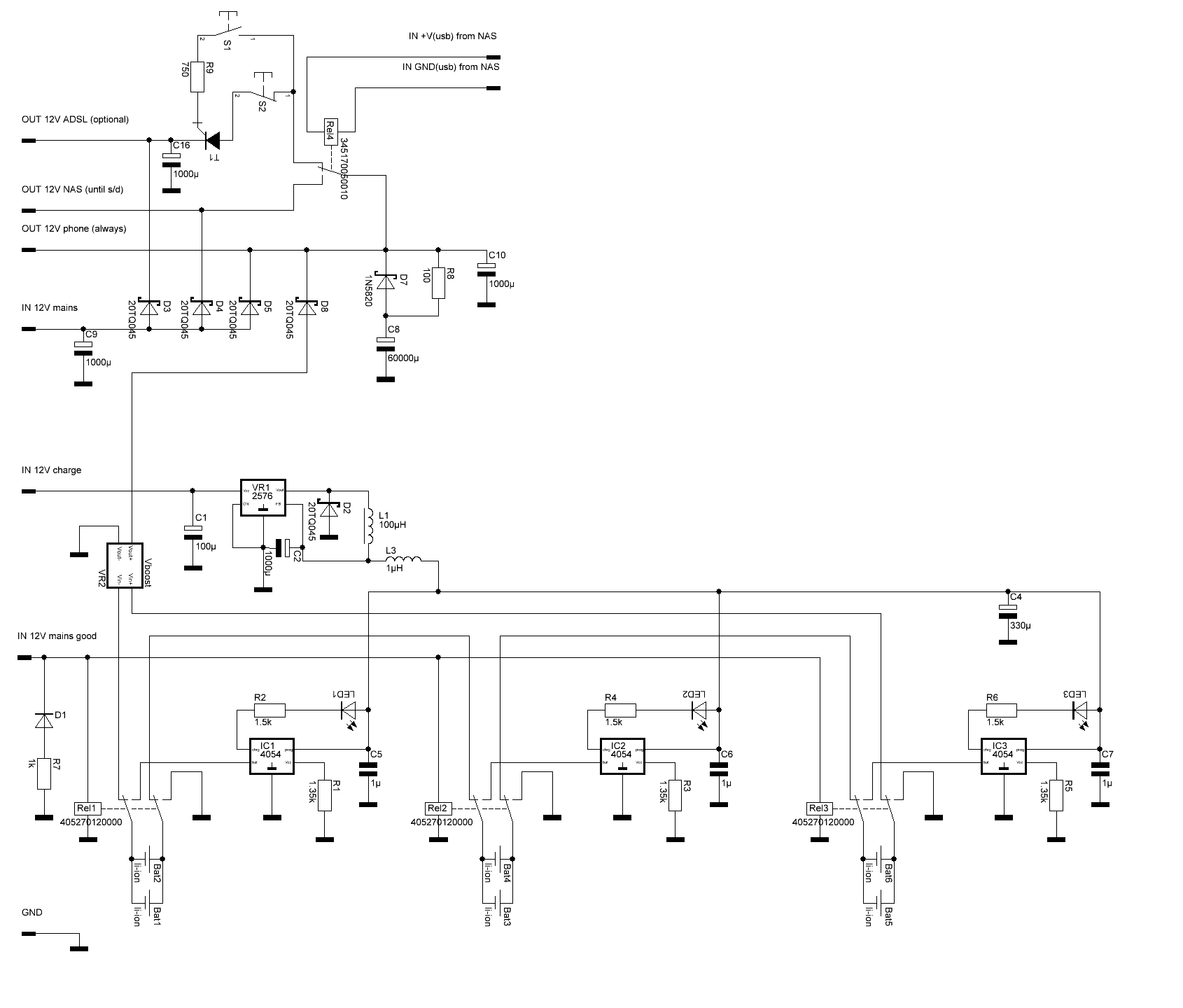
Такс зарядку собрал, даже три штуки (но об этом позже) - вроде работает.
Зарядки эти на самом деле часть 12В бесперебойника, которым я планирую питать базу dect телефона, + подпитывать домашний NAS до его шатдауна и с опциональной возможностью питать wifi/adsl (включить кнопкой). Такая дорогостоящая экзотика - li-ion - потому что место куда я этот ИБП всунуть хочу довольно ограничено - это электрический щиток - да и ваще - прикольные они - эти батарейки-переростки :)
Схема такая - 6 (уже 6 ага :) ) аккумуляторов разбиты на три группы по два в параллели. Каждая пара аккумов заряжается своей stc4054gr, выставленной на 740mA (Rprog=1.35K). Вся эта радость питается от LM2576 к которой приходит 12В от общего источника питания.
тот БП (MeanWell SDR-120-12) помимо бесперебойника еще питает все компутерное железо в щитке (NAS/wifi/ADSL/Свич) и dect телефон (через преобразователь 12->5.5). А еще от этого БП запитана светодиодная лента-подсветкав прихожей, включаемая релюшкой вместе с общим светом.
Но тут возник вопрос - в целях экономии здоровья этого БП я решил подавать питание на цепь заряда не всегда, а лишь когда светодиодная лента выключена - благо включающая ее релюшка имеет перекидные контакты. То есть цепь заряда иногда будет обесточиваться/включаться от балды, и аккумуляторы постоянно будут дозаряжаться. В принципе я потестил тут - вроде микросхемы работают нормально - напряжение на аккумуляторах не успевает достичь 4.25В - гдето на 4.21-4.22 по показаниям моего "прибора" зарядка стабильно прекращается. Беспокоит меня лишь то не будет ли для аккумуляторов вреден такой режим - постоянного поддержания их на уровне 4.2В?


Вернуться наверх
 
Не в сети
 Заголовок сообщения: Re: Очень простая зарядка для Li-Ion
СообщениеДобавлено: Вс апр 27, 2014 19:39:18 
Вымогатель припоя
Аватар пользователя

Карма: 10
Рейтинг сообщений: 64
Зарегистрирован: Вс ноя 04, 2012 20:20:13
Сообщений: 573
Откуда: Рязань
Рейтинг сообщения: 0
misterzu, почитайте тему малость повыше на предмет последовательного соединения аккумуляторов и посмотрите про эффект памяти - это точно будет вредно для аккумов при постоянной подзарядке.

_________________
Выше нос! жизнь прекрасна! :))


Вернуться наверх
 
Не в сети
 Заголовок сообщения: Re: Очень простая зарядка для Li-Ion
СообщениеДобавлено: Вс апр 27, 2014 20:27:53 
Вымогатель припоя
Аватар пользователя

Карма: 9
Рейтинг сообщений: 114
Зарегистрирован: Ср апр 16, 2014 18:31:46
Сообщений: 503
Рейтинг сообщения: 0
У меня в процессе зарядки нет последовательных банок - три группы по две параллельно соединенные банки, каждая заряжается своей STC4054GR. Параллельное соединение банок ИМХО вполне безопасная вещь в моем случае, особенно учитывая что банки одинаковые, а ток заряда каждой группы заведомо меньше 1C для одной банки.
В последовательную цепочку они _возможно_ будут коммутироваться при разряде (релюшками) потому что примененный step-up так будет эффективнее их использовать. Но я еще не решил окончательно - соединять их на время разряда параллельно и иметь на входе конвертера 2.7..4.2В или же включать в последовательную цепочку и иметь 8.1..12.6В. Закавыка в том что имеющийся конвертер (его сам собирать не стал - взял готовый такой вот - http://www.aliexpress.com/item/DC-3-35V-to-3-5-35V-Booster-STEP-UP-Step-up-MODULE-Converter-Regulated-Power/901008817.html ) не умеет делать из 12.6В - 12В - он только step-up. То есть на выходе будет 12.6В, что немного больше желаемых 12В, но думаю аппаратура это переживет. Но вообще в данном случае это неважно, потому что ситуация работы на разряд (пропадание света) - редкая.
Эффект памяти в применении к li-ion тоже вроде не применим. На педивикии написано "Как показало исследование, частые циклы неполной зарядки и последующего разряда приводят к возникновению отдельных «микроэффектов памяти», которые затем суммируются"
А у меня в основном будут частые (пару раз в сутки) циклы полной зарядки :) с саморазрядом аккумуляторов между ними.


Вернуться наверх
 
Не в сети
 Заголовок сообщения: Re: Очень простая зарядка для Li-Ion
СообщениеДобавлено: Вс апр 27, 2014 20:50:08 
Вымогатель припоя
Аватар пользователя

Карма: 10
Рейтинг сообщений: 64
Зарегистрирован: Вс ноя 04, 2012 20:20:13
Сообщений: 573
Откуда: Рязань
Рейтинг сообщения: 0
misterzu писал(а):
разбиты на три группы по два в параллели

Я то подумал, что вы их разбили на три группы, которые подключили параллельно, а в каждой группе по две последовательных. Для таких ситуаций схемку надо прикреплять :) Если все так, как я понял, то вроде все нормально.

misterzu писал(а):
На педивикии написано "Как показало исследование, частые циклы неполной зарядки и последующего разряда приводят к возникновению отдельных «микроэффектов памяти»

В той же педивикии:

Цитата:
Избежать эффекта памяти можно, если соблюдать режим использования аккумулятора: доводить аккумулятор до почти полной разрядки и только после этого его заряжать вновь

Так что вот так вот. Хотите, поэкспериментируйте :) Я бы использовал 2 из трех банок в дежурном режиме, а одну в это время разряжал и заряжал заново, что бы по очереди "тренировать" аккумуляторы. Это можно делать даже не постоянно, а с каким-то интервалом, если будет наблюдаться заметный разряд аккумуляторов с течением времени, таким образом вы их и заряженными держать будете и тренированными :)) А если заметного разряда не будет, то можно будет вообще раз месяц по одному аккуму таким образом дрессировать, а на постоянную подзарядку я бы забил вообще :) НО так поступил бы я, что делать - решать все равно вам.

Минус в моем подходе в том, что аккумы эти могут потребоваться тогда, когда один из них будет на зарядке, соответственно, у вас уменьшится их общая емкость

_________________
Выше нос! жизнь прекрасна! :))


Вернуться наверх
 
Не в сети
 Заголовок сообщения: Re: Очень простая зарядка для Li-Ion
СообщениеДобавлено: Вс апр 27, 2014 21:04:01 
Вымогатель припоя
Аватар пользователя

Карма: 9
Рейтинг сообщений: 114
Зарегистрирован: Ср апр 16, 2014 18:31:46
Сообщений: 503
Рейтинг сообщения: 0
Схемку могу выложить, если интересно, вдруг кому еще пригодится. Правда ввиду применения готового стороннего бустера она не так уж интересна - там по сути даташитовское включение lm2576, stc4054 + 4 релюшки, диоды шоттки , тиристор управляемый двумя кнопками да батарея электролитов для поддержания штанов на время запуска бустера. А еще ее вначале нарисовать нужно, а то я для себя так сразу печатку рисовал :)

По поводу доведение до почти полной разрядки - сдается мне это артефакт педивикии - этот абзац статьи писали до добавления в нее упоминания li-ion, а последние доводить до разрядки вообще не рекомендуют, в той же педивикии в стетье про li-ion написано " Глубокий разряд полностью выводит из строя литий-ионный аккумулятор" :))
Ну посмотрим че будет. Глядишь годик-другой аккумуляторы протянут, а там и LiFePo4 подоспеет по ценам и доступным контроллерам. Кстати может последние уже есть - никто не в курсе? В идеале чтоб можно было stc4054gr выпаять и впаять на ее место чтонить другое, полностью совместимое конечностями :)


Последний раз редактировалось misterzu Вс апр 27, 2014 21:09:09, всего редактировалось 1 раз.

Вернуться наверх
 
Не в сети
 Заголовок сообщения: Re: Очень простая зарядка для Li-Ion
СообщениеДобавлено: Вс апр 27, 2014 21:08:13 
Вымогатель припоя
Аватар пользователя

Карма: 10
Рейтинг сообщений: 64
Зарегистрирован: Вс ноя 04, 2012 20:20:13
Сообщений: 573
Откуда: Рязань
Рейтинг сообщения: 0
Вот аффигеть, в разных статьях одного сайта написано совершенно противоположное (с ваших слов, поэтому можно ссылочку на статью?).
И схему дайте взглянуть, что б уж мы точно на одной волне были :)))

_________________
Выше нос! жизнь прекрасна! :))


Вернуться наверх
 
Не в сети
 Заголовок сообщения: Re: Очень простая зарядка для Li-Ion
СообщениеДобавлено: Вс апр 27, 2014 21:18:04 
Вымогатель припоя
Аватар пользователя

Карма: 9
Рейтинг сообщений: 114
Зарегистрирован: Ср апр 16, 2014 18:31:46
Сообщений: 503
Рейтинг сообщения: 0
EDSedov писал(а):
Вот аффигеть, в разных статьях одного сайта написано совершенно противоположное (с ваших слов, поэтому можно ссылочку на статью?).

здесь вот ссылка на отдельную статью про li-ion аккумуляторы. Процитированная мной фраза из раздела Старение там.


Вернуться наверх
 
Не в сети
 Заголовок сообщения: Re: Очень простая зарядка для Li-Ion
СообщениеДобавлено: Вс апр 27, 2014 23:10:17 
Вымогатель припоя
Аватар пользователя

Карма: 9
Рейтинг сообщений: 114
Зарегистрирован: Ср апр 16, 2014 18:31:46
Сообщений: 503
Рейтинг сообщения: 0
EDSedov писал(а):
Вот аффигеть, в разных статьях одного сайта написано совершенно противоположное (с ваших слов, поэтому можно ссылочку на статью?).
И схему дайте взглянуть, что б уж мы точно на одной волне были :)))

Вот вроде бы по памяти нарисовал правильно
Внешний вид недоделанного изделия (релюшки еще не приехали, но зарядку протести успешно)
Плата имеет размеры 11х18см и в будущем будет запихнута вот в этот вот суровый бокс (187x118x56). В принципе при желании в него можно всунуть еще 6 банок увеличив общую емкость по 12V до почти 12Ah (каждая банка на фото - 3.7V/3100mah) и если подвинуть светодиоды то тогда платка бустера (на фото ее нету, но она имеет размеры 44х68х14мм) все еще поместится внутри.
Несколько ответов на вопросы (а почему?):
IN 12V mains - это просто подключение к выходу БП
IN 12V charge - это питание зарядки через упомянутую мной ранее релюшку, включающую или клевую подсветку в прихожей, или зарядку :)
IN 12V mains good - это тоже самое что IN 12V mains, но пропущенное через встроенную в сам БП релюшку DC OK. Есть мнение что она сработает быстрее чем сядут электролиты на выходе БП.
Далее - примененный бустер для 12В выхода может максимум 4.5A. NAS жрет 3А (ну на нем так написано). ADSL+ wifi router + свич - на каждом написано 1А, потому все вместе они оценочно жрут еще 3А. Само собой скорее всего жрут они меньше, но выходит что питать одновременно и NAS и остальные приблуды лучше не надо. Потому в схеме появляется Rel4.
IN V/GND(usb) - это питание с USB выхода имеющемся на NAS'е. Оно пропадает если NAS выключается (в том числе софтверным путем), чем я и решил воспользоваться для коммутации Rel4.
Общий алгоритм таков - пропадает свет - ИБП быстренько переключает релюшками батареи на бустер, питание с бустера начинает поступать на NAS. В промежутке NAS будет питаться исключительно от сурового вида батареи кондеров. На NAS'е крутится скриптик, который периодически (раз в минуту) проверяет состояние сетевого интерфейса и если обнаруживает отсутствие роутера - делает shutdown now, что его выключает, пропадает питание с Rel4, та переводит контакты на тиристор, но окончательное включение OUT 12V ADSL произойдет только если подойду я и нажму S1 :) А то вдруг никому инет ща не нужен - зачем зазря батарею высаживать.
Ну а питание на DECT'овский телефон всегда выдается, поскольку жрет он 5.5V/100mA. Не жалко вобщем.


Вложения:
test_board.jpg [47.86 KiB]
Скачиваний: 1613
ibp-princ.GIF [37.35 KiB]
Скачиваний: 1551
Вернуться наверх
 
Не в сети
 Заголовок сообщения: Re: Очень простая зарядка для Li-Ion
СообщениеДобавлено: Сб май 03, 2014 20:49:27 
Встал на лапы
Аватар пользователя

Зарегистрирован: Чт июл 12, 2012 22:43:08
Сообщений: 147
Откуда: Тамбов
Рейтинг сообщения: 0
Привет всем, посоветуйте пожалуйста зарядку для 4 акк 18650


Вернуться наверх
 
Показать сообщения за:  Сортировать по:  Вернуться наверх
Начать новую тему Ответить на тему  [ Сообщений: 58 ]    , 2,  

Часовой пояс: UTC + 3 часа


Кто сейчас на форуме

Сейчас этот форум просматривают: нет зарегистрированных пользователей и гости: 31


Вы не можете начинать темы
Вы не можете отвечать на сообщения
Вы не можете редактировать свои сообщения
Вы не можете удалять свои сообщения
Вы не можете добавлять вложения

Найти:
Перейти:  


Powered by phpBB © 2000, 2002, 2005, 2007 phpBB Group
Русская поддержка phpBB
Extended by Karma MOD © 2007—2012 m157y
Extended by Topic Tags MOD © 2012 m157y